Fórum témák

» Több friss téma
Fórum » TV hiba, mi a megoldás?
Lapozás: OK   353 / 1281
(#) kovacspista válasza kadarist hozzászólására (») Okt 13, 2010 /
 
Igen el
(#) kadarist válasza kumpl hozzászólására (») Okt 13, 2010 /
 
Szerezz be egy kapacitásmérős multimétert. Alapműszerek nélkül ne is fogj tévéjavításhoz.
(#) kadarist válasza kovacspista hozzászólására (») Okt 13, 2010 /
 
Mivel nézze meg? Az ujjával?
(#) hari válasza kadarist hozzászólására (») Okt 13, 2010 /
 
szkóppal mértem megvan az is.kikapcsoláskor egy picit mintha a trafó indulna,legalábbis hallom jellegzetes sípolást nagyon rövid ideig.
(#) kovacspista válasza kadarist hozzászólására (») Okt 13, 2010 /
 
Hát gondoltam szkóppal, de megértettem, nincs.
(#) kadarist válasza hari hozzászólására (») Okt 13, 2010 /
 
Azt is nézd meg, hogy a sor indulásakor mennyire esnek le a tápfeszültségek. Egy általános táp-átkondizás szokott segíteni. Azt is érdemes megnézni, hogy a sorvégtrafó tápfeszültség-kimenetein nincs-e zárlat, valamit a függőleges eltérítés megkapja-e a tápfeszültségét és a vezérlését.
(#) hari válasza kadarist hozzászólására (») Okt 13, 2010 /
 
Kondik cserélgetését majd megpróbálom,A vezérlést nem kapja meg sorvég az tuti.H-OUT jel tiltva van.tápokat indításkor mérni fogom mit mutatnak.
(#) kumpl válasza kadarist hozzászólására (») Okt 14, 2010 /
 
Hát igen.. Az rámférne. Nekem csak egy alap van. Még csak nem is sípolós Viszont akkor kicserélem az összes kondit a környéken, aztán meglátjuk. Az ellenállásokat, meg a diódákat meg tudom mérni.
(#) hari válasza kadarist hozzászólására (») Okt 14, 2010 /
 
Tápok indításkor rendben,azért kicseréltem a kondikat.Sorvégtrafón nincs zárlat.Első bekapcsolásra próbál indulni,aztán semmi.
(#) kumpl válasza kadarist hozzászólására (») Okt 15, 2010 /
 
Megva a hiba. Legalábbis szerintem. Egy "33N-s" kondi, közvetlenül egy fet mellett. Kicseréltem, most nem befelé, hanem kifelé domború a kép széle. Az a baj, hogy nincsen itthon 33n-s. majd holnap veszek., de lehet, hogy trimert veszek, és azzal beállítom. Bár lehet, hogy a gyári beállításos service menüm miattt van ?
(#) paperboy válasza kadarist hozzászólására (») Okt 15, 2010 /
 
Hát sajna nincs eredeti távom, de az univerzálison már mindent végignyomtam de semmivel nem tudom eltüntetni Pedig már mindent tudok amúgy állítani...

Egy másik dolog is van, ebben is kérnék egy kis segítséget, hogy mi okozhatja, hol nézzek szét benne, mert azt csinálja, hogy időnként magától, vagy ha hangosabb rész van, vagy kis lökés éri a tv-t, tehát gondolom valami érintkezés talán, elvilágosul a kép és vékony csíkokkal vibrál (de nem ez a ferde csíkos jelenség) hanem világos lesz a kép nagyon és az csíkos véletlenszerűen és ugrál, vibrál. Ha megkocogtatom a tv-t elmulasztható. Meg az érdekes, hogy akkor is elmúlik, ha kikapcsolom stanby-ba, és visszakapcsolom...
(#) kadarist válasza kumpl hozzászólására (») Okt 15, 2010 /
 
Igen, lehet, hogy a rossz szervízbeállítás miatt domború. Látod, kár volt a szervízmenüvel bajlódni, most állítgathatod azt is.
(#) kumpl válasza kadarist hozzászólására (») Okt 15, 2010 /
 
Ma próbáltam venni egy kondit bele, de nem volt 100V-os. Az eladó megmérte a rossznak hitt kondimat, de szerinte anak semmi baja... Akkor most mi van? Miért lett jobb? Vagy nem is lett?
(#) soos csaba válasza kumpl hozzászólására (») Okt 15, 2010 /
 
Szevasz, vannak olyan kondik hogy mikor le méred kapacitás mérővel a meg felelő értéket mutassa a műszer, de mikor vissza teszed szépen át húz feszültség alatt, nem egyszer jártam már így. Úgy hogy azt tudom tanácsolni hogy ne is mérd, hanem autómat cseréld le újra :yes:
(#) moltam válasza kumpl hozzászólására (») Okt 15, 2010 /
 
Lehet hogy feszültség alatt átvezet. Ezzel az egyszerű eszközzel kimutatható az ilyen hiba.
(#) hobibabi hozzászólása Okt 16, 2010 /
 
Sziasztok!

Van egy schneider stv5500t tip. tv. Hang van kép nincs,de sorkimenőn fényerőállításnál van egy 2 mp.-ig majd ujra elsötétül. Van valami ötletetek?
(#) nagyimre10 hozzászólása Okt 16, 2010 /
 
Sziasztok.Volna egy kérdésem, kondenzátorról van szó.1600v722j van ráirva ez most 72nf vagy 720nf
(#) soos csaba válasza nagyimre10 hozzászólására (») Okt 16, 2010 /
 
Szevasz, 722j = 7,2 nanófaraddal. Az utolsó szám érték adja meg a nullák számát 7200 pikofarad át számolva nanóba 7,2 nanófarad. 1600V-ra :yes:
(#) nagyimre10 válasza soos csaba hozzászólására (») Okt 16, 2010 /
 
Kösz szépen
(#) zoz11 hozzászólása Okt 16, 2010 /
 
Sziasztok,
Én egy SAMSUNG LCD tv-vel küszködök. A hiba a képeken látszik.
Ezt a jelenséget mi okozhatja?
Köszönöm!
Üdv: Zoltán
(#) nagyimre10 hozzászólása Okt 16, 2010 /
 
Sziasztok.Van egy orion tv amibe a sortranyó elszált,kondi miatt.1600v7,2nf.Sajna ilyen nincs csak 1600v10nf,ebbe a pozicióba jó lenne?C419ésC430 van szó.
(#) kadarist válasza nagyimre10 hozzászólására (») Okt 16, 2010 /
 
Építs be odavalót, mert ez a kondenzátor meghatározza sorméretet is.
(#) attila93 hozzászólása Okt 16, 2010 /
 
Sziasztok!

Van egy Philips TV-m, az alaplapja OVP CTV2169S típusú.
Egyáltalán nem kapcsol be, a led sem világít, semmilyen hangokat sem ad.

Mi lehet a baja? Gondolom a tápegységben lesz valami, de mit ellenőrizzek konkrétan?

A válaszokat előre is köszönöm!
(#) kadarist válasza attila93 hozzászólására (») Okt 16, 2010 /
 
Szia! Először azt nézd meg, hogy a tápegység nagy primer oldali pufferelkóján van-e feszültség.
(#) fredee4444 válasza attila93 hozzászólására (») Okt 16, 2010 /
 
Helo

Szerintem eloszoris nézd meg a biztosítékot, ha ki van égve, akkor csere + meg kell nézni, hogy nincs elégve-e a PTC vagy valamelyik kondi azon a részen nem zázlatos-e. Utána ha van méromuszered, ellenorizd, hogy nincs e zárlat a pufferkondenzátor 2 lába kozt. Ha addig minden OK, akkor ellenorizd bekapcsolva, hogy feltoltodik e a pufferkondenzátor a primer korben, de NAGYON vigyázz vele, mert tobb mint 300V van rajta, ha az rendben van, akkor vagy a kapcsolást vezérlo IC szállt el, vagy a FET (legvaloszinubbek), de az IC koruli alkatrészeket is át kell mérni. Bevezetoleg talán ennyi
(#) fredee4444 hozzászólása Okt 16, 2010 /
 
Sziasztok

Van nekem is egy tv-m - OTF 4462A tipusu. A probléma az vele, hogy bekapcsoláskor totál kék a képernyo és látszik pár vízszintes csík, ami világosabb (mellékeltem képet, de nem a legjobb minoségu ) Szerintetek mi okozhatja ezt?? eddig csak jórészt táphibákkal találkoztam, ilyet még nem láttam.. Tudna valaki tanácsot adni, hogy hol kezdjem keresni a hibát, vagy otlet esetleg, hogy mi lehet baj??
Koszi

Kép020.gif
    
(#) kadarist válasza fredee4444 hozzászólására (») Okt 16, 2010 /
 
Szia! A video-végfokozat megkapja a 200V körüli tápfeszültségét?
(#) fredee4444 válasza kadarist hozzászólására (») Okt 16, 2010 /
 
Igen, 198V -t kap
(#) fredee4444 válasza fredee4444 hozzászólására (») Okt 16, 2010 /
 
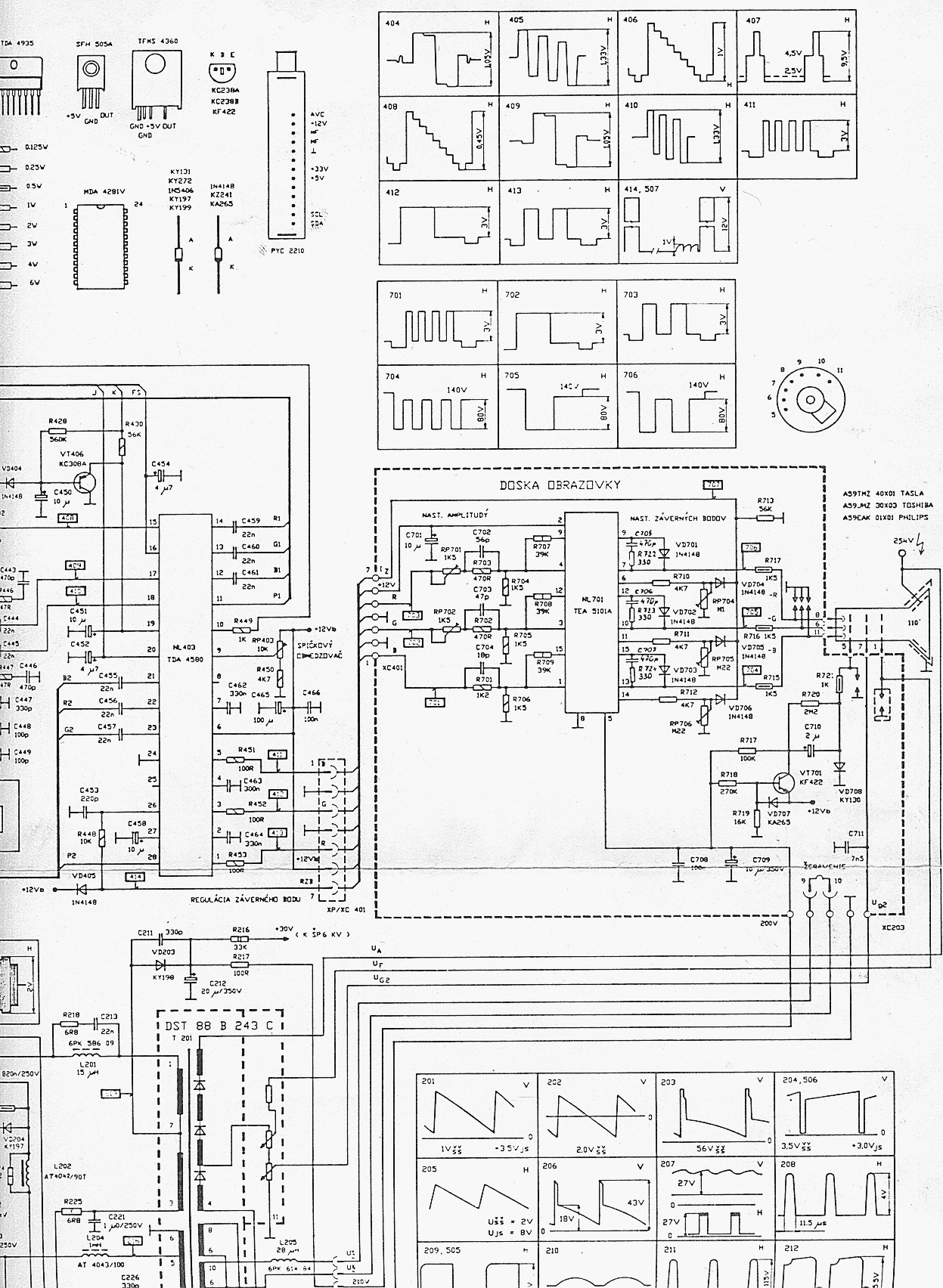
Nos, idokozben találtam bekotést is, nem pont az a típus, de nagyon hasolo (az IC-k mind egyeznek). Mellékelem, ebbol konnyebb tájékozódni (ez sem valami csucs minoségu, de orulok, hogy legalább ez is van )
(#) fredee4444 válasza fredee4444 hozzászólására (») Okt 16, 2010 /
 
Meg a maradék 2 kép
Következő: »»   353 / 1281
Bejelentkezés

Belépés

Hirdetés
XDT.hu
Az oldalon sütiket használunk a helyes működéshez. Bővebb információt az adatvédelmi szabályzatban olvashatsz. Megértettem