Fórum témák

» Több friss téma
Fórum » 600Ws stúdió vaku égve marad a cső
Lapozás: OK   1 / 2
(#) hygy hozzászólása Feb 18, 2010 /
 
Sziasztok.

Én is neki veselkedtem egy stúdió vakunak. A jelenség a következő.

Ha a kondi amit rásüt 500ľF akkor szépen villan a cső, majd csippan, led világit és nyomhatom újra a teszt gombot.

Ha a kondit megnövelem 1db nagy meretu kondival 2300ľF-re, akkor villan, majd égve marad a cső, R2 melegedni kezd mint, és ha nem kapcsolom le időben akkor felrobban.
Most lecsereltem a nagymeretu kondit tobb darab kissebbre. 2800µF-ig tudtam igy elmenni. Onnantol megint egve marad a cso. (mintha addig egne meg toltodnek a kondik, es ha tul sokaig toltodnek akkor egve marad?)

Amit meg eszleltem, hogy a maximalis 300V-os határ feszültséget be tudom állítani töltésnel, levenni viszont 150V alá nem bírom, de 200V alatt nem is villan el a cső 500ľF-el (nagyobbal nem tudom, mert azzal nem tudtam kísérletezni.)

Utoljára most kipróbáltam azt, hogy az R1 és D4 között lévő átkötést megszüntettem, de így is a fent leírt módon működik. (Szerintetek sem kell az az átkötés oda?)

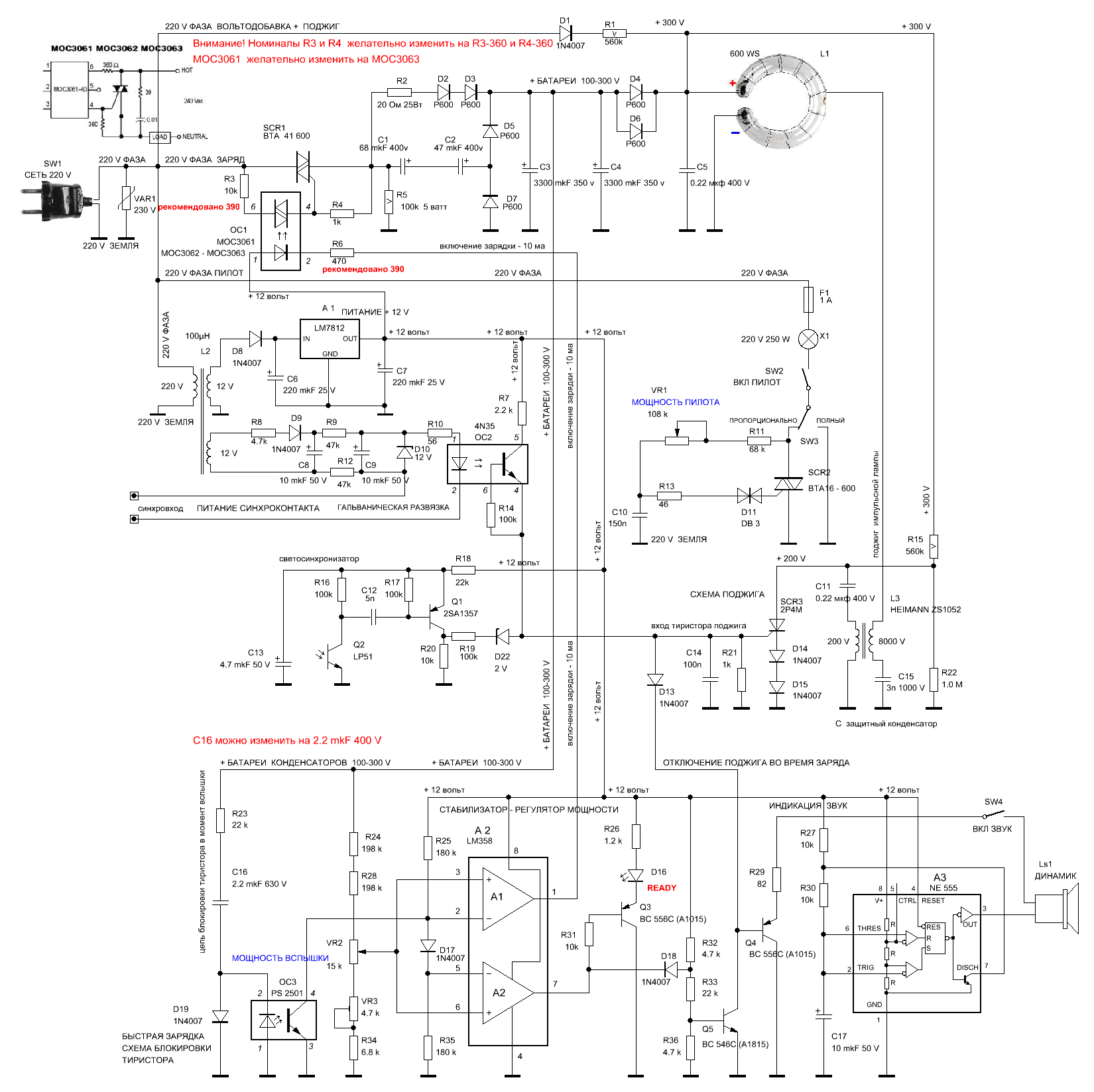
MOC3063 van berakva a töltéshez és a R3, R4-et kicseréltem 360ohm-ra, de ez sem változtatott a működésén.

A *_forditott.gif a külső elemek huzalozására jó inkább a másik jobban átlátható talán.

Van öttletetek mi lehet a baj?

HyGy
(#) kaqkk hozzászólása Feb 18, 2010 /
 
Persze hogy égve marad ! Ha túl nagy a kapacitás nem bírja a villanással kisütni ,ekkor az ív megmarad és ahogy töltődik újra a kondi csak erősödik . Ha mindenáron
növelni akarod a kondit (amit nem értek hogy miért ?)
akkor meg kell oldanod hogy az ív minden villanás után
ki tudjon aludni , tehát meg kell szakítanod a cső áramútját ! Ez ekkora energiánál nem egyszerű feladat lesz ! Ja és az hogy mekkora feszültségnél olt ki szerintem csőfüggő , tehát tipusonként változik , nemlehet hogy másfajta cső van a cuccban mint a rajzon ?
(#) enpesta válasza hygy hozzászólására (») Feb 18, 2010 / 4
 
Szia!
Csak találgatok: a cső, amit használsz alkalmas ekkora teljesítményre? Úgy gondolom, hogy a plazmakisülésnek meg kellene szűnni sacc/kb 40-80 V környékén. Ha égve marad a kisülés után azt jelenti, hogy a nagy kondiban tárolt energiát nem tudja felhasználni, nem csökken le a kondi feszültsége és a hálózat táplálja a csövet - R2 melegszik. Te magad írod, hogy 2800 mikróig jól működik, ennél nagyobb kapacot nem süt ki teljesen a cső. Próbáld ki, hogy feltöltesz, hálózatról leválasztod, villantasz, megméred mekkora feszültség maradt a kondenzátor(ok)ban. Egyébként pedig kisütéskor roppant nagy áram folydogál ám (100 A-t is el tudok képzelni) 1-2-3 ms ideig, vezetékezésre ügyelni kell.
Szia, hátha segítettem.
(#) tcs52 válasza hygy hozzászólására (») Feb 18, 2010 /
 
A kapcsolási rajz részletes elemzése nélkül is sejthető, hogy a cső a villanás után az R2-ről befolyó áramtól tovább ég. Hogy mi tartja a töltőáramkört bekapcsolva, az további elemzések tárgya. Lehet, hogy a töltés soha sem szűnik meg, a triak bekapcsolva marad (szivárgó áram a kondinál?), a cső a villantáskor képtelen a kondit eléggé kisütni ha az túl nagy és ezután az R2 nem a kondit tölti, hanem a csövet égeti.

A vakuknál fontos, hogy impulzustűrő legyen a kondi, de nagyon fontos az összeköttetés topológiája is! Először is: a kondi elektródáinak hozzávezetései minél rövidebbek legyenek, és nagyon kis impedanciájúak még a kondin belül(!) is. Ekkora áramoknál ezeken elég nagy feszültség tud esni. Másrészt a töltést végző vezetékek menjenek egyenesen a kondira, és a cső vezetékei pedig ezekről a becsatoló pontokról menjenek tovább. Tehát hasonló topológiával mint a nagyobb teljesítményű tápegységeknél az egyenirányító diódáknál és a pufferkondinál, ahol szintén problémásak a kondi felé folyó töltőáramok (kiszűrhetetlen brummot okoznak).

Tehát mégegyszer: egy vezetékpár a töltés felöl a kondi két legrövidebbre vett kivezetéseire, majd egy másik vezetékpár a kondi kivezetéseiről a cső felé. Leginkább a föld vezetékeket szokták ettől eltérően - tévesen - rosszul vezetni, és valamiféle közös földpontra csatlakoztatni. Ha a topológia nem ilyen, akkor már maga a töltőáram elég nagy feszültségesést létesíthet, és bekapcsolva tarthatja a csövet!

Probléma lehet még a kisütés felé menő vezetékek hossza (vastagsága) is, mert nem engednek elég nagy kisütőáramot az 1-2ms-nyi villanási időre.
(#) Cavalier válasza hygy hozzászólására (») Feb 18, 2010 /
 
Ha jól vettem ki, az a baj, hogy elkezdi tölteni a kondit már akkor, amikor még nem hűlt ki, tehát az scr1 triak túl hamar kinyit. Ezt ugye OC1-en keresztül vezérli a műv. erősítő, aminek a bemenetén OC3-al próbálták megoldani, hogy ne kapcsoljon át rögtön. (ha jól látom)
Első körben lehetne játszani az OC3-at vezérlő ellenállással, kondival, hogy tovább maradjon csukva a töltő elektronika, de én inkább valami ügyesebb megoldást raknék oda, pl. az elsütéskor triggerelnék egy monostabilt, ami mondjuk 1 másodpercig, vagy amíg elalszik a cső nem engedi tölteni. Tehát a műv. erősítő 1-es lába magasan legyen.

Persze egy 200 forintos mikrokontrollerrel sokkal-sokkal egyszerűbben meg lehetne oldani az egészet.
(#) hygy válasza Cavalier hozzászólására (») Feb 18, 2010 /
 
cavalier: olyan rajzot ami mikro kontroller vezerlesu nem talaltam. De ha van valami ilyen kapcsolasod szivesen fogadom.

Ugy nez ki a drot volt a baj, most megduplaztam a drotok vastagsagat, ket drot megy minden hova. Igy mar 4400µF-nel tartok es meg mindig jo. Remelem 6600-al is jo lesz.

Enpaseta valaszat fogadtam el jonak mert o irt elobb. De nagyon koszonom a tobbieknek is!
(#) Cavalier válasza hygy hozzászólására (») Feb 18, 2010 /
 
Majd egyszer nekiállok megcsinálni mikrokontrollerrel, van pár 2000Ws-os csövem hozzá.. Kondikat honnan vettél, milyeneket? A kapcsolás nem lenne bonyolult, csak a programozás.
Úgy terveztem, hogy teljesítményszabályzásként a kondikat fogja kapcsolgatni, és fix feszre tölt, így nem változik a színhőmérséklet.
(#) hygy válasza Cavalier hozzászólására (») Feb 18, 2010 /
 
Hat eloszor probalkoztam 1800µF-el amit kaptam valakitol. Aztan probalkoztam 3300µF-el amit a lomexban vettem. De vegul is azt lecsereltem 17 darab 390µF-es 350V kondira. Az a lomexban most 160ft/darab aron van.

Hat en meg programozasbol vagyok jobb mint aramkorbol. De mikrovezerlot (atmel) mar jo reg programoztam.

Most mar csak 1 dolog nem klappol ezzel az aram korrel azt hiszem. Azt irja a rajz, hogy 100-300V-ig lehet allitani a tolto feszultseget. De ha 160V ala viszem, akkor nem villan a cso.

Tenyleg, azt honnan lehet megtudni egy csorol, hogy mekkora teljesitmenyt bir el? Elvileg ezt ugy kaptam, hogy vagy 600Ws vagy 1200Ws-es.

Ha kulon kapcsolnad a kondikat, akkor ahhoz kondinkent kene egy fet, nem dragitana meg ez jelentosen? Mondjuk ezzel a 17 darab 390µF-el 17 lepcsoben lehetne szabalyozni, ez mar eleg lehetne.

Szeretnek majd meg 1 vakut epiteni, mert ugye 1 darabbal azert korlatozottak a lehetosegek. De ha van jobb rajz mint ez szivesen fogadom.

Honnan szedted a 2000Ws-es lampat?
(#) enpesta válasza hygy hozzászólására (») Feb 18, 2010 /
 
Nézz utána valahol, de én úgy tudom, hogy a csövek más színhőmérsékletű fényt bocsátanak ki más-más kisütőfeszültségeken. De az is lehet, hogy ez nem annyira számottevő eltérés 200-300 V között. Ha a csövön nincs semmi felirat próbálj guglizni fényképeket hasonló teljesítményűekről - talán valami adalék összejön a méretekből. Nagyobb repülőgépeken milyen (mekkora teljesítményű) lehet a jelzőfény? Az, hogy 160 V alatt nem villan el a cső, lehet hogy normális csőjellemző, én még nem láttam ilyen katalógust, meg kellene keresned majd.
(#) Cavalier válasza hygy hozzászólására (») Feb 19, 2010 /
 
Huh, csak el kéne mennem lomexbe valamikor.. Bár nekem 800V kéne a csőhöz, IFK-2000 típusú orosz cső, egyetlen bibi vele, hogy nem kerek, mint a legtöbb stúdióvaku cső. Vaterán most is kapható 5000ft 5 darab, 10ezer a 20 darab.
Az adatlapot megnézve talán megtalálható, van egy alsó határ ami alatt nem gyullad be a cső, a nagyfesz energiáját növelve talán lejjebb vihető. A rajzon a C11 amit meg lehet próbálni megnövelni, ill. r15-öt egy picit csökkenteni.
A teljesítményt is szintén adatlapról lehet megtudni, pl. az ifk-2000-et teljes energián villantva pihentetni kell vagy fél percig.

A kondik kapcsolgatására van egy pofonegyszerű módszer, 6 darab kapcsolóval különböző értékű kondikat kapcsolni ki-be. Persze nem árt, ha az ember tud gondolkodni binárisban.. Tehát 1,2,4,8,16,32 'egység' Ha saját magamnak csinálnám, nem raknék rá fet-et, nagyjából megy fejben a bináris konverzió, persze ha eladásra kell, akkor kell rá csicsás LCD meg gombok.
(#) Cavalier válasza enpesta hozzászólására (») Feb 19, 2010 /
 
Így van, ez alapból nem gáz, digitálisnál meg könnyű utánamenni, de ha az ember több vakut akar használni, akkor problémás lehet, ha egy képen többféle fény van.
(#) hegi hozzászólása Feb 20, 2010 /
 
Én is épp IFK-2000-es csövekkel kísérletezek. Még kondicsoport nincsen, de már kinéztem a lomexben 680µF/400V-os kondikat 182Ft+áfa áron. Kéne belőle vakunként vagy 10-10db.

Tervem az, hogy kb. max. 400...600Ws-ot villanjanak, ez már szerintem elegendő lesz pár méterről szoftboxal, vagy ernyővel.

Szeretném szabályozható teljesítményűre is megcsinálni. És itt vagyok gondban, mert a színhőmérsékletet is jó lenne egy szűk határon belül tartani. Mi a célszerűbb megoldás?
A kondik kapacitásának változtatása, a villanás megszakítása a kondi kisülése előtt, vagy a feszültség változtatása? Netán mindhárom kombinálva?
Vajon a gyári stúdióvakukban hogyan van ez megoldva? Ráadásul a kapacitás növelésével a villanás hossza is növekszik, bár portréfotónál ez még nem jelent gondot.
Valaki épített már esetleg teljesítményszabályzott vakut? Vagy tud e ilyen rajzot? Nem is konkrét adatokra, hanem inkább elvekre volnék kíváncsi.
(#) hygy válasza Cavalier hozzászólására (») Feb 20, 2010 /
 
Cavalier: szivesen fogadnek egy ilyen mikro vezerlos kapcsolast. Amiben a kondik gyorsan toltodnek fel, es a tolto fet es kondik novelesevel novelni lehet a teljesitmenyt.
(#) fulmination válasza hygy hozzászólására (») Okt 22, 2010 /
 
szia, nyakrajzod nincs venetlenul ehez a kapcsolashoz? szeretnek nekifogni .
(#) fulmination válasza hygy hozzászólására (») Okt 22, 2010 /
 
szia, nagyon megkoszonnem ha elkuldened amid van, nyakrajz, kepek stb.
(#) hygy válasza fulmination hozzászólására (») Okt 25, 2010 /
 
Hello!

Adj valami elerhetoseget es atkuldom.

szia
HyGy
(#) hygy válasza (Felhasználó 13571) hozzászólására (») Okt 25, 2010 /
 
Köszi.....
(#) KTobi válasza Cavalier hozzászólására (») Jan 25, 2011 /
 
Szia!
Tudsz feltenni adatlapot a csőhöz? Most tervezgetek stúdióvaku építését és olcsón szeretném kihozni.
(#) hygy válasza KTobi hozzászólására (») Jan 27, 2011 /
 
Sajna nincs hozzá adatlapom, de kb 2 hónapja mikor használni akartam eldurrant az elektronikában valami, a biztiket is lenyomta. Nem tudom miért és mitől, azóta nem volt még ihhletésem megnézni.
(#) Cavalier hozzászólása Jan 28, 2011 /
 
Csatolom az IFK-2000 adatlapját (csak oroszul van meg) meg egy mikrokontrolleres vaku rajzot.
(#) Cavalier hozzászólása Jan 28, 2011 /
 
Illetve egy másik rajz. Sajnos firmware egyikhez sincs, meg kell rá írni a progit, de kiindulópontnak jók. Próbálok fellelni hozzájuk valami hex-et.
(#) Cavalier válasza (Felhasználó 15355) hozzászólására (») Jan 28, 2011 /
 
Van nem mikrovezérlős megoldás is (csatolom), de az bonyolultabb. Illetve, nekem pl. bonyolultabbak az analóg megoldások, egy progit hamarabb megírok.
Igazából annyi, hogy tölt, méri a kondin a feszkót, ha feltöltött a beállított értékre, csippan, jelezve a fotósnak, hogy készen áll, aztán kisüt, ha megkapja a jelet. Annyiban akarom bővíteni, hogy lesz rajta mondjuk 6 különböző értékű kondi, és ezeket is tudja a kontroller kapcsolgatni, lesz rajta egy joule beállítás, ami nem a feszültséget állítja, hanem a kondik számát. Fogalmam nincs, mikor lesz ez kész, csomó mindent kéne még addig csinálnom.
(#) laszlo987 válasza Cavalier hozzászólására (») Jan 28, 2011 /
 
hex nélkül szinte semmit sem ér. esetleg irni egyet, akkor pontosan tudni kell mit kell csinálnia.
(#) Cavalier válasza (Felhasználó 15355) hozzászólására (») Jan 28, 2011 /
 
Számolgattam a múltkor, pl. az ifk-2000-nél ilyen 600-1000A-ek jöttek ki, a Ws, impulzushossz alapján számolva.
Olyat szoktak csinálni, hogy tirisztor van párhuzamosan a villanócsővel, és egyszerűen rövidrezárja, amikor már elég ideje nyitva volt. Ehhez is brutál tirisztor kell, de még mindig jobb mint egy 600A-es 1200V-os IGBT. Persze a tirisztoros megoldás sem ekkora teljesítményeknél van, kisebb vakuknál inkább. Meg ott a fennmaradó energia el is veszik.
(#) hegi hozzászólása Máj 2, 2011 /
 
Valaki vett már CT40 típusú IGBT-t valahol? Hol lehetne vajon megrendelni? Eddigi boltok egyike sem tudta beszerezni.

CT40KM-8H.pdf
    
(#) hygy válasza Cavalier hozzászólására (») Máj 2, 2011 /
 
Hello!

Köszi mikrovezérlős a rajzokat.

Újra elindult a vaku minden része, még a bajonett van vissza, és a vakudoboz rögzítése az állványhoz.

Valamint az az érdekes még, hogy ha a villanási erő szabályzó potival letekerem egy bizonyos mértékig, akkor nem villan el a cső se a teszt gombra, se a másod villantó érzékelőjére.

Próbáltam rákotni egy rádiós vaku kioldót a tesztgombal párhuzamosan ment is, de úgy túl lassú volt. 1/50-ed másodperc felett nem tudtam vele fotózni.

Párhuzamosan kötöttem a másod villantó opto tranyójával, de ennek a hatására meg elpukkant az opto tranyó. Hova lehetne kötni a rádiós vaku kioldót? (Valamint milyen kimenete van ezeknek? Simán valami triakkal rövidre zárjak egy impulzussal a kimenetüket?)

http://www.hygy.hu/temp/studiovaku/42e173ef6194_forditott.gif
(#) Tony válasza Cavalier hozzászólására (») Júl 1, 2011 /
 
Szerintem a teljesítményt meg a lekapcsolást azt úgy végzik hogy van még egy kisebb villanó cső ami hirtelen leveszi a fő tyristor terhelését így megszakítja a fő villanócsövet is, mert ugye a tyristor nem kapcsol le amíg nem megy egy kritikus feszültség alá.

Talán ebbe az irányba érdemes menni a fotó vakuk is így állítják be erejüket de lehet hogy tévedek.
(#) Cavalier válasza Tony hozzászólására (») Júl 1, 2011 /
 
Kicsit még nézd át azért a tirisztor működését. A rajta átfolyó áram leesésekor kapcsol ki. Illetve lehet olyan, hogy egy negatív tüskével a gate-en ki lehet oltani, de csak adott fajtáknál.
Villanócsővel sorba nem nagyon szoktak félvezetőt kötni, azért itt, egy stúdióvakunál sokszáz amperok folynak.
(#) Tony válasza Cavalier hozzászólására (») Júl 1, 2011 /
 
Nem tanulmányoztam át az igaz és nyilván valahogy megoldják de biztos más módszerekkel csinálják egy régi vakuban (Vivitar) hasonlóan láttam egy kis villanó csövet.

De akkor hogy van ez megoldva a fotós vakukban biztos nem pár 10db kicsi kondikat kapcsolgatnak.
És ugye leszabályozásnál sem süthetik ki a kondikat mert akkor az elemek hamar kimerülnének.
Meg hát nem kicsit töltenek rá hanem mindig maximum töltésből szabályoznak lefele.

Ha valaki tudja pontosan hogy csinálják arra én is kíváncsi lennék.
(#) hegi válasza Tony hozzászólására (») Júl 2, 2011 /
 
A rendszervakuknál IGBT-vel szabályozzák a teljesítményt.
A kondit mindig a maximumra töltik, és kisebb teljesítményű villantásnál az IGBT megszakítja a kondiból a villanócső felé folyó áramot.
Ezáltal a villanás ideje rövidebb lesz. A kondiban megmarad a fel nem használt energia, ezért gyorsabban utántöltődik. (Sorozatfényképezésnél előny.) A kiadott fény színhőmérséklete nem nagyon változik.
Következő: »»   1 / 2
Bejelentkezés

Belépés

Hirdetés
XDT.hu
Az oldalon sütiket használunk a helyes működéshez. Bővebb információt az adatvédelmi szabályzatban olvashatsz. Megértettem