Fórum témák

» Több friss téma
Fórum » LED-es kivezérlésjelzők
 
Témaindító: KeserűCukor, idő: Márc 27, 2006
Témakörök:
Lapozás: OK   58 / 151
(#) APStech válasza KeserűCukor hozzászólására (») Okt 18, 2010 /
 
Szia! Szerintem van egy jópofa megoldásom számodra:

Minimális alkatrész igénnyel,
logaritmikus kijelzés,
12 LED,
feszültségcsúcs kijelzés,
Túlvezérlés jelzéssel.
Tápfesz: 5V

Lefilmezetem és kitettem a Tube-ra: PROVU12

A profi kivezérlésjelzők leírása Wikipedián: Peak programme meter
Az elektronika méréseink szerint megfelel az IEC 60268-18 szabványnak.

Az elektronikát vonali szinttel (0dB) kell vezérelni, ekkor a zöld LED világít. Erősítő elé kell kötni, az előerősítő (keverő) után.

Eredetileg profi 32 csatornás keverőpultba készült az elektronika, ezért volt lényeges a túlvezérlés kijelzése. (Egy ilyen pultba 70 kivezérlés jelző van /stereo+monitor/ ezért olcsó is ) Ha érdekel, akkor küldöm a részleteket.


Üdv.
Attila
(#) peti16biro válasza APStech hozzászólására (») Okt 18, 2010 /
 
Az a baj hogy már nem sok van hátra a mostani munkámból,de ha ezt befejeztem akkor lehet róla szó hogy megcsinálnám.Ha majd esedékes lesz akkor írok ide,vagy küldök egy e-mailt.
Üdv.: Peti
(#) peti16biro válasza tiggersoft hozzászólására (») Okt 19, 2010 /
 
Heló!
Beraktam az ellenállásokat és a kondit,az a baj hogy csak 3db led világít a 12-ből,ha jelet kap akkor villognak(egyszerre).Lehet hogy kezdem előről a egészet,csinálok új nyákot meg minden.
üdv.: Peti
(#) Dayday hozzászólása Okt 21, 2010 /
 
Hello van 1 sor led em es szeretnek egy szimpla de tenyleg szimpla VU metert csinalni belole legyszi segitsetek...koszi
(#) zenetom válasza Dayday hozzászólására (») Okt 21, 2010 /
 
Ilyen se volt még... biciklivillogóból
(#) Dayday válasza zenetom hozzászólására (») Okt 21, 2010 /
 
bocs teso de evel nem sokat segitettel
(#) tiggersoft válasza Dayday hozzászólására (») Okt 21, 2010 /
 
Nos én megkerestem helyetted(nagyon nehéz volt ennek a témának az első oldalán). Mivel öt leded van ez lesz a neked való.AN6884
(#) zenetom válasza Dayday hozzászólására (») Okt 21, 2010 /
 
Azért írtam ilyen halványabb betűkkel.
(#) Jagerszki hozzászólása Okt 22, 2010 /
 
T. Hozzáértők! / T. tiggersoft

Kérnék egy kis segítséget. Egy kivezérlésjelzőt szeretnék építeni a számítógépembe. Nem vagyok nagy pákamester, így az LM3915-re esett a választásom. Az alábbi kapcsolást építettem meg próbapanelen.

http://www.bsselektronika.hu/index.php?id=94&from=10

A PC tápja látja el 12volt-al. A hangkártya kimenete és az erősítős hangfal közé szeretném tenni, hogy a hangerő ne befolyásolja.
Két probléma jött elő. Nem elég a hangkártya kimenőjele és nem elég a dinamikája. Vagyis ha pl az erősítő után tettem akkor ugyan működött de csak 2-3 lednyi volt a változás. Valami igen egyszerű erősítőt keresek és azt , hogyan lehetne a dinamikáját növelni.
(#) Kovidivi válasza Jagerszki hozzászólására (») Okt 22, 2010 /
 
Nem kell elé előerősitő, elég a referenciát újraszámolni, és jó lesz! Adatlapban benne van, hogy melyik ellenállásokról van szó! Üdv!
szerk:1,2k-ról és 10k-ról lenne szó. Ha szeretnéd használni a dot/bar kijelzést is, akkor kellene elé egy egyszerű egyenirányitás is. Én kihasználnám ezt a funkciót is, ha már tudja az IC, és nagyon látványos.
(#) Dayday válasza tiggersoft hozzászólására (») Okt 23, 2010 /
 
koszi....en se vagyok valami nagy mester ebben a szakmaban csak most kezdtem tanulni...ezt kell programozni vagy valami ijesmi?
(#) tiggersoft válasza Dayday hozzászólására (») Okt 23, 2010 /
 
Nem ezeket nem kell programozni, bekapcsolás után ha minden jó azonnal működik.
(#) Dayday válasza tiggersoft hozzászólására (») Okt 23, 2010 /
 
ertem....koszonom eddigi segitsegedet ha valami problemam lessz irok
(#) blackdog hozzászólása Okt 23, 2010 /
 
Bővebben: Link

Sziasztok!

A fenti kapcsolást rákötöttem lm3914-re. Jó-jó, de csak a 3 szintet tudom vezérleni soronként nem.
lm3914-re nem lehet úgy kötni a ledet, hogy a led+ lába van az lm3914 kivezetésein?
(#) Jagerszki válasza Kovidivi hozzászólására (») Okt 23, 2010 /
 
Köszönöm!
Na pont ebben kellene segíteni. Növelni vagy csökkenteni kell őket?

Az a dióda ide kell?: http://www.bsselektronika.hu/index.php?id=38&searchtext=lm3915&c1=1
(#) Kovidivi válasza Jagerszki hozzászólására (») Okt 23, 2010 /
 
A referencia szint határozza meg, hogy az utolsó LED mekkora bemenő feszültségnél villan fel. Ezt a referenciát ez alapján csökkenteni kellene. Én amikor beállítottam, raktam az 1.2k és a 10k helyére egy-egy 10k-s potit. Ez azért fontos, mert a referenciának köze van a LED-ek fényerejéhez. Addig próbálgattam, amíg a fényerő a legnagyobb lett, és a kivezérlés is maximális lett fix bemenő jelnél. De ha tudsz angolul, és van kedved, az adatlapjában van rá képlet, és le van írva, hogy hogyan reagál az IC.
A linken látható megoldás nem éppen jó.
Ha a bemenő jeled 0.7V, akkor ebből az 1N4148 elejt 0.3-0.4V-ot. Tehát a 0.4V-ig nem fog jelezni semmit a VU-méter. Csúcs egyenirányító kell neked, olvasd el ezt: Csúcsegyenirányítás. Ha elkészíted ezt a kapcsolást, és egy generátor 1kHz-ét rákötöd (számítógépes frekvenciagenerátor is jó), és teljesen torzításig kivezérled a sz.gépet, akkor le tudod mérni multival, hogy mekkora max. feszültség jön le csúcsegyenirányítás után, és ehhez számolod ki adatlapból a ref. ellenállásokat!
És még ne felejtsd el a mode bemenetre kötni egy kapcsolót, ami a megfelelő feszültségek között kapcsol!
(#) szamóca hozzászólása Okt 23, 2010 /
 
Egy nagyon szép kivitelezés.

LED Disp..jpg
    
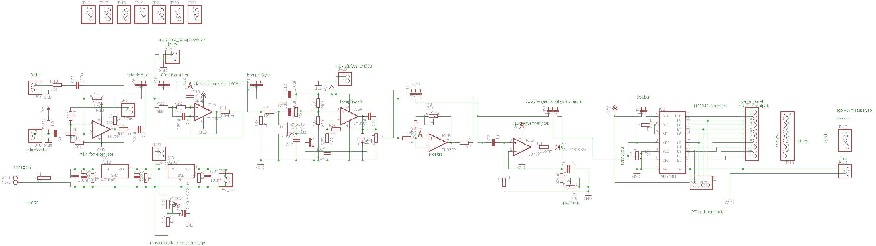
(#) Kovidivi hozzászólása Okt 24, 2010 /
 
Felrakom a felturbózott VU-tornyom kapcsolási rajzát.
A lényeg: Egy laptoptápról lesz hajtva, 19VDC-ról stabilizálok 12V-ot. Ami meghajtja lehet mikrofon vagy vonalszintű jel. Ezután néhány extra szolgáltatás, be-ki kapcsolható módon: aktív aluláteresztő 160Hz-re, kompresszor (talán még működik is), egy kis plusz erősítés, csúcs egyenirányítás, utána egy LM3915, majd az RGB LED-ek, és az összes LED piros, kék, és zöld lábát pedig 3 db. PWM szabályzó hajtja (a képen 4db van írva, de 3 lesz!). Belenéznétek, hogy ne vétsek olyan hibákat, mint pl. műveleti erősítő nem megfelelő bemenetére adom a jelet, stb.? Megpróbáltam megfelelően összeollózni, remélem, nem tévedtem sokat! És érdekelne, hogy még mivel lehetne feldobni a kapcsolást, esetleg mit tartotok feleslegesnek benne.
Gondolkodom még LPT portos vezérlésen is, de az még a jövő. A lehetőséget azért már most megadom neki
Köszönöm!

vu-tower.jpg
    
(#) peti16biro válasza tiggersoft hozzászólására (») Okt 24, 2010 /
 
Heló!
A helyzet az hogy csak 4db led világít folyamatosan, ha jelet adok neki akkor a 4 db led villogni kezd.Megcsinálom újból a nyákot,lehet hogy forrasztási hiba van benne,de megcsinálom inkább.Rakok be az ic-nek foglalatot,így könnyebb majd kezelni.
Erősítőben tudsz segíteni?
Üdv.: Peti
(#) blackdog hozzászólása Okt 24, 2010 /
 
Sziasztok!

Elképzelhető, hogy rossz az IC-m? LM3914
BAR módban megy, de DOT-ban nem.
Hiába meg GND-re V+ -ra a 9. láb a látvány ua.
Vagy rosszul csinálok valamit?
Az IC leírásából csináltam egy alap kapcsolást.
(#) Kovidivi válasza blackdog hozzászólására (») Okt 24, 2010 /
 
Van a bemenő jellel sorban bármilyen dióda?Mert ha nincs, akkor ez a baj. Néhány oldallal hátrébb megtalálható az pontos oka is!
(#) kadarist válasza blackdog hozzászólására (») Okt 24, 2010 /
 
szia!
Dot-módban a 9-es láb szabadon van, bar-módban tápfeszültségen. Dióda nem kell a bemenetre.
(#) Kovidivi válasza Kovidivi hozzászólására (») Okt 24, 2010 /
 
(#) kadarist válasza Kovidivi hozzászólására (») Okt 25, 2010 /
 
Értem én, hogy kell a dióda, de elvileg egy negatív félperiódust vágó dióda már benne van az IC-ben.
(#) blackdog válasza blackdog hozzászólására (») Okt 25, 2010 /
 
Nincs dióda.
Mellékelek egy rajzot. A 2db ellenállás és PNP nincs benn.

Ill. most már igen, de ezzel is gondom van.
Az lenne a cél, hogy amikor a 9. led felvillan csak utána kapcsolhasson be a következő 9.
Viszont csak 10.11.12 kapcsol be nagyon halványan.
Az ellenállások 220R.
Életemben először próbálkozom PNP tranzisztorral.
Segítsetek.

Annyi még, hogy +12V-ról megy mert merül az elemem. Kb. 6,5V-ról megy.
(#) blackdog válasza blackdog hozzászólására (») Okt 25, 2010 /
 
Kicsit rosszul fogalmaztam. Szóval:
Ez egy 3x3x3 kis kocka. Amit szeretnék elérni az az, hogy alsó fix, középső csak akkor, ha alsón mind a 9 világit/villog, felső 9 csak akkor, ha az alatta lévő 18 világít/villog.
(#) blackdog válasza blackdog hozzászólására (») Okt 25, 2010 /
 
ÁÁÁ....
Úgylátom jól elrontottam. Most, hogy látom élőben és a rajzot kicsit mellé lőttem.
(#) Kovidivi válasza kadarist hozzászólására (») Okt 25, 2010 /
 
Hm. Nem tudom. Egy soros dióda egyenértékű lenne egy párhuzamos diódával? Az én kivezérlésjelzőmben sem működik soros dióda nélkül a pont kijelzés. Akkor legalább egy kondi kell a bemenettel párhuzamosan, előtte pedig egy soros ellenállás, hogy ne legyen túlterhelve a jelforrás. Bár már ehhez túl fáradt vagyok, lehet, butaság.
(#) kadarist válasza Kovidivi hozzászólására (») Okt 25, 2010 /
 
Szerintem egy valamilyen időállandóval rendelkező bemeneti puffer jobban "pontosítaná" a kijelzést, és akkor nem lenne ez a "szkennelés".
(#) Kovidivi válasza kadarist hozzászólására (») Okt 25, 2010 /
 
Én is erre gondolok, hogy inkább ez a lényeg. Bár váltófeszültséggel párhuzamos kondi... :nemtudom: Amit én építek, abban csúcsegyenirányítás lesz, kikapcsolhatóan, és a bemeneti pufferkondival párhuzamosan lesz 50ohm és vele sorosan 2kohm, hogy pontosan be lehessen állítani az RC időállandót. Kép jobb oldalán. Bár még problémázgatok a műveleti erősítők féltápfeszültségével. Ha érdekel, itt leírtam pontosabban, hogy mi a probléma: Bővebben.
Következő: »»   58 / 151
Bejelentkezés

Belépés

Hirdetés
XDT.hu
Az oldalon sütiket használunk a helyes működéshez. Bővebb információt az adatvédelmi szabályzatban olvashatsz. Megértettem