Fórum témák
» Több friss téma |
Köszi a felvilágosítást, valahogy átsiklottam felette.Bocsi
Bu808 helyet mit lehet még használni mert sehol sem találok.
Elektronikai alkatrész-kereskedésben kapsz ilyen tranzisztort, vagy rendeld meg webes áruházból: BU808DFX
Nem kötekedésképpen, de ha jól látom ennek is 3A a bázisárama, ha jól olvastam az adatlapját.
A maximális bázisárama a 3A. Ez a tranzisztor 100 feletti áramerősítési tényezővel rendelkezik, úgyhogy tökéletes lenne a számodra.
Köszönöm válaszod nem akartam akadékoskodni,
Megrendeltem.
Míg meg nem érkezik a tranyó addig próbálkozok.
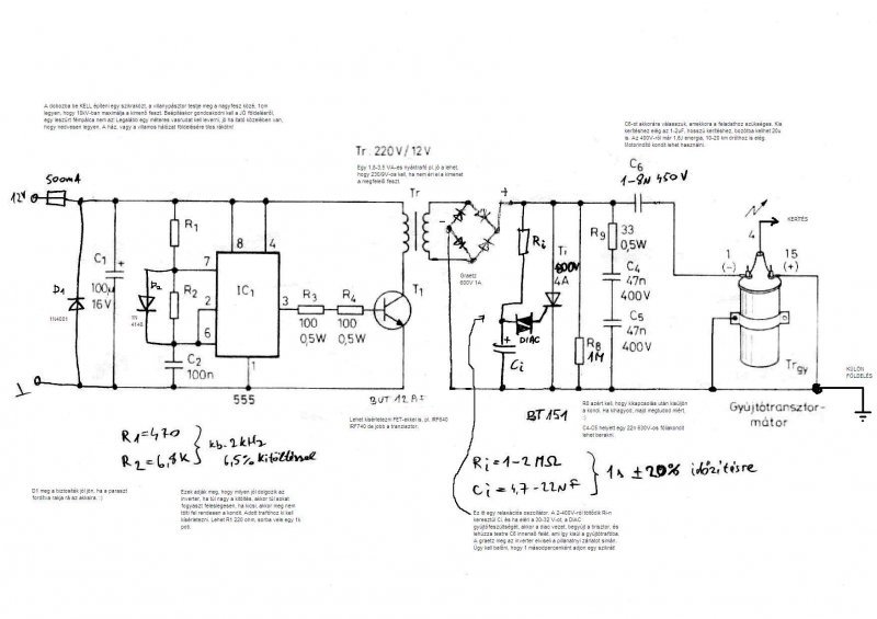
Megépítettem az alábbi kapcsolást próbanyákra. A Bu szépen dolgozik, kapcsolgat de iszonyatosan melegszik. Vajon mi lehet az oka.
Vedd ki az ellenállásokat és jó lesz. Vagy jobb.
A 15 és 820 ohm-ra gondolsz?
Kivettem mindkettőt és elkezdett füstölni a bd675 és az eddig beállított intervallum hirtelen felgyorsult és szinte folyamatos az ív.
Hi
Amennyi időt bele ölsz egy olyan áramkör építésébe amiről később kiderül,hogy jó jó,de még sem, annyi idő alatt már rég össze dobtál volna két inverterest ami biztos hogy jó. Csak az az ember vegődik ilyen típusú "villanypásztor" áramkör építésével aki még nem látott egy inverterest működés közben. :yes: Ezzel a hozzászólással nem akarok senkit leminősíteni és megbántani csak a kész tényeket vázoltam.
Most látom, hogy ez BD már önmagában is Darlington. Használj "sima" tranzisztort.
Csak azért vergődök mert nem értem, hogy miért melegszik.Mert ugye eddig azért melegedett mert a Bu-t nem tudja az 555 teljesen kinyitni.Most tettem elébe egy másik tranyót hogy biztosan kinyissa a Bu-t.És láss csodát piszkosul melegszik.
Te milyen inverterest javasolsz?
Én is meg építettem, de csak próba panelon össze dugdosva,de nem az igazi, nincs ereje. :guluszem1:
1, drága a Bu. 2,sokat fogyaszt. 3,nincs ereje. 4,sok energiát fűt el,ezért tovább nem vergődtem vele. Itt a fórumon ha vissza lapozol találsz néhány inverteres kapcsolást. :yes: Én már nem linkelem be,mert szerintem be van már vagy 10x.
Igen értem, amit irsz.
Kipóbálom és meglátjuk mi történik. Köszi a választ.
Szeva!
Ilyen 555-ös sz@rokkal ne foglalkozz,ezt én is megépítettem,sokat szívtam vele,forró volt ,mint a pokol.(fel is hagytam) ![]() Volt egy jó 12V-os,de abban nem volt kraft.-szép szikra volt,csak nem nagy távra. Most inverterest csináltam.....az már nagyon tetszik! Ajánlom neked is,találsz itt nagyon jókat!
Na jó, ezek persze, hogy nem komolyak, de tapasztalatszerzésre jók.
ez csak pénz és időpazarlás,tapasztalatszerzésnek meg ott a jól müködö,mit már dizi is említett.
Ja, és az egész deszkamodellben is 30 perc alatt elkészíthető.
Vettem a fáradságot és elolvastam a topikot
.Olvastam hogy uli pc táp trafójával oldotta meg az alábbi kapcsolást. Kibányásztam 3db pctáp-ból,a trafót. Minden összetartozó láb közt 0,3 Ohm-ot mutat a műszer. Használhatóak ezek a trafók az inverterhez?
Engedelmeddel,csatlakoznék a véleményedhez és kicsit dizi szekerét is tolnám.Néhány hónapja építettem egy invertereset két példányban,beszámoltam akkor a T. fórumnak,mindkettő azóta éjjel nappal esőben stb. hibátlanul működik,azóta vad nem járt a kukoricásban,jó az a kapcsolás,most látom ismét itt a hivatkozás a szóban forgó kapcsolásra.Csak javasolni tudom másoknak is.
Csatlakozom! Én ugyan nem inverterrel építettem meg, hanem 2db 230/12V-os trafót fordítottam össze és hálózatról megy.
Hi lehetséges hogy működik de akkor is tekerned kell,mert a pc táp impulzus trafók több tíz khz-en rezegnek és nem jön le róluk magas feszültség és egy inverteresnek ez az alapja,hogy közel 200 és 400 voltnyi feszültséget szaggat rá egy kondiról a gy trafóra és ekkor jelenik meg a MÉNKŰ.
Ennél a kapcsolásnál jóformán bármilyen hálózati trafót használhatsz csak az adatok megfeleljenek 6/230 vagy 9/230 a teljesítmény 3-és 6 watt körüli legyen lehet panel trafó vagy egy a nagyi rádiójából,csak mond meg neki,hogy ha közelebb rakja a fülét a karámvezetékhez akkor sem fogja hallani jobban a Kossuth rádiót. Szerintem a pc trafót felejtsd el,ez egy annyira egyszerű kapcsolás kár mindenféle pc trafókkal bonyolítani,én is ehhez hasonló gépeket gyártok már vagy tíz éve.
Rendben.
Láttam képen hogy kisérleteztél nokia töltő trafójával, ebből nekem kb 200db van. Ezek 230/10 adnak le, próbaképpen beraktam a kapcsolásba.De felborította az impulzus sebességét. Mint őrült felgyorsult az 555 inpulzusa, valószinüleg mert beterhelte a tápot.Hogyan orvosoljam? Üdv. Kotesz
Ezzel vitatkoznék. Nekem is PC tápról működik, és volt olyan, hogy 350 Vra töltöte fel a kondit.
Hát igen nem mindegy,hogy pc táról vagy pc tápból, kitermelt trafó van alkalmazva az adott kapcsolásban és ne velem vitatkozz légyszi hanem akkor vázold fel,hogy mindenki meg értse.
Pc táp impulzus trafója átalakítás nélkül nem alkalmas ezen kapcsolás inverter körében. Az addig ok,hogy egy pc táp 12 voltjáról képes üzemelni, de mi értelme mikor egy 300ma adapter képes ellátni megfelelő energiával a kapcsolást. |
Bejelentkezés
Hirdetés |














