Fórum témák
» Több friss téma |
Sziasztok!
Mivel. hogy "modul" tehát akk nem kell külön áramgenerátor , elég neki a 3 dióda. Köszi szépen a segítséget!
Sziasztok!
A lézernak ugyebár nem lehet látni a a fényét elméletileg csak a végpontján a pöttyöt. Akkor ennek mért látszik a "csíkja"? Hogy lehet ilyet csinálni? És amikor szétnyílik, mintha zöld ég lenne. Nagyon nehéz ilyet építeni? Bővebben: Link
Hali!
Ezt hol olvastad? Lehet látni, minél nagyobb a köd/füst/por, annál jobban lehet látni, mivel ez egy lézersugár és amikor látod, akkor a porszemcséken megtört fénysugarakat látod. No meg persze minél erősebb a lézer, annál jobban lehet látni...
Tehát ez akkor a füst miatt látszik. Azt a "szétnyíllást" (0:45 -től) hogy lehet megcsinálni?
Egy akármilyen géppel, ami képes eltéríteni a lézersugarat X és Y tengelyen.
sziasztok. megosztanám veletek házilag készitett lézershowm-at. elmondanám, van mikor 8-9 órán át megy folyamatosan és semmi halványulás vagy kritikus melegedést nem tapasztaltam. hátha segit valakinek. + egy videót is felrakok róla.Bővebben: Link
most csinálok "galvókat" hozzá. már kipróbáltam,müködik a dolog,de egyenlőre csak zene ütemére csinálja a dolgot. mindjárt teszek fel rajzot hogy hogyan is néz ki a dolog
szóval 2db analóg kivezérlésjelző kell hozzá a tengelyre a mútató helyére vagy a mútatóra kis tükröt erősitünk. hangszoróra vagy hangkimenetre kötjük,vagy valami áramkörre ami impulzáló jelet ad neki és nagyon szép effekteket lehet vele csinálni.
Ez nem is rossz ötlet, csak az a kérdés, hogy lesz-e akkora erő a tekercsben, hogy egy tükröt mozgasson. Viszont egy próbát megér, ha van az embernek felesleges analóg VU metere. :yes:
Majd írj ha jutottál vele valamire!
A winchesteres megoldás szerintem azért jobb, mert az már bevált, ott van akkora erő, de egy analóg műszernél kétlem, hogy lenne. Egy próbát megér, de nem hiszem, hogy működne.
analóg műszernél, mivel kicsi a mutató, igy nem nagyon lendül túl, viszont ha már egy nagyobb tükröt kap ennek megvan az esélye, bár sugárjátékra szerintem kiválló. A winchester esetében más az erőkar, igy kissebb az esélye hogy túllendül. Bár itt is előfordul!
Sziasztok!
Egy piacos lézer pointerszerűségből kibányásztam a lézert. Gondoltam adok neki szépen 5V 70mA-t, az eredetileg gombelemmel érintkező rugóra megy a - és valahova a +. Egyszer sikerült eltalálnom a + helyét valahol a fém lézerrész belsejében, vagy a panelon valamelyik oldalon, szépen világított is. Mikrokapcsolót rövidre zártam forrasztással hogy ne kelljen nyomni, majd a - a rugósrészhez odaforrasztottam,a +-t meg próbáltam valahova a lézerrész fémizéhez, de nem sikerült. Azóta sehogy se akar kigyulladni, leet hgy a hő tönkre**ta? Gondolom a test lenne a +. Hogy hozzam üzembe? Képet csatoltam.
A rúgó a minusz a fém test a + az ilyen "csájnáméd" lézereknél. egyszerűbb, ha veszel két krokodil csipeszt, az egyiket ráakasztod a rúgóra, a másikat a fém testre, és igy még valamivel nagyobb is a hűtőfelület.
hát igen... csak elfelejtettem gondolkodni, már késő
Ha az olcsó gombelemes lézer, akkor szerencséd van, elmész veszel egy másikat. Ha drágább lézer, akkor meg remélhetőleg tanultál az esetből.
köszönöm a biztatásokat és az ötleteket,éppen most találtam hdd-s galvó videókat. szerintem nagyon okos ötlet. nem pont vu méterre gondoltam,hanem valami komolyabb analóg műszerre. megpróbálom és mindent megosztok veletek.
szerencsére csak az olcsó ipiacos igazi vérbeli médincsájn lézer, úgy hogy nincs nagy baj
Sziasztok!
Régóta fejlesztésem alatt áll egy mozgómágneses closedloop galvó,de úgy döntöttem,nincs értelme szenvedni vele,inkább veszek gyárit(ha már Class 4 RGB sugárforrásom van,megérdemli) Kérdésem a következő: -Modern alaplapom van és sajnos nincs rajta párhuzamos portbővitő,USB DAC-ot meg drágállom NLS ill. Popelscan programokat használnék,amik támogatják az lpt-s DAC-ot Vajon,működne a PCI-os bővitőkártyával?Egyenértékű-e az alaplapra integrált LPT kimenettel? Ha valakinek lenne e téren tapasztalata,megköszönném a tanácsait
Hellosztok! Valaki nem tud eladó 50mw-os zöld lézer modult vagy pointert sürgősen kéne!
aki tud irjon privit vagy válaszoljon légyszi
Szia! Én tőle szoktam venni,ha még érdekel. Bővebben: Link
[OFF]Hali!
Csak felhívnám a figyelmedet ez nincs 50mW mivel már az infár is bele számolja. De ha olcsóban jobbat akarsz(tok) akkor a dealextreme-n tudtok venni jóval olcsóbb és jobbak!Bővebben: Link
Szia!
Ez pontosan így van, csak ha valakinek sürgős, akkor nagyon mást nem tud tenni hirtelen. Hát én sem használnám effektbe, csak átalakítás után (használható áramgenerátor, hűtés..) Egy valamire való 50-es kb itt kezdődik,és ez is kínai (mi nem)Bővebben: Link
Jó de ebajon nincs ingyen posta.
Egyébként lenne valami jó leírásod egy lézer szkennerhez? Hogy mik is kellenek hozzá. Valami olyanra gondolok ami már képet vetít ki nem csak pontokat.
Ha még nem építettél, akkor egy spirograph-ot javasolnék, tuti siker, és látvány. Sajnos csak dec végén leszek a dokumentumaim közelében (addíg nem is tudok melózni) de ott a saját kivitelben megvan az Eurolight LAS-7 nem bonyolult, és látványos. Ez tökéletes első nekifutásra, és azután jöhet valami ilyen.Bővebben: Link
spirograph séma,teljesség igénye nélkül,
átépithető zenei triggeresre is működőképességét nem ellenőriztem le,de a forráshelyen már utánépitették,nekik működött
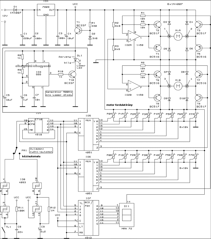
Az én motorvezérlésem ez alapján készült, a manuális vezérlést kiszórtam belőle, egy 555 és egy 4017-el felépített elektronika vezérli különböző méretű ellenállások, diódákon keresztül mindkét motort. Hangra, egy kapcsoló átkapcsolásával egy lm386-al épített erösítő vezérli a 4017-et. Ez tuti jó, nekem megy már vagy 2 éve.
Hali!
Megépítettem ezt az ütemvezérlőt: BSS ütemvezérlő Elég nehezen kelt életre, de megy. 1-2 apróság. Ha nincs rajta mikrofon 4mp-es időzitéssel forog ide-oda. ha teszek rá mikrofont és nincs zene, megáll a motor....ezt mi okozhatja?Elég tré amikor megáll a lézer egy pöttybe.... Illetve aki ezt igy megépítette ahogy van nektek ment elsőre? Mert nekem nem... Üdv! Spiky
Hasonló cipőben jártam, egyedül az NLS program amiben meglehet adni az PCI lpt-s kártya címét, tehát csak ezt lehet használni.
Egyébként normálisan működnek vele az lpt kártyák, nincs semmi anomália. |
Bejelentkezés
Hirdetés |









aki tud irjon privit vagy válaszoljon légyszi








