Fórum témák

» Több friss téma
Fórum » MIDI kontroller épités javítás
Lapozás: OK   4 / 11
(#) roland9 válasza suszitibi hozzászólására (») Dec 17, 2010 /
 
Hali!

Tina-ba csináltam amit leírtál.
(#) suszitibi válasza daveredline hozzászólására (») Dec 17, 2010 /
 
Az első égetésem sikertelen volt. Órákig szenvedtem, mire újra letöltöttem a gépre a hex fájlt, majd azt égettem be. Ezután elsőre siker. Mikor áttettem a gépre a penről, valami megsérült. Az égetés és olvasás sikeres volt, csak a programba került hiba, ezért nem működött. Azóta nem volt ilyen gondom, bár nem is mentettem pendrájvra.
(#) suszitibi válasza roland9 hozzászólására (») Dec 17, 2010 /
 
Ok, ha hazaértem, teszek fel tina-t és megnézem, még nem használtam ezt a programot, csak a sprint layout-ot.
(#) suszitibi válasza roland9 hozzászólására (») Dec 17, 2010 /
 
Feltelepítettem a tinát, de nem akarja megnyitni az általad készített fájlt.
(#) daveredline válasza suszitibi hozzászólására (») Dec 17, 2010 /
 
itt sajnos nem erről van szó, nem került a képbe pendrive..
és ez már a második letöltés...
(#) suszitibi válasza daveredline hozzászólására (») Dec 17, 2010 /
 
Helo
Szerintem próbáld meg a ponyval. A command fülön, a configuration and security bits alatt, csak a következők legyenek kipipálva: bootsz1, bootsz0, bodlevel1, checked items. Ha így sem működik, akkor a tanultabb fórumtársaktól kell megkérdezni.
Nálam ennyi volt a probléma, azóta nincs gond.
(#) roland9 válasza suszitibi hozzászólására (») Dec 17, 2010 /
 
Tina 8-ba csináltam a kapcsolást. letehet hogy régebbit tettél fel és azért nem nyitja meg
(#) suszitibi válasza roland9 hozzászólására (») Dec 18, 2010 /
 
Na igen, a 6-os verzióval próbáltam.
Akkor újra kezdem.
(#) suszitibi válasza roland9 hozzászólására (») Dec 18, 2010 /
 
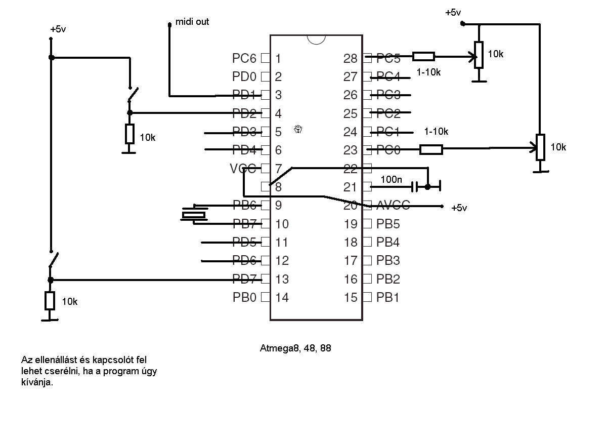
Sikerült megnézni. Ezek szerint, atm8-al szeretnéd? Ahhoz viszont másik program kell. A kapcsolókat úgy kell bekötni, ahogy a rajzon van, különben ahogy csináltad, szabadon lebegnek a lábak, nincs rajtuk állandó logikai szint. Ha magas szinttel kapcsolod, akkor állandó alacsony szinten legyenek, vagy fordítva. Szerintem egyszerűbb lenne a másikat megépíteni, ahhoz van kész program is.
(#) roland9 válasza suszitibi hozzászólására (») Dec 19, 2010 /
 
igen van de nekem midi kimenet kéne nem usb az a bibi
(#) suszitibi válasza roland9 hozzászólására (») Dec 19, 2010 /
 
Értem, akkor egy kicsit nehezebb a dolog.
Ned tudom, hogy a normál midi csatinál, lehet-e konfigurálni, vagy kimondottan fix üzeneteket kell beállítani a vezérlőbe. Nekem a harmonikába minden fix beállítással megy, bármire kötöm, ugyan az a funkciója, a potiknak és kapcsolóknak. Az usb viszont látja őket és a programban lehet állítani, mit mire szeretnél használni. Mindenképp konzultálj valakivel, aki tudna rá írni programot.
(#) Rober_4 válasza roland9 hozzászólására (») Dec 19, 2010 /
 
Soros portod van a gépen?
(Vagy ilyen kéne?Bővebben: Link)
(#) roland9 válasza Rober_4 hozzászólására (») Dec 19, 2010 /
 
Hello!

Valami hasonlót szeretnék a lényeg az lenne, hogy 6db potmétert és 6db kapcsolót midi-n keresztül egy programot tudjak vezérelni vele (a program tanítható). Egy keverőt szeretnék csinálni amin lenne 4 csatorna 1 crossfader és egy poti amivel tudnám az efekteket állítani a gombok pedíg a play stop és egyéb funkciókra lenének.

üdv.: Roland
(#) suszitibi válasza roland9 hozzászólására (») Dec 20, 2010 /
 
Az USB miért nem jó?
(#) roland9 válasza suszitibi hozzászólására (») Dec 20, 2010 /
 
Jónak jó lenne de a hangkártyámon van midi bemenet és így akkor szabadon maradna a lapin a többi USB amire mondjuk rá lehetne kötni pl egy külső vinyót
(#) suszitibi válasza roland9 hozzászólására (») Dec 20, 2010 /
 
Lenne egy javaslatom. Már nagyon olcsón vannak USB elosztók. Ha én laptopra csinálnám, biztosan az USB-s változatot választanám, a vezérlő dobozába pedig beépíteném az elosztót. Így a vezérlő mellett még három eszközt lehetne használni. Pl: egér, pendrive, HDD. A midi bemenet szabadon maradna akár billentyűzetnek. A kapcsolás egyszerű, akár próbanyákra is kivitelezhető. A hex is megvan, csak be kell tölteni.
(#) zozz12 hozzászólása Dec 21, 2010 /
 
Üdv!
Biztos hallottatok már a Traktorizer nevű, házi készítésű MIDI vezérlőről. Már elsőre nagyon megtetszett, de elég bonyolult, elraktam "pihenni". A napokban meg akartam nézni van e fejlemény, hát volt: bezárták a honlapot amin a kapcsi, a leírás és minden egyéb volt. Megvannak ezek a kapcsolási rajzok, .hex -ek, stb valakinek? Vagy tudja esetleg hol lehet elérni?

Köszi
(#) dj-mike válasza zozz12 hozzászólására (») Dec 26, 2010 /
 
Hello!

www.ucapps.de

Itt mindent megtalálsz hozzá.
(#) dj-mike hozzászólása Dec 29, 2010 /
 
Halihó!
A MIDIbox oldalán található dolgok közül megépítettem a Midibox SID névre keresztelt szintit. Működik, szól is úgy, ahogy kell, de egyelőre gombok és enkóderek nélkül, mert azok még nem érkeztek meg hozzá.

Itt van minden info hozzá, ha esetleg valaki meg akarja építeni:

http://www.ucapps.de/midibox_sid.html

És pár kép is van itt róla.

Üdv
(#) bogyi hozzászólása Feb 6, 2011 /
 
Sziasztok!

Kezdőként, foglalkozom zenekeveréssel, De mivel a billentyűzet, egér kombóval nem lehet igazán jól dolgozni, rászántam magam, ennek az Avr atmega 16-os chippel operáló midi-controllernek a megépítéséhez.
Sohasem programoztam még mikrokontrollert, de mindent el kell kezdeni egyszer
Segítséget szeretnék kérni, hogy a szalagkábelem csatlakozóját, hogyan illesszem a mikrokontroller lábkivezetéseihez?
a programozó az ez lenne:http://www.hobbielektronika.hu/kapcsolasok/avr-doper_usb-s_isp_programozo.html

A kontroller, amit szándékozom építeni, az pedig ez:http://www.hobbielektronika.hu/kapcsolasok/midi_vezerlo_avr-el_v-usb-midi_i.html

Köszönöm szépen...
(#) Gyuresz hozzászólása Feb 6, 2011 /
 
Sziasztok
Valamit nem tudtok mi lett a midibox.org gal? Egy hete nalam nem megy... es nagyon kelene!!!
(#) zozz12 válasza dj-mike hozzászólására (») Feb 24, 2011 /
 
Helló!
Nos újabb fejlemény, hogy újra működik a Traktorizer honlapja! Íme! Érdemes megnézni!
(#) papa22 hozzászólása Márc 8, 2011 /
 
Sziasztok!
Nemrég vásároltam egy USB midi kábelt típusa EAP-4705
a problémám az vele hogy nem úgy szol ahogy kellene a hangszeren a zene winamp-ba lejátszok egy midi fájlt és szépen szol, miután csatlakoztatom a kábellel a szintit ami egy yamaha psr-213 és újra lejátszom a zenét ott már kihagy hangokat és vannak hangok amik megszólalnak és úgy is maradnak mintha nem engednéd fel az adott billentyűt.
Ha visszafele ködük adatot a szintiről az is hibásan érkezik meg leütött hang felengedés után is még majd egy percig szol.
Kérdésem az lenne hogy itt a kábel mikrokontrollere lehet a hibás vagy esetleg az hogy a gyártó nem csinált neki driver-t hanem a Windows mid driver-ére hagyatkozót amiről azt találtam netten hogy elégé gagyi és sokan azt írták hogy írtak kábelükhöz saját driver-t. Az lenne a kérdésem a ti általatok épített vezérlőknek a driver-eit is ti írjátok vagy van valami komplett megoldás ami ezt támogatja. Válaszotok előre is köszi
(#) Rober_4 válasza papa22 hozzászólására (») Márc 8, 2011 /
 
Azért ellenőrizd a kábeled, nem -e sérült illetve kontaktos a csatlakozó!
Szerintem ennyire nem lehet rossz a Windows driver. Lehetnek vele problémák, hogy mondjuk gyors játéknál elakadnak a hangok, vagy "felgyülemlenek", esetleg késik, nem pontos, vagy a szekvenszerben késik, de olyan jellegű hiba, hogy továbbszól a hang, az nem valószínű! Hisz ez egyértelmű adatvesztést jelez, pl note off kódok el vesztését, és nem hiszem, hogy drivernek nevezhetnénk egy olyan realtime-eszközt, ami működése folyamán adatvesztéssel üzemel.
Tehát, vizsgáld meg a csatlakozókat, próbáld ki másik gépen, és ha ekkor is vacak, vidd vissza a boltba, és vásárolj másik típust...
(#) daveredline válasza papa22 hozzászólására (») Márc 8, 2011 /
 
én ezt rendeltem kínából frankón működik, olcsó és ingyenes a szállítás:
http://www.dealextreme.com/p/usb-to-midi-cable-with-16-midi-input-o...-11277
(#) efiscp válasza papa22 hozzászólására (») Márc 8, 2011 /
 
A gyári vindóz driver a sima note on-offokat azért tudja kezelni, max a sysex és az ilyesmi bonyeváltabb üzenetekkel lehet bajban.
(#) goran válasza dj-mike hozzászólására (») Ápr 30, 2011 /
 
hello!!!

Goran vagyok es en is epitek 1 midi dj kontrolert,es meg van az alap lap amin a pic van meg az analog modulok.
sikeresen be programoztuk a pic-et be kapcsoltuk az aram kor teljesen rendben van de rs 232 on nem lassa a traktor se a virtual dj nem lat midi-t. el kuldenem a linket hogy te is tudd mirol van szo,mivel latom h te mar sikerrel jartal 1 epitesben e teren.meg kuldok hozza kepeket is h lasd az enyem h nez ki.


Bővebben: Link


a haverom aki raka ossze a lapokat kicsit kisebre akarta az egeszet es ezert mindet 2 lapra tette.

ha valakit erdekel meg ez a midi kontroler nzugodtan irjon el kuldom mindent amim van az epiteshez.
(#) Rober_4 válasza goran hozzászólására (») Ápr 30, 2011 /
 
Én valamilyen driverhiányra gyanakszom, vagy a portbeállításokra...
Gondolom ezt már végigcsináltad?Bővebben: Link
(#) goran válasza Rober_4 hozzászólására (») Ápr 30, 2011 /
 
prsze azt mar be alitottam a port az nyitott.es most jottem ra ahogy be szereltem a led diodakat ami jelzi a midi in es midi out, be kapcsolom a vdj-t es a midi in led meg villan,es mikor ra mek h search for devices akkor megint meg villan a midi in led,ugy h gondolom h jelet kap szoval a midi bemenet okes csak a kimenet roszalkodik de az lesz h midi kabellel usb-s atalakitoval probalom majd ki.
(#) vallon7 hozzászólása Jún 8, 2011 /
 
Üdv mindenkinek.
Nagyon örülnék, ha valaki tudna segíteni.
Kaptam egy midi billentyűzetet és szeretném a számítógépemmel összekötni.
Van rajta a 15 lábas game port (apa), egy 15 lábas midi port (anya) és egy DIN tuchel midi out.
Kábelem csak olyan van, ami a számítógéphez USB-vel csatlakozik és a másik végén két lengő DIN tuchel, midi out és midi in van.
A billentyűzeten ugyan van bekapcsoló, de nincs egyenáramú bemenete, tehát gondolom én, hogy az 5 V-ot a 15 lábúakon kapná. A Midi tuchel outján nincs 5 volt, hiszen ott csak kifelé jön info.
Gondoltam, hogy teszek bele egy 5V-os stabilizátort és egy 6V-os tápról üzemeltetem. Nem veszik az össze a számítógép 5 V-jával (ha a 15 lábúval kötik össze)?
Illetve akkor álltam fejre, amikor a billentyűzet alján olvastam a ráragasztott emblémán, hogy 9-12V. Ez mi a fene, hát nincs is tápbemenete? Fotó mellékelve.
Következő: »»   4 / 11
Bejelentkezés

Belépés

Hirdetés
XDT.hu
Az oldalon sütiket használunk a helyes működéshez. Bővebb információt az adatvédelmi szabályzatban olvashatsz. Megértettem