Fórum témák
» Több friss téma |
Nem jó! AC-ban is meg kell lennie annak az "energiának", ami a fűtéshez kell. 6.3 V+graetz+puffer+szűrőellenállás+puffer, és be fog állni, 6,3 ... 6,7 volt, ha nem, akkor egy nullaegészakárhányas ellenállással be kell "lőni" (ki lehet számolni a pontos értéket könnyen)
A "másik" fórumon Rebla megcsinálta, de azt mondta sokat kellett moddolni, mire neki tetsző hang jött ki belőle...
Végülis egy "alap" SLO, vagy Dual Rectifier kapcsolás, rossz nem lehet, engem inkább az egyzserű hansgzín "aggaszt"
Igen, most nézegetem a rajzot tüzetesebben, az a hangszín nagyon gagyi.Azon lehet változtatni, a többi része sem különlegesa kondik értékével lehet játszadozni.
Itt a fűtés nincs egyenirányítva, az a greaz híd a reléjé
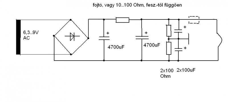
Itt egy rajz a fűtésnek. Ha az AC fesz. 6,3 V, akkor az első CR tag elhagyandó. A közepelés (2x100 Ohm) nagyon fontos, és az ellenállásokkal párhuzamos 100 mikrók nagyon sokat csökkentenek a zajszinten ( én sem hittem, amíg ki nem próbáltam )
Tudom, de ekkora gain-nél ajánlatos a DC fűtés (szerintem)
A soldano slo-nál sokat kínlódtam a gain zaj miatt, közepeltem, egyenirányítottam mindent elkövettem, sőt akkuról is próbáltam a fűtést. Zaj mindenféleképp maradt, bár jobb lett. Ha a gitár szól, eltűnik a zaj, vagy elnyomja, mikor nincs megpendítve, akkor hallatszik a torzítás és a hangerő függvényében
Gábor megnyugtatott hogy teljesen kiölni nem fogom tudni.Most egy jcm800 -at csinálok, annak zajmentesebbnek kell lennie
Sziasztok!
Vettem 2 db 12ax7-es csövet a pedálhoz, az egyiknek ez van felírva a dobozára: 1,35/1,6 a másiknak 1,25/1,6. Mit jelentenek ezek a dobozon?
Ez csak tipp, de szerintem a triodák anódárama mA-ben. Milyen márkájú csövek?
Itt az egyik Mesa Eloerosito , hat a hangszint nem ep mpndanam gagyinak .
Nem gitarnak akarjatok az eloerositot? Gitar 100Hz-tol 5000Hz-ig terjedo hangsavban szol . de a 5KHz-nel alig van mi szoljon esetleg akusztikus piezzos+ EQ +stb eseten.
Igen, de a Soldano supercharger GTO-ról volt szó, amiben gagyi hangszín van ... Ez a Dual recto meg egy "megspékelt" Marshall hangszínszabályozó ( ami nem is Marshall, hanem Fender, csak így terjedt el ... )
De biztos gitárnak akrják, azért csöves overdrive a topik címe ( mondjuk az igaz, hogy nem írták, hogy bilentyű, gitár, vagy bass overdrive , de a topik hozzászólásaiból egyértelműen kiderül ...)
Gitar erositonel minden ! a "globalis szurohoz" es torzito/kompreszor-hoz tartozik , hogy olcsobban megoldjak a dolgokat .
A savhatarolas lepesrol lepesre az egyes erosito modulokon belul van megoldva csatolokondi9k, katodellenalas blokkolo kondik , kmenoimpedantia illesztes vagy illesztetlenseg,Aztan a alulmeretezett keresztmetszetu olcso kimenotrafo , annak rezonanciaja.Mindezen vegigmegy a mindenfele torzitas egesz a hangszoro frekvenciaosztasaig valamint a hangfal/doboz meretei es annak rezonanciapontjai vagy frekvencia atvitele . Emellett a kompresziok osszege az elso csotol a hangszoroig ..stb Ezek osszege adja meg a hangzast a "gagyi" hangszinszabalyzok ehez vannak tervezve . Ezt mind szimulalni kene ha csak egy "eloerosito formalobol" akarjuk kihozni. Az "ujabb" negycsatornas csoves erositokkel meg jobban komplikalodik a dolog azokban mar annyifele hangzas ven hogy nehez utanozni . A legjobban a J-FET es cuccok valnak be egyetlen dolog vele hogy nagyon jol kell stabilizalni a munkapontokat , kulonben 1:1 -be a csoves cuccokat utana lehet epiteni es kb. 90% ugyanugy szol .Azert a 10%-ert nem erdemes a nehez csoves cuccot cipelni . Ha csoves vagy FET-es eloerosito/overdrive azt nem szabad keverni IC-s vagy Tranzisztoros szuro kapcsolasokkal ,plane tobsavu EQ -kel .Esetleg egy egy emitterkoveto, feszultsegkoveto meg elmegy ( nem zavar) Az EQ-k ugy el tudjak tolni a hangot hogy az valai csoda , beallitom a hangzast de avval legtobszor nem lehet egyes tehnikakkal szologitarozni .Igy inkabb maradunk a gagyinal .Jobban szol , maga a fo hangszin az a gitarbol kell jojjon valamint a hangszoro+doboz.A csoves vagy FET-es erozitofokozatok kedvezo harmonikus torzitast es kis IMD torzitast visznek bele a hangba igy a legnagyobb torzitaseseten is ra lehet ismerni egy egy gitar jellegzetes hangjara. Persze a jatszott zenestilustol fuggoen mindenki mast es mast var a hangzastol.
Örülök, hogy ezt mind leírtad, bár nem értem, hogy miért nekem ?
Én ezekel tisztában vagyok. aniyt még hozzátennék, hogy még egy FET-es előfok sem fog soha úgy szólni, mint a csöves, nem ebszélve a szimulációs dolgokról (Roland COSM, Line6), Bár Both Miklósnak a Napra zenekarból majdnem sikerült "átvernie"...Szerintem nagyon félreértettél valamit, hogy mit nevezünk gagyi hangszínnek. Nézd MEG a GTO kapcsolási rajzát, egyetlen soros RC tag söntöli a magasakat.Ez tényleg nagyon kevés egy torzított hanghoz, ennél még a Big Muff Pi, vagy DS-1-es alul- és felüláteresztő szűrős megoldása is többet tud. Bár az igazi az a 3 sávos fender/Marshall féle (szerintem)
Szia!
És gondolom ez is alacsony feszültségen működik, tudnál még mondani róla néhány dolgot, esetleg képet vagy hangmintát is tudnál küldeni?? Nagyon érdekelne a dolog.
Csak annyit, hogy csöveket kisfeszültségen használtak már 40 éve is. A sávszélesség lecsökken ugyan 5-6 kHz-re, de nagy erősítést lehet elérni - mindkettő jó egy torzító esetében.
Üdv.
tud valaki egy egyszerű overdrive kapcsolást, amiben egy 12AX7 van?
Ez nem alacsony feszültségen működik! kb 150 V az anódfesz!
Sziasztok!
Elkezdtem összerakni a Soldano csöves torzítót. Az lenne a kérdésem hogy a hálózati trafóból kijövő 250VAC-t rákössem-e a 250V-os billenőkapcsolóra, nem-e fog átütni a fesz?
Tube Driver Mathernek készült
Kóci!
Mindenhova odalinkelted, csak ide nem, de akkor itt megdicsérlek! Kócos, nagyon jó kis cucc lesz! /bár nekem pont nem tetszenek ezek a csirkefejű poticsavargatók, akár retro, akár nem.../ Ez az a M akárhányas Lomis doboz, amiről levágtátok a "szárnyát"?
Ehhez mit szólsz, nekem ez tetszett meg!
Jaja, M84, azt hiszem + vasfűrész
De még így is olcsóbb, mint a hammond, és nem feltétlenül rosszabb. Van egy eredeti EHX effektem, ami Hammond dobozban van, 5 mm eltérések vannak, széllre, hosszra
Marshall séma. Így maximum kráncsot tud, de lehet játszadozni a katódellenállással, és katódkondikkal. a nekem szimpi beállítás, az gyakorlatilag a Marshall JCM 800 2204, picit módosítva : első katód 1,5k/ 1 mikro MKP!, második katód 10k, harmadik 820 Ohm / 1 mikro MKP! a második, és harmadik trioda közti osztó/rácslevezető 470k/470k, a felső tag 470 pikoval söntölve ( styro, vagy csillám). A sweep poti a DC fesztől recsegni fog. csatoj ki 22 nanoval, azt zárd le 1-2 megával, és onnan a hangszínkör. (de jobb lenne DC csatolt katódkövetővel, az utolsó katódkövető meg elhagyható, Első csatolókondi értéke lehet kisebb, 5 - 10 nano, különben "üffögni" fog tomptásnál
Hello!
Az lenne a kérdésem hogy minimum és maximum hány ohm-os ellenállást érdemes tenni egy ECC83 anódjához. A soldanoban mértem múltkor az anódfeszültségeket és kevesebb volt mint a rajzon szereplő érték. Az első fokozatnál 87V helyett beállítottam 150V-ot, és a 3. fokozatnál lévő 100k-s ellenállást egy 150ohm-osra de most az a fokozat nem szól.
Hali !
Adott az Urbán féle csöves gitárelőfok, ezt szeretném megépíteni de a kapcsolási rajzon nincsenek feltüntetve a kondenzátorok feszültség értékei. Valaki kiegészítené nekem a rajzot aki már megrendelte vagy utánépítette?
Hello.
Bemértem szkóppal a torzítómat elvileg jó csak a 2. fokozatnál a cső munkapontja mintha fel le mozogna, mit kell tennem h ezt kijavítsam?
itt a kép Bővebben: Link
Szerintetek ha a Soldano GTO-t 40V-os anódfeszről üzemeltetném, és ECC82-őt használnék benne, akkor nagyobb lenne a gain-je?
Szerintem nyugodtan elfelejheted a40 voltos anódfeszt, az ecc82-nek nincs akkora erösítése mint az ecc83-nak a gain csak úgy jön össze,ha csö túl van vezérelve,minimum 30x-os erösités,,nem is kellene sokkal több , álltalában,olyan 150 volltról már rendesen megy,de ezeket,a kisfeszről működó, 12-volt,stb un. pedálokat gyorsan el kell felejteni! de meg lehet csinálni pl- búgócsigának, arra pont jó, de giározni.... csak rajta!
|
Bejelentkezés
Hirdetés |






Én ezekel tisztában vagyok. aniyt még hozzátennék, hogy még egy FET-es előfok sem fog soha úgy szólni, mint a csöves, nem ebszélve a szimulációs dolgokról (Roland COSM, Line6), Bár Both Miklósnak a Napra zenekarból majdnem sikerült "átvernie"...


