Fórum témák
» Több friss téma |
Fórum » Házi feladat elmélet - tételek
Hali!
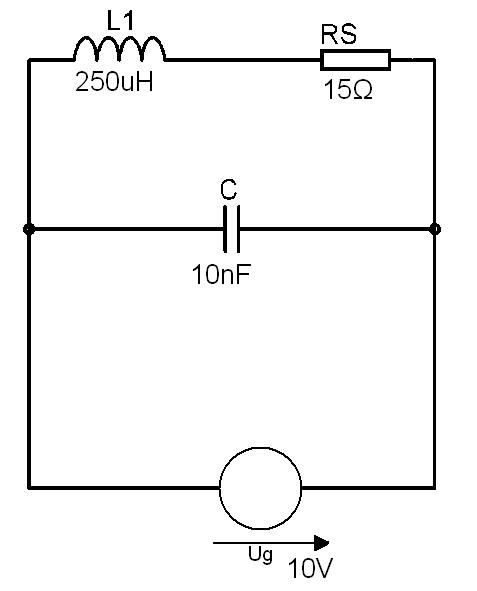
Lenne egy, a csatolt kapcsoláson látható kép. A kérdések: -Mekkora a kapcsolás rezonancia frekvenciája? -Mekkora a generátor minimális árama? -Mekkora a rezgőkör sávszélessége? -Ha a sávszélességet felére akarjuk csökkenteni, mekkora ellenállást kell bekötni a rezgőkörbe és hogyan? Tudom, kicsit sokat kérek, de angyon szépen megköszönném, ha legalább 1 kérdésre kapnék választ, sose ment az ilyen rezgőkörös feladat, főleg hogy még nem is tanultam róla.
f0 (rezinancia): 1/(2*pi*gyök(L*C))
Párhuzamos rezgőkör a legnagyobb impedanciát a rezonancián mutatja, ezért itt veszi fel a legkisebb áramot is. Jósági tényezővel az RS-t át kellene számolni párhuzamos ellenállássá és, akkor Imin= Ug/Rpárhuzamos. Már jó rég volt dolgom ilyennel és elfelejtettem hogyan kell a jósági rényezőt számolni (ilyen Q=XL/Rs= Rpárhuzamos/XL... valami mókolás, amiből kijön az Rpárh.) A sávszélességnek (B0) is a Qe eredő jósági tényezőhöz van köze (1/Qe = B0 rémlik). Q eredőnél rezonancián vagyunk így XC=XL, mindegy hogy melyikkel számoljuk a Qe-t =Rp/XL=RP/XC Azt viszont nemértem, hogy a svszélességet hogy lehetne csökkenteni ellenállás rákötéssel, mert azzal csak elrontani, csökkenteni lelet a Q-t, így növelni a B-t. (Nem írtad el? sávszélesség duplájára növelés lenen értelmes.) Ha valaki megerősíti akkor ezekkel számolhatsz, nem vagyok benne teljesen biztos.
Rájötem. Trükkös
![]() Sávszélesség csökkentése a jósági tényező növelésevel lehetséges, ki kell számolni a módosított jóságot Q2=2*Qe, abból az induktivitással soros módosított RSe-t (Rse=Rs X R) és egy replusz visszafejtéssel az RS el párhuzamos ellenállást R.
Beadandónak ez a házi hogy alkonykapcsoló megvalósítása mikrovezérlővel
Sziasztok!
Pihenésnek sajnos nem nevezhető, de mivel elég sok középiskolás is látogatja a Fórumot, bátorkodom a segítségüket kérni. Ha valakinek lehetősége lenne rá, be tudná szkennelni a Start! 14-es lecke szavait, mondatait, igéit? (összesen 2 oldal) Ha az oldalra nem is, de egy képfeltöltő helyre ha fel is töltené... Hétfőn írunk, a könyvem kölcsönadva. Köszönöm.
Egy angol nyelvtani házi nem tudom, mennyire lesz itt megtalálható. Esetleg torrent oldalakon megnézhetnéd.
Szia!
Nekem volt start könyvem. Megnézem ha megmondod hanyadikos kell.
Szia!
Megnézegettem a könyveket de sajna nem találtam.
Üdv!
Egy kis segítséget szeretnék kérni ! Beadandónak kaptam hogy Egy alkonykapcsolót kellene megvalósítanom mikrovezérlővel( atmega8) az alkatrészek megvannak csak nem tudom mit hova kellene kötni Előre is köszi!
Üdv!
Egy kis segítséget szeretnék kérni! Segíteni szeretnék egy embernek, aki beadandó házifeladatot kapott nemrég ATmega8-ra felépítve; a feladat adott, a csatolt fájl megvan, csak nem tudom mivel kell megnyitni. Előre is köszi!
Az EAGLE Programmal kell megnyitni! Köszi a segítséget!
Én sem tudom mivel kell megnyitni. Legalább pdf-ben kirakhatta volna.
Na itt van AVRStudioban csináltam meg majd átalakítod ahogy kell magadnak ez így működik is. van egy nyomógomb a programban ami azt csinálja hogy ha nappal van akkor is világitson addig amíg nyomod a gombot ha elengeded akkor nem világít betudod állítani a fényerősséget is nem tudom hogy néz ki a rajzod de majd mondom átalakítod magadnak a rajzodhoz. Ja még valami találsz a default könyvtérban egy hex fájlt lefordítva azt töltsd be és nézd meg mit csinál.
Neked működik?
Ja még valami van még dugiba pár ilyen hasznos progi ami még cikkek formájában is elférne. Pl.: Termosztát, erősítőhöz vezérlő,Discofény ami hangra vált forgásirányt kontrollernek két kimenete által.......
Kössz szépen.
Még valami a 8 lábbal sorozatokat két éve megcsináltam és nagyon hasznosak abból csináltam ezt is.
Köszi szépen! Fel is rakom ezt a programot és ki is próbálom! És ebbe már benne van a kapcsolási rajz és program is és szimulálni is lehet vele?
Rajz nincs benne mert ugye hogy mit hova kell kötni kitudod nézni a forráskód elején ezért nem mellékeltem a rajzot mert ha én kitudom nézni akkor te is kitudod nézni ezt. Szimulálni én úgy szoktam hogy felprogramozom berakom egy protoboard-ba és ha működik úgy ahogy akartam jó, ha nem akkor addig próbálom amíg jó nem lessz. Egyszóval szimulációt a valóságban szoktam elvégezni. Nekem az a meglátásom hogy a szoftveres szimuláció pontatlan, ezért nem használom.
Ja és ezt : #894403 a számú hozzászólásomat olvasd el még egyszer mert leírtam mit raktam a mellékletbe.
Elolvastam ,csak az a baj hogy nem vágom ezt a progit hogy működik és hibát is írki , lehet rosszat szedtem le! meg a kapcsolásba még tudnál segíteni mert nem nagyon vágokm? köszi szépen
Mivel akarod fordítani?Beraktad az include-okat? Használni kell az adatlapot is hogy amit olvasol a progi elején tudd az által hogy mit hova kell kötni. Ezek a Define sorokban vannak leírva.A nyomógomb meg akkor működik ha az ATmega8 megfelelő (PB5 feliratú) kivezetését negatívra kötöd. A PB2-re meg köss egy ledet kb 1kOhm-os ellenállással meg két potit köss a a kivezetésére egyiket a 23-ra másikat meg a 24-re potik lehetnek 10-kOhm-tól akár 50kOhm is
Másrészt meg ha azt írod hogy hibát is ir ki. Légy szives ne csak rémuszokban beszélj rolla hanem írd le rakj képet rolla mert hogy segítsek neked így ha azt sem írtad le mikor ír hibát? Ez így ne haragudj de nem megfelelő. Vagy ne beszélj a hibáról vagy írd le pontosan miről van szó.
Ez eagle nevű programba kezdtem el csinálni csak nem tudom hogy így jó-e?
Először is a .hex fájlt ne add hozzá a header-hez. Másrészt meg töröld ki a hex fájl alatti headereket ás add hozzá mégegyszer. És még telepítsd a winAVR-t is azt jelenti az üzenet :To build avr-gcc project....... Szórol szóra : Az építő avr-gcc projekthez telepítse a winAVR-t vagy állítsa be az építő eszközdefiníciókat. Bocs a nem túl magyaros fordításért de én németet tanulok. Oda is van írva hogy honnan töltheted le a winAVR-t.
Talán kezd ezzel hogy telepíted a winAVR-t is és utánna add hozzá újra a header fájlokat. Ja és most látom az ablaknak az a címe hogy nincs telepítve a WINAVR
Forditsd meg a ledet úgy hogy az anódját kösd az AVR-hez az ellenállás másik végét pedig a negatívra.Bocs hogy beleszólok, de én inkább így csinálnám.Legalábbis én így szoktam.Bocs és mégvalami én vagyok most megkavarodva de az Aref lábat inkább ne kösd rá a VCC-re ugyanis a bitek nem úgy vannak beállítva.Még egyszer bocs csak egy másik projektemből emlékezehettem rosszul.
Köszi a segítséget! és a potikat hova kössem??
Már csak egy potit kell bekötnöd az ellenállás pálya egyik végét a +5V-ra a másikat a negatívra a mozgóérintkezőt pedig a 24-es lábra.Mert a rajzodon a fényérzékelő már rajta van a 23-on
|
Bejelentkezés
Hirdetés |














