Fórum témák
» Több friss téma |
Kész lett , tökéletesen működik! Köszönöm szépen, Mindenkinek kellemes ünnepeket aki segített
Sziasztok!
nem tudtok egy viszonylag egyszerű 10-20 LED-et véletlenszerűen villogtató áramkört.
Sziasztok!
Én csináltam egy 40 ledből álló Villogót az alapja ugyanaz a 2 ledes astabil multivibrátoros villogó csak nagyobb feszültségröl megy,és a 100µF kondik hellyett 2200 µF kondik vannak most benne szerintem nagyon jól néz ki!
Párhuzamos kapcsolásnál a LED-ek nyitófeszültsége egységnyi. ( Természetesen azonos típusokra értve.) Soros kapcsolásnál a LED-ek nyitófeszültsége összeadódik. Ebből következik az, hogy magasabb tápfeszültség kell majd nekik soros kapcsolásnál.
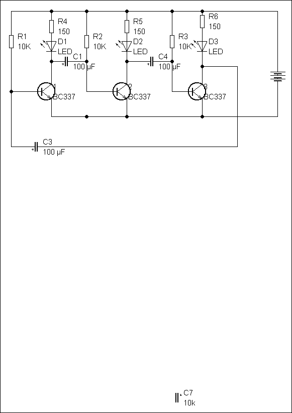
(#866744) Eticsiga : Az ilyen _villodó_LED_-elből annyit kötsz "párhuzamosan" amennyit csak szeretnél. Egy idő után kellően nagy lesz a káosz a kis időkülönbségek miatt. Valahol van RGB-s színváltó LED is egy tokban de most azt nem találom... (#870683) Mybuster : Nem semmi egy "kis" kapcsolás kerekedett ki abból az egyszerű rajzból!
Ezt most nem értem milyen kis rajzbol?
_Erre_ a rajzra gondoltam. Mert szerintem a te kapcsolásodnak is ez az alapja. Gondolom.
Ja hát igen ugyanaz az alapja én megcsináltam 40 leddel 20-20 led felváltva módon tökéletesen működik!!
Sajna kipróbátam ezt a 3 ledes tranyós meg kondis villogót hát egy nagy csődtömeg az egész! úgyhogy kéne valami más kapcsolás amivel 3 vagy több led villog !
Szia. Tudom ajánlani az 555 és 4017-es kombinációt. Nekem bevált. És annyi ledet lehet vele villogtatni amennyit akarsz. Akár száz ledes villogót is tudsz vele csinálni.
ÚÚÚ nagyon köszönöm mindkettőtöknek !!!
De jól látom hogy a pirosak elhalványulnak, míg a zöldek nem? Ez direkt ilyen vagy mi történt?
szia!
Nem értem milyen piros ledekröl beszélsz nem inkább sárga ledről beszélsz a 40 ledes villogórol?
sziasztok mikor megláttam ezt a topic-ot akkor ez a rajz jutott eszembe arra gondoltam mivel régen mondták nekem hogy ha több leddel próbálkozok pl: 6 leddel aszt mondták erre hogy ott már nem fog sorrendbe villogni hanem össze vissza és arra gondoltam hogy ha 20 leddel megcsinálnám akkor csinálhatnák belőle összevissza villogót véletlenszerű villogással! megoldható -e:?
Valami biztos lenne belőle...
Próbáld ki a 6 LED-est s kiderül.
Még egy kérdés. Ezzel max hány ledet tudnék meghajtani??? És milyen formában?
üdv
Szerintem müködnie kellene ezzel a tipussal is,kikellene próbálni.Amiket eddig épitettem,mind bc 547,546 vagy bc548 as tranyókkal volt összerakva,mással nempróbáltam.Ami a diódák mennyiségét illeti párhuzamosan 2 ledet próbáltam eddig,az müködött,de csak a villogás sebeségének a változtatására van lehetöség,maga az áramkör 10 volt alatt nemis üzemel,pontosan 10 töl 16 voltig próbáltam,autóban volt nekem régen beszerelve,ha alacsony az aksi feszültsége akkor lassan pislákol,ha pedig magas(megy az utántöltés)akkor meg gyorsan pislog.De nagyonsokat épitettem belöle ismerösöknek is mint riasztó imitátor,hatásosabb mint az önpislogó led mert nempislog olyan gyorsan.
Hellosztok!
Van egy kis problémám megépítettem ezt a "ping-pong" villogót csak az a bajom vele hogy kb 5 v megy de elég halványak a ledek fénye ha tápra rakom akkor meg nem is működik mit tegyeg hogy a kimenti jel erősebb legyen?Bővebben: Link
Hello!
Én úgy gondolom, írtam, hogy nagy fényerejű Led a megfelelő. És ha ezek a "tégla" Led-ek azok amik nekem is vannak, akkor nem valami nagy fényerejű típusok. Ez a villogó, pont az igen alacsony áram fogyasztása miatt érdekes. De megpróbálhatod növelni a kondik kapacitását, mert abban tárolódik a villogás energiája. Ha tápegységről működteted, és nem megy, akkor valószínűleg nincs szűrőkondi a tápodon. És erősen remélem egyenáramot és váltóáramot ad.. Nézd meg azt is, hogy helyesen kötötted-e be a Led-eket, tranyókat, mert ebben a dzsumbujban látni semmit nem lehet. (Ekkora csomót kötni néhány alkatrészből ahhoz már tehetség kell.. Közeli vezetősávok átkötéséhez használhatsz levágott ellenállás lábat is.) üdv! proli007
Oké elfogadom az offodat
csak tudod elég kezdő vagyok és így raktam össze de amúgy kicseréltem a tranyókat bc 547 re annak nagyobb az áramfelvétele 100mA így jobb lett a fényerű telejsen elisemerem a problémád! Köszi mégegyszer!
Sziasztok!
Kerékpár hátsó azaz piros lámpát szeretnék szintén villogóból kiszedett ledekből. A lényeg az lenne mivel nem szabad villognia legalábbis ne látsszon villogónak, hogy olyan 30 Hz-el kellene villognia. Sajnos csak 3 V-om van így nem jó az 555-ös ic mert annak 5V kell. Jó lenne ha kb 6 ledet elvinne. Valami tranzisztoros kapcsolás kellene szerintem. Nincs ötletem. Akinek lenne kérem segítsen. Köszi!
Üdv!
Én egy állítható led-es vilogót akarok belerakni a motorom első lámpájába.Nem tudomom megmondani hogy pontosan hány voltot fog kapni de szerintem nem 12-t hanem egy kicsit többet.Ebben kérem segítségeteket h ajánljatok valamit amit könnyen meg lehet építení. Üdv mindenkinek
Létezik LED driver kis feszültségre. PL: _PR4401-PR4404_. Érdemes kicsit keresgélni az alkatrészek között.
Hello mindnekinek
Kezdő vagyok olyat szeretnék kocsiba hogy 25-25 led villogjon felváltva egyik oldalt 25 kék másik oldalt 25 piros és állítható legyen a villogási sebesség! Valami roppant egyszerűt szeretnék amit a szivargyújtóról üzemeltetni tudok ![]() Válaszokat előre is köszönöm!
Például itt. találsz leírásokat.
Hát köszi de nekem konkrétan nem IC és dolog kéne.. tranzisztorral nem lehetne megoldani? esetleg egy kapcsolást csatolhatnál..
|
Bejelentkezés
Hirdetés |







Majd felrakom! 
csak tudod elég kezdő vagyok és így raktam össze de amúgy kicseréltem a tranyókat bc 547 re annak nagyobb az áramfelvétele 100mA így jobb lett a fényerű telejsen elisemerem a problémád! Köszi mégegyszer!






