Fórum témák
» Több friss téma |
Nem! Ha a DF-re nincs kötve + feszültség, akkor nem indul el. Ha adsz + feszültséget (például egy 40W-os izzón keresztül), akkor elindul a ketyere.
80-90 fordulat közé kell belőnöm a pörgetőt!
A pörgető tengelyén van egy 33,2 cm-es ékszíj tárcsa, Úgy nagyjából saccolni tudom, most a dinamó motor kb 1500-1600 lehet a fordulata, jelenlegi helyzetben kB akkora ékszíjtárcsa kellene a motorra, mint maga a tengely. Ezért kellene tudnom levenni a fordulatából, hogy legalább egy minimális falvastagsággal is de legyen egy 2,2cm-es tárcsa a motoron. A forgásirányt tökéletes lenne ha megtudnám oldani egy kapcsolóval.
Autó akkumulátor lesz a táp, és egy akku töltő, az a lényeg hogy ahol van 230v ott a töltőről megy, ahol nincs ott az autó akkumulátoráról.
Tehát ezért is fordultam hozzátok segítségért, mert mindenképp jó lenne ha tudnám módosítani a fordulatát.
Van egy másik pörgetőm, azon ugyanaz a 33,2 cm-es ékszíjtárcsa van, a villanymotoron 2,2cm, a villanymotor keverőtárcsás hajdú mosógépé, 1320 a motor fordulata, és így jön ki az a fordulat ami jó 80-90 közt.
Terhelve úgy néztem a dinamó motor fordulatát, hogy a motor tengelyére raktam (ami 1,5cm) az ékszíjat, és kézzel tartottam a motort feszítve az ékszíjat, de nagyon pörgette, úgy saccolom az 1500-1600 fordulatot.
Próbáltam az izzós verziót, sajna nem jó, mert gyorsabban forog, ha kiiktatom az izzót akkor csökken a fordulata direktben, próbáltam 2R2-vel (mert azt találtam) ugyan ez a helyzet, ha be van iktatva akkor gyorsabb a fordulata, ha kiiktatom csökken.
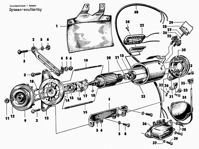
Erről a dinamóról van szó, csatoltam képeket.
Ha akkumlátor, akkor nem árt, ha nem pocsékoljuk az energiát.
A D+ és DF közötti feszültséget állandó értéken kell tartani, ha csökkented attól csak gyorsabban fog forogni a motor, meg tönkre is mehet ha nem figyelsz. D+ és D- közötti feszültség csökkentésével lehet csökkenteni a fordulatot, vagy valami szaggaóval (jó hatásfok), vagy előtétellenállással (rossz hatásfok). az viszont jólenne hogyha akkora áttétele lenne ami kb akkor a hogy a pörgető meg a motor is névleges fordulat környékén járhasson. A motor kapocsfeszültségének csökkentése, csökkenti a leadott teljesítményt is!
Olyannyira, hogy az NDK-s Fortschritt kombájnban ilyen dinamót használtak gyárilag szellőzőventillátorként.
Persze, hogy gyorsabb a fordulata, ha be van iktatva az ellenállás, mert akkor jobban van gerjesztve a motor.
Ezt nem jól tudod, ha a gerjesztőkörbe bármit beteszünk amitől a gerjesztés árama (D+, DF között folyó áram) csökken, úgy a főmező flukszusa is csökken, ettől a motor fordulata üresjárásban megnől.
Tehát az ellenállástól, stb... pont hogy kevésbé van gerjesztve.
"D+ és D- közötti feszültség csökkentésével lehet csökkenteni a fordulatot, vagy valami szaggaóval (jó hatásfok),"
Ehhez tudsz valami egyszerű kapcsolást? mod: a szaggatás érdekelne és az is érdekelne hogy ha kihozom a 4. kivezetést a motorból, akkor hogy tudom a forgásirányt változtatni? Mert ha úgy csinálom ahogy kadarist mondta akkor ugyan megfordul a forgásirány, de nincs nyomaték, és fordulat sem.
Ezt még egyszer, ha lehet! Ha nagyobb a gerjesztőáram, akkor jobban pörög a motor. Ez evidens. Dinamónál, ha nagyobb a gerjesztőáram, nagyobb a feszültség. Ha direktbe van kötve az állórésztekercs, akkor a legerősebb és legnagyobb fordulatú a motor.
Nem azt írtad, ha ellenállást iktatok a DF és a be táp pozitív közé akkor csökken, ill. ha autó izzót iktatok be?
Amit becsatoltam képet azon látható hogy van a dinamóban 2 db álló tekercs egymással szemben, és van a forgórész, melyhez kettő szénkefe csatlakozik a kommutátorhoz. Most a két álló tekercs a gerjesztés DF? És ez a két tekercs párhuzamba van kötve?
Nem ,ha több áramot folyatsz a DF-be, akkor nő a fordulatszám, ha kisebb ez a gerjesztőáram, akkor csökken. Direktben nem szokták a 12V-ot rákötni a DF-re, mert az pocsékolás lenne mivel nagyon melegítené a tekercset és további fordulatszám növekedést pedig nem okozna.
Gulyinak igaza van. Ha a gerjesztést csökkented,akkor a fordulatszám nőni fog,a nyomaték pedig csökken. A fordulatszámot a forgórészre jutó feszültség szabályozásával,pl. PWM szabályzóval lehet megoldani. De,mivel -gondolom-mézpergetőhöz kellene ez a "motor",először némi átalakítást kell elvégezni a dinamón. Ha ezt a dinamót motorként akarod üzemeltetni,akkor a kefehidat tedd először elforgathatóvá,hogy az optimális mezőmetszést be lehessen állítani,mert motorként máshol van az optimális helye mint dinamóként. A gerjesztőtekercs mindkét végét vezesd ki,hogy a neked megfelelő forgásirányhoz lehessen a kefehíd optimális helyzetét megkeresni.Az optimális helyzet megkeresése a következőképpen történik:
A megfelelő forgásirányba terhelés nélkül elindítod a motorként üzemelő dinamót,de a bekapcsolás előtt a forgórésszel sorba kell kötni egy Ampermérőt (pl. multiméter 10A állásban).Majd a forgó motor kefehídját addig állítgatod ,amíg az ampermérő a legkisebb áramfelvételt nem mutatja.Itt rögzíteni kell a kefehidat, ezzel kész a motor,ami lesz vagy 300W-os(pergetőhöz bőven elég). Ezután már csak a PWM szabályzó elkészítése lesz a feladat.
Ne haragudj hogy fárasztalak!
![]() Akkor én valamit nagyon félre értek egyfolytában. Ha a gerjesztőáramot csökkentjük (DF), lassul a fordulat, ezt írtad. Na most a gerjesztőáramba bekötöttem egy 2,2 ohmos 16w ellenállást, ezzel csökkentettem a gerjesztőáramot nem? A fordulat mégis nőtt! Mikor áthidaltam menet közben azt a 2,2 ohmos ellenállást, akkor visszacsökkent egy picit a motor fordulata. Mit csinálok rosszul? Azt nem tudod hogy általában az autó hűtőmotorjuknak mekkora lehet a fordulatuk?
Szia!
Itt egy link, ez megfelelő lehet a vezérlésre? Mert ez az elektronika rendelkezésemre áll. Link: http://hg4gfj.ceger.hu/KITT%20LEIR%C1SK%20PDF%20FORM/Motor%20fordulatsz%E1m%20szab%E1lyoz%F3.pdf
Jó, lehet, hogy gyorsabb lesz a motor kisebb gerjesztésnél, de az ereje csökken, ahogy mpisti is írja. Terhelés nélkül nem próbáltam még. Terhelve kellene kísérletezned, összerakva, A PWM lenne a legjobb megoldás a fordulatszám szabályozásra, de a megépítése komolyabb felkészültséget igényel. A ventilátormotorok nagyon gyengék.
Így kell ennek működnie!
Gondolom fékezésre nincs szükséged (visszatápláló fékezés is lehetséges, ha nagy a tehetetlen tömeg, akkor lehet értelme, gyorsabban megáll, meg az akkuba is visszamegy némi energia). egyenáramú villamos gép lakivilágába nem mennék bele, de ha csökken a fluxus, akkor az üresjárási fordulatszám nől!
Kicsit kiegészítve a fet meghajtását megfelel.
Idézet: „ha csökken a fluxus, akkor az üresjárási fordulatszám nől!” Köszönöm a pontosítást!
Nincs szükség fékezésre.
A fet meghajtását mivel kell kiegészítenem?
Mind a két kefehidat kell állítanom, vagy csak tetszőlegesen az egyiket?
Most jelenleg üresjáratban 4,7A vesz fel, ennek ellenére is állítsak a kefehídon?
TL környékét úgy kösd át, ahhogy a rajzra ráírtam, amelyik lábakról nincs szó, azok maradnak úgy ahhogy az általad linkelt rajzon van.
Amikor a TL 3mas lába 3-4V körül jár, akkor lesz maximális fordulat, kivezérelhető folytonos vezetésig. minimális fordulat az a 3mas láb = 0V nál lesz, ez sosem teljesen 0a, ezt vedd figyelembe (üresjárási fogyaszás, kúszás, ha ez baj akkor, meg lehet fordítani a logikát.) A 3mas láb feszültsége gyakorlatilag = az 1es lábéval. Mire lehet jó a hatos lábon lévő frekiállítás? (hátha van olyan freki ahol nam sípol nagyon? Én legalább 1-5KHz en járatnám). Forgásirányt váltani úgy tudsz, hogy felcseréled a D+D- kapcsolat, VAGY a DF+DF- kapcsokat, Ha mindkettőt cseréled, akkor ugyanarra fog forogni (DF egyik fele bent van elkötve a D+ra). T3 T4 Q1 minnél a nyákon közelebb, kevés kanyarral összekötendő, a pirossal kötött kondi minimális vezetősávhosszal kötendő rá a tranzisztorokra. A D dióda a motornál kb dupla tápfeszültségnyi zárófeszültségű Schottky, árama max annyi mint, ami a moroton átmegy. bocs a firkálásért, egy másik rajból paintoltam gyorsan. A gerjesztőtekercs 24V ot valószinű, hogy nem bír ki (még a 2 féltekercs soros párhuzamos kötésével talán lehet kicsit trükközni)
Mindkét kefének együtt kell mozognia,úgy keresd meg a semleges mezőt. A semleges mezőben elvileg csak akkora áram folyhat,ami a súrlódás leküzdéséhez, illetve a forgó tömeg mozgásban tartásához szükséges.
|
Bejelentkezés
Hirdetés |








