Fórum témák
» Több friss téma |
Fórum » Autóelektronika
Témaindító: sufni-tunning, idő: Ápr 19, 2008
Témakörök:
Szia!
Nekem a mellékelt képen lévő típusokhoz van rajzom. Üdv.: Feri
Üdv! Ez nekem is megvan, de ezen belül sehol nem találok rajzot. Lehet, hogy utólag lett beépítve valamelyik másik modellből.
Sziasztok!
Ehez a típusú riasztóhoz keresek bekötési segédletet kodinis raktas gn6 ,aki tud kérem segítsen. Előlre is köszönöm.
Sziasztok!
FIAT BRAVA kilóméteróra LCD kijelzőjének nincs háttér világítása gyárilag. Sötétben nem is látszik semmi...Valaki próbált már háttérvilágítást szerkeszteni ennél a típusnál? Vagy valakinek volna tapasztalata hogy egyáltalán lehet-e?! Nem akarom feleslegesen szétdíbolni az egész műszerfalat. Próbáltam volna egy bontottat venni hogy megnézzem a belét, de aranyáron adták és lemondtam róla. Ötlet?
Nézd meg ami otthon van. Szerintem egy LCD-re lehet valamilyen háttér világítást gyártani. Ha valami ok miatt mégsem, világítsd meg előröl.
Nehezen tudom elképzelni, hogy egy gyári LCD-kijelzőnek ne legyen gyárilag háttérvilágítása. (Még egy Fiatnál is
) Szerintem nézz szét mögötte, lennie kell ott egy izzónak.
Szia!
Van háttérvilágítása, s még csak szét sem kell szedni a műszeregységet! Mindössze ki kell szedni a helyéről és kicserélni két rízsszem izzót... Nem tudom merrefele lakik az autód, de ha elgurulsz felém egyszer, akkor szívesen segítek megoldani a problémát.
Szia! Nem ilyen műszerfal van beépítve? Vagy ez a Bravóé? Ennek van háttérvilágítása. Szerelési kézikönyve megvan? Műszerfal szétszedéséhez .... Ne ide rakjam fel laponként és nem is ide való téma.
Ha már itt tartunk (műszerfal), volna ezzel kapcsolatban egy kérdésem. A kollégám arra panaszkodott, hogy a gyújtás levétele után a műszerei (tank, hőfok), félállásban maradnak. Mi okozhatja ezt a hibát, mert nem volt lehetőségem belenézni az egység paneljába a sűrű használat miatt. Éppen ez a típusú műszerezettség van a kocsiban.
Sziasztok!
A témától eltérően volna egy kérdésem, amiben segítség kellene. Van egy Peugeot206-om eleinte nehezen indult, utána kezdte, hogy a tompított fényszóró magától ki be kapcsolgatott ill. keveredett az irányjelzővel. ... elkezdtem szétbontani a kormányoszlopot, hogy rápillanthassak, de sehogy sem bírok az irányjelzővel, nem tudja valaki hogy kell szétoperálni?? persze úgy hogy utána össze is tudjam rakni
Esetleg megpróbálhatnád egy Peugeot fórumon, ahova jó pár autó tulajdonos írogat. ----- KATT -----
üdv:atiotezer
Ahogy nézem A bekötés egy kicsit meg van keverve :
A piros a fix pozitív , ezt állandóan meg kell kapnia a fehér az egy kapcsolt pozitív , mondjuk a világítás kapcsolóról (amikor a világítás (tompított) be van kapcsolva akkor itt is + van Ha ki van kapcsolva akkor az égőn keresztül test és így záródik az áramkör .
A harmadik képet nézted az oldalon?
Vagy a gyújtáson keresztül. A színek meg a rajz szerit A piros+ a fekete Valami olyan fogyasztó ami gyújtás alatt +. A fénykép szerint viszont ez utóbbi sárga. :yes:
Ok. még próbálkozom, csak ilyen körbe pattintós burkolata van, 10 csavarhúzóval sem tudtam lefeszíteni, olyan sok van belőle...
másnem majd a hidegvágó megoldja . azért köszönöm.
Segítségre lenne szükségem.A kocsimban 55 Amperes akksi van ami egyik napról a másikra megadta magát. Pedig 3 éves Banner. Most akku vásárlás nem volt betervezve ezért azt kérdezném, hogy 75 Amperes akksi berakható-e az 55-ös helyett. A generátort elbírja a nagyobb töltőáram igényt?
Beteheted nyugodtan, ha van kéznél és befér. Ha veszel, akkor viszont felesleges nagyobbat venni. Meg kellene mérni a töltést illetve, hogy nem meríti-e le valami az akkut, mert ha valami probléma van, akkor az új akku is idő előtt tönkremegy.
Ha belefér, berakhatod. A generátor ugyanúgy fogja tölteni, mint az 55 Aó -sat, csak tovább kell tölteni, hogy feltöltött legyen. A töltőáramot a szabályzó állítja be.
Néztem persze, számomra az nem világos, hogy hogyan üzemelhet kettő pozitívról, negatív nélkül.
Ha úgy érted, hogy gyújtás alatt + ha leveszem negatív akkor már világos.
Köszönöm. Ma mértem 200mA fogyasztás van. Van 75-ös akksim csak a hely szűkös, de meg oldom.
Szia! Rég nem hallottam felőled! Köszönöm a megnyugtató választ. Holnap berakom.
200mA az nagyon sok. Az napi majdnem 5Ah töltésmennyiség. Mi fogyaszt ennyit?
Sziasztok,
Peugeot 307 ügyben szeretnék egy kis segítséget: - hol található a tolatólámpa kapcsolója? (az izzó jó, viszont nem világít) - kormányszervó csak 1m gurulás után működik, a szerelő szerint nem javítható ![]() Ha valakinek van ötlete szívesen veszem.
A tolató lámpa kapcsoló a váltó blokkján lesz.
Olaj,"szíj", szimeringek stb gondolom rendeben vannak a kormányon. Olyan hogy nem javítható nem létezik, csak akarni kell!
A blokkon pontosan merre felé?
![]() Gondolom, hogy javítható, csak fakezű a szerelő. Gondoltam, hogy hátha már más is találkozott ilyennel.
Keress drótot, ami a váltóhoz megy, és ott lesz a kapcsolója.
Fixen 1m gurulás kell neki? Vagy ha álló helyzetben gázt adsz, akkor is beindul a szervó?
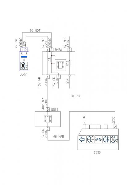
Szia! Bármelyik motort nézve, a tolató kapcsoló azon a helyen kell legyen, ahol az ábra mutatja. A bekötése is mellékelve. A szervót is megnézzem? Ahhoz kellene motorkód is.
|
Bejelentkezés
Hirdetés |






) Szerintem nézz szét mögötte, lennie kell ott egy izzónak. 
másnem majd a hidegvágó megoldja 

