Fórum témák

» Több friss téma
Fórum » Léptetőmotorok (vezérlése)
Lapozás: OK   65 / 166
(#) bazs válasza lazsi hozzászólására (») Márc 29, 2011 /
 
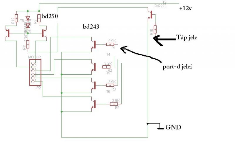
A 12V-os pozitív feszültséget egy db250-es tranzisztor kapcsolja amit egy egyszerű bc182-es trnyó hajt meg.

a Pickel a földet 4db bd243-as tranzisztorral adom neki.

De megpróbálom megkeresni a rajzom hozzá.
(#) bazs válasza lazsi hozzászólására (») Márc 29, 2011 /
 
Megvan

moto.JPG
    
(#) lazsi válasza bazs hozzászólására (») Márc 29, 2011 /
 
Így ránézésre a 3.9kOhm -os ellenállások kicsit nagynak tűnnek. Nagyjából 1mA-es bázisáram lehet, hogy nem elég ahhoz, hogy rendesen kinyissa a tranzisztorokat...
Próbáld meg 1kOhm, vagy ha az sem elég, akkor 470 Ohm értékkel. (Ez így 5-10mA-es bázisáramot jelent, a PIC biztosan bír ekkora áramot, a tranzisztornál pedig 200-300mA-es kollektoráramot okoz, ami már elég lehet.)
(#) bazs hozzászólása Márc 29, 2011 /
 
Rendben köszönöm gyorsan ki is próbálom és jelentkezem
(#) bazs válasza lazsi hozzászólására (») Márc 29, 2011 /
 
sajnos így sem jó és nem tudom mi a probléma.

Megpróbáltam azt a ledes megoldást is amit javasoltál és ha nincs rákötve a motor akkor szépen sorrendben felvillannak a ledek de ha rákötöm akkor csak 2db led villog
(#) bazs válasza lazsi hozzászólására (») Márc 29, 2011 /
 
szerintem valami program hiba lehet de az istenért sem tudom, hogy mi lehet a baj
(#) bodgabo válasza bazs hozzászólására (») Márc 29, 2011 /
 
Idézet:
„ha nincs rákötve a motor akkor szépen sorrendben felvillannak a ledek de ha rákötöm akkor csak 2db led villog”

Én ebből arra következtetnék, hogy a másik két kimenet (amiken nem villognak a ledek) rövidre lett zárva valamivel, és ezért nem villognak.
(#) lazsi válasza bazs hozzászólására (») Márc 30, 2011 /
 
Idézet:
„Megpróbáltam azt a ledes megoldást is amit javasoltál és ha nincs rákötve a motor akkor szépen sorrendben felvillannak a ledek...”


Ezek szerint egészen biztos, hogy nem programhiba.

Bár szerintem is úgy logikus, hogy mindkét résznél a fekete a közös, de érdemes lenne Ohmmérővel is kimérni a tekercseket. Ha rövidzár lenne, akkor az kiderülne. (A motor típusától függően néhány Ohm ... néhány x 10 Ohm lehet.)

Ha felcseréled a motor vezetékeit (nem a közös feketéket, hanem a többit), akkor változik az, hogy melyik LED villog és melyik nem? (Nyilván, akkor nem fog forogni a motor, de a hibajavításhoz jól jöhet)
Ha a hiba (nem villog a LED) marad ugyanott, akkor a motorban van a hiba, ha változik a helye, akkor a vezérlésnél, meghajtó tranzisztoroknál.

Egyébként a két fekete vezetéket össze is kötheted szerintem, és akkor a 2 BD250-es helyett elég lenne egy is. Ha ezt megteszed, akkor változik a működése?
A LED-ek közös pontját hova kötötted? +5V-ra, +12V-ra, vagy a BD250-esek kollektorára? Lehet, hogy a tranzisztorok (250-esek) közül csak az egyik működik. Önmagában a LED-hez még elég áramot ad, de ha a motor tekercsét is rákötöd, akkor már a LED-hez sem elég.
(#) gulasoft válasza lazsi hozzászólására (») Márc 30, 2011 /
 
Ha két ugyan olyan tipusú nyomtatóból lett bontva és két ugyan olyan motor, akkor azonos a bekötése.
Legjobb egyébként ha a vezérlőt is bontod, és az adatlapból kinézed hogy van bekötve a motor, mert pl az epson tele van minebea motorokkal, de teljesen más a bekötése mint a szabvány minebea, és infót nem is adnak ki róla, merthogy azt az epsonnak gyártották, így üzleti titok. Ha megvan a vezérlőpanel, akkor kenhetik a ha hajukra az üzleti titkot, én is onnan néztem ki két bontott motor bekötését. (Miután elfüstöltem egy 2000Ft-os tb6560-at)
(#) sunraw hozzászólása Ápr 1, 2011 /
 
Sziasztok!

Egy ilyenre érdemes beruházni?
(#) gulasoft válasza sunraw hozzászólására (») Ápr 1, 2011 /
 
Nekem ilyenem van több mint egy éve. Nézz körül a vaterán, vagy keress másik eladót 11000 ft körül van az ára. Vannak hiányosságai. 1.5A-3A-es motorokhoz jó, nekm nagyon bevált, de van aki szídja
5 hetet vŕrhatsz rá, nekem 3 ilyen jön, ebből egy 6 hete. Vagy megfizeted az azonnali árat, az szokott 15-16000 körül lenni.
Ez is azért annyi mert az eu-ban van, 4 nap alatt nálad lehet.
(#) sunraw válasza gulasoft hozzászólására (») Ápr 1, 2011 /
 
12-re mondták postával, 2-3 hét. Akkor érdemes.
(#) albinolynx hozzászólása Ápr 7, 2011 /
 
Sziasztok,

egy TB6560-as ic-re épülő kínai vezérlőt szeretnék beüzemelni:

http://www.hydroponicsonline.com/store/img-hydroponics/3-axis-tb656...26.jpg

A problémám 99%-os valószínűséggel abból adódik, hogy a dos-os turbocnc programmal hajtanám. Nem sikerül működésre bírnom. Mach3-nál a tengelyeknél van egy "enable" kapcsoló, amit én turbocnc alatt nem találok.
A jelenség egyébként a következő: motortengely áll, kézzel óvatosan tekerve érződik, hogy "fogja" a vezérlő. Tehát nem teljesen halott a dolog, csak valami nem frankó.
A másik problémám, hogy a software problémára nem tudok fényt deríteni, mert se közel, se távol olyan konfiguráció amin lenne még lpt port és elfutna rajta a mach3. Nevetséges, tudom, de ez van. Laptopok, miniITX gépek, htpc-k.

Használ valamelyikőtök turbocnc-vel ilyen vezérlőt? Mi a titka az egésznek?
(#) kulzol60 válasza albinolynx hozzászólására (») Ápr 7, 2011 /
 
Szia

Ha jol tudom az enab bemenet ha nincs bekötve akkor aktiv ( tehát forogni kell a motornak ) .Semmi hangja nincs mikor probálsz léptetni ?

Olyan konfig elég ahová az XP-t vagy a Win2000-et fel lehet telepiteni ( nekem a CNC sima P III van 800Mhz procival és 512Mb memoriával , határ eset de már két éve igy használom és semmi más nincs a gépen csak a Mach3 és persze az Xp ).

Van egy másik nagyon jol használhato DOS-os vezérlö A CncGraf és a Dos-os ingyenes .Talán érdemes lenne kiprobálni ( probáltam de a Dos driver hiányosságai miatt áttértem a Mach3-ra ).
(#) gulasoft válasza kulzol60 hozzászólására (») Ápr 7, 2011 /
 
Szerintem is ha fogja a motort, akkor van enable, különben nem fogná a motort sem.
(#) H2opok hozzászólása Ápr 7, 2011 /
 
Üdv
1 kis segítség kellene. Van 2db DYNASYN 2SHG-055A 56S (5.5V 8.5ohm és 5ohm , 1.8/step) 4 kivezetéses léptető motorom. Nem igazán értek ezekhez a dolgokhoz, ezért is kérdeznék tőletek.
Olyan elektronika kellene hozzá, -ha lehet- amin 1 potméterrel lehetne állítani a fordulatot és az előre -hátra forgásirányt.
Ezt a most készülő robotban szeretném használni, 1 bizonyos funkciót látna el. A potit 1 szevó mozgatná. Ha lenne ilyen, megspórolnék 1 Rc motor + elektronikát.
Előre is köszi.
(#) kulzol60 válasza H2opok hozzászólására (») Ápr 7, 2011 /
 
Szia

Ezt nem értem .

Bipoláris léptetömotorod van , ezeket külön step és külön dir inpulzusokkal kell meghajtani .
A fordulat megoldhato egy sima 555-el is de a dir kicsit bonyolultabb ( egy potméterröl ) .
(#) kulzol60 válasza kulzol60 hozzászólására (») Ápr 7, 2011 /
 
Ja és még valami , ehez is kell egy léptetö vezérlö elektronika ( bipoláris ) .

Az Arduido lenne a Te infod .
(#) gulasoft válasza H2opok hozzászólására (») Ápr 7, 2011 /
 
Ilyenre pont jó a minibee, mert az elég kicsi, de az irányváltás az nehezebb eset. Egy pici pic kéne amin az analóg bemenen olvasná a potit, közép éllásban bizonyos tartományon belül áll a motor, azután ha nagyobb irányban tekered beállítja az irányt, minél nagyobb az ellenállás annál gyorsabban osztaná a jeleket a minibee-nek, ha meg a kisebb ellenállás felé tekered, akkor minél kisebb az ellenállás annál gyorsabban osztaná a jeleket minibeenek és persze ellenkező irányban billentené az irány jelet.
Keress a poic-ek között egy minél kisebbet amiben van analóg bemenet, nem baj ha smd, és beépített oszcija van, mert akkor ez a rész akár kisebb is lehet mint a minibee.
(#) gulasoft válasza H2opok hozzászólására (») Ápr 7, 2011 /
 
Ja és persze sokat nem spórolsz mert a minibee is 6000 forint körül van, és sebességben annyit nem tud egy léptető, mint egy rc motor.
(#) kulzol60 válasza gulasoft hozzászólására (») Ápr 7, 2011 /
 
Lehet hogy nem jo ez a megoldás mert a poti miatt csak teljes lassitás után tudna irányt váltani ( egyébbként egy résoptoval megoldhato lenne a dolog ) .
(#) gulasoft válasza kulzol60 hozzászólására (») Ápr 7, 2011 /
 
Tényleg a résoptóval honnan tudja merre forog? Az egerekben is ilyen volt régen, de már akkor sem tudtam honnan tudja merre forog.
A teljes lassítás utáni irányváltás egyébként nem rossz, nem veri szét a szerkezetet. Egyébiránt meg az is kérdés mennyi idő alatt fordítja át, a 0 ponton, lehet hogy olyan gyors, hogy észre sem veszi a vezérlés, hogy lassítani kell, vagy olyan gyors, hogy te nem veszed észre, hogy lassított mielőtt megfordult.
(#) kulzol60 válasza gulasoft hozzászólására (») Ápr 7, 2011 /
 
Ha mindig le lassit akkor nem tud brékelni ( biztos rosszul irtam ) .

Hát onnan tugyja hogy ha lét az opto akkor eggyik irány ha meg nem lát az opto akkor másik irány .

A potméter félmozgásában egy lap az optoban van a másik félmozgásában meg nincs ott semmi ( H = dir balra L= dir jobbra ) .
(#) gulasoft válasza kulzol60 hozzászólására (») Ápr 7, 2011 /
 
Halljak meg ha értem. Ha nem lát honnan tudja hogy mennyivel forog? Hogy állítod így a sebességet?
(#) albinolynx válasza kulzol60 hozzászólására (») Ápr 7, 2011 /
 
Nem ad semmi hangot, ha próbálom léptetni.
Egy p2, 64MB ram gép van, ez is laptop. Az erősebb gépeken meg nincs már lpt port. Kérdeztem pcimcia, express card lpt port kártyáról, az sincs senkinek sem.

Estére ígértek valami kölcsön laptopot, remélem.
(#) albinolynx válasza gulasoft hozzászólására (») Ápr 7, 2011 /
 
Most azt csinálom egyelőre gép hiányában, hogy rámérek szkóppal az lpt kimenetekre. Mit mutat a step/dir és az enable lábakon. Legalább tudom, hogy hol lesz a hiba.
Ha csak a pc-n, akkor egy 555-ös generátorral simán meghajtom a motort majd, a program része meg alakul.
(#) lazsi válasza gulasoft hozzászólására (») Ápr 7, 2011 /
 
A két opto el van tolva egymáshoz képest egy fél lépésnyit.
_ = L szint ~ = H szint
A _~~__~~__~~__
B __~~__~~__~~_
Amikor az egyiknél élváltozás van, a másik szintjét kell nézni.
Előre irány, ha A / miközben B _ vagy A \ miközben B ~
Előre irány, ha B / miközben A ~ vagy B \ miközben A_

Hátra irány, ha A / miközben B~ vagy A \ miközben B_
Hátra irány, ha B / miközben A _ vagy B \ miközben A~
(#) gulasoft válasza albinolynx hozzászólására (») Ápr 7, 2011 /
 
Keress bontóban valami használt gépet.
(#) gulasoft válasza lazsi hozzászólására (») Ápr 7, 2011 /
 
Köszi!
Gondoltam, hogy nem olyan egyszerű, és persze számolni kell a lépések számát hogy mérni lehessen a sebességet.
(#) albinolynx válasza gulasoft hozzászólására (») Ápr 7, 2011 /
 
Ez is egy megoldás, de minek költsek rá, ha be lehet állítani a mostanit is?

Megtaláltam turbocnc alatt az "enable" részt:
Configure - Configure IO lines - I/O Points ablakon belül
drive enable 1 (out)
drive enable 2 (out)
drive enable 3 (out)

Itt kell engedélyezni és beállítani a pin számot. Működik szépen a vezérlő, a motorok. Kár lett volna, ha nem lehet használni a programmal, nagyon nagy kár.
Következő: »»   65 / 166
Bejelentkezés

Belépés

Hirdetés
XDT.hu
Az oldalon sütiket használunk a helyes működéshez. Bővebb információt az adatvédelmi szabályzatban olvashatsz. Megértettem