Fórum témák
» Több friss téma |
Hello!!
Nézz körbe ebbe a topikba, találsz nyákrajzokat. De ha gondolod, én ajánlhatok nyákrajzot ami alapján én is készítettem. 2x25W TDA1554Q-val Erről az oldalról le tudsz tölteni mindent dokumentációt, ami a nyák elkészítéséhez szükséges. Sok sikert a munkához.
sziasztok!
azt szeretném megkérdezni hogy 1 pc tápjára (300w) hány darab ilyen (tda1554q) erősítőt lehet kötni? én 4db-t szeretnék + 2 sub filtert rákötni a fent említett tápra szerintetek megoldható?
Hali!
Attól függ, mennyire akarod hajtani, mennyire terheled, de szerintem elbírja.
Üdv!
Építettem egy tda1554q erősítőt. Szeretném bedobozolni,de csak 300VA/12v trafóm van ami hatalmas. Találtam itthon egy laptop tápot 18,5V/65w. Gyári (vmax 18) Nem tudom h elbírná-e még ezt a feszültséget, mi a tapasztalatok vele ? hogy tudnám megoldani hogy 1-2 V-al visszább vegyem
Hello!!
A feszültség csökkentésének többféle változata lehet jelen esetben. De szerintem a legegyszerűbb megoldás ha kb. 4db "combosabb" diódát sorba kötsz, vagy amennyit csökenteni akarsz a feszültségen. Szílicum dióda megközelítőleg 0,6V- nál nyit ki, tehát kb. diódánként 0,6V-os feszültségeséssel számolj. Egyébként az IC kíbírja a 18V-ot én már probáltam, de szerintem, azér ennyire nem kellene a határon használni. Én 15-16V- nál többet nem szoktam neki adni. De szerintem azért a teljes kivezérléshez nem biztos, hogy elegendő lenne 65W-os táp. Még egy megoldás lenne például a zéner diódás feszültség stabilizálás, tehát többféle megoldás van. De én ajánlom a Zéner diódás feszültség stabilizátort. Az biztosan jó megoldás lesz. Ha 16V-os zénert raksz be, akkor kb. 15,5V-os kimeneti feszültséget kapsz, amit az IC szeret. Tranzisztorból válassz olyat ami mondjuk kb. 5A-t tud. A tranzisztornak adsz hűtőbordát és máris kész vagy. A két szélső kondenzátor elhagyható. Sok sikert hozzá. Üdv.: Kistotti
Vagy ha szét akarod szedni a lapotoptápot, akkor egy ellenállást kell csak cserélni a visszacsatolásban, és így átverve a vezérlést 16V-ot ad majd le 18V helyett. Vagy el is disszipálhatod a felesleget, 2-3V pár Amper mellett nem sokat fűt.
Sziasztok!
Adott 3db tda1554q egy dobozba építve, számítógéphez 6 csatornás erősítő. Azt szeretném megoldani hogy mind a 6 csatorna hangerejét egy potméterrel szabályozhassam. Szerintetek eléjük rakva pár TDA 1524 A vagy LM 1036 N melyikkel próbálkozzak, vagy tudtok e jobb megoldást a dologra, mit javasoltok?
Udv.A C5 kondinak melyik a - oldala?
Kosz
Hello!!
Az egy polarizálatlan 100nF-os kerámia kondenzátor. Tehát mindegy hogyan teszed bele.
A c5 helyett lehet folia kondi 100nf?Ja es nekem be rajzolod a negativ tapfeszt legyszives..Koszi szepen.
Udv.Csaba
Hello!!
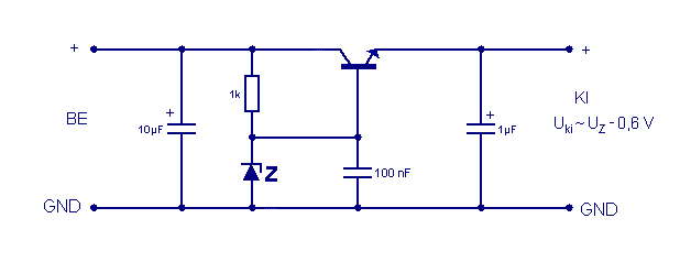
Tehetsz bele fólia kondit is nyugodtan. Ha ragaszkodsz ehhez a kapcsolási rajzhoz, akkor berajzoltam neked a negatív tápfesz bekötési pontját. (0V-al jelöltem) De ha gondolod, linkelek neked egy mükődőképes nyáktervet hozzá, az számodra is biztosan érthető lesz. Kapcsolási rajzzal és megfelelő dokumentációval van ellátva. Amit belinkelek abból én már több darabot készítettem, és garantáltan tökéletesen müködik. Én már lassan másfél éve "kínzom" a mühelyben ha valamit alkotok. Semmi gondja azóta sem. Egyszóval tökéletes. Ime Pedro nyákterve (az oldalról le tudod tölteni):végfok 2 x 25 W TDA1554Q-val
Így van.
Koszi nagyon szepen meg epitettem es frankon mukodik
S nekem be rajzolnad vagy is hogy hova kossem be a potenciometer?
Hello!
A melléekt rajzon látható a poti bekötése. Sztereo poti esetén 2 sor van (2x3 csatlakozó) ott 2x végzed el a rajzon látható műveletet. A bemeneti jel amivel meghajtod az erősítőt (számítógép, telefon stb...) az szimbolizálja a "BE" felírat, a "KI" pedig megy az erősítő bemenetére. A föld pedig a jel negatívja. Ezzel az eljárással a bemeneti jel leosztása történik. Ha nem egyértelmű kérdezz nyugodtan.
Szia,esetleg nekem be rajzolnad a stereo poti bekoteset?Nagyon rendes vagy
![]() Udv.Csaba
Hello!!
Megcsinálom, csak linkelj egy kapcsolási rajzot, hogy melyiket építetted.
Ha azt a kapcsolsát építetted, amít belinkeltem (Pedro féle), akkor hamar, gyorsan összedobtam egy bekötési rajzot. Stereo potival és RCA aljzatok felhasználásával. Remélem azért nagyjából érthetőre sikeredett a rajz.
Üdv mindenki!
Azzal a kérdéssel fordulok hozzátok, hogy mi baja lehet az erősítőmnek? Véletlenül fordítva kötöttem be a pc- tápomra az erősítőt, de ezt hamar észleltem(kb 5mp mulva). Gondolom ez a 3db 2200µF-os kondiknak se kedvezett, de nem tudom hogy az ic-nek lett e vmi baja vagy csak a kondik miatt nem szól és csak melegszik az ic?
Egy pufferkondenzátor felrobban, vagy legalább is szétnyílik amikor fordított polaritástól megy tönkre. Kizárásos alapon is az IC a rossz.
Ha a kondik kipuposodtak, kiszélesedtek, esetleg elrobbantak, akkor sajnos azok is tönkremntek. De 5s az nem olyan sok idő, tehát, ha nincs a kondikon külsérelmi nyom, akkor nyugodtan használhatod őket. Az a 3db 2200ľF-os kondinak akkor van szerepe, ha pl. aksiról hajtod. Ha trafóról hajtod, akkor úgyis van pufferelve a táprész egyenírányítás után, akkor elegendő 1 db 2200ľF-os kondi. Az IC, az 100%, hogy feladta a küzdelemt. :peace:
akor megint vehetek egy ilyen drága ic-t:S a tda 1558 jó ebbe az áramkörbe?
Megfelelő helyette. Bár ahogy néztem árba nincs jelentős eltérés a 2 IC között.
Megakarom építeni ehhez az erősítőhöz a linkelt kapcsolást, mert 19voltos trafóm van. BD250-et vettem BD246 helyett. Meg ellenállás 0,1 ohm lett a 0,02 helyett az jó lesz szerintetek hozzá? Köszi.
Hello!
A BD 250 tranzisztor az tökéletes lesz erre a célra. De viszont az ellenállás az nem. 0,1Ω-nál kisebbet probálj meg beszerezni. Nem egyszerű, de nem is lehetetlen. :yes: Ha marad a 0,1Ω, akkor nem tudsz egészen 8A-t "kivenni" az áramkörből, hanem megközelítőleg max. 6-7A körüli áramerősség lesz elérhető.
Hát nem tudom, szerintem annyi is elég lenne a a tda7374-nek mert végül az lesz. Az a baj, hogy nyíregyházán vettem alkatrészt, és ott az volt a legkisebb.
Hello!
A TDA 7374-nek teljesen jó lesz az az alaktrész összeállítás.
Hát azért választottam ezt mert ez volt itthon.
Reméljük jó lesz az ellenállás. Szerintem elég az a 6-7 amper. |
Bejelentkezés
Hirdetés |







Ime Pedro nyákterve (az oldalról le tudod tölteni):
S nekem be rajzolnad vagy is hogy hova kossem be a potenciometer?







