Fórum témák
» Több friss téma |
Hali Mindenkinek!
Átalakítottam egy pedálos gokartot elektromosra a kislányomnak.A mechanikai résszel nincs gond mert az már készen van.Rajta van a motor is (ablaktörlő motor) szépen megy előre is és hátra is de csak vezeték cserélgetéssel a 12 V-os aksin. A kérdésem:Hogy lehetne megoldani legegyszerűbben és persze legolcsóbban megcsinálni hogy egy kapcsolóval tudjon irányt váltani?Van egy kibuherált centrifuga kapcsolóm.4 kivezetése van és két külön nyomógombja.Ezzel szeretném összehozni de nem jövök rá a titokra.Próbáltam diódahidat csinálni működött is de a kapcsolóra már nem bírtam összehozni.Valakinek van-e valami egyszerű ötlete?Gondoltam már egy egyszerű csuszkára is és ha nem lesz jó megoldás akkor eszkábálok egyet. Köszi!
Mert olyan kétáramkörös háromállású (1 - 0 - 2) kapcsoló kellene. De megoldhatod két morse kapcsolós autósrelével, a tekercsek párhuzamosan, egyszerű ki - be kapcsolóval kapcsolva, meghúzva hátramenet, elengedve előremenet. A morse két mozgó érinkezőjére, közösére a motort teszed, a megfelelő álló érintkezőket keresztbe kötöd.
Jó megoldások csak egy gond van pedálosra akarom hogy a 2,5 éves lányom tudja irányítani.
A relés kapcsolás attól még jó, az irányváltó kapcsolót pedig, mint sebváltókart lehet kivitelezni (előre nyomod előre megy, hátrahúzod hátra megy). A pedállal pedig sebességet lehetne szabályozni, ehhez továbbiakat a DC motor fordulatszám szabályozása topikban találhatsz. Csak a szabályozó potméter és a pedál mechanikai összekötését kell megoldani. A fékpedál, ha szükséges, akkor egy relével leválasztja a motort, és rövidre zárja. Elég drasztikus, ha finomabban akarod, akkor több 2, - 3 lépcsőben ellenállásokkal zárod rövidre. Ha a hajtás áttétel elég nagy akkor talán fékezni sem kell.
Fékezni tuti nem kell, az ablaktörlőmotor csigával hajt...
Hát az biz rögtön megáll ha lekapcsolod a motort.
A megoldás nagyon egyszerű, csinálsz egy pedált ami egy függőleges tengelyen billen jobbra vagy balra. A pedál mögött van két rugó ami középen tartja a pedált.
A rugók mellett van egy egy két áramkörös kapcsoló(lehet az a centrifuga kapcsoló is). A kapcsolókat úgy kell bekötni hogy felcserélje a motorhoz menő vezetékeket ami azt eredményezi, hogy a pedál egyik oldalának a megnyomására megy előre a másik oldal megnyomásakor pedig megy hátra. Így működik több targoncának az irányváltása. Amennyiben laikus vagy és nem érthető úgy lerajzolom a pedál és a kapcsolók bekötésének a rajzát is. Üdv
Pont ilyenre gondolok én is.Szabályzás nem kell mert kb 4-5 km/h sebességgel megy a kis járgány.Én is ilyen két oldalas pedálra gondoltam.Már közelítünk a nekem megfelelő megoldáshoz.
Köszönöm!
Találtam egy billenőkapcsolót.Középre rátettem a + és - ágat.Két oldalra pedig felcserélve a motor vezetékét.Tökéletes.Csak egy gond van.6 V 0,8 A-es a kapcsoló.Nem tudom meddig fogja bírni.
Üdv!
Ezért ajánlottam az autós reléket. Jól bírják az áramot, 30 A -t is
Van itthon 12/230 V relé,azzal is próbáltam.De hogy lehet összehozni a 2 relét hogy az aksit ne zárja rövidre?Már próbáltam mindenhogy de valahogy nem jön össze.
Köszönöm a segítséget.Ez kivitelezhetőnek tűnik.Remélem meg is tudom csinálni.Most egyenlőre egy régi akkus fúró irányváltóját raktam rá.A 3 állású kapcsolót levettem róla hátha jó lesz még valahova.Ez a kapcsoló 24 V-os fúróból van és nem érzem hogy melegedne.Egy darabig ez lesz amíg az utóbbi rajzot össze nem rakom.
Üdv!
Nem egészen értem ezt a 12/230V-ot, mert amennyiben ez a relé 230 voltos akkor ebben a kapcsolásban ezt nem tudod használni semmire.Neked mindenképp 12 voltos relékre van szükséged. Azt is meg lehet oldani, hogy a billenő pedál alá mikrokapcsolókat raksz ami már lehet egy áramkörös is és ezzel vezérled a reléket de a reléknek legyen legalább 3pár érintkezője mert akkor a harmadik párral akadályozom meg, hogy egyszerre ne tudjon a két relé bekapcsolni, vagyis reteszelem őket.
Igen ez a kapcsolás így már tökéletes és két pár érintkezővel is megvan a reteszelés.
Sziasztok!
Leegyszerűsítettem a megadott rajzot. Megoldható 2db autós relével. Alaphelyzetben a motor mindkét pólusa testen van,ez a motorfékes állapot. Az előre vagy hátra gombot működtetve,a motor egyik vagy a másik pólusa kap pozitív tápot,így a forgása mindkét irányba megoldott. Ha mindkét gomb bekapcsol,akkor a motor mindkét kivezetése pozitív tápot kap,ami a motorfékes állapotot,tehát zárlat nincs.
Úgy 12/230 hogy 12 V-al lehet meghúzni és max 230 V-ig lehet rátenni cuccokat.
Ha már gokart, legyen kövér !
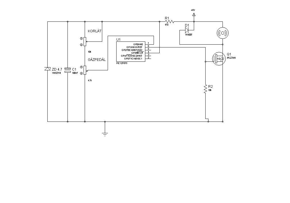
Illetve kapcsolókkal történő indítás kövér gázt eredményez. (kipörög a kerék) Pár alkatrész segítségével megoldható a lágy indítás, illetve a gázpedál. Egy 12F675-ös IC-be egy PWM programot égetve a potméter (gáz) analóg jel fügvényében gyorsítható a jármű. Megfelelő programmal egy nyomógombbal is elérhető a fokozatos gyorsítás, mert a PWM jel kitöltési tényezőjét fokozatos növelésre állítjuk be. Egy háromkerekű kismotornál próbálgatom a ketyerét, ezért a forgásirányváltást kihagytam. A szabad kimenetek kezelhetik az előre-hátra nyomógombokat és a két relét. A korlát potméter szerepe a gyerek életkorához igazodó sebesség, illetve lehetőség arra, 6 Voltos motort 12 Voltról is üzemeltethessünk.
Ez nagyon korrekt kütyü.Már csak egy gond van.Nincs PIC égetőm és nem is tudok programozni.
jelen esetben ott van egy sima 555-ös IC ezzel meg is van oldva minden. A barátod a Google kidob egy csomó találatot.
Sokkal egyszerűbb megoldás egy kiselejtezett akkus fúró elektronikája.
555 IC-vel mit lehet megoldani?Az nekem járhatóbb lenne mint a PIC.
Minden probléma megoldására 1000 lehetőség van.
Én csak felvetettem egyet, mert a 8 lábú PIC-kekkel, igény szerinti programokkal játszogathatunk. Hobby, játék, próbálgatások - ezért vagyunk ezen a fórumon.
Szia!
Tennél pár képet fel a gokartról, és az átalakításról? Egy eladó gokartot én is láttam, és ezt mst olvasva érdeklődöm a dolgo iránt.
Zolikának igaza van, az akkus fúró vezérlése tökéletesen felhasználható. Csak a csúszópotméter kell kivezetni.
Azért én még is a PIC-kes dolognál maradtam. A háromkerekű motornál tökéletes. Lehet, hogy váltok 16f690-re és több extra funkciót beépíthetek. A jelenlegi "delux" változatnál a dip kapcsolókkal, vagy jumperrel 8 üzemmód választható. lassú-gyors felfutás , kis-nagy sebesség, pedál jeladó - csak nyomógomb stb.
Csináltam egy pár képet.
Egy otlet hogy ne keljen aksi., anelkul hogy a kocsihoz nyulnal le tudod alitani (kikapcsolod az aramot)... meghatarozot helyen engeded autozni a gyereket
A motor1 járgányba beépítettem a felfutó pwm-es vezérlésemet. A kis járgány szép lassan indul és felfut a maximálisra beállított sebességre.
Sajnos a 2.5 éves unokám fél tőle. Nem adom fel ! Az egyik T. gazdaságos áruházban, vettem egy 102_gokartot. 14 ezerről jelenleg le van értékelve 6990 Ft-ra. Nem tudtam ellenállni, mert az alját nézegetve, beindult az agyam. Az "autó átalakítás.png" szerint fogom átalakítani, de még várnom kell 1 évet. (amíg nem fél tőle) Gyereknapra pedálosan kapja, de az átalakításhoz mindenem meg van. Szerintem bármilyen ócska játékautó hasonlóan átalakítható.
Hello!
Szerintetek milyen (mekkora W) motor kellene egy E-gocart építéshez ? Én egy 48 V 1000W-os motort néztem ki de miután utánna néztem a motornak videókon hat sajna nagyot csalódtam benne előre is köszönöm a válaszokat !(sorry ha nem jó témába irtám de ez tűnt ideálisnak) |
Bejelentkezés
Hirdetés |














előre is köszönöm a válaszokat !(sorry ha nem jó témába irtám de ez tűnt ideálisnak) 