Fórum témák
» Több friss téma |
Fórum » TV hiba, mi a megoldás?
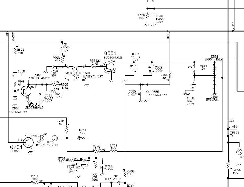
Szia Stevepapa! Valahogy nem akar előkerülni az a kondi ami gyilkolja a sortranyót. De hibás alkatrészt sem találok a környéken. Csatolok egy képet a sortranyó környékéről. Szerintem ránézésre tudni fogod melyik a rossz
Köszönöm előre is a választ.
Szia!
Az említett " holmi " a tranyó kollektora és a test között van általában. Tehát egy olyan kondit keress ami a kollektorra csatlakozik és 1500v körüli 6,8-11nf értékű. Úgy kezd el javítani, hogy vedd ki a tranyót, a kollektor és a test közé köss egy 60W-s izzót. Kb fél fénnyel kell égnie, de mérd meg mekkora feszültség van az izzón. A rajzán megtalálod, lényeges !!! Ha jó a feszültség, a diódákat cseréld. Lehet jónak méred, de visszáramot is kellene mérni így egyszerűbb cserélni. Valamint nem szabad elfelejteni magát a sortrafót, aminek zárlata szintén az említett hibát okozhatja. A képen ha jól látom a kék színű kondik közül a nagyobb, a gyanúsított.
Nagyon szépen köszönöm a részletes segítséget. Holnap meló után neki állok újra. Remélem sikerül megcsinálni, mert nagyon jó tv volt amikor még működött
További szép estét!
Szia!
Most tudtam csak neki állni a tv-nek. Égőm nincs itthon majd holnap tudok venni. Viszont kiszedtem a tegnap említett kondit nagyon nincs jó állapotban. A tranzisztor lábai be vannak jelölve: B,C,E. B-E között zárlatot mérek. Kivan forrasztva a tranzisztor úgy mérem a zárlatot. Gondolom ez nem a legnormálisabb dolog
Szia
Mit mértél pontosan? A bázis emitter között szokott lenni egy beépített ellenállás, 25-50 ohm között. Ha kisebb " ellenállást " mérsz akkor rossz. De mindenképpen érdemes cserélni.
A Bázis és az emitter között zárlatot jelez a multiméter. Az ellenállás 42-45 körül mértem, most pontosan nem emlékszem, de kicserélem azt az ellenállást akkor biztos ami biztos.
Félreértettél, az az ellenállás a tranyóban van amiről írtam!! Tehát a bázis emitter közé egy ellenállást szoktak integrálni. De ebben nincs !!, cseréld ki.
Tényleg félreértettelek, de most már értem
![]() Köszönöm a választ.
Sziasztok!
A szüleimnek van egy csodálatos Techwood T2833 -as televíziója. Azt csinálja, hogy bekapcsolás után pár másodperccel elkezdi önállóan levenni a hangot, minden beavatkozás nélkül. Gondoltam jó fej leszek, megcsinálom: gyors siker lesz, hátlap le, beragadt manuális hangerőszabályozó karbantartása, hátlap vissza, sikerélmény. NEM. Ott semmi baj sincs, sőt a gombok kiiktatásával sem értem el semmit. Távkapcsolót is átnéztem, kivittem a szobából elem ki stb. de nem az a ludas. Mi lehet ez szerintetek? Köszönöm.
Sziasztok!
Van egy Regal 5171 TX E típusú tévénk, és az a gond vele, hogy használat közben pukkant egyet, aztán se kép se hang... Most ha áramot adok neki, akkor nagyon halkan hallatszik belőle valami olyasmi hang, hogy cik-cik-cik. Hol keressem a probléma forrását, mi okozhatja? Köszi előre is! Üdv! Endre
Szia ha pukkant ,akkor keress púpos felrobbant kondit benne az lesz a bünös
Kicseréltem a C551 jelű kondit. Kicseréltem a sortranzisztort is. Bekapcsoltam, bejött a kép, párszor még kikapcsoltam, bekapcsoltam, jó volt (persze hangyaháborúval). Örültem, összeraktam, visszatettem a burkolatot, átvittem a másik szobába, ahol az antennakábel van, rádugtam, bekapcsolom, erre hallom, hogy megölte a tranzisztort.
![]() A többit is kéne cserélnem? C552, C555, C556 ezekre gondoltam még. Mondjuk amit kaptam kondit, az más méretű, szóval kellett vele ügyeskedni, hogy elférjen, jó szorosan is vannak szerencsére.
A többi kondi is lehet gyanús, a tápokat kellene szkóppal ellenőrizni. Mennyire "simák " , valamint a "D551, D552 diódát ellenőrizni. Inkább cserélni, utána már csak a trafó marad mint az előttem írták is.
Kösz!
Sajnos nincs szkópom, de a többi kondit is cserélem, illetve a diódákat is megnézem/cserélem. Valahogy meg lehet védeni a tranzisztort, hogy ne süsse ki, ha mégse lesz jó?
Milyen számú trafó van benne? Lehet, hogy találok hozzá.
Azt írja, ZTFL94002A
Szia!
Nem találtam benne púpos kondit, mind jónak néz ki. Ez esetben mi lehet a gond?
Szia!
Először a tápban keresgélj zárlatos alkatrészeket (schottky fet stb) Ha "pukkant" valami akkor szerintem a vezérlésben lesz a hiba a kapcsolóüzemű trafó körül. A "cik cik cik" pedig arra utal, hogy zárlat van a táp szecunderén és "próbál" indulni a táp. Mindenképp nézd át ezt először, de tüzetesebben. (akár kondi is lehet zárlatos bár ritka)
Sziasztok!
Van egy Videoton TS 4325 SP tv-m. Szépen megy, büszke is vagyok rá, mert ez az első készülék, melyet megjavítottam már kb. 2 éve. Lenn van a Balatonon, de már tavaly sercegett, és áthúzott benne a 2 éve beépített sokszorozó. Meg van ragasztva, de serceg, és hamarosan ki fog lyukadni. Nem szeretném megvárni míg megint kiüt valamit mint a régi, ezért inkább kicserélem. Van itthon egy szatyornyi fekete lengyel sokszorozó. Azt hallottam róluk, hogy tönkre teszik a képcsövet. Miért teszik tönkre? Maga a sokszorozó gyenge minőségű, vagy az anódsapkával van a gond, és a sercegő nagyfesz koronakisülései tönkreteszik a bemenet körüli üveget? Ha csak az, akkor egyszerűen ráteszek egy modernebb cumit pl. egy monitorét. (Most egy lyukas, ragasztott zöld sokszorozó van benne.) A hozzászólás módosítva: Jún 16, 2013
Rengeteg gép elment a lengyel sokszorozóval,nem teszi tönkre a képcsövet.Ha fenn kifúj,akkor valami gáz van a tápfeszekkel,vagy a sorvégfokkal.Érdemes az anódbevezetőő körül a képcsövet alaposan letisztítani,alkohollal lemosni.
István
Ebben a tv-ben már a második sokszorozó van, sőt már a '90-es években is cserélték. (Valami Kft. cserélte, nem eredeti.) Amit akkor tettek be, az a fókusznál égett át, és tönkrevágta a video végfokot is. Azután megjavítottam, de kb. 1 hónap múlva a másik sokszorozó is kilyukadt. A képcsőnél nem fúj sehol, csak a sokszorozó oldalán ahol beragasztottam. Persze ez a sokszorozó is használt volt. Miért eszi ennyire a sokszorozókat? Lehet, hogy csak kifogtam azokat a példányokat, amiknek már nem volt sok hátra?
Hmm.. a kapcsolási rajz alapján vettem kondikat, pl. 10n 1500V, olyat kaptam, ami DC 1600V, AC 650V, ami a TV-ben van, arra meg ez van írva: 1,5 K V H 2,5 KVDC.
Sokkal nagyobb is méretben, mint amit vettem.. Néztem hestore-on, hqelektronikán, de ott nem látok ilyen kondenzátort. Hol lehet ilyeneket beszerezni?
Sokszorozó beszerelésnél van néhány aranyszabály.Nagyfesz forrasztás ne legyen hegyes,a fókuszpoti testvezetéke ne feküdjön a sokszorozón,a sokszorozó és a sorkimenő közötti vezeték ne legyen hosszú,csak amekkora éppen kell(ne érjen sehova fölöslegesen).
István
Sziasztok! Van egy Samsung Plano sík képcsöves 72cm-es tv-m, a hang tökéletes csak a kép időközönként elmegy ilyenkor fekete a képernyő, de hang az van. Látható hiba nincs a lábakat át forraszgátam. Ha valaki tudna segíteni azt nagyon szépen meg köszönném. Üdv.
Visszaforrasztottam a kondikat, betettem új tranzisztort, a kollektor és a beültetési helye közé egy 230V 60w izzót. Így bekapcsolva a kollektor-bázis között megvan a 140V. Igaz, az első pár bekapcsoláskor nem tudtam mérni..
Néhány másodperc után letilt és kikapcsol, a képcsövet így nem gyújtja be.
Sziasztok
Meg mindig fenn vagyok akadva az Akai CT-21wkdt tv hangjaval !! Kaptam benne egy Kondenzatort C204 10microfarad 16v ami meg volt szakadva kicsereltem egy jora most mar a hang alig halszik es csak cserszeg. Tehat mikor nincs hang akkor semmi cserszeges mikor hang van akkor alig halszik valami es eross cserszeges. Idaig mig a Kondenzatort kicsereltem addig dunnyogott most pedig cserszeg. Az elso 2 masodpercbe bekapcsolas utan a hang jo utanna van a cserszeges. Van valakinek valami otlete?? Sajnos nincs kulso jelforrasom igy hat nem tudom probalgatni.
Ez normális, feszültséget mindég a kollektor emitter között mérj. A C509 elkót cseréld ki még mielőtt indítod
A hozzászólás módosítva: Jún 16, 2013
|
Bejelentkezés
Hirdetés |







