Fórum témák
» Több friss téma |
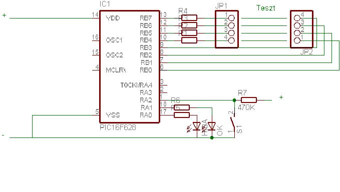
Így gondoltad? (rajz) Tényleg nagyon köszi a segítséget, ha az OK kimenetet is bele tudnád varázsolni, teljesen fullos volna a holmi.
ja így jó, kristály nem kell, megy majd a belső 4MHzes oszcival. a Config word legyen ez: 3F1C
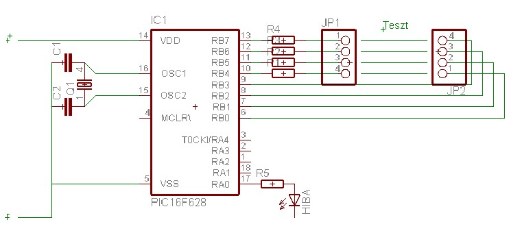
itt a hex, 628-ra, RA1, és RA0 10-ed secre 1-re vált mikor bedugod a kábelt. Ha kábel rossz akkor RA0 1 lesz/marad amíg ki nem húzod a kábelt. [b]átírtam a file nevet valami értelmesebbre szabi83
Az MCLR lábát a PIC-nek a pozitív tápra egy 10K-s ellenállással húzd fel, különben állandóan resetelődni fog a PIC, és soha nem indul el.
Én is szíttam ezzel, míg deguss kolléga fel nem homályosított róla, hogy ezt is véghez kell vinni...
ha azt a config wordot használod amit leírtam akkor nem kell a mclr-t sehova húzni, mert átállítja digital inputra a mclr lábat.
szabi83: Bocsi a fájlnévért,át akartam írni csak kimaradt...
ja mikor bedugod a kábelt, a cucc folyamatosan teszteli (kb 200*szor másodpercenként) és közben lesz rossz (pl mikor "átmozgatod" a kábelt) akkor is kijelzi a hibát. Szerintem tök jó
![]() szabi83: kössz!
Nagyon köszönöm, szerintem a hétvégén legkésőbb már ki is tudom próbálni. Csak mégegy kérdés: Milyen programmal tudom megnyitni a forrásfájlt amivel aztán a .hex is elkészíthető? A Picbasic / Micro code studio a demókorlátozások miatt nem megy, meg nem is találtam benne hex fordítót. Vagy ne ezt használjam?
a forrásfájlt (azaz a tartalmát) picbasiccel tudod (ha nem lenne demo korlátozás) megnyitni és lefordítani .asm-é és hexé, persze ezt a microcode studioban tudod csinálni. (project->compile, de csak akkor ha be van állítva minden rendesen a View->Compile and program options-ban: Compiler: a pbp mappa, Assembler: c:\program files\microchip\mpasm suite, pipa a Use MPASM-be)( kell hozzá az mplab is, mert annak a fordítóját használja a microcode studio.
Akkor marad a harc az Mplabbal, valahogy szeretnék elindulni vele hogy aztán magam is tudjak módosítani a programon, meg persze hogy tanuljak is belőle valamit. Le lehet fordítani a basic fájlt .asm-be? Akkor azt már megnézhetném hogy hogyan is működik. Légyszíves tedd fel az .asm-et is! Köszönöm!
az asmnek nem sok értelme lenne, mert pbp 3-4 fájlból ollózza össze, teljesen átláthatatlan...
Akkor a .hex fájlt betöltöm a picbe és kipróbálom, a későbbiekhez meg (3 vagy 5 vezetékes verzió) elkezdem tanulmányozni az assemblyt, mégiscsak az volna az igazi ha egyszer magam tudnék írni egy ilyen programot. Köszönöm az eddigi segítséget!
Modik! Lehetne pontot adni Báddzsónak? Sokat segített. Köszi!
Próbálom összehozni az első saját pic programot, persze nem egészen úgy működik ahogy szeretném :no: . A korábban felvetett kábeltesztert módosítottam egy kissé, csak tanulási célzattal hogy lássam tudok-e majd más érszámra, kötésre programot készíteni. A mostani teszter lényege ugyanaz: egy gomb lenyomása után indulna a program, majd az eredménytől függően adna jelzést. Sajnos jelen állapotában a gomb megnyomása után csak hibajelzést ad és úgy is marad.
Megnézné valaki pic-hez értő hogy mit rontottam el?
Nem néztem végig a progit, de:
a "hiba" és a "jo" címkénél beállítod a PORTA 1 és 2 biteket 1-re, de sehol sem törlöd. Mellesleg szerintem a HW-hez képest elcsúszott a számozás.
A kimenetek törlését megcsináltam, most ha elengedem a nyomógombot akkor nem világít tovább a led. "A HW-hez képest elcsúszott a számozás" Mire gondolsz? Rosszul címeztem meg a kimeneteket?
A késleltetés jó lehet? Milyen értéket kell megadni 4MHz-es oszcillátor mellett hogy a kimenet kb. fél másodpercig legyen aktív? Iszom egy sört annak az egészségére aki segít! :yes:
500000 db nop-ot beírsz akkor jó lesz.
Az sem rossz...
De komolyan: miért jelez folyton hibát ha egy hibátlan kábelt teszek rá?
Megvan miért nem tudott jót jelezni: a "jo" címke után rossz bitet címeztem meg, a 2-t a 0 helyett. Holnap kipróbálom, már csak valami megoldás kellene a fél másodperces időzítésre.
Írsz egy ciklust, ami 500.000-szer végrehajtódik, benne egy "nop"-pal... Ennél jobb csak az lenne, ha timer-t használnál, de ha kezdő vagy e tekintetben (mint én is), akkor ez egyszerűbb...
Sziasztok!
Vicsys féle kábeltesternél mitől fog villogni a Flashing led? Megépítettem a kapcsolást és ha az adó oldalra tesze ma tápot nekem egyfolytában világít az a led. Valaki segítsen!!! Tnx Tib
A villogó led attól villogó led, hogy villog ha tápot kap.
Bele van építve egy villogtató kapcsolás a búrájába. Tehát: ha neked nem villog csak úgy simán a tápra kötve, akkor 2 lehetőpség van: 1., nem villogó led csak sima... 2., nem jó a led
Ahaaaaaa!
Értem, és akkor az adja az órajelet is, igaz???? Nekem csak sima led van betéve. Nagyon köszi! Így már talán jó lesz! Idézet: „és akkor az adja az órajelet is, igaz????” Nos, igen. Ebben a kapcsolásban pont ez a szép, hogy nm kell sem tranyóval sem 555-tel építeni egy külön multivibrátort, a villogó led pont jó ide!
nagyon tetszik
Már csak bele kell tuszkolnom valahogy a faliajzatba. Az újabbak már kisebek mint ami neked a képen van. Még1* köszi!
Heló emberkék!
Valaki meg tudja mondani, hogy mi a szabványos feszültségszintje az UTP adatátviteli rendszereknek? Hány Volt a H szint?
Szvsz. nincs H meg L szint. A leválasztótrafókban a primer oldali tekercsben történő feszültségváltozás indukál feszültséget a szekunder oldalon. Tehát nincs H megy L szint, hanem a változások reprezentálják a logikai szinteket.
Viszont ez nem biztos. Csak az én diónnyi agyamban valami ilyesmi csapódott le a működéséből.
Ott nem opto csatoló van, hanem transzformátor???
Ez meg mi a vihar? Talán egy hálókártya RX része?
Na, akkor kiterítem a lapokat. Arra gondoltam, hogy a hálókártya TX-ével villogtatnék egy lézer ledet (megfelelő illesztéssel), ugyanonnan egy parazita táppal meg működtetnék egy forodiódával vezérelt tranzisztort, ami az RX-ére csatlakozik. Ugyanezt megcsinálni a másik eszközhöz is (switch, router, másik kliens), szembefordítani a két barkácsolmányt és kész a lehallgathatatlan vezeték nélküli kapcsolat. A fizikai kivitelezéshez a fotodiódát egy sötét csőbe kell helyezni és már nincs is zavar, ha jó a rálátás, és a lézer pont a csőbe lövi a fényt. Vélemény? |
Bejelentkezés
Hirdetés |





szabi83


