Fórum témák
» Több friss téma |
Fórum » Váltakozó (hálózati) feszültség mérése
Témaindító: (Felhasználó 650), idő: Jan 22, 2006
Témakörök:
Hálózati feszültséget 230V AC-t szeretnék mérni digitális
3és fél digites panelműszerrel méréshatár 200mV. Valamilyen precíz megoldás érdelelne. Ha valaki túd sgitsen. Köszi!!! Fecó
Hali!
Csúcsot vagy effektív értéket? Az eff értékhez egy ellenállásos fesz. osztó kell.(aztán egy graetz-el egyenirányítani) Ha csúcsot akarsz mérni, akkor ezt a leosztott jelet egy un. csúcsegyenirányítóval kell feldolgozni.
Csatolok 2 képet, amin látható egy ell-os osztó
Üdv!
Hasonló címet akartama adni egy témának, de inkább ideírok, habár ha később rákeres a dologra valaki szerintem nem találja meg egyszerűen, na mindegy nem akarok a modikkal konfliktust. Szóval a gondom az, hogy új helyre költöztünk és az előző tulaj az egyik dupla konektort úgy kötötte be, hogy 3 szál jön a falból(vagyis 2 csőből 3 szál) ebből 2-t az egyikbe a haramadikat a másik konektor egyik oldalára kötötte. Gondolom a 3 szál a fázis a 0 és a biztonsági föld. A konnektorok nem földeltek, hogy tudom megkölönböztetni a biztonsági földet a 0-tól?? A fázist egy fáziscerkával megtalálom, de a másik kettőt nem tudom, hogyan lehet. Köszi a segítséget
Gondolom van szimpla konektor is a kégliben?
A fázist ott is megtalálod, a másikat, ami a nulla, csipogd ki a kérdéses 2-vel... Amelyikkel csipog a műszer, az a nulla. Feltéve, ha nem "nullázták" a védőföldet. ...de akkor meg tök mindegy ... (de nem túl szabályos) Most nincs sok időm, biztosan van egyszerűbb is...
És senki sem szólt, hogy ez nem is arra való, amit kérdeztek! Hihetetlen!
Méréssel szinte megkülönböztethetetlen a 0 a védőföldtől, az óra előtt össze is vannak kötve. Ha van fi-reléd a rendszerben, akkor van mérhető különbség, ugyanis akkor a fázisból a föld felé folyó áram leveri a fi-relét. Ez alapján lehet megkeresni, mert ha egy lámpát kötsz a fázis és a föld közé, az leveri a fi-relét.
Ez egy befagyott téma, de talán olvassák néhányan.
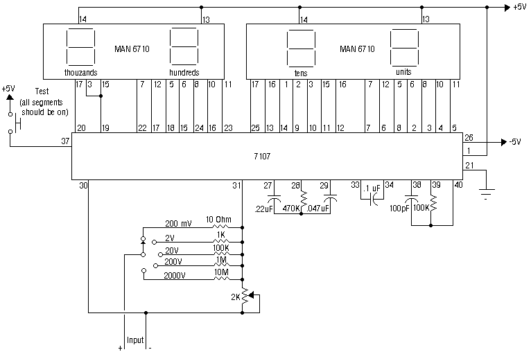
Szeretnék 1-200mV nagyságrendű váltakozó feszültséget mérni. Hogyan tudom ezt megoldani? (Igazából áramot akarok mérni, ezért egy hálózati dugalj-al sorba kötött ellenálláson mérném a feszültséget. A maximális áram 2A, de kell a 200mA-es méréshatár is. Értelem szerűen effektív értéket akarok mérni.) Nem kell óriási pontosság, csak az univerzális kézi műszerek által mért értékhez közelit szeretnék látni (minél közelibb annál jobb azért). Éppen a kéziműszert akarom kiváltani egy 200mV-os kijelzővel, ami folyamatosan mutatná az adott fogyasztó áramfelvételét. Ötletek?
Egy sima greatz, félek nem elég ehhez, mert azon eleve nagyobb feszültség esik, mint ami összesen rendelkezésre fog állni. És lehetőség szerint, a másik végletet is elkerülném -bonyolultsága miatt-, tehát a görbe alatti terület matematikai meghatározását, különös tekintettel arra, hogy minden huncutság ellenére is, jellemzően szabályos szinuszhullámról van szó.
Talán szégyen, de nem ismerem az urat/hölgyet. Azért a linket megnéztem. Nos... "szokatlan" felépítésű.
Nem fogod elhinni (akár be is tudom bizonyítani), hogy pontosan ez jutott nekem is eszembe. Annyival előztelek meg, hogy már felvetettem a lehetőséget az éppen általad linkelt cikk szerzőjének.
Kíváncsian várom, Ő mit szól ehhez.
Annyit hozzátennék én is, hogy ha hálózati áramot akarsz mérni, akkor mindenképpen alkalmaznék áramváltó transzformátort is, a biztonság kedvéért. A trafó kimenetét aztán már lehet az aktív csúcsegyenirányítóval formálni, feldolgozni.
Mi a pontos nick-neve? (sok "béka" van)
Gondoltam erre, de ez a műszer kezelőszerv mentes lenne, tehát gyakorlatilag bármilyen potenciálon lehet, hiszen nincs érinthető része (bár már itt tartana a dolog).
Asztali multimétert szeretnék építeni. AC DC volt, amper, ellenállás esetleg kapacitás digitális panelmüszerrel (PM438). Tudna valaki segiteni miben külümbözik az AC és DC fesz és árammérés. A DC -t tudom.
Csak annyiban különbözik, hogy a váltófeszültséget (árammérésnél is feszültséget mérsz a söntön) előbb egyenirányítani kell. Az egyenirányítás módjától függ, hogy milyen lesz az egyenfeszültség mérő által mutatott érték, és a váltó feszültség viszonya.
Pl. legegyszerűbb átlagértéket mérni diódás egyenirányítóval, és ebből átszámolni az eff értékre, amit majd mutat a műszer. Az átszámítás egy egyszerű szinteltolással (potméter) megoldható. A kicsit jobb megoldás a csúcsérték mérése, és ebből hasonló módszerrel előállítva a mutatott értéket. Ezek nagy problémája, hogy csak színuszos jelek mérésére használhatók. Az RMS érték mérésnél már bonyolultabb a helyzet, valamilyen szorzó integráló áramkörrel kell a váltakozó feszültség effektív értékével arányos egyenfeszültséget elő állítani, amit a panelmérő mérni, mutatni tud.
Üdv!
Hálózati feszültséget kellene mérnem (230V 50Hz) egy DVM-el. (200mV) Ha jól olvasom feljebb, akkor ellenállásokkal leosztom és utána egy graetz-el egyenirányítom ill a graetz legyen előbb és utána leosztani, nem? Kondi nem kell, ugye, mert akkor már csúcsot mérek. Így működik? A tápját megoldom. Nem kell nagy pontosság, egy-két volt eltérés nem számít. 5-10 Voltot azért ne tévedjen, és elég kb. 180-260 Voltig. Üdv! Tomi A hozzászólás módosítva: Feb 20, 2014
Mondjuk 200V-nál 10V hiba az 5%. Ugyanitt 5V csak 2,5%. Ezek elég szűk tartományok.
Szervusztok!
Nézegettem témacímeket, de pont ami kellene, olyat nem találtam. (vagy csak a szokásos bénaság ) Olyan (egyszerű) eszközre lenne hirtelen szükségem, amivel a hálózati feszültségingadozást tudnám nagyjából folyamatosan követni, jegyezni. Tehát felügyelet nélkül (de jelenléttel), éjjel nappal, 1-2 napig. Maglátásom szerint Üröm egyik részén erős ingadozás van (mielőtt a szolgáltatót nyaggatnám). A hozzászólás módosítva: Aug 15, 2016
Nincsen napelemed és hálózatra tápláló invertered? Abban benne van a hálózati feszültség regisztrálása. Igaz, nem folyamatos, nálam 5 percenként jegyezhetné. 10 percre állítottam 2,5 éve.
Idézet: „erős ingadozás van (mielőtt a szolgáltatót nyaggatnám).” Pedig nekik van, és huzamosabb nyaggatás után szerintem fel is teszik pár napra...
Sajnos annak idején nem becsültem meg (nem hoztam el) egy ilyen, szalagra író ketyerét.
Gaflynak: Tudom, hogy van nekik, mert nálam 2 hétig fenn volt, aztán megállapították, hogy rossz a terheléselosztás, de nincs emberük az átkötözéshez. Néhány év alatt rendeződött azért. A hozzászólás módosítva: Aug 15, 2016
Egyik sincs, de javasoltam öcsémnek, hogy amikor eszébe jut mérje, írja.
Sziasztok! Engem az érdekelne, hogy van valakinek olyan kapcsolási rajza, esetleg valami elképzelése, hogy hogyan lehetne mérni váltakozó áram csúcsfeszültségét microcontrollerrel? Pontosabban egy nagy teljesítményű hidalt hangfrekvenciás erősítő kimenetén lévő feszültséget szeretném valamilyen microcontrollerrel mérni (pl valami beépített ADC-vel ellátot AVR-rel). A hazai PKN controls végfokjaiban is van ilyen funkció, de nem találtam a neten kapcsolási rajzot.
Ugyanilyen mérés van a NEXO NX242 TDControllerekben is, de eddig csak digitális végfokokban láttam ilyen kimeneti feszültség szerinti limitálásokat. Elvileg egy ellenállásosztó kellene és egyenirányítás, de akkor az az ellenállás osztó párhuzamosan van az amúgy is váltakozó ellenállású hangszóró(k)-al... Ha a mérés megvolna, utánna már könnyen tudnám utasítani a már meglévő DSP-m hogy limittáljon a mért feszültség szerint. A hozzászólás módosítva: Nov 7, 2016
Ha a hangszórókkal párhuzamosan kötsz pl. 10 kOhm-os feszültségosztót, a mérést oly kevéssé hamisítja meg, hogy ennyit bőven téveszt a kontroller is. Neked csúcsegyenirányítóra van szükséged, ha jól értem a kérdést.
Sziasztok. Lenne valakinek ötlete DIN sínra köthető, de akár konnektorba dugható feszültség mérőre, ami a mért értékeket logolja is? Eszméletlen mennyiségű izzó kiég nálunk és nincs már más ötletem mitől lehet. Valamilyen emberi árú megoldás érdekelne, mondjuk 10.000 környékén, ha lehet. Ráadásul 3 fázisunk van, ami szintén drágítja a dolgot.
Jelezd a helyi áramszolgáltatónak, és ők feltesznek egy ilyen mérőt a bejövő oldalra (a hálózati leágazásodnál). Nekem is feltették (igaz többször kellett neki írni).
Nálam "0" pont eltolódás volt (egyenlőtlen teherelosztás miatt), egyik fázisban 20-50 V-tal magasabb volt az eltérés, a másik kettőben, 10-30 V-tal kevesebb. Újraosztották az új bekötéseket!
A vége szerintem tuti ez lesz, de előtte ha sikerül szeretnék némi adatot gyűjteni. Találtam a neten hálózat analizátorokat, de vagy olyan volt, ahol nincs feltüntetve az ára vagy olyan amit nem is akartam tudni.
De gondoltam hátha lenne valakinek egy jó ötlete. Különben is szeretném monitorozni a dolgot. Mikrokontrollerrel meg árammérővel meg lehetne oldani, de nincs rá időm, meg sokat kellene tanulnom is hozzá még.
Egyenlőtlen terhelés miatt nem szabadna elmozdulnia a nulla pontnak. Nagy valószínűséggel nulla (PEN) gond volt, amit megoldottak. Ez viszont a saját hálózatodban is jelentkezhet, pár egyszerű méréssel kideríthető.
A másik tipikus probléma az, amikor az ember közel lakik a transzformátor állomáshoz, a feszültség magasabb lehet a kelleténél. |
Bejelentkezés
Hirdetés |






) Olyan (egyszerű) eszközre lenne hirtelen szükségem, amivel a hálózati feszültségingadozást tudnám nagyjából folyamatosan követni, jegyezni. Tehát felügyelet nélkül (de jelenléttel), éjjel nappal, 1-2 napig. Maglátásom szerint Üröm egyik részén erős ingadozás van (mielőtt a szolgáltatót nyaggatnám).
Nálam "0" pont eltolódás volt (egyenlőtlen teherelosztás miatt), egyik fázisban 20-50 V-tal magasabb volt az eltérés, a másik kettőben, 10-30 V-tal kevesebb.
Újraosztották az új bekötéseket! 




