Fórum témák
» Több friss téma |
Fórum » Vasútmodellezés
Nem egészen osztom a nézetedet, ahogy parttalan viták folynak sokszor egy egy modell alig 2 mm-s feliratairól vagy pl. a reflektorok szineiröl, vagy azok kapcsolásáráol, annyira igénytelen a nagykozönség a vonatok mozgásának a modellezésére.
Immár több mint 40 éve modellezek, az elsö lendkerekes modelljeim is már több mint 30 évesek (részben saját épitésü, mert az ipar csak az utobbi 10-15 évben döbbent rá ennek a fontosságára), az elsö elektronikus mozdonyvezérlö pultom is valamivel több mint 35 éves, ahol külön szabályzoval kell szabályozni a menetet, van egy fékkar (mint a nagy mozdonyon) tudom szimulálni a vonat tömegét, hogy az ne induljon rakéta mozgással stb.). Ehhez természetesen hozzátartozik, hogy az irányváltás csak állo vonaton történhet. egy kis barkácsolással akár mechanikusan is megoldható - de itt elektronikáról van szó, tehát azt a megoldást kell elöynbe helyezni. Persze lehet ezt fokozni, és kisfiamnak (9 éves) semmi gondja, egy ilyen vezérlöpulttal, és már most tudja mi lehet annak a következménye, ha rosszul fékez stb. ?s szörnyülködve látja, amikor sokhelyen a méregdrága gyönyörü modelleket FZ1,2 kezdökészletes stb. tipusu trafokkal mutogatnak - arrol nem is beszélve, hogy a motormeghajtásban is vannak modern, remek ismeretek, amik a modern motorokat sokkal jobban meg tudják hajtani, mint egy primitiv trafo. Söt még sok PWM áramkörtöl is nagyságrenddel jobb eredményeket lehet elérni. Ezzel csak azt akarom mondani, hogy van mit csinálni elektronikus téren is, de felesleges egy rossz eljárást átültetni a legmodernebb elektronikus környezetbe. ?s nagyon örülnék, ha ilyesmiröl is folyna itt vita.
Massawa és zsiti4!
Általában a kompromisszumok nagyon jó dolgok, és kívülről lehet a legjobban meglátni ezeket... ![]() Én sajnos nem foglalkozom aktívan modellezéssel (hely + pénz hiánya), de az AVR-eket jól ismerem. Mi van akkor, ha a vezérlő kérdését onnan közelítjük meg, hogy nem a mozdonyt irányítjuk, hanem a mozdonyvezetőt? Ebben az esetben elég egyetlen "gomb", amivel megmondjuk, hogy merre és milyen sebességgel kellene mennie a vonatnak. Pl. ha maximális sebességgel halad előre és hirtelen áttekerem a másik végállásba, akkor erre az AVR szépen lelassítja, megállítja, (vár egy másodpercet,) majd a másik irányban felgyorsítja a mozdonyt. Az AVR simán képes erre...
Ez szerintem abszolút nézöpont kérdése. Persze nekem is tetszenek ezek a minél élethübb mozgásra kezelésre tett kisérletek, de biztos nem ezek lesznek a legnagyobb gondjaim mikor még a sinekre spórolok.
Nekem fontosabb egy szépen kidolgozott domborzat, vagy egy ügyesen beállitott történés részlet mint az hogy a mozdonyom kezelöszerve egy potenciométerre szükül vagy egy sereg kapcsoló és kallantyú áll rendelkezésre. Szerintem az emberekböl is van Epok I (mondjuk én) és Epok V (mondjuk te). Majd lehet hogy ha már nekem is garmadában áll a szekrényben a vasút és unalmamban nem tudom melyik terepasztalommal szórakozzam, akkor elképzelhetönek tartom hogy nekiállok és addig nem nyugszom amig megfelelö elektronikát nem találok a bakter élethü integetését imitáló fluxuskondenzátoros neuroimplantomhoz. Persze itt a forumon a kezdö a haladóval és a gurukkal egy témában szól hozzá.
Teljsen igazad van. Majd ha lesz idöm/kedvem/pénzem én is az arduionommal tervezem a vezérlését mindennek. Addig jó lesz a kezdökészlet rémes minöségü xarjának kiváltására készülö sima feszszabályzós panel. Egyenlöre ebbe a részbe nem ölök több energiát.
De mint hangsúlyoznám ez egyéni megitélés kérdése. S ha valakinek ugy tetszik hogy egy laposelemröl akarja a vonatait üzemeltetni hát csak tessék próbálkozni.
A vita azon megy, hogy mennyire élethű a vezérlés. Szerintem ezt mindenki eldöntheti maga, és ha valaki segítséget kér egy általa megálmodott megoldáshoz, akkor segítsünk neki az áramkör megépítésében (amennyiben nem életveszélyes) és nem kellene győzködnünk, hogy a mi megoldásunk jobb. Mikrovezérlővel (szándékosan nem konkrétan írtam valamely típust, mert elég sok van, és mindenki azt használhatja amit tud kezelni) minden megoldható, akár egy mozdonyszimulátor is, amit ugyanúgy vezérelhetünk, mintha igazi lenne. Az persze jó, ha láttatjuk a kérdezővel, hogy milyen egyszerűbb, vagy többé kevésbé bonyolultabb megoldások vannak, de szerintem nem kell győzködni.
Idézet: „nem kell győzködni” Na ez lenne a lényeg.
Az egyensulytalanságban látom a legnagyobb gondot. A "modellezök" néha sorbanállnak sok 10 ezer forintos modellekért, majd ugyanazokról a modellekröl késhegyre menö vitákat folytatnak, hogy az A-ra (feliratra) kell-e a vesszö vagy nem, és még itt is, ahol az elektronikusok krémje szokott elöfordulni, arról megy a vita, hogy hogyan kell egy primitiv trafovezérlést (csuszka a meneteken, vagy ellenállás + tranzisztor) egy modern elektronikával helyettesiteni. Az eddig fel sem merült, hogy hogyan kell egy modellvasutat jobban kezelni (esetleg kevésbé terhelni s igy jobban ovni).
Nem kéne meggondolni, hogy a sok 10 ezer forintos mozdonyhoz egy tisztességes vezérlö is illik? Ezzel nincs semmi gond egy általános modellvasuti topikon, ahol elég ritkák az elektronikusan képzett topiklakok, de itt a HE-n talán nem itt kellene lennie a hangsulynak. Az sem árt, hogy ha az elektronikusan képzett modellezök megismerkednek a leképzendö nagyvasut egyes alapszabályaival, és azt probálják átültetni a kis valoságukba. Az sem mérvadó, hogy elöbb tele kell rakni a vitrint drága modellekkel, és majd ezután lehet ilyesmivel foglalkozni. Vajjon miért ez a sorrend? Amikor én ezzel kezdtem el foglalkozni talán 5 mozdonyom volt, és azota sem vettem tul sokat a sok megépitett mellé. Szoval amit az ember a kezdetben megtanul az késöbb sem esik kárára, (fillérekért - mert egy ilyen vezérlö még a legbonyolultabb verzioban is olcsobb mint egyetlen mozdony, arról nem is beszélve, hogy mennyit tanul az épitöje, mire a pult rendesen és szépen szabályozza a vonat mozgását) Forditva sajnos napi szinten jönnek a kinyirt mozdonyok, a realisztikumot teljesen nélkülözö sebességek miatt az aztalról lerepült vonatok szerencsétlen mintapéldányai stb. Čs az is a vasutmodellezés szégyene, hogy a mai napig az eget verö primitiv megoldások a polcokon vannak és az a néhány HiTech vezérlö pult ami az utobbi 40 évben megjelent eltünt mit a szag a WC-böl, vagy meglehetösen drágán vehetö csak meg. Szoval egy elektronikus forumon talán arról is illene értekezni, és természtesen segitünk akinek tudunk a feladat megoldásában, de elöször a feladatot kellene talán körvonalazni.
Nincs evvel semmi gond, Te ilyen vagy, neked megvannak a sajátos igényeid. Tiszteletben tartjuk őket. Ez a topik (fórum) nem a megszállott modellezőkről szól, vagy kell hogy szóljon, erre vannak más fórumok. (más topikokban is felüti fejét az ilyen, és ehhez hasonló sznobok vitája, pl alkatrészek hangja stb) Ebben a topikban, és fórumon próbáljunk a reális értékeknél, mértékeknél maradni.
A piac meg majd eldönti, hogy mit mennyiért lehet eladni. De ha csak az az igény, hogy van egy dilikör, amit csak sátoros ünnepeken rakunk össze az unokák kedvéért, akkor csak az üzembiztos működés, és az alapfunkciók megléte a lényeg. Persze ha valakit elkap a gépszíj, akkor azt is lehet, de csak ami a hobbi kategóriába belefér. A sok tízezres mozdonyt is lehet irányítani egyszem potméterrel. Ha megúnja az illető, majd előrukkol a megnövekedett igényeivel is.
Persze minden a nézöpont kérdése, csak azt nem tudom, hogy miért az a sznob aki a vasutat modellezni akarja, és nem az aki a drága modellekkel tölti vitrinjét, és majd lapos elemmel mutogatja, hogy azok mozogni is tudnak.
Ne keverd. Van aki a vasutat akarja modellezni, van aki a járműveket. Persze a két szélsőség között van átmenet.
Ez kiterjed a dilikörtől (csak működik, látvány minimális) a hatalmas élethű, mind látványban, mint működésben megjelenített valósághű megjelenésen keresztül, a csak vitrinben mutogatott megjelenésében valósághű, de akár mozgásképtelen modellekig. Ez mind modellezés szerintem.
Semmi gondom a vasutmodellezés bármilyen formájával (ha pl. a vásárlást és a dilikörös hajkurászást modellezésnek lehet nevezni).
Viszont, ha felpillantasz a fejlécre, akkor a HE-nak van egy erre szolo teljesen önálló forumoldala (hobbivasut.hu). Mi itt az elektronikai forumon vagyunk, és baloldalra kukkantva itt is találsz legalább 2 vasutmodellezö témát. (Digitális vasutmodellezés - meg ez). Ezeken a forumokon kivül a van a magyar WEB felhöben több tucat vasutmodellezési forum, ahol a kezdeteket szinte heti rendszerességgel tárgyálják, de alig van olyan, ahol sikerült volna eggyel feljebb lépni. Kár! Ezért jo lenne különbséget tenni a dolgokban, és elit elektronikus forumon, ne a primitiv elektrotechnika alapjait vitassuk (ahonnan még sok gyártonak sem sikerült tul magasra elrugaszkodnia), hanem valodi és érdekes feladatokat oldjunk meg, kihasználva ama tudást, ami itt jelen van (a programozástól kezdve a legmodernebebb hardwarekig). Ezzel én be is fejezem, ha majd lesz igény szivesen segitek, a ha közben valami el nem viszi a kedvem a jotékonykodástól.
Nem egészen értelek. Miért fáj az neked hogy ha mikrokontrollerrel akarja megoldani a vezérlést ? Ha neki az egyszerűbb ? Neked nem mindegy ? Amúgy ha már mcu, akkor szerintem dcc rendszert lenne célszerű építeni, de ez megint más téma. Amúgy az FZ1 -et sem kell leírni szerintem. Minden feszültség szinten kicsi a belső ellenállása, egyszerű, kb elronthatatlan. Ésszel kell persze használni, nem feltétlenül muszáj 0.1mp alatt maxra tekerve elindítani egy vonatot.
Szerintem elírtad:
Idézet: „ha mikrokontrollerrel akarja” "ha nem mikrokontrollerrel akarja" kellene
Nálunk a családban senki sem akart irányváltó kapcsolót. A saját terepasztalunkat építjük magunknak. Az egy potis megoldáshoz kellett a legegyszerűbb/legolcsóbb megoldást megkeresnem.
A mikrokontrollert nem akartam a buliba belekeverni, de minthogy 700 ft darabja, árban fele annyiból kihozható, mint másképp. Az, hogy használj irányváltó kapcsolót kb. olyan, mint hogy járj moziba vasútmodellezés helyett. Valakinek ez tetszik, másnak az. Mindenki magának épít, mások az elvárások.
Elkezdtem írni hogy szerintem meg veled mi a baj, de inkább mégsem részletezem. Kár lenne itt összekapni.
Beszélgessünk inkább valami értelmesről. Pl inkább mutasd meg nekünk ezt a szupi kis 8-9 ic -s kapcsolást. Hátha okulunk belőle.
mutasd meg nekünk ezt a szupi kis 8-9 ic -s kapcsolást
Elöbb meg kellene értened miröl beszéltem. Amig az a nehezdre esik inkább kiszálok, hogy veszödjetek a pices FZ-vel.
Na ezaz, mikor valami konkrétumról lenne szó, akkor megint csak a mellébeszélés. Mond akkor inkább azt hogy berágtál rám, és nem mutatod meg csakazértse.
Minek mutassam?
Ha szerinted az FZ a non plusz ultra, és nem érted miröl beszélek, akkor mitöl értenél meg egy 8-9 IC kapcsolást? ![]() Arról nem is beszélve, hogy a WEB-en több olyan oldal is van, ahol nagyon részletesen ki van tárgyalva a dolog, sok odavaló áramkörrel együt - sajnos nem itt, ahol szintén helye lenne.
Nah, szóval az FZ1 szerintem sem a csúcsot képviseli. Ezért én dcc -zem, de érdekelnek az analóg megoldások is. De egy sima feszültség szabályozónál szerintem jobb azért az FZ1. Pont amiatt hogy nincs szűrve a kimenet, ezért vannak rajta impulzusok, ami alacsony sebességnél jobb mint egy nagyon sima szűrt egyenfesz.
Ezt, mármint dc -re impulzusok ültetése, több áramkörnél láttam már. Igazán kíváncsi vagyok milyen jelalakot csinál a te 8-9 ic -s kapcsolásod. Remélem megosztod velünk.
Igy van a kettö kombináciojából jött létre az a megoldás is, amit most is használok.
Az impulzusok nincsenek állandóan jelen, csak amikor szükség van rájuk - és ezt dönti el az IC-k egy része teljesen automatikusan. A másik részük gondoskodik a folyamatos gyorsulásról és lassulásról - a vonatdinamika leképzéséröl. A maradék meg a teljesitményszabályozásról gondoskodik (hegymenet- lejtö), illetve a mechanizmusokhoz illeszkedik (szorul a meghajtás vagy nem). Egy meg az áhitott irányváltást kezeli (csak akkor lehet irányt váltani, ha áll a vonat). Ezen funkciok egy része jelen van a legujabb DCC dekoderekben, de ott természetszerüen csakis PWM szabályozásról lehet beszélni - ami nem a legoptimálisabb a motorok számára, és emiatt melegednek.
A hegymenet engem is érdekelne.
Kakaót adsz rá, ha a fogyasztás megugrik, ha lecsökken meg visszaveszel? Hogyan mérsz áramot?
A fogyasztásmérés mozdony és mozdony között más lehet.
Az egyik mozdonyom pl. 0.4A-t evett és lassú volt, mint egy tetű. Ezután kitisztítottam a kerekeit 20 év után először, megolajoztam és hirtelen az eszméletlen sebesség miatt elkezdett kirepülni az éles kanyarokban. Addig max. feszültségen is szépen bevette őket. Ezért is érdekel, hogy miből látod, hogy hegymenet van.
Hát én is szkeptikus vagyok, mert modellek különböznek, plusz mi van ha van világítós kocsi. A pwm önmagában szerintem nem okoz melegedést.
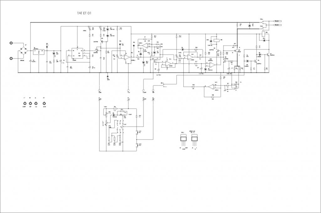
Eredetileg nem volt a célom, hogy az én megoldásomról folyjon itt a vita (söt a hangnem sem volt éppen elfogadható), de miután más semmivel nem vitte tovább a témát, berakom a megoldásom blokkrajzát, hogy mi minden van a berendezésemben amivel már majdnem elégedett vagyok. (mintegy 5x10 cm-es NY?Kon van mindez).
Ha valaki nagyon akarja, akkor akár egygombos távvezérlöt is csinálhat hozzá (nekem is 2 fajta van, egyik inkább tolatásra szolgál a másik meg a pályamenetre - nem kell ennyi, csak probálkoztam. A távvezérlö egy 4 eres kábellel csatlakozik az egységhez (a terepasztal peremén vannak az aljzatok, és bármelyikbe be lehet dugni, söt menet közben át is lehet dugni a másikba (hogy közelebbröl vezethessem a vonatot).
Szia és szép jó reggelt. Engem érdekelne a kapcsolási rajzod, hogy hogyan szimulálod a vonat tömegét a gyorsulás/lassításnál. Több fajta szabályozót megépítettem, de egy jó ötletet át kell venni, meg kell építeni. "nem csaka kályhától lehet elindulni táncolni, mint a kezdő táncos".
Főleg ami érdekel, hogy a kézi vezérlő átcsatlakoztatása alatt, hogy jegyzi meg a beállított értéket? Fáradságodat köszönöm.
A jó öreg FZ1! Nekem vanitthon 3 db, de az egyik első szériából származó, még aluminium alapanyagú zománcszigetelésű huzallal van tekercselve. Ugyanúgy mint az ős öreg ME 002g fekete bakelit dobozos szabályozó. Ezekben még szelén graetz volt.
Konkrétan mi a baj az FZ1-gyel?
Nekem is van egy, működik már vagy 20 éve probléma nélkül. Az FZ1-be elfelejtettek automatikusan elcsesződő alkatrészeket beépíteni, így még szerintem legalább 20 évig menni fog. Legutóbb, amikor elromlott, a javítása annyi volt, hogy a bepiszkolódott rézfelületet meg kellett tisztítanom. Mellesleg a DDR-es mozdonyaim is mennek már vagy 20-25 éve mindenféle probléma nélkül. Érdekelne, hogy a mai mozdonyok is ilyen szinten vannak-e, vagy 2-3 év alatt kinyiffannak (utoljára 20 éve vettem mozdonyt).
Nekem nincs bajom az FZ 1-el, három darabom is van, csak annyit alakítottam át, hogy a szelén graetz helyett dióda van benne, és a házát meg kellett ragasztanom, mert sajnos nem unokabiztos (leesett).
Sajnos a forgatógomb müanyaga nem időtálló, ezért az is mügyanta kiöntésre szorult. Az egyik legrégebbi mozdonyom (lásd csatolt kép) már igencsak nagykorú (kb 35 év), sajnos a motorja adta meg magát, így most egy DVD lejátszó tálca mozgató motorja van benne, és működteti.
Egy kicsit igy helytelen a kérdés feltevés - nincs semmi baj az FZ1-el (sem az FZ2-vel vagy az F2-vel).
Mindegyik pont arra jó, amire csinálták, és még egy lehettel jobb mint sok nyugati kortárs trafo (ötletesebb a mechanikai megoldása). Arra viszont már nem jó, hogy mintakép legyen egy modern elektronikus megoldásnak.
Ime a rajz - teljes luxus kivitelben (sok minden kihagyható, ha nincs rá igény).
Ebben az áramkörben exponenciális a mozgás változás (kondenzátor töltés), egy korábbi változatban az lineáris volt, csak akkor még két OPAMP kellett volna. |
Bejelentkezés
Hirdetés |













