Fórum témák
» Több friss téma |
Szia!
Ez természetes mivel átkapcsoláskor így működik a némítás funkciója.
Ez egy beépített funkciója. Skálaizzónak 12V-ost szoktam rakni, sosem ég ki, és kevésbé melegszik.
A némítás normális funkciója a készüléknek. 6,3V-300mA izzó kell hozzá, Lomexben is kapsz vagy HQ elektronika boltban is. Ennél kisebbett értékűt nem érdemes venni mert azok nagyon rövid élettartamúak lennének.
Pont nem, 6.3V 100mA skálaizzó való bele, amit nehéz beszerezni. A 300mA skálaizzó túlmelegíti a skálát. Meg a skálavilágítást kapcsoló kontakt sem szereti pl. Cleopatraban. Ezért mondtam a 12V izzót.
Szia,
A némítás természetes, így működik jól. Védi a hangszórókat és a füledet a kapcsoláskor keletkező dörrenéstől. Sajnos bekapcsoláskor nincsen ilyen, akkor jó nagyot szól. Skálaizzót bármelyik elektromos boltban kaphatsz, de ha van kedved akár egy LEDdel is pótolhatod. Ha jól emlékszem 12voltról működik, de így 30 év távlatából már kissé nehéz visszaidézni pontosan.
Nagyon köszönöm a válaszaitokat, Lomex közelben.
Szeretném pótolni az izzókat mielőtt piacra teszem őket.
Szia!
Teljesen normál is működés, hogy a gomb érintésére elmegy a hang, ilyenkor a némító működésbe lép a szabályzó modulban. Ez azért van, hogy kapcsoláskor ne koppanjanak a hangszórók.
Szervusztok!
Felleltem a padláson egy gyönyörű állapotban eltett VIDEOTON RA 6363S rádióerősítőt. Találtam hozzá a neten egész használható gyári leírást, ami még nem "titkosított", mint a mai ketyerék többségének a leírásai. Egy kis piszkálgatás után (kicseréltem a táp puffer-kondikat 2 x 6800/63 v -ra, potikat, kapcsolókat megkentem-tisztítottam ) életre keltettem. Meglepő hogy mai füllel is egész szépen szól. Úgy gondoltam, adok egy esély neki a hálószobában... A lemezjátszó nálam fontos hangforrás, ezért is örültem meg cuccnak, mert van phono-erősítője. Viszont két kis problémám akadt vele: az egyik pont a phono-erősítő - kicsit zajosnak tűnik. Ezt talán könnyen lehetne orvosolni - legalább is a rajz alapján úgy látszik. A TBA műveleti erősítőt (a maga korában egész jónak számított a 741 -hez képest - erre emlékszem) kicserélném valami korszerűbbre, pl: TL1112... vagy hasonlóra, ami komolyabb változtatás nélkül illene a kapcsolásba. Egy járatosabb harcostársat keresek, aki itt tudna segíteni, hogy kell -e valamit még módosítanom a kapcsoláson ennek érdekében, ill. milyen műveleti erősítőt érdemes beépíteni? Sajnos nem vagyok villamosmérnök, így nem tudom kiszámítani az ellenállásokat, vagy egyéb RC tagokat. Ha már belenyúlok szeretném, ha tényleg szépen szólna, áldozok rá szívesen. A tápot persze mindenképp tovább javítgatnám, pl. hidegítő kondik beépítésével, és egyéb kondik cseréjével, mert talán nem ártok vele. A második gond, hogy nem tudom hangolni 104 Mhz fölé FM -módban. Erre azt írjak valahol, hogy egy trimmert kell csak állítgatni. Ebben kissé szkeptikus vagyok, tekintve hogy egy rádió rezgőköreit igen csúnyán el lehet rontani, ha nincs hozzá megfelelő műszerezettség (pl. Wobbler). Ha tényleg csak egy trimmert kell tekergetni azt simán megteszem, esetleg ki is cserélek egy-két alkatrészt, csak valaki mondja meg, hogy ezzel célt érek -e. Amennyiben komolyabb lenne a műtét lenne valaki, aki elvállalná a hangolást? Köszönöm! A hozzászólás módosítva: Feb 24, 2020
Szia. Ugyanebben a topikban a 40. oldal tájékán írnak a behangolásról. Bővebben: Link A hangolófeszültséget kellene minél magasabbra venni, de 15V nem lehet, mert akkor már nem lesz AFC. Második lépésben az oszcillátor hangolófesz. trimmerrel próbálkoznék, utána a térerő kijelző alapján a maximumra húznám a többi kört. Azoktól a trimmer potenciométerektől én nem félnék annyira. Ha nekem lenne ilyen rádióm, az FM rész trimmer potenciométereit lehet, hogy mind kicserélném újabbakra, tiszta kontakthiba fészek az egész. Egy kis mozgatás amúgy sem árt nekik, legalább lekopik a csúszkájukról a több tíz éves oxidréteg. Az erősítőjével nekem nem volt különösebb gondom. Az FM részben volt fólia szakadás, kontakthibás trimmerek, zárlatos 741-es IC, ilyenekkel találkoztam. Soha nem volt wobbulátorom, egy rádió behangolásához nem is feltétlenül szükséges. A televíziókhoz is csak a hőskorban kellett, a mostaniakban már nincs is rezgőkör, csak piezó szűrők állítják be az átviteli jelleggörbét.
Köszönöm szépen!
Reméltem, hogy hasonló választ kapok a hangolást illetően. Hasznos volt a link. Valahogy sejtettem, hogy nem lehet annyira bonyolult. A trimmreket már kezdéskor "bejárattam", megtisztítottam, de lehet, hogy tényleg kicserélem az összeset - nem tűnik nagyon bonyolultnak. Ennyit megér. Esetleg a phono-erősítővel kapcsolatban (TBA műveleti erősítő helyettesítés) leírtakra vonatkozóan lenne ötleted? Első körben inkább azzal kezdeném.
Bár volt az ismerősöknek hasonló rádiója, erre vonatkozó panaszt nem hallottam. Van helyettesítő tipusa, ami ugyanolyan lábkiosztású: TBA231 Konkrét tapasztalatom nincs a ilyen IC-k -kel, az én rádiómban (Dansk) tranzisztoros ez a rész, de még a Bang & Olufsenben is. Van itt a fórumon RIAA korrektor topik is, de abból sem tudtam ötletet nyerni, van ott az elektroncsövestől kezdve minden is. Vagy cseréld ki az IC -t egy ugyanolyan lábkiosztásúra, esetleg egy foglalat segítségével többet is ki lehet próbálni benne, ha nem drága. Vagy szétnézni a hasonló rádiók kapcsolási rajzai közt, nem egy nagy panel, igaz jó pár ellenállással, de akár egy próbapanelre is megépíthető, annyira nem bonyolult.
Hát ez az... van hasonló lábkiosztással alkatrész, de nem vagyok biztos benne, hogy megéri vacakolni vele. Öreg darab... pusztán csak arra lennék első körben kíváncsi, hogy komolyabb átépítés helyett elég lenne -e csak az IC- t cserélni? TBA231 - van benne a rajz szerint. Vagy kell -e ellenállásokat, kondikat is cserélni ahhoz, hogy egy másik alkatrész rendesen működjön -értelemszerűen ahhoz kell -e igazitani? Egy komolyabb korrektort persze lehet építeni simán, teljesen új kapcsolással - találtam is itt néhányat, még talán be is lehet építeni az eredeti panel helyére - a táphoz igazítva a kapcsolást és a panelt, de egyenlőre az eredetivel próbálkoznék... pl. TL 082 (vagy bármi más) emelne valamit a dolgon? Persze nincs kizárva, hogy más is okozhatja a sziszegést.... pl. nincs jól beállítva (vagy "elmászott" ) az erősítés, vagy a visszacsatolás. Pl kiszáradt kondi, tápzűr... stb.
Szia!
A TBA739-et régebben TDA2310-re cseréltem. Semmilyen változtatásra nem volt szükség. Üdv A hozzászólás módosítva: Feb 25, 2020
Köszönöm szépen a tanácsot!
Ennyit még simán megér. És valóban: TBA739 van benne - én tévedtem. A hozzászólás módosítva: Feb 25, 2020
Szervusztok!
VIDEOTON 6868 S alanyt leporoltam, helyrepofoztam, de hiába cserélem ki a puffer-kondikat 2 X 6800/63 V -ra, nagyobb hangerőn (vagy nagyobb mély kiemelésnél) "megrángatja" a skálaizzók feszültségét és szerintem torzít is. Egyébként + - 31 V-ot mérek a kondikon, ami elvileg ok. Persze a műszer lusta, így nem tudom mérni, mennyit esik a táp nagy terhelésnél. 6 OHM-os hangszórók vannak rajta - ez nem ideális - tudom, de az a gyanúm, hogy valami más bogár is játszik, mert még fél hangerő sincs beállítva és már észre lehet venni a "hunyorgást" a skálaizzókon. Tulajdonképpen lefullad a táp...szerintem. Ilyenkor mind a két végfok torzít - ahogy hallom - bár nem nagyon, de azért észrevehetően. Kérdések: Lehet olyasmi, hogy megnőtt valahogy a táp belső ellenállása, vagy esetleg a vezetéknek, vagy a forrasztásoknak ... ? Nem szívesen bontanám szét teljesen úgy, hogy a kötelező vizsgálatok után nincs konkrét kiindulási pont. Benne van a hibázás lehetősége. Érdemes lenne -e tovább növelni a pufferek kapacitását, esetleg a végfok (vagy meghajtó) tranyókat kicserélni, vagy újra vezetékezni a nagyobb áramot szállító vezetékeket? Mivel a két végfok is egyformán viselkedik, kicsi esélyét látom, hogy itt kellene keresni a hibát, de ha egy alkatrész-frissítés jót tenne a cuccnak, akkor belevágnék. De csak ha muszáj. Egyébként 1988-tól állt egy dobozban, szépen becsomagolva, egy karc nincs rajta, a plombáját is most törtem fel. A kötelező dolgokat: ú.m. tisztítás, kontakt-spary, stb... megtettem - semmi brumm, zaj, recsegés. De hát több mint 30 éves....Köszönöm, ha segít valaki.
Szia! Lehet, hogy nálad nem ez van, csak tippelek, de amiket leírtál, az egybevág azzal, amit majd elmesélek.
Idézet: Van a fiamnak egy ugyaolyan Dansk rádiója, mint az enyém. Csak az enyém fűtött száraz szobában volt mindig, ő pedig pár éve vette használtan, én hoztam rendbe. Az is furcsa dolgokat produkált brummos lett, össze-vissza ugrált a hangoló fesz, stb. Kiderült az összes problémát néhány üvegcsöves biztosíték érintkezési hibája okozta. Esetleg nem ártana át nézegetni őket mind a hálózati trafó primer és szekunder körében is, mert elég az, ha valamelyik nulla ohm helyett néhány tíz ohm lett az oxidációtól. Ráadásul ez még pénzbe sem kerül. Ha ez nem segített, akor még van esetleg máshol is elkó a tápban. „Egyébként 1988-tól állt egy dobozban, szépen becsomagolva, egy karc nincs rajta, a plombáját is most törtem fel.” Ilyesmi eszembe sem jutott! De megnézem: elvileg lehet évtizedes por az érintkezőkön, vagy oxid... Köszönöm az ötletet.
Mi is a típusa? Mert 6868 nem létezik.
Mea culpa... 6363 s
8 ohmra 2*25W szinuszos teljesítményt tud oldalanként. Adj jelet rá mondjuk onlinetonegenerator.com-ról, és mérd úgy a tápot, akkor nem kell dinamikus beeséseket keresned.
De elég nagy az előfok erősítése, simán lehet, hogy fél hangerőnél már teljesen kivezérled a végfokot. És a 6 ohmos modern hangszórók impedanciája sokszor alacsonyabb.
Köszönöm! Nagyon jó ötlet... Az előfok amúgy is gyanús, mert mintha zajosabb lenne a kelleténél. Lehet, hogy esetleg többet erősít a kelleténél - zajjal együtt. Ezt a fokozatot amúgy is szeretném átépíteni, mert szükségem van egy rendes-csendes riaa korrektorra. Ide valami modernebb tervezésű áramkört néztem az eredei TBA műveleti erősítő helyett, és már kaptam is ezzel kapcsolatban tanácsot itt a fórumon. Nem lennék meglepve, ha ez a rész okozná az összes bajt. Egyébként az általad leírt eset összecseng azzal a tapasztalatommal, amit eleinte nemigen tudtam mire vélni, nevezetesen: már kis hangerőpoti állásnál nagyon hangos a cucc. Ezek szerint túlvezérelheti a végfokozatot. Bár az furcsa, hogy a rádió üzemmódban is ugyanilyen hangos, az pedig nem ezen a fokozaton megy keresztül, ha jól látom... vagy van köze hozzá?
Köszönöm az ötletet.
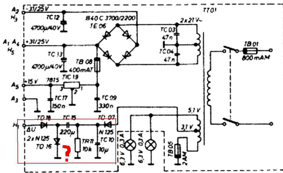
Egyébként meg tudja valaki nekem mondani, hogy a táp rajzon amit pirossal bekereteztem, mi akar lenni? Mert olyan, mintha feszültség kétszerező volna, de a 220 µF két egymással szembe fordított dióda közt van. Ráadásul a 6,3 Voltos skálaizzós tekercs felénél. Jól látom, hogy 3,1 Volt? Mi a búbánat lehet ez? Mert ilyet életemben soha nem láttam. Videoton RA 6363 S rajz. Nekem csak olyan könyvem van, amiben a Kleopátra van, de annak a tápjában nincs ilyen!
Az előerősítő nevű egységbe a nagyszintű jelek nem mennek, a szabályzóegységbe viszont igen, amiben gyakorlatilag két előfok van. Most nem néztem meg a rajzot, de biztos, hogy a rádió is átmegy azon, mert abban van a hangszín is.
Bővebben: Link Van ez a mod az erősítés csökkentésére, de ez az átvitelt is módosítja. Egy próbát megér, én még nem próbáltam. A sárga kapcsolási rajz a legjobb hozzá: Link Én biztos kiszedném belőle a gyári riaa panelt, van jópár kész modul és kapcsolás is, ami jobb annál. De végén semmi sem marad az eredetiből A szabályzómodulban szokott nekem a zaj problémát okozni, és nem fix típushiba, valamelyiknél a jobb, másiknál a bal. Összecserélget az ember dolgokat az oldalak között, megvan a hiba forrása, aztán mégse. Néha az egyik oldalon szinte semmi zaj nincs, a másik meg zavaróan zajos, és akármit csinálok a földhurkokkal, csak kicsit lesz jobb.
Igen... én is terveztem ennek a panelnek a cseréjét. Kerestem és találtam is olyan kapcsolást, aminek nagyságrenddel jobb paraméterei vannak és amihez jó a meglévő tápfeszültség is, hogy ne kelljen külön szimmetrikus tápot építeni - bár az sem lenne egy nagy "was is das".
Ma már készen vannak olyan Op.Amp -ok amilyenekhez hasonló tudású áramkört diszkrét diszkrét eszközökkel komoly meló volt anno felépíteni, bár pont ez volt benne a lényeg.. szerintem. És találtam az imént egy fórumos társunk bejegyzést, amely pont az előerősítés csökkentését magyarázta el - 2 kondi eltávolításával. Úgy látszik, ez az anomália sokunknál előfordul. Lassan összeáll a kép. És tényleg csak hobbiból - mert kedvet kaptam a nosztalgia jegyében - játszom vele egy kicsit. Persze a házimozi cuccomat meg sem fogja közelíteni, de nem is ezért piszkálgatom. Felrémlik a 80' -as évek technikája, amikor még érdemes volt barkácsolgatni, és elbüszkélkedni egy sikeres építéssel. Gyerekkoromban építgettem utoljára erősítőket, gitártorzítót, "flanger" effekteket, sőt szintetizátort is, amikor még nagy dolog volt a 741 -es műveleti erősítő. Szóval érdekes terület ez még mindig pláne, hogy itt sokunktól tanulhatunk.
Ez a kikapcsoláskori némító áramkör része. TC10 feltöltődik kb. 3.5 V feszültségre bekapcsolt állapotban, majd erről a feszültségről a TC15 is feltöltődik a TD16 diódán keresztül. Amikor megszűnik a hálózat, a TC10 a TR11-en keresztül viszonylag gyorsan kisül, a TC15 pozitívra feltöltött elektródáját lehúzza testpotenciálra, ezáltal TC15 bal oldala a testhez képest negatív potenciált vesz fel. Ez a negatív jel a TD18-on keresztül a szabályzó modulban az ST50 tranzisztort nyitja (a bázis testpotenciálon van), működésbe lép a némítás. Én így értelmezem a működését.
Sziasztok,
sokat böngésztem , de az alábbi konkrét témákkal kapcsolatban lenne szükségem egy kis segítségre: • Lemezjátszóról Videoton ra6363s phono bemenetére hiába adok sztereo jelet (DIN-en), csak az egyik oldalon szól a hangsugárzó. Másik ugyanilyen videoton ra6363s-sel hibátlan. Van erre egy joker ötletetek esetleg? ![]() • Ugyanez a 6363s FM tunerére hiába adok külső antennát, sosem érem el vele a súgásmentes vételt (signal max 20%-ra megy fel). Tesztelve másik ra6363s-sel ugyanazon a helyen tökéletesen tiszta (signal 100%). Annyit sikerült finomítanom, hogy enyhítettem a súgáson/recsegésen a tuner tetején található 2 poti (erősítő hátuljától nézve a tuner tetején lévő második és harmadik nyílás - M47 felirat van mindkettőn) enyhe tekerésével (ekkor lett a signal 0->20%). Van erre viszonylag egyszerű megoldás? Hogy keressek rá (milyen kulcsszóval) a megoldásra?• Keresek a nevezett vidihez bekapcsoló nyomógombot (csak a külső krómozott felületet, fm memory tekerésére szolgáló fekete műanyag adaptert, fm memory ablakot. Van esetleg szakember javaslatotok a fent felsorolt hibák megoldására? Előre is köszönöm!
Üdv mindenkinek.
Vettem egy Vidi 6363 S erősítőt, és összeraktam egy akai lemezjátszóval. Remekségesen működik, de este lefekvésnél feltűnt hogy a bal oldal surrog néha mintha egy macska akarna kijönni a dobozból. Nem foglalkoztam vele mert reggelre már valahogy nem csinálta. De most hogy már vinném el nagyinak megint feltűnt hogy halkan sistereg, hangerőállástól függetlenül. Átmegy a szűrőkön is bár a mélyszűrő megfogja a nagyját. Nincs bedugva semmi hátra csak a hangszóró, úgy is csinálja, megcserélve a hangszórókat mindig csak a bal zsinnyeg. Kocogtattam benne az elkókat meg a modulokat de semmi nem hat rá, csak susorog úgy ahogy kedve tartja. A érintés némítás elhallgattatja, de minden bemeneten ott van. Nem nagy katasztrófa mer nagyinak raktam össze és kicsit ő már nem hall, de mégis mindent idegesítően lehalkít tehát más meg hallaná hogy valami nem kerek. Én meg nem akarom bekoszolni a vidi hírnevét... koszos az már kellően. De csak kihoznám a legjobbat a lehetségesből. Előre is köszönöm ha tudtok segíteni és szép napot!
Megtaláltad azt, amitől én is megőrülök. A szabályozó modulban szokott a zaj lenni, ha az oldalakat kihúzott kondi lábakkal és rövid drótokkal cserélgeted a gyári rajz alapján, meg lehet találni, hogy a szabályozómodul előtt, az első fokozatban vagy a másodikban keletkezik a zaj.
Vigyázz, ha a második fokozatot keresztbe cseréled, a hangszín potmétereket is keresztbe kell bekötni! Talán a 6383 rajza jobban követhető, mert ott egyben látszik az egész. Kis zajú tranzisztorok kicsit segítenek, de van, hogy képtelenség eltüntetni, még a nyákot szétszabdaltam földhurok megszüntetés miatt. Van olyan darabom, ami nem zajos, szóval nem esélytelen.
Tehát katasztrófa.. Nem érzem magamban a lelki erőt hogy elkezdjek variálgatni szerencsétlennel, lelkes amatőr vagyok, nem szaki, bár jóllehet a szakbarbár kifejezés korrektebb. Első döfésnek szerzek egy kölcsön szabályzó modult hátha úgy kiütök egy két száz lehetőséget aztán újrakondizom az egészet ha úgysem. Illetve ahogy Bödőcs fogalmazott ''ezesetben megtanulunk együttélni a problémával.'' Van egy nagy tornyom azzal megfogtam az isten lábát mert semmi baja nincs, pedig nem volt szerelve soha. Ami minden barátomnak jutott kis torony meg pár ilyen 6363 mindd szívnak vele. Pedig ennek is olyan hangja van hogy könnyek szöknek a fülembe. Bár mintha a végfok elég korán meg lenne hajtva mert már 3. állásban ordít 5 fölött meg nem sok változik.
Köszönöm a választ/okat, ha lelek valami érdekeset még megjelenek.
Úgynézki megvan a defetista tranzisztor. A szabályzó modul hetes lábán megy ki a végfokba az analógia, ott recsegteti a képet rendesen de a hatos pontban, ahol a szűrőkből jön vissza a jel ott még nem recseg. A tápfesz is hullámzik rendesen, bár engem egyenlőre nem hat meg. Még nem jött meg az alkatrészem de szerintem a ST 12 jelű tranyó haláltusája hallatszik. Remek dolog egy szkóp ha van, csak ne kéne azt megszerelni mielőtt azzal szerelnék valami mást... Öregember nem vénember.
További szép napot és kellemes hétvégét! |
Bejelentkezés
Hirdetés |





, de az alábbi konkrét témákkal kapcsolatban lenne szükségem egy kis segítségre: 
Hogy keressek rá (milyen kulcsszóval) a megoldásra?







