Fórum témák
» Több friss téma |
Anélkül nem lenne a másodperces villogás
. Akkuhibakor csak elfelejti az időt, ha van táp, akkor az óra beállítható és működik. De nálam nem állítható be, bert a másodperces villogás során nullázódik rögtön.
Nálam is van egy készülék, ami ugyan ezt produkálja... Az aksi kikötése után viszont beállítható, nem nulláz magától, de áram nélkül ugye elfelejti
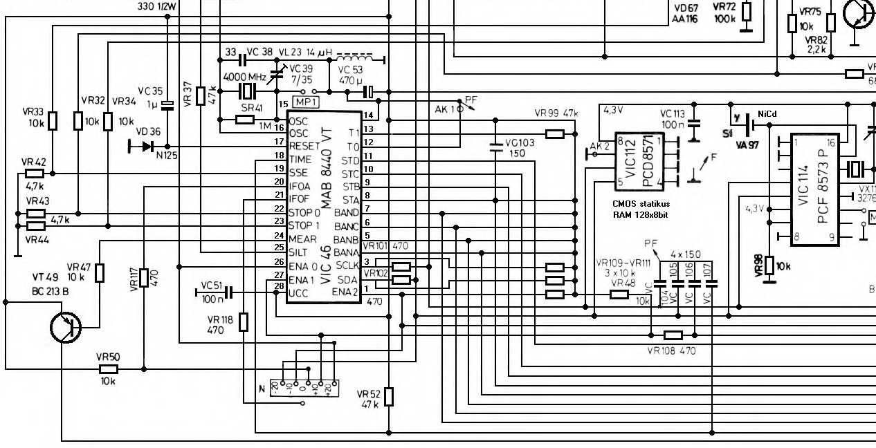
Vettem PCF8573-at, majd kiderül, írok róla. A PDF egyértelmű: If the voltage VDD − VSS1 falls below a certain value, the
operation of the clock becomes undefined. Therefore a warning signal is required to indicate that faultless operation of the clock is not guaranteed. This informatio is latched in a flag called POWF (Power Fail) and remain latched after restoration of the correct supply voltage un a write sequence with EXECUTE ADDRESS has been received. The flag POWF can be set by an internally generated power fail level-discriminator signal for applications with (VDD − VSS1) greater than VTH1,orbya externally generated power fail signal for applications wi (VDD − VSS1) less than VTH1. The external signal must b applied to the input PFIN. The input stage operates with signals of slow rise and fall times. Internally or externall controlled POWF can be selected by input EXTPF as shown in Table 2. Az EXTPF a 15-ös lábhoz van húzva, amit az akku támaszt: Külső reset van, az akku merülésével, ha 1V alá esik, akkor generálódik a reset jel is. Az első értékbevitel (ami pedig működik, hiszen léptet) pedig törli a reset-et. Ez a törlés pedig hatástalan, a következő másodperc ciklus ismét reset-et eredményez. Elvileg a túl magas akkufesz okozhat gondot, de szó sincs ilyesmiről nálam. Marad az IC maga.
Kicseréltem, ugyanaz. Aztán átforrasztottam az egész panelt (az óra környékét előzőleg már átforrasztottam), megint nincs változás. Elkezdtem hagyni, mérni az akkut (nagyon rég ment a rádió, nem használtam), 1,1V-nál még mindig szarakodott, 1,23V-nál mikor mértem, már megmaradt az óra. A fene sem érti, az akku vadi új volt, mikor beszereltem és akkor is mértem pedig.
No akkor hagyom bekapcsolva sokáig
Na akkor holnapig töltögessen az aksira :smoke:
Na nem kellett várni holnapig :integet2: Rágyúrt :boxer: 1,26-ra és helyreállt az idő :kalap:
A PDF 1,1V-ot említ minimumnak. Végülis logikus, de egy vadiúj és töltött akkunál eleve beszerelve mérve, ennél több volt a régi IC mellett...Áhh, :legyint: , még egy unalmas eset megoldva
.
Sziasztok!
Az auto blend funkció tudjátok mit csinál? Illetve a fix, vagy a variable outot célszerű használni a 7386-os erősítőhöz?
A gyengébb sztereó adások esetén igyekszik a zajt csökkenteni.
A kimenetek közül azt használod, ami szimpatikus.
Köszi!
És az mitől lehet, hogy a memóriába lévő adók váltásakor a gomb megnyomás után, de az adó megszólalása előtt egy ilyen zaj szerű erőteljes hang van. Kb fél másodperc, és utánna tisztán jön az adás. Magasabb frekiken ~104 MHz körül/felett már igen erős. Alatta kevésbé.
ÉRDEKLÖDNÉK KI TUDNA SEGITENI. 7300 FEKETE
HOGYAN KELL ORÁT BEÁLLITANI, RÁDIÓÁLLOMÁSOKAT LEMEMORIZÁLOM KIKAPCSOLOM .BEKAPCSOLÁSKOR UJRA KELL HANGOLNI ,ORA 0 0 VILLOG. ELÖRE IS KÖSZÖNÖM
Emeld le a tuner fedelét, és cseréld ki benne azt kék színű Varta akkut egy 3V-os elemre. A lomexnél vagy a HQ Video-nál kapsz hozzá foglalatot, de bármely kiszuperált számítógép alaplapból ki lehet operálni! A számítógép elem típusa CR2032. A nyákot a csere előtt tisztítsad meg a régi akku által okozott szennyeződésektől, majd mosd le alkoholban! Ezután építsd be az elemfoglalatot. Ezután biztos meg fog "javulni" a rádió memóriája és vele együtt az óra is!
Az Auto Blend funkció elvileg arra hivatott, hogy a térerő függvényében csökkentse a sztereó dekóder zaját. Amit úgy ér el, hogy a térerő gyengülésével fokozatosan növeli az áthallást a két csatorna között. Tehát közel 0 térerőnél mono vételed lesz, míg erős jelnél sztereó vétel lesz.
Az erölködőhöz szerintem mindegy, hogy melyik kimenetet használod. Ha van rá magnón és a gyári tuneron kívül kötve valami, akkor variable (ezzel be tudod állítani, hogy a HiFi torony részeihez illeszkedjen hangerőben a tuner is). Ha csak a Klasszikus dolgok vannak az erősítőhöz kötve, akkor mindenképp a fix kimenetet használd!
Akkuhiba esetén hiába hívod be az órát, azonnal át is ugorja!
Üdv!
Tegnap került hozzám egy RT7300S. A tápegységét kellett átnézni, még az éjjel sikerült üzembe helyezni, úgy tűnik, hogy működik rajta minden. Lenne azonban pár kérdésem: 1. FM sávokban lentről felfelé keresve 20kHz-cel az adó frekvenciája alatt áll meg, fentről lefelé keresve pedig a pontos frekin. Érdemes ezzel foglalkozni, vagy gyárilag ilyen mindegyik? Esetleg nem ilyesmik finombeállítására van a rajzon a processzor alatt az "N" jelű kapcsoló? Vagy inkább az FM KF-en kellene hangolásközepet állítani a névleges frekin? 2. Nem lehet valahogy rávenni, hogy FM sávokon ne 10, hanem 50kHz-enként lépjen, keressen? 3. Az akku elég ramaty állapotban van a panelon. Arra gondoltam, hogy felragasztok oda a penelre vagy mellé a kasztnira egy 2-es vagy 3-as AA elemtartót (vannak itthon) és alkáli elemekkel táplálnám meg az órát. Ez szerintetek jó megoldás lenne? Érdemes lenne kiemelni VR98 egyik lábát elemes táplálás esetén? Előre is kösz a válaszokat!
NAGYON NAGYON SZÉPEN KÖSZÖNÖM A SEGITSÉGEDET
Igen, azóta egyértelműen rájöttem erre a jelenségre, mint olvashattad
. A PCF adatlapja e tekintetben nem volt számomra elég egyértelmű.
Hanem ez az akkus dolog nem az igazi, le is írom, miért.
Az IC adatlapja 1,1V-ot említ (az SRAM 1V-ig nem felejt). Ez a két eszköz rendre 3 (max. 10)uA-t és 50nA-t fogyaszt. Ez azt jelenti, hogy egy maibb, alacsony önkisülésű akkuval is elmegy pár évig. Igenám, de a gond ott van, amikor be van kapcsolva a gép: Ekkor az akku és a föld között egy 10kOhm-os ellenállás van. Mivel egy soros dióda is van a körben, az akkufesszel együtt ezen az ellenálláson kb. 2,8-3V fog esni, az elfolyó áram, ami az akkut is tölti, mindössze 300uA körül van. NiCd akkuknál a memória háttértár funkcióban, állandó töltésre 0,05C ajánlott, ami egy 600mAh-s akkunál is 30mA lesz.Az IC pedig továbbra sem tart megbízhatóan 1,23V-os cellafesznél sem! A gond tehát az, hogy a javasolt töltőáram százada csorog át az akkun, ez arra sem elég, hogy az önkisülését szinten fogja. Az eredeti akkuról én semmit sem tudok, de egy ötletem van a dologra. -Ki fogom szedni az akkut és egy normál, tartós ceruzaelemet fog kapni. -Próba erejéig egy 75Ohm-os ellenállással söntöltem a 10k-s ellenállást, így legalább hajlandó volt rendesen tölteni. De a gyári, 10kOhm-os ellenállás gyanús: Mi van akkor, ha az akku helyén ténylegesen egy elem volt, amit a 300uA árammal kondícionálnak üzem során (ez az elvi fogyasztás mintegy 30-100x-osa)? Mert akkut tölteni ez az áram egyszerűen túl kevés, ehhez egy 60mAh-s akku lenne körülbelül ideális, de a benne lévő gyári megfejtés mérete ennél sokkal nagyobb. Ami továbbra is fura, hogy névleges cellafesznél meg az óra nem tartja magát. Valamint, a ma kapható, nagy sűrűségű akkuknak az önkisülése is sokkal nagyobb annál, hogy ilyen üzemben használható legyen.
Én nemrég egy ilyen készülékben az eredeti akku helyére beforrasztottam egy 2xAA elemtartó vezetékeit, magát az elemtartót egyszerűen a fém készülékházhoz ragasztottam. Az elemtartóba került két alkáli elem, sokáig hezitáltam, hogy a 10k-t kiszedjem-e, a végén a helyén maradt. A készülék azóta teljesen jól működik, jár az óra, nem felejti a csatornákat. Szerinted okoz kárt az elemekben tartós haszálat eseén a 10k-n keresztül rájuk jutó áram?
Amit én kiszedtem, eredeti akkut egy ilyenből, az úgy nézett ki, mint annak idején az AT alaplapokban lévő, összezsugorozott gombakku-packok (csak valószínűleg ebben két cella van, de szét nem bontottam és ráírva sem láttam semmi értelmeset). Tehát lehet, hogy az a 60mAh kapacitás nem is olyan irreális feltételezés. Még az is lehet, hogy lehetne ilyesmit szerezni ma is, csak nem tudom, érdemes-e.
Szerintem ennyi kondícionálást elviselnek. A perfekt megoldás az alkáli-mangán, hivatalosan is újratölthető elemek lennének, de 300uA-től tartósan sem fognak szerintem lukadni. Esetleg a cellafeszt 1,8V körül valami három diódás megoldással megfogni érdemes lehet. Amúgy napi használatban, pár óra üzemmel, sok óra pihenéssel nem hiszem, hogy bármi nagyon durva történhetne velük.
Próbálkoztam, ahol van, k*rva drága. 1,2V-os a cella legalábbis a rajz szerint, ha a jelölés korrekt, az IC az 6V-ig üzemel, lehet, hogy beletolok két elemet
.
Nekem valamiért úgy tűnt, hogy a rajz ellenére ott 2db cella van. Már meg nem mondom, hogy leírva láttam-e valahol, vagy miért, de valamiért határozottan erre emlékszem.
Szerk: szerintem a két 1.2 vagy 1.5V-os cella tökéletes arra a helyre, annak idején én is tanulmányoztam az IC adatlapját, rosszat biztos nem csinálsz vele, ha ilyen tápot adsz neki. Egyébként több helyen is találkoztam olyan javítási javaslattal, hogy nyugodtan tegyünk bele CR2025 vagy CR2032, 3V-os lítiumelemet. Volt, aki azt írta, neki évek óta CR2025-tel működik a rádiója és nincs vele probléma.
Lemértem, az akkuból 4,9uA áram csorog el maximum, ha 1,2V-os. 3,2V-nál pedig 6uA. Ez 60mAh-nál 10.000 óra üzemidő
.
Gyárilag 2,4V 60mAh-s akku van benne...
Az enyémben Egy CR2032 elem van öt éve, amivel azóta is hibátlanul teszi a dolgát!
Nagyszerű, köszönöm. Már egy 1,5V-os elem ugrott be a helyére, teszi a dolgát. Érdekes amúgy, hogy ennek a tunernek a kijelzője (gondolom, Futaba vagy NEC ez is) mintha időtlen volna, baromi nagy fényereje van, pedig nem mai darab..
Sziasztok!
Nekem olyan problémám van egy ilyen típusú tunerrel, hogy hangolásnál 20kHz-el alá hangol az adóknak tehát pl. egy 103.00MHz-en lévő adót 102.98MHz-en talál meg, erre mi lehet a megoldás szerintetek, hogyan lehetne pontosra belőni? Üdv: Laci
Sziasztok!
Szétszedtem a tunert a variálható kimenet poti,kontakthibás volt,kontaktspray kezelés után ez megjavult,viszont eltűnt a kijelző,csak a programhely és a sztereo led világít.FM AM működik.Tudnátok segíteni,hol lehet a hiba???
lehúztad, vagy eltörted a kijelző fűtését! 3 vezetékből álló szalagkábel a táppanelről! Én 2 napig kerestem a hibát az enyémben anno, pedig csak a crimpelés adta meg magát a csatlakozóban.
Ennek a rádiónak, mint minden videotonnak ez típushibája! A kf fázistolójábak alkatrészei sajnos nem a hőstabilításukról híresek! Az enyém "gyárilag" 10-30 C fok között kb. 100KHz-et sétált. Több napi kisérletezéssel sikerült megoldani
Tehát Videoton for NEVER!!! |
Bejelentkezés
Hirdetés |




. Akkuhibakor csak elfelejti az időt, ha van táp, akkor az óra beállítható és működik. De nálam nem állítható be, bert a másodperces villogás során nullázódik rögtön.
Na akkor holnapig töltögessen az aksira :smoke:
. 
Tehát Videoton for NEVER!!! 




