Fórum témák
» Több friss téma |
Igen, főképp a dielektrikum más. Ha megnézel egy üzemi, és egy indítókondit, azonos kapacitásérték mellett az indító sokkal kisebb. Ezeknek a kondenzátoroknak van üzemidejük, ezen belül garantált a kapacitásuk, feszültségtűrésük, stb.
Szia!
Köszi neked is a választ, de volna még kérdésem. Ha valahonnan a kezembe kerül 1 db kondi, hogyan tudom megállapítani, üzemi-e, vagy indító? Jelölés nem utal rá? És még egy kérdés, bár lehet, hogy hülyeség. Fénycső fázisjavító kondi nem jó véletlenül a villanypásztorhoz?
Felismerni úgy lehet,hogy az üzemi kondi fehér színű és egy fix kapacitás érték van rajta feltüntetve,míg az indító fekete és a kapacitását úgy jelölik hogy pl:40µF-50uF, vagy 160µF-200uF. A fénycső kondi általában 250v-os,ez szerintem feszültség értékileg kevés.Bár láttam olyan villanypásztort amiben ilyen volt.Azt mondjuk nem mértem meg hogy hány voltra töltődött fel.
Szia!
Kösz neked is, és 'mex'-nek is a válaszát. Értékes volt, ismét tanultam valamit. Üdv mindkettőtöknek!
Múltkor próbáltam valamilyen darlingtont egy pár percig ment, de egyszer, amikor a tirisztor a másik felén kisült, akkor elpukkant. Biztos kapott valami tranzienst, vagy túláram volt a töltési szakasz elején. Próbáld ki vele, meghajtani meg fogja az biztos.
Az IRF540 is jó, én is azt raktam bele amikor a tranzisztor elhalt. (vagy IRL540-et, az már 5V-on kapcsol.)
Cavalier ,poros köszönöm! Csak azért kérdezem,mert már láttam a kapcsolásokban sokféle tranzisztort ezen a helyen,kezdve a 2N3055-től BD,BU típusoktól egészen a BUT11-12 -ig bezárólag.A BU508-at és hasonlókat még nem próbáltam.Ha a 2N3055 tranyó a 70V CE feszültségével megfelel akkor már nincs is nagy gondom,mert van belőle,de nagyobb feszültség tűrésű más fajták is vannak amik áramra is elégségesek.Esetleg egy diódát (nem zénert) "védelem" szempontjából tegyek az áramkörbe a C és E közé?
Az eddig építettekhez több tranzisztor típust kipróbáltam.
A tranzisztor típusa az elérni kívánt feszültség és az inverter "trafója" közt szoros összefüggés van. Nem használtam még a C-E közé diódát.
Sziasztok!
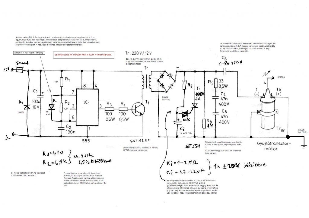
Szerintetek az normális jelenség, ha az 555-öst tartalmazó, inverter körben a bekapcsolást követően a feszültség a normál, 7812-es kimeneti 12V-ról leesik 8,2V-ra ? Nincs rákötve az időzítő kimenetére semmi, csak a multiméter a méréskor. Megmértem a frekit multiméterrel közvetlen az 555 kimeneti lábán, ahol kb. 1,5kHz-et mutatott úgy, hogy csak az egyik mérőtüskét tettem a lábra. Ha a "null" tüskét a bemeneti "földre" teszem, és így helyezem a pluszos tüskét a kimeneti lábra, akkor a mért freki kb. 16kHz. A két 100 Ohmos ellenállás és a tranzisztor bázisa közé téve a pluszos mérőtüskét a mért frekvencia 6,4kHz-re nőtt meg. Az erre a diódás időzítő kapcsolásra vonatkozó frekikalkuláló képlet alapján a kimeneti jelnek 2kHz körül kellene lennie R1=1k, R2=6,2k C=100n használatával, ehhez képest ez a multis mérés szerint csak 1,5Khz. Nem tudom, melyiknek higgyek.
Ha az áramkör a rajzod szerinti, akkor a stabilizátor hiányolja a hidegítőkondenzátorokat. A bemenetére célszerű nagyobb (puffer) elkót, a bemenetére és kimenetére pedig kis (pl. 100nF, meg kéne nézni az adatlapját) kerámiakondit rakni, minél közelebb a lábaihoz.
... Továbbá a nyáktrafóra célszerűbb a stabilizálatlan feszültséget rákötni.
Köszi.
Azért nem tettem bele eddig hidegítő kondikat, mert az adatlapja a 7812-nek azt írja, hogy kis áramú alkalmazásokhoz nem szükséges, illetve pl. bemeneti kondi csak akkor kell, ha hosszú vezetékkel kötöm rá a tápot. Minden esetre az adatlap azt írja, hogy bemenetre 330nF-os kerámiakondi, míg a kimenetre 100nF-os kerámiakondi kell. Ezeket akkor bekötöm, illetve a tápot a trafóhoz közvetlenül a betápról (a feszstab előttről veszem le). Ez amúgy miért fontos ?
Egyáltalán minek a stabilizátor? Ha a táp feszültség nem haladja meg azt amit az NE555 elbír/ha jól emlékszem 17volt/ akkor nincs szükség rá.
A stabilizátort azért raktam be, mert használni kívánt kapcs. üzemű tápom 12V-os állásban 16-18V körül ad le, ami meghaladja az 555 engedélyezett tápfeszét.
Persze 9V-os módban tud működni, de ha olyasvalaki dugja rá a tápot, aki ezt nem tudja, akkor nem szeretném elfüstöltetni az IC-t. A hidegítőkkel megszűnt a fesz.eséses probléma és a kimeneti freki is jelentősen közeledett az elméletihez. Köszönöm a segítséget! Nem gondoltam volna, hogy ez a baja, hiszen az adatlap nem írja kötelezőnek.
Rádugtam az immár hidegítőkondikkal is felszerelt invertert a teljes kapcsolásra és továbbra is az ominózus "zárlatszerű" jelenséget tapasztaltam a gyújtótrafós körben.
Az 555 kb. 2,2-2,3kHz-el kapcsolgat, mely a NYÁKtrafót 230-240V-ra gerjeszti. Ezt mértem a NYÁKtrafó kimeneti oldalán, még egyenirányítás előtt. Viszont ha rajta van a gyújtótrafós kör a NYÁKtrafó kimenetén, akkor egyszer elmászik az 555 kimeneti lábán mérhető freki 7-9kHz-re, illetve a gyújtótrafós körben szinte nulla a feszültség az egyenirányító diódák után. (Megj.: az inverternél a tranyóval a NYÁKtrafóra kapcsolgatott tápfesz. még a feszstabról jön, nem közvetlenül a betápról) Mértem a DIAC két oldalát is, és mind a tirisztor felőli oldalán, mind a kondi felőli oldalán nulla a fesz. a földhöz képest. Nem tudom egyszerűen, hogy mi okozza ezt a zárlatszerű jelenséget. A végfok oldalon lehet szerintem a probléma forrása, mert a NYÁKtrafó kimenetéig minden stimmel.
Mekkora értékű kondenzátort tettél a gyújtó trafó elé?
16uF, 450VAC.
Ha van kisebb PL 4,7uf próbáld azzal, nem baj ha kisebb a feszültség tűrése 250voltos már megfelelne próbára. Ekkor mérj rá.
Rendben. Ezt majd viszont csak holnap tudom kivitelezni. Köszi addig is.
Legnagyobb bánatomra nincs itthon semmilyen olyan kondi, ami többet bírna mint 50V.
Viszont a kondi rákötése nélkül is "zárlatosan" viselkedik. Nem lehet, hogy a tirisztor folyamatosan nyitva van, mert vagy a diac vagy a tirisztor nem működik rendesen ?
Sok választás nincs .Vedd ki a diacot és a kondit.Ha ezek után is zárlat van akkor biztosra veheted hogy a tirisztor zárlatos .
Még mielőtt kivenném, mértem egyet úgy, hogy 16V egyenfesszel megtápláltam csak a végfokot, és az anód-katód lábán a tirisztornak visszakaptam a tápfeszt.
Ebből arra következtetek, hogy nem nyit ki az vezéreletlenül. Mértem a diac kondi felőli lábát, melyen a tápfesz rákapcsolása után a fesz. szépen mászik felfele egy adott értékig, majd beáll. Diac tirisztor felőli lábán a fesz 16V betáp esetén 0,5V.
Kivettem elsőként a diacot, de nem eredményezett változást. (Ha a nagyfesz. kondira gondoltál, akkor azt is kivettem+a gyújtótrafót is)
Kivettem utána a tirisztort is, mellyel megszűnt a "zárlatszerű" probléma. Ez arra enged következtetni, hogy folyamatosan nyitva van a tirisztor, amely vagy a tirisztor tönkremeneteléből eredeztethető vagy pedig abból, hogy a diac folyamatosan triggereli a tirisztort. Egyiket sem tudom, miből ered viszont. Milyen tirisztort használt az, akinek működik a kapcsolása ?
...Nem lehet pl. az a gond, hogy a tirisztor gate-jén nem csökken a a 8mA-es tartóáram alá az áram, és ezért sosem zár le ?
BT151/800
Bt151/800 Igen ez jó oda nekem is ez ketyeg .Diac-nak meg DB3 használtam . Két kollégánál is rendben tartja a kutyákat.A diac olyan 30-32 Volt környékén adna impulzust a tirisztornak tehát addig kellene tölteni a kondenzátort a diac körben.Az ismétlődési periódus pedig 1mp +- 25%.Ha 1mp-re állítod akkor az jó még ha el is mászik egy kicsit.
Kimértem külön a tirisztort, és akkor is vezet a katód-anód ág, ha a gaten nincs feszültség, ami szerintem nem megengedhető. Ebből arra következtetek, hogy sajnos elszállt a gate, tehát csere lesz.
Hogy miért, arra tud esetleg valaki kapcsolásból eredő magyarázatot adni ? Kellene valahova védődióda, ahova nem tettem, vagy mire kell odafigyelnem a következővel ?
Úgy néz ki, hogy nagy nehezen sikerült megtalálnom a probléma nyitját.
Miután kicseréltem a használt és vélhetően hibás tirisztort egy ugyanolyan újra, a zárlat-probléma még ugyanúgy fennállt. Viszont, próbapaneles méregetésem során láttam, hogy ennek a tirisztortípusnak a gateje annyira érzékeny (uA-es triggeráram és 0,4V-os triggerfesz.), hogy már kézérintésre vagy egy fém kontaktusra kapcsol, mely igazolódott a végfokban is. Amikor ugyanúgy visszaforrasztottam a tirisztort, ahogy az előtte lévő is volt, továbbra is "zárlat" volt, viszont amikor leföldeltem a gate-et, a probléma megszűnt és mérhető volt az egyenirányított közel 300V. Miután a diacot is visszaforrasztottam a probléma újból előállt, hiszen ameddig nem nyit a diac a gate feltételezésem szerint "lebeg", de semmiképp sem fix potenciálon van. Nem tudom, lehet-e orvosolni a problémát egy új tirisztor vásárlása nélkül valamiféle kisebb trükkel, vagy csak egy új típus nyújt megoldást erre ?
Szia!
Milyen tirisztort használsz? Tegyél bele BT151-800-at, ahogy a többiek is írták és valószínű menni fog. Csináltam már párat ebből a pásztorból és első rúgásra indult. Mai napig mennek. |
Bejelentkezés
Hirdetés |









