Fórum témák
» Több friss téma |
Az általam építettekben
R1-1K R2 -560 Ohm A kondenzátorok ugyan azok mint a tiédben. Működés közben mérjél feszültséget a stabilizátor után. Leesik a feszültség vagy ekkor is megvan a 12 volt? A trafó meghajtó tranzisztor típusától is függ az elérhető feszültség. Dióda nélkül nem építtetem nem tudom a hiánya menyiben befolyásolja a működést.
Hány voltos a tirisztor? Mert, ha nincs meg 800V, akkor az invertertől jövő tüskék begyújthatják, és ha elég izmos az inverter, akkor nem is zár le. Berakhatsz egy ellenállást az egyenirányítás után, párszáz ohmot pl. Illetve kipróbálhatod diac nélkül is, ha bent van a tirisztor ugyanez-e a jelenség.
Az 1n4148 mint már egyébként írtam itt is meg talán a bss-nél is, van, hogy kell, van, hogy nem. Ha elég jó a trafó, akkor felesleges 50% körüli kitöltéssel pumpálni az invertert, 10%-ossal is simán feltölti a kondit 1 másodperc alatt..
Sziasztok! megcsináltam ezt a pásztort de szerintem ez rosszulvan megrajzolva mer az ic-ket a forrasztás felől kellett berakni, meg a 1 ik tranyósem volt jó! a lábát elkellet hajtani meg a stab ic is forditva kellett betenni.de mostmár jó. valaki nézzemármeg ezt a rajzot szerintetek se jó?
Itt a kapcsolási rajza! az lemaradt. 2 db rajz van erről.
Sziasztok! Elejetol fogva olvasom a temat, eddig meg nem szoltam hozza. Segitsegul azoknak akik
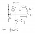
nagyobb teljesitmenyt akarnak es kevesebb kiserletezest (az inverter beallitassal), leirom az altalam keszitett tipust, az elso 2 eve mukodik hibatlanul. Nem azert irom hogy valaki kritizaljon vagy a szabvanyokat ismertesse velem Az inverter reszen a kepen lathato keszen kaphato (kb. 2 euro) univerzalis LCD fenycso invertert hasznalom. Nagyon egyszeru, stabil, max 8W-ot kepes leadni. A bemeneten egy nagyobb teljesitmenyu tekercselt potival lehet allitani a felvett aramot, ami valtoztatja a kimeno teljesitmenyt is. Ha nagyobb teljesitmenyre van szuksegem, az autotrafo helyett a kepen lathato gazolajego gyujtotrafojat hasznalom (12euro bontottan) Itt a teljesitmenynek a C6 kondi merete es az inverter teljesitmenye szab hatart, azert ezzel vigyazni kell (szamitasok szerint el lehet erni 7joule-t).Az Ri-Ci parost es C6 kondit ugy kell beloni, hogy ket impulzus kozt a C6 ne toltodjon tul a max feszultsegen, ami alt. 450, mivel az inverter 1800V-ig kepes tolteni. Ha nem tiszta valami, nyugodtan lehet kerdezni. Udv., Karcsi
Hali
Az addig oké,hogy 1800 voltig képes tölteni,de milyen diódát (egyenirányítás) milyen tirisztort és milyen rásütő kondit teszel bele,mert ugye nagyobb feszültség+nagyobb kapacitás=nagyobb energia és 1800 volthoz képest a 450voltos motorindító kondi az nem egy jó párosítás.
Szia!
Működés közben a stabilizátor után leesik a fesz kb. 8V-ra. A tirisztorom, amit használok TIC106N-es. Megnéztem a te általad javasolt ellenállás értékekkel az 555 kalkulátor programot (itt) de meglehetősen irreális értéket hozott ki mind frekire, mind kitöltésre. (Szerintem rosszul számol a program, vagy rosszul értelmezem a kapott adatot)
Az inverterben használt tranzisztor: BUT11A
A diodak BA159 esek, de elmegy sima 1n4007-ekkel is. Barmelyik triak vagy tirisztor jo16A-tol felfe, nem tul nagy az aram, ugyanis a trafo eredetileg 220V-ra van tekerve. A kondi 450V-ja eleg de ha megvan hogy mekkorat akarsz hasznalni (10-50mikro), be kell allitani a bemeneti potmeterrel es az Ri ellenallassal hogy 1mp-enkent adja az impulzust es a kondi ez alatt ne toltodjon 450V fole. Nem bonyolult. Lehet tenni esetleg 2 kondit is sorba.
Szia.Az invertert hol lehet beszerezni .Ötletes amit csináltál .Én egy 1000 V.os meggert szeretnék építeni ahhoz meg pont jó lenne. Szigetelés vizsgálathoz Amatőr felhasználásra.Ha van készen akkor nem bajlódnék vele most úgy is kevés időm van .
Köszönöm . Swedhart fórum társ (de inkább Mester) által kikísérletezett kapcsolást már megépítettem szintén ferrit trafós kivitel.Csak a hozzá tartozó trafót már nehéz beszerezni csak lomizásból lehetne . Ez meg jó ötletet adott a meggerhez.
Szia. A tirisztor megfelel. A kondenzátor értékén csökkentsél. Akkor a feszültségnek nőnie kell.
Az R1és R2 cserélgetésével próbálkozz. Meg kell találni a trafó meghajtásához legmegfelelőbb frekvenciát. Ez minden trafónál más.
Sziasztok!
Gyári villanypásztor nagyfeszültségű trafójának vizsgálatához kellene valamilyen egyszerű bevált módszer. Gyanítom,hogy a javításon nálam lévő készülék transzformátora menetzárlatos,vagy a trafón belül üt át. Minden működik és még is kicsi a kimenő feszültség. Az 1kV-ot sem éri el. A készülék saját teszt lámpája villog,de a kimenetre kötött teszter 1000V-os szintjét sem éri el a feszültség. Üdv. Ottó
Sziasztok kezembe akedt egy olyan pásztor ami valami önrezgö tápos ,ezt valaki ismeri?
Nos ebböl jött az ötlet mivan ha kiszuperált monitór trafót meghajtok önrezgöre mint a ( nagyfeszültség sorkimenö trafobol ) topicban már irták. Természetessen kissebb kimeneti azaz max600v kimenet és ez menne a tirisztoros gyujtokörre. Egyszerübb lenne : táp= BU326 és trafó a többi része a szokásos diac-os tirisztor gyujtás kondival.
Találtam egy hibát a nagyfeszültségű körben. Rosszul kötöttem be a potit, illetve inkább a NYÁK lett rosszul kialakítva.
A mellékelt ábra mutatja a jelenlegi kapcsolásomat. Remélem, hogy ez okozta alapvetően a problémát. Következő hétre csinálok egy újabb NYÁKot, mely remélem megoldja a problémát. Azért azt addig megkérdezném, hogy valaki ellenőrizte-e az előző hozzászólásomban belinkelt 555 kalkulátort, hogy mennyire ad megbízható adatot. Én nem tudtam 50%-os kitöltési tényező alá menni.
Szerintem a diacot a kondenzátor + ra kellene kötni !
A potmétert az ellenállás helyére kell tenni. A kondenzátor pozitív felét a diacra , a kettő közé már nem kell ellenállás. Még ha rosszul kötötted is be min 200 volt körüli feszültségnek meg kell lennie. Analóg műszerrel mérve látni hogy a tirisztor kap-e "gyújtó" feszültséget. a kisülés után a feszültség leesik majd újra növekszik. Egészen az újabb kisülés pillanatáig. Az 555 ös kalkulátor minden oldalon hasonló eredményeket ad.
Kiszámoltam a te általad használt 555 frekvenciáját és kitöltési tényezőjét a megadott ellenállásértékek alapján, és azt kaptam az alábbi kalkulátor által, hogy a frekvencia kb. 6792Hz, a kitöltési tényező pedig 73,5%. Ez tényleg így van ? Én csak 2 - 2 és fél kHz körül állítgattam eddig.
A másik pedig, hogy BSS elektronikán, ahonnan a kapcs. rajz származik azt írják, hogy 7%-os kitöltéssel kellene használni az invertert, viszont alapesetben nem lehet levinni a kit. tényezőt 50% alá. Ezt hogy oldottátok meg ?
Kell egy dióda
Az 555-ös topicban kiváló példákat lehet rá találni.
Köszönöm. Szinte a post után meg is találtam. Azért nem tettem oda diódát eddig egyébként, mert BSS elektrón azt írták, hogy veszít az erejéből a villanyp. és felesleges is. De akkor ezek szerint mégsem.
Tiszteletem mindenkinek.
Teszek fel két finom csemegét,hogy legyen mit rágcsálni,mind kettő elég ütős folyamatos ív generátor. A hálózati figyelmeztetését nem árt komolyan venni,én azt mondanám,hogy hétvégi forrasztgatók és azok akik nincsenek tisztába az érintésvédelmi szabályokkal ne is próbálkozzanak a megépítésével mert nagyon gyorsan Szt Péterrel kávézhatnak :yes: A 12voltos egy PWM generátoron alapul,ami meg tetszett benne hogy az ívnek a hangja nagyon tuti,olyan mint ha valami hangszer szólna.
Ja értem.
Azt már nemrég kipróbálta valaki sokáig ment róla a hirek azt hiszem felfügesztett lett a vége.
Kedves dizi!
Mint a topic neve is jelzi, az idelátogatók a villanypásztorral kapcsolatosan szeretnének megtudni dolgokat! Az a kapcsolás amit te publikáltál NEM való állatok őrzésére, itt meg ugye az lenne a cél!
Szia
Kis átalakítással villanypásztorként is lehet használni majd felteszem a szelíd verzióját.
Sziasztok
Már kísérleti szinten van az új pásztor amit ígértem. Ennek 1 db BU326 tranzisztor a meghajtása és kész na meg egy bármilyen tv vagy monitor sortrafó . Nagyon olcso nagyon egyszerü. A lényeg hogy a sortrafo 4-500v nál ne adjon ki többet csak annyira kell meghajtani, ebben a dióda is adott és a tekercs is jol szigetelt. Elsö képen a táp rajz ezen a 3,3n kondit 7,8 ra kell cserélni. A 100n kondit pedig 220n re. Majd teszek fel készre szerelt állapotról is képeket.
Sziasztok!
Én az inverteres kapcsolást szeretném megépíteni. Azt szeretném kérdezni, hogy a gyújtótrafó előtti, motorindítónak nevezett kondenzátor helyett megfelelő-e az állandóüzemű kondenzátor? Egyáltalán, mi a különbség az állandóüzemű és az indítókondenzátor között? Előre is kösz a válaszokat! Üdv!
Szia!
Igazából üzemi kondit szoktak használni, csak mindenki motor indítónak mondja. Az üzemi és a motorindító között a külömbség,hogy az üzemi állandóan be van kötve a hálózatba,a motorindító viszont csak az indítás időtartamára,nagyobb indító nyomaték érhető el vele.Ezt vagy relével,vagy nyomógombal szokták megoldani.De itt olvashatsz róla.
Szia!
Köszönöm, egyrészt a válaszod megnyugtatott, mivel nekem üzemi kondim van. Másrészt az is érdekelne kíváncsiságból, hogy azonos kapacitás mellett mi a különbség a kétféle kondi között, felépítés szempontjából. Nyilván van különbség, egyébként nem volna kétféle a megnevezése. De mi? Méret? Dielektrikum? Hogyan lehet felismerni? Üdv. |
Bejelentkezés
Hirdetés |






Az inverter reszen a kepen lathato keszen 












