Fórum témák
» Több friss téma |
Bocsánat, rosszul fogalmaztam, nyilván akkora feszültség jut a drótra, amekkorát a szikraköz enged. Ha kisebb távolságot állítok be, akkor persze a karám feszültség is kisebb lesz. Nem terhelné be megfelelően a kilométer vezeték? Gyári szigetelőket használok, a vezeték is gyári. Semmi nem ér a kerítéshez. Zavaró, ahogy csattog.
Értem.Van pár választásod :1: tegyél kisebb kondenzátort,mondjuk 10µF értékűt,de akkor a töltőfeszültséget is csökkenteni kell,mert a kisebb értékű kondenzátort nagyobb feszültségre töltené mint a mostani állapot. 2:csökkentsd a mostani töltőfeszültséget,hogy mennyivel azt neked kell eldönteni.Van még egy megoldás,de az csattog.Tegyél a karám vezeték végére egy szikraközt,a két csúcs közti távolságot tudod szabályozni,ezzel behatárolod a karámon lévő feszültséget,itt megy el a felesleg,de mikor hozzáérnek akkor ütni fog rendesen.Ezzel a megoldással elkerülhető,hogy a pásztor ne a belső szikraközön csattogjon és ki fog menni az összes energia a kerítésre.
Sziasztok! A segitsegeteket kernem! Adott egy 3 eves pasztor ami a meg adta magat aki gyartotta mondta h javithato vszinu menetzarlatos lett. Messzire kellene postaznom kerdesem ottgon mwg tudom e javitani illetve mit kellene beszereznem ?
Kérdés,mi lett menetzárlatos,az a nagyfesz trafó vagy valami más.Ezt a nagyfesz trafót nem biztos,hogy javítani tudod otthon,bár nem ismerem a lehetőségeidet.Én inkább írnék a gyártónak és kérnék egyet tőle pénzért vagy cserébe,ez már más téma.
Beszeltem vele 6200 ft ugy h vissza is kuldi postan igazabol az ido a gond ..csak tegnap este a lovak olyan helEn voltak ahol nem igazan kenne h legyenek .ezert kerdem h megoldhato e meg csinalni meg tudnam csak ahol erdeklodtem ott nem tudnak sehol beszerezni ilyet ha holnap de tig nem juttok elorebb akkor posta es rendelwk egyett taetalekba is .szikra koz par mm nel megvan afolott semmi...
Szia!
Próbaképp a trafó helyett rakj be egy autó gyújtótrafót..
Mint ahogy kokozo is írja,erre nem is gondoltam,tegyél be egy autó gyújtó trafót s ha jónak tűnik,akár végleges is maradhat.
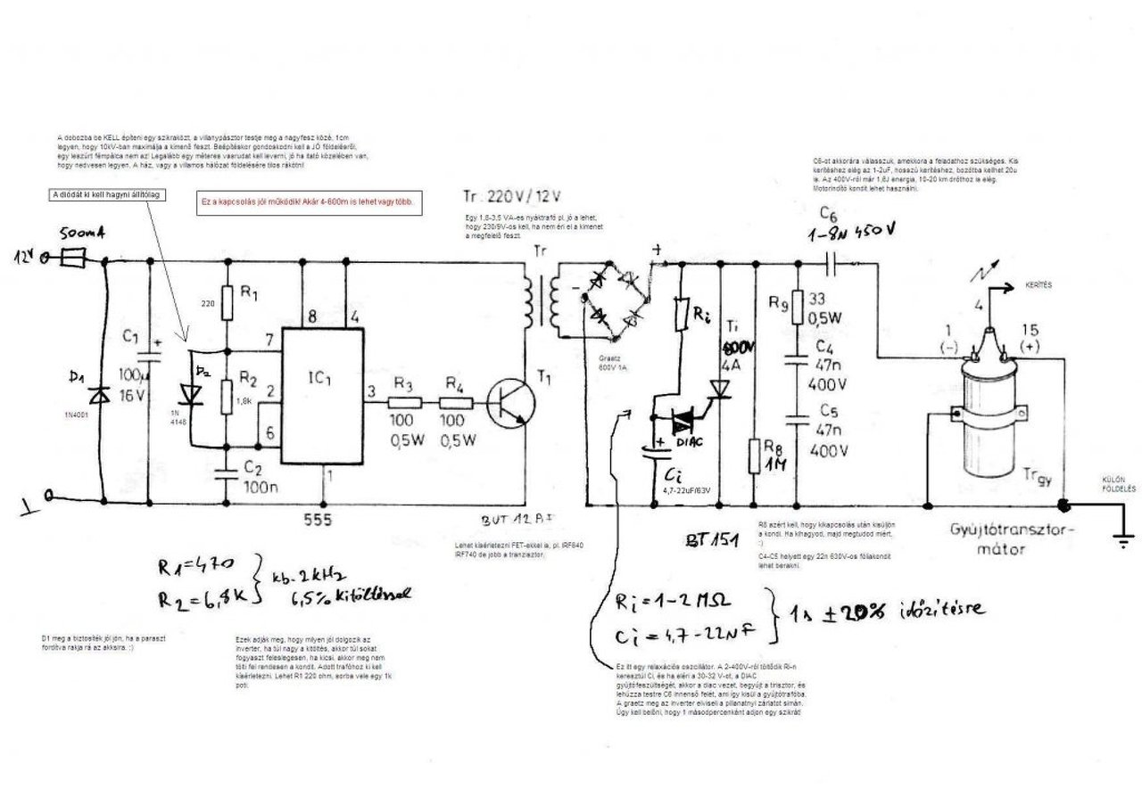
Megépítettem az inverteres pásztort egy kissé áttervezett nyákra Tökéletesen működik. Amikor készült 2 nyákot készítettem. Munkatársam is kért egyet hát ismét összeraktam a mások nyákra. De nem jövök rá mit hibáztam el! A FET pillanatok alatt iszonyú meleg a 20K poti egyik állásában az 500mA biztosíték kiég a másik végállásnál 60mA az áramfelvétel de nem megy. Ha változtatom finoman a poti állását változik a teljes áramfelvétel 60mA től 120mA ig a FET nem meleg, 200mA felet nagyon meleg és a vége Pukk elszál a bizti.
Mit rontok el? Valamit nem látok? Nem jó a stab vagy a FET? A bekapcsoláskor hallom hogy "sípol" úgytűnik a freki megvan. a két nyák közül a diódás változat van megépítve. A képen a jól működő van. A hozzászólás módosítva: Aug 6, 2016
SZia!
Mérhetnél kicsit, hogy hány voltot hajt ki a trafóból a diódahídnál. A betápot nem is értem, hogy 12V-ot kap... de ott egy stab meg dióda, amitől nem igen lesz 12V-od. Kellene vagy 15V, hogy a stabnak értelme legyen, mert így semmi. Az IRF 640-es jobb volna bele amúgy szerintem, a 830-nak nem a legjobbak a paraméterei. Mindenesetre mérd meg a feszt a dióda hídnál, aztán ha megvan, akkor meg a diaknál mérd meg a feszt, hogy működik-e. Az inverter trafó jó?
ÁÁ a tarfó másik oldalán semmi nincs már mint feszültség. Szerintem a 555 és környékén van hiba bár lehet tévedek? Mint írtam is ebből a képen látható verzió stabilan működik. A bemenetien a dióda a fordított polaritásnál jól jöhet. Nem én terveztem a nyákot csak kissé átalakítottam a trafóhoz és a nagy fesz oldalon a kondik méretéhez próbáltam igazítani. A trafó biztosan jó! mielőtt beletettem kipróbáltam
A hozzászólás módosítva: Aug 6, 2016
Ja értem. Akkor a meghajtás rossz tuti. A trafó hajtás felőli lábát forraszd ki és úgy nézd meg mit mutat, akkor már nem szabadna neki lövöldözni a biztit és melegítenie. Egy LED-et a trafó helyére ha bekötöl, látni kéne változást, hogy egyáltalán megyen-e az 555. Szkópod nincs véletlenül? Azzal könnyen látható lenne, hogy mi is történik pontosan a meghajtásnál.
A ledre nem is gondoltam! Igen szkóp!! Szóval most már van szkópom sikerült megjavítani egy
EMG 1568-at Csak még mérni nem tudok szkóppal. Vany játékszerem is nem rég vettem DSO 201 azzal néztem láttam négyszögjelet elég csúnyácska volt
Trafó nélkül csúnya a jel?
Nem lehet hogy valami zárlat van a nagyfesz részén? Annyit tegyél már meg, hogy a trafó 230-as kivezetését kikötöd és rámérsz AC-t, hogy mit mutat. érdekes jelenség amúgy, azért mert csúnya a jel, attól még dolgoznia kéne.
Igazad van!! Csak a trafót hagytam rajta így műkszik a meghajtás. a trafó 230V-os kapcsain 250V-ot mértem az áramfelvétel 80mA valamit elkőttem vagy valaki nem jó a nagyfesz oldalon mindjár nekiesek a műszerrel! Hát igen nem ott kerestem a hibát ahol volt
A hozzászólás módosítva: Aug 6, 2016
Ma már nincs rá időm (Dolgozni megyek) a képen a jel trafó nélkül.
Ez elmegy egynek... A nagyfesz részen valami vagy zárlatos, vagy be van terhelve nagyon és amiatt nem megy.
Méregettem az alkatrészeket és megakattam a diak mérésekor diódának mértem. Szerintem nem azt kellene mérnem vagy tévedek?
Az bizony nem jó.
Cseréld ki és akkor már jónak kell lennie az áramkörnek.
Tudtad hogy az MC7812 nem jó a BT151 helyett? Szégyellem magam de tévedtem a beültetésnél és ez volt az ok hogy nem ment!
Megjegyzem hogy a rajzon azt írják "a D2 dióda nem kell bele" nekem benne van az eddig épített kettő pásztorban és tökéletesen működik. Remélem hogy már ennek a készre szerelésénél sem hibázok el semmit. Köszönöm a segítséget A hozzászólás módosítva: Aug 7, 2016
Erre nem is gondoltam!
![]() Küld vissza a gyártónak a stab IC-t, hogy nem jó. ![]() Legalább megoldódott a probléma, örülök neki. Nekem sosincs benne, sőt a terveket is anélkül készítem. Nem kell bele, de ha benne van sem gond. Sikerülni fog biztos, a nehezén már túl vagy.
Az a szép a dologban hogy nagy valószínűséggel nem is hibásodott meg a stab
egyébként a be táp oldalon nem baj ha ott van így a bemenő tápfesz nagy intervallumban változhat. Az a pár forint nem dönti a megrendelőt nyomorba Este megnézem hogy a kondival és a gyujtótrafóval mit csinál már megy is a dobozba
Igazad van amúgy, de azt is vedd figyelembe... a stab. IC kb 1,5-2V-ot ejt, azaz a 12V kinyeréséhez 14V körül kéne, meg ott a dióda is, ami 0,6V kb. Magyarán 14,5-15V kell a betápnak, hogy legyen értelme a stab.-nak... arról nem is beszélve, hogy fűt mint az állat ha terheled kicsit.
Az eredeti rajzra anno odaírtam, hogy a trafótól függően kell módosítani az oszcillátor R-C értékeit, de van olyan trafó, aminél akkor lesz jó, ha kiveszi az ember a diódát. Ami nekem volt, oda kisebb kitöltési idő kellett, azért van ott a dióda, azzal le lehet menni jóval 50% alá.
Tehát a dióda nem kell bele szöveg baromság, van, hogy kell, van, hogy nem, kinek milyen trafót sikerül szerezni, és mekkora kondit tölt vele.
;( Én naiv azthittem most már rendben lesz minden Tévedtem! Összeraktam a pásztort 360V ot tudok mérni az egyenirányítón csak éppen szikra nincs
Akkor ott valami gond lesz a tirisztor gyújtókörében, mert ezek szerint nem kapcsolja rá a gyújtótrafóra a feltöltött kondit! Mérd meg, hogy a diak előtti kiskodenzátoron mekkora feszültség van!
A hozzászólás módosítva: Aug 8, 2016
Én is erre gondoltam De miaz ami kapcsolgatja a tirisztort ? A diak a 220uf kondi ?
A diak kapcsolja. Előtte már írtad hogy rossz, hát cseréld ki!
A diak egyik lába a tirisztor vezérlő lábára megy (gate-gét), a másik egy ellenállás és egy kondi közös pontjára. Na ezez említett kondi amin meg kellene mérni a feszültséget!
MŰködése röviden: Az ellenálláson keresztül töltödni kezd a kondi, ha eléri ez a feszültség (esetünkben) a 33V-ot (+a gét nyitófeszültsége,60-150mV) akkor a diak vezetővé válik, az az "rásüti" a tirisztor vezérlőlábára ezt a feszültséget és az meg kinyit, rákapcsolja a feltöltött (nagy) kondit a gyújtótrafóra. Ezután kezdődik minden elölről. |
Bejelentkezés
Hirdetés |

















