Fórum témák
» Több friss téma |
Cikkek » E-dice, elektronikus dobókocka E-dice, elektronikus dobókocka
Szerző: vicsys, idő: Máj 6, 2007, Olvasva: 63330, Oldal olvasási idő: kb. 1 perc
Egy nagyon vagány elektronikus dobókocka készítése, lépésről-lépésre.
Nagyon energia takarékos, olcsó, egyszerű és nem utolsó sorban jól néz ki!
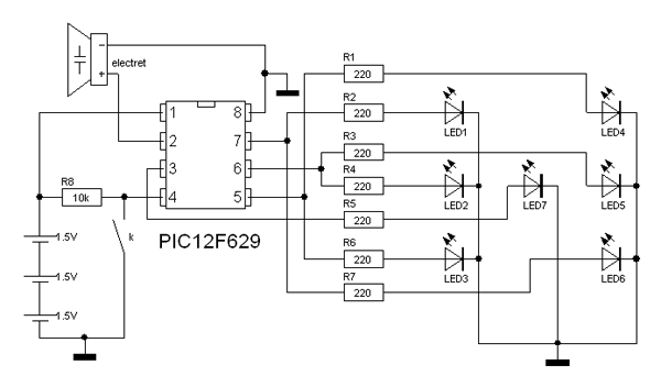
Egy elektronikus dobókocka, ami majdnem tökéletesen leszimulálja a hagyományos elődje tudását. A kapcsolásban szereplő kontroller programja a következőket tudja:
- véletlenszerű értékek generálása, kijelzése, a "hagyományos" módon - A dobás közben pörgetési hang (csipogás) - lassuló pörgés és leállás - a pörgetés ideje a nyomógomb lenyomásáig tart. - automatikus kikapcsolás 30 s "tétlenség" után (telepkímélés) - gombnyomásra feléled (wake up) és folytatható a dobás Az alkatrész lista:
Miután az összes alkatrészt beszereztük kezdődhet a nyák készítés: Innen letölthető a sprint layout-os nyákterv. Innen pedig a PDF-es verzió. Én fotózással készítettem el a nyákot, de szerintem menni fog a vasalásos technikával is. A beültetési rajz innen tölthető le.A készülék (mint az a kapcsolási rajzon is látható) 3db ceruza elemmel működik, így nem kell bele 5V-os stabilizátor IC. Mivel az áramkör lekapcsolja magát, ezért még ki-be kapcsolót sem terveztem rá. A kapcsolásban szereplő piezo hangszórót egy rossz órából termeltem ki. A PIC forrása innen, a beégetendő .hex file pedig innen tölthető le. Készítettem egy kis
videót a működésről. Az utánépítéshez sok sikert kívánok! vicsys Értékeléshez bejelentkezés szükséges! |
Bejelentkezés
Hirdetés |


