Fórum témák
» Több friss téma |
Cikkek » Két érzékelős termosztát Két érzékelős termosztát
Szerző: Bakman, idő: Nov 22, 2014, Olvasva: 23169, Oldal olvasási idő: kb. 1 perc
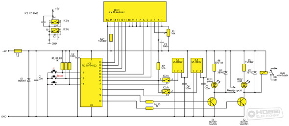
Nagyobb felbontáshoz kattints a képre! Update! Az eredeti kapcsolási rajz tartalmazott egy hibát (a nyomógombok ellenállásai nem jó helyre voltak kötve). A jelenlegi rajz a javított változat. A NYÁK terv viszont eredetileg is a jó kapcsolási rajz alapján készült, a hibáért elnézést kérek! (A kapcsolási rajzot egy grafikai programban készítettem, ezért tűnhet úgy (jogosan), hogy eltér a megszokottaktól.) Haladva a korral és az igényekkel, valamint a digitális technika nyújtotta lehetőségeket kihasználva, az egész termosztát egy PIC 18F14K22 típusú mikrokontrollerre épül. Van belső oszcillátora, EEPROM-ja (a beállítások tárolásához) és kellemesen nagy programmemóriája van, ami kell is, lévén a program Flowcode-ban készült és mint az köztudott, eléggé "szószátyár" programozási módszer. Cserébe szinte gyerekjáték a programírás. Ha a beállításokhoz tartozó "menürendszert" kivesszük a programból, az egész elfér egy PIC 16F690 -es kontrollerben is, de a cél egy általánosan használható, könnyen paraméterezhető termosztát volt. Az áramkör stabil 5 V-os tápfeszültséget igényel, de különösebb élesztési folyamatot nem kíván. Bekapcsolás után azonnal elkezdi mérni a hőmérsékleteket és vezérelni a kimeneteket valamint az LCD kijelzőt. Meglepőnek tűnhet a CD 4066-os analóg kapcsoló használata. A Flowcode eléggé bizonytalan több DS18B20 szenzor használata esetén, ezt a problémát hivatott áthidalni az IC. A dolgot nem részletezném, legyen annyi elég, hogy a CRC használata (ellenőrző adat) és a bármilyen DS18B20 befogadóképessége (egyedi kód) külön programozás/tanítás feladat nélkül így biztosítható a legkönnyebben. A CD 4066 kapcsolja a kontroller vezényletével hol az egyik, hol a másik szenzort a mikrokontroller OneWire bemenetére. A cikk még nem ért véget, lapozz! Értékeléshez bejelentkezés szükséges! |
Bejelentkezés
Hirdetés |



