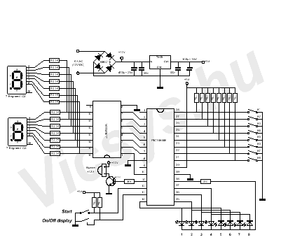
Íme a kapcsolási rajz:

Látható, hogy nincs túlbonyolítva. Az alkalmazott mikrokontroller olcsó, megfelelő számú I/O-val rendelkezik és elég nagy a memóriája a program befogadására. A PIC figyeli a gombokat és elvégzi az időzítéseket is. A kijelzők hétszegmenses vezérlését egy darlington tranzisztor mezőn keresztül oldja meg. Az ULN2003A biztosítja a két párhuzamosan kötött hétszegmenses kijelzőnek, a megfelelő nagyságú szegmens áramot. A maga 500mA-ével képes nagyobb méretű hétszegmenses kijelzőt is meghajtani, így a panelon biztosítva lett +5V-os és +12V-os anódcsatlakozás is. A soros áramkorlátozó ellenállások értékét a kijelzőkhöz kell méretezni.
A tápegység stabil +5V-ot képes szolgáltatni. Az egyszerűség kedvéért egy szimpla 7805-ös stabilizátor IC került bele. Célszerű az áramkört 9V AC vagy +12V DC-ről táplálni. A mindenkori áramfelvétel függ az alkalmazott hétszegmenses kijelzőktől.
A cikk még nem ért véget, lapozz!
Értékeléshez bejelentkezés szükséges!