Fórum témák
» Több friss téma |
Cikkek » Plazmacsöves kivezérlés mérő Plazmacsöves kivezérlés mérő
Szerző: vicsys, idő: Dec 2, 2009, Olvasva: 41608, Oldal olvasási idő: kb. 2 perc
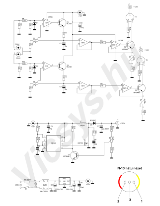
Milyen szép is lenne, ha egyszerűen tudnánk építeni nagyon kis méretben egy-közel száz darab ledből álló- kivezérlés mérőt. Még inkább impozáns látványt nyújtana, ha a ledek fénye átúszna. Ugorjunk vissza az időbe és a ledek helyett használjunk gáztöltésű kijelző csövet!
Az ismertetésre kerülő berendezés rettentő látványos megjelenítést nyújt az alkalmazott IN-13 szovjet gyártmányú plazmacsővel (Adatlapok: 1 és 2). A cső működéséhez +120V egyenfeszültség kell viszonylag kis áramfelvétel mellett. A +12V-os tápfeszültségből kapcsoló üzemű tápegység állítja elő a +120V-ot. Ahhoz, hogy kivezérlés mérőként működjön, szükség van még egy hangfrekvenciás erősítő és csúcs-egyenirányító fokozatra. A cső meghajtását és szintillesztését pedig egy egyszerű fokozat végzi. Erre a három fő részegységre tagolódik a kapcsolás. Hangfrekvenciás jelfeldolgozó és csúcs-egyenirányító A fokozatot részletesen nem ismertetem, hiszen felesleges is lenne, mert nagyon szépen megtervezte és leírta kedves fórumozó társunk Proli007. Ezúton is nagyon köszönöm, hogy megosztotta velünk ezt a rendkívül precíz és annál egyszerűbb kapcsolást. Akit bővebben érdekel, a működése ITT elolvashatja. Annyi változás történt az eredeti kapcsoláshoz képest, hogy elmaradt a zeneres feszültségstabilizáló fokozat, valamint a kimeneti soros ellenállások értéke 10kΩ-ra módosult. A szintbeállító helitrimmerek eredetileg 33kΩ-ra voltak méretezve, én a könnyebb beszerezhetőség miatt itt 100kΩ-osakat használtam. Így is nagyon szépen be lehet állítani. A csövek szintillesztő, meghajtó fokozata a gyári adatlap szerint lett megtervezve. A cső hármas katódja van vezérelve egy nagyfeszültségű tranzisztorral (MPSA42), amit egy műveleti erősítő hajt meg. A kettes számú katód (mint az a kapcsolási rajzon is látható) egyszerűen földre van húzva egy 220kΩ-os ellenállással. A "nullpont" a trimmerekkel állítható be. A cső anód feszültségét (+120V DC) pedig már az előbb említett kapcsoló üzemű tápegység állítja elő. A kapcsoló üzemű tápegység egy szimpla DC-DC konverter. Az astabil üzemmódban működő NE555 IC nyitogat egy nagyáramú FET-et (IRF730), ami a soros 100µH-s tekercsben feszültséget halmoz fel. Ezt a feszültséget egyenirányítás után a kimeneti 2µ2/350V-os puffer kondiba töltögetjük. Ahhoz, hogy ne szaladjon túl a feszültség a kimeneten, egy ellenállás osztón keresztül (ami egy tranzisztort hajt meg) visszaszabályozzuk az NE555 IC-t. A nyomtatott áramkört Proli007 nyáktervének felhasználásával terveztem tovább és alakítottam át. Rákerült még a cső meghajtó fokozata és a kapcsoló üzemű tápegység is.A teljes elektronika elfér egy 60x85 mm-es egyoldalas nyáklapon. INNEN letölthető a Sprint layout-os nyákterv. (jobb gomb/cél mentése másként...) A kapcsolás nem igényel túl pontos és/vagy különleges alkatrészeket. A fokozatok jól elkülönülnek egymástól, mégis célszerűbb óvatosan kezelni a jelen lévő +120V-os egyenfeszültség miatt. A berendezés áramfelvétele kivezérlés nélkül kb. 60mA, teljes kivezérléssel kb. 160mA. Ehhez méretezzük a hálózati transzformátort és a biztosítékot. Mivel a tápegység nincs rátervezve a panelra, ide javaslom, hogy szűrt (vagy akár 7812 IC-vel stabilizált) kis tápegységet használjunk.A tápegységet nem kell külön megépíteni ha számítógépbe építve kívánjuk használni, mert ott jelen van a jól terhelhető +12V. Az MPSA42-es tranzisztorokat hosszú lábbal forrasszuk be, vigyázva, hogy minél kisebb hő érje, mert érzékenyek. A megadott kapcsolással és paneltervvel figyelmes, gondos után építés esetén elsőre indul. Célszerű jól szigetelt (műanyag) dobozba szerelni, az érintésvédelem miatt. ITT van egy kis video, ami működés közben mutatja be az áramkört. Alkatrész lista BR1 = B80 C1000 graetz Az utánépítéshez sok sikert kívánok! Vicsys Értékeléshez bejelentkezés szükséges! |
Bejelentkezés
Hirdetés |





