Fórum témák
» Több friss téma |
Sziasztok fórumosok!
Segitségeteket kérném egy 5V táp építéséhez AKKU 12V-járól. Több áramkört találtam amihez 5V kell (LED vezérlő IC...) de eddig a táp rész kapcsolását még nem találtam. Ehhez kérek segítséget! Konkrétan (http://www.szocimotoros.hu/hu/tuningfejlesztes/ ezt szeretném megépiteni csak 12Vra autóba. Le van irva ehhez a kapcsoláshoz hogy kell 12Vra áttalakítani, de nekem nem sikerült 5V kicsikarni belöle 2szer is próbáltam. egyszer 1,5V lett, 2szor meg 5V helyett 10,5 ad le. Meg hát kezdő vagyok, de érdekel az elektronika. SOS
Helló!
A link nem valami pontos. Azon bellül mit szeretnél megépíteni, mert bejön elég sok minden.
Bocsi a pontos link:
http://www.szocimotoros.hu/hu/tuningfejlesztes/8:bonk:
Na így már ok. Szerinem ez kell neked:
De elvileg ugyan úgy kell mennie 12v-ról is mivel egy stabilitált tápegység van a kapcsolásban. De jobb ha beraksz egy stab IC-t mert a BC547 szerintem leizzad ennyi ledtől.
Esetleg valami 12-14Dc to 5V Dc konverterről nincs valami kapcsolási rajza valakinek?
Egy robotba lenne amiben szintén 12V-s aksi lesz, ha egyszer elkészül, de a vezérlés 5V-s és nem akarom azt az úgy is kevés energiát elpazarolni a fütésre. ![]() Ezért gondoltam valami nagy hatásfokú, nagy stabilitású DC-DC konverterre, ami elviseli a bemenő fesz ingadozásait is. Legalább 1-2A-t kéne tudnia. Valakinek van rá ötlete? Esetleg valami DC-DC konverter ic tipus?
Szerintem amiket boltokban lehet venni DC-DC konvertereket azok megfelelnek erre a célra.
Köszönöm eSDi a segitsélgedet!
Még annyit kérdeznék hogy az LM 3405-ös IC kb mennyi pénz? Köszi a segitséged!!!
Pontosabban LM340-5. vagy 7805 csak igy simán. Olyan 65Ft bruttó a Robotron(RET) árlistán. Szívesen segítettem.
Nem venni akarok hanem csinálni!
De majd akkor körülnézek a kapcsi üzemü táp totyikban hátha van ott valami info.
Ja az más! Akkor neked egy Step-down konverterre van szükséged. Körül nézek azthiszem van valami IC adatlapom ami ilyet tud és van hozzá kapcsolás is.
eSDi válaszában benne van a megoldás!
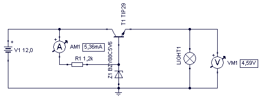
"De elvileg ugyan úgy kell mennie 12v-ról is mivel egy stabilitált tápegység van a kapcsolásban. A BC547 szerintem leizzad ennyi ledtől." A BC547-et cseréld ki egy nagyteljesítményű tranyóra, és tedd hűtőbordára, a 22 ohm-os ellenállást nagyobbra ( a zeneren kb. 5 mA áram follyon)! :yes: Teljesen felesleges elé tenni mégegy stabot.
Már meg is van. LM3524D az IC. Benne van a kapcsolás csak nyákot kell neki tervezni. 5V 1A-re van de szerintem meg lehet még tuningolni egy kicsit. Itt az adatlap:
Igazad van, én azt elfelejtettem oda írni, hogy az egész Zener-es stabot kellene kiváltani a stabkockával.
Lenne egy kérdésem nekem is. 5V stab ic-t használok két kondival ( az adatlap szerint)az ic:7805, 12Vről de nagyon melegszik, olvastam vhol, hogy zenert rakott elé vki és akkor már nem melegedett. na ez hogy van, hogyan kell a zenert bekötni? kössz
Ha Zener-t akarsz használni akkor minek a stab IC. Tök fölösleges bonyolítani a dolgokat.
Az is lehet, hogy a 12V-os táp nagyon zajos(nem 50Hz-re gondolok). Próbálj betenni a stabkocka el és utána is egy-egy 100nF kondit. És még egy kérdés, üresjáratban melegszik?
Vagy éppen fordítva, ha stab IC-t akarsz használni, minek a Zener!
naszóval: 12V-os akkuról használom, akkor melegszik (megfoghatatlan), átfűti az egész nyákot (kb4*6cm), ha egy gyengébb 9v-os (8,6V) elemről működtetem akkor alig melegszik. Egyébként ez egy 3db 7szegmenses kijelzőből, 3 ledből meg egy picből álló kapcsolás, tehát nem kell neki nagy áram. Üresjáratban nem próbáltam...
Ennél a zéneres dolognál arra gondoltam, hogy egy zéneren keresztül adom a tápot a stabic-nek, és mivel a zeneren esik a fesz (ugye?) akkor nem kap 12 V-t a stab ic hanem csak mondjuk 7-et (zenertől függüen), és így majd nem melegszik/&fogyaszt annyra.
Köszönőm szépen a tippet.
Asszem ez jó is lesz egy variációnak. Most má tudom, hogy Step-down konverternek hivják. Köszi!
A zenerben annyi a trükk, hogy fordítva kell bekötni, mint egy sima diódát. Egyébként nem értem, hogy miért kellene dc-dc konverter, a zener 5v-ot enged át, és kész. Nem mértem még meg, de biztos kevesebbet fogyszt 1zener, mint egy ic, a mellette lévő hóbelebanccal.
Hmmm... érdekes. Szerintem a nagyobb bemenőfesz miatt melegedhet. Egyébként van rajta hűtőborda? Ha nincs akkor érdemes egy kisebb alulemezből kialakítani egyet neki. Ha Zener-t akarsz berakni, akkor már viszont tök fölösleges a stab IC. Egy nagyobb tranyóval meg lehetne oldani pl.: BD241 Valahogy így:
Csak Tomee-nak 1-2A-t kell hogy elbírjon a cucc. azt azért megnézném hogy hol kapsz olyan Zener diódát ami 1-2A-t elvisz.....
Megépítettem az általad adott áramkört a Tinán!
http://www.szocimotoros.hu/hu/tuningfejlesztes/8 5V-os tápja 11,6-ot mutatott a szimulatoron, mig az általad adott http://www.hobbielektronika.hu/forum/getfile.php?fn=428c5cfcab88256...ab.gif 5,04V-ot. Bizom benne hogy élőben is müxik majd!
Szerintem biztos fog működni. Csak az eredeti tápot teljesen hagy ki a beültetés során.
Lomexéknél miért ne lenne:
18-00-47 4.7 V 12 W ZX4.7 (ITT) Ha jól számolom, 12w/4,7v=2.5. Szerintem ez belefér. Mivel árat nem találok vagy 2-3 napja, ezért megsúgom, régebben(2006.01.19) 150ft volt az ára.
Most jut eszembe nekem voltak ilyenek igazi békebeli szép nagy fémtokos állatok. Úgy kellet hűten mint a fene. Ő meg azt írta nem akar fűteni vele. Na mindegy.. ne vitatkozzunk ezen. Ha ő DC-DC konvertert akart, akkor valószínű azt is fog csinálni.
Van valami abban amit mondasz. Most megnéztem mit raktam fel ide (túllépve a csakazértis nekem van igazam érzést) és tényleg valami brutális dióda. Azt írja az adatlapja hogy 150 négyzetcentis hűtőbordán 12,5w-ot bír ki. Szóval vízforralónak is elmehetne...
Szóval hülyeséget írtam, bocs.
No Problem! 150 négyzet cm!!! Nem sámli!!!
Onnantól kezdve, hogy adott (12V) bemenőfeszből kell adott (5V) kimenőfeszt adott (pl 1A) árammal analóg (disszipatív) módon előállítani (bármely módon), a melegedés mindig ugyanakkora lesz. Hogy ez a hő magán az áteresztő stab IC-n, eléje kötött zéneren,ellenálláson szabadul fel mindegy: összeségében ugyanakkora lesz. (Majdnem) melegedés nélkül megoldható a dolog kapcsolóüzemű táppal pl LM2675-tel, 8 lábú DIL tokban. Kell még 1 47uH tekercs, 1 schottky dióda, 1 10nF kondi, meg 2db 100µF elkó. (buck-konverter)
|
Bejelentkezés
Hirdetés |












