Fórum témák

» Több friss téma
Fórum » 12V-os fesz.szabályzó simson motorba
Lapozás: OK   2 / 19
(#) gulyi88 válasza jeti hozzászólására (») Ápr 13, 2008 / 1
 
huha.. 16000n/m
ide már komoly CDI kellene.
enyémet is át kellene méretezni ehhez...
12000 re méreteztem, és 25W os DC/DC kellett bele, hogy fel tudja tölteni időben megfelelő szintre a kondit.

bírni fogja egyátalán a csapágyazás? főtengely alsó és felső tűgörgői? meg a főtengelycsapágyak?
(#) gulyi88 válasza mex hozzászólására (») Ápr 13, 2008 /
 
kössze. osztv-n szereztem meg

nem, az előgyújtás vezérlőjében nincs monostabil
(a CDI ben van.. ismered az okát...)
ez egy 12bites előre/hátra számláló, 150KHz es oszcillátorral, meg pár kapu és tároló a resethez és a kimeneti gyújtásimpulzuhoz... a működését majd akkor, ha valóban úgy megy, ahogy én az elgondoltam..

a baj, hogy TTL ben nem találtam megfelelő IC-ket, csak CMOS ban, azt meg ugye rohattgyorsan ki lehet nyírni...

csá
(#) jeti válasza gulyi88 hozzászólására (») Ápr 13, 2008 /
 
A 60-as 16.000-ot forog üresben 14.000km-er van a blokkjában semmi baja semminek! Normális csapágyak és főtengely van benne.
A 70-esben meg 70-eshez való sport főtengely (mza) meg Koyo csapágy mindenhol, 5-ös váltó stb...
Nem 16000-ren dolgozik csak 12-re, hanem a 16-ot kényelmesen meg kéne neki forogni bármikor, hogy ha a 60-as megforogja üresben

Yeti
(#) titilla válasza bubuc17 hozzászólására (») Máj 17, 2008 /
 
kapcs. üzemü buck regulator (DC/DC converter) ezek között van olyan, aminek 60V a max bemenő feszültsége... Az áramra figyelj oda!
(#) Erick hozzászólása Jún 11, 2008 /
 
Hellóztok!
Nekem szükségem lenne egy 12V-os rendszerű Simson S51N-es motorhoz töltés szabályozásra!Vagyis egy olyan áramkörre,ami megvédi az akksimat a túltöltéstől!
Köszi szépen a válaszokat!
(#) Krisz03 válasza Erick hozzászólására (») Jún 11, 2008 /
 
Hali!

Azt hiszem, hogy ennél egyszerűbbet sehol sem fogsz találni. Bemenetre Graetz-híd (persze ha testfüggetlen a töltőtekercsed), zenernek pedig min 1.3W-osat használj (nem biztos, hogy megfelel a 2db 7.5V-os, ezt ki kell kísérletezni).
(#) _Peti_ hozzászólása Jún 16, 2008 /
 
Sziasztok! Szeretnék építeni egy feszültségszabályzót a simsonomba. Babetta gyújtás van rajta (babetta állórésszel és tekercsekkel). Múltkor kiégett a motoromon az első izzóm, ami 12V 21/21W és kb 1 hónapja vettem, tehát szerintem igen nagy feszültséget ad le a generátorom. Aksi nincs a motorban, az összes izzót a generátorról szeretném működtetni. 12V-osat szeretnék, és olyat, ami elbírja a nagy áramot.
(#) Krisz03 válasza _Peti_ hozzászólására (») Jún 16, 2008 /
 
Hali!

Ha jól értelmezem az írásodat, akkor Neked egy váltóáramú szabályzó kellene, ami meggátolja a fényszóró kiégését. Ez a kapcsolás pont ezt hivatott ellátni. Bekötöd az izzóval párhuzamosan, és söntöli a felesleges teljesítményt (pontosabban csak a pozítív félperiódusokat). A potival állítható, hogy mekkora fesznél korlátozzon.
(#) _Peti_ válasza Krisz03 hozzászólására (») Jún 16, 2008 /
 
Tulajdonképpen jó lenne ez is szerintem. Bár én olyasmira megoldásra gondoltam, mint pl a 7812, csak jobban terhelhetőre. Egyenirányítanám és pufferelném a generátorból jövő feszt, és erre jönne valami stabilizátor, vagy DC-DC konverter, mivel elég nagy teljesítményre lenne szükség az izzók működtetéséhez (2x21 vagy 2x35W első lámpa, 5W hátsó, 21W féklámpa, 4x2W műszerfalvilágítás, ez összesen kb 100W, húú ez elég sok)
(#) gulyi88 válasza _Peti_ hozzászólására (») Jún 16, 2008 /
 
csá
100W??
már anank is örülhetsz ha 30-35W ot kiszedsz belőle..
nem egy nagy technika, ne várj tőle sokat...
csá
(#) Krisz03 válasza _Peti_ hozzászólására (») Jún 16, 2008 /
 
Akkor használd ebben a hozzászólásomban linkelt kapcsolást. A kimenetre tegyél úgy kb 10.000µF-ot.
Na és igen, Babi gyújtás és a 100W egy jó nagy ellentét.
(#) PIRO hozzászólása Aug 12, 2008 /
 
Én új tekercsekkel próbálkozok a babszi gyujával ha minden igaz, sikerül 8 tekercset csinálni hozzá, a gyári méretekkel! 1 elmegy gyujtani, a másik meg tölt, a többi 6 meg világít. most a fesz kiegyenlítésén dolgozok éppen.
tegnap letekertem a gyári 20W os tekercssorból egy tekercset, és 113 menet volt rajta 0.75 ös huzalból.. Fórumon azt mondták hogy a 30W os soron 70 menet van 1.0 ás huzalból. hogyis vanez? a 30w os beépített soromat lemértem, és 1 tekercs 3.5 V ot ad le alapjáraton, és 9.5 öt a baszi fullgázánál. ezt feltudom spékelni 6V alajárat, és 12V fullgázra, de ezt kéne szabályozni egy stabil feszre, mert a Halogén izó amit akarok végeredményképpen a simóhoz nem bírja a túl nagy feszt. na ehhez kéne valami rajz.THX az izzó 60/55 ös lesz
(#) Krisz03 válasza PIRO hozzászólására (») Aug 12, 2008 /
 
Hali!

Ha jól értelmezem az írásod, akkor egy váltóáramú szabályzóra lesz szükséged.
(#) Baxi hozzászólása Aug 12, 2008 /
 
Hi
Én ezt csináltam meg feszszabályzó 12V mociba, és jó.
(#) PIRO hozzászólása Aug 19, 2008 /
 
találtam rajzokat ELBA áramkörökről a kérdés: meglehet-e még építeni ezeket? a fesz szabályozó részben van egy egység: OPV B761D vagy mifene ez a 6V os ban van rákerestem de semmi. mi az igazi neve? köszi
(#) _Peti_ hozzászólása Nov 24, 2008 /
 
Sziasztok!
Szeretnék építeni egy fesz szabályzót a Simsonomba, mert mindig kicsapja az izzókat. Babetta gyújtásom van, és a 3 világítótekercs sorba van kötve (a gyújtás az teljesen független), és testfüggetlen a generátor. Az elképzelésem a következő: a generátorra menne egy Graetz-kocka, arra egy szűrőkondi, és ezt a feszültséget kellene nekem 12V-osra stabilizálni, viszonylag jó hatásfokkal, ami komolyabb mint ezek a félhullámú feszültség határolók. A stabilizátor bemenetére olyan 10-40V nagyságú jel menne. Nem az a cél, hogy a 12Vnál kevesebb feszültségből csináljon 12Vot, hanem hogy ne nagyon engedje effölé (max 14,4V). A világítást áramellátását szeretném megoldani, tehát 5-6 Ampert bírjon minimum. Előre is köszönöm a segítséget!!!
(#) _Peti_ válasza _Peti_ hozzászólására (») Nov 30, 2008 /
 
Ami kimaradt: a motorba nincs akkumulátor, tehát minden elektronika a generátottól megy.
(#) szamóca válasza _Peti_ hozzászólására (») Nov 30, 2008 /
 
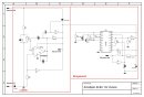
A gyári ELBA stabilizátor kapható 4000Ft körül.
De ha mindenképp építeni akarsz, akkor itt a rajza.

ELBA_12V.jpg
    
(#) IlPadrino hozzászólása Dec 27, 2008 /
 
Hali all!!

Nekem egy 12V-os feszszabályzóra lenne szükségem mert a Simsonom-on mindig kiég az égő.Ebben a témában pedig már több kapcsolást láttam és azt szeretném tudni hogy melyik kapcsolást a legérdemesebb megépíteni?
A gyári fesz szabályzót milyen oldalon lehet megnézni?
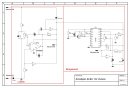
(#) szamóca válasza IlPadrino hozzászólására (») Dec 27, 2008 /
 
Szia!
A gyári az ELBA-nak, itt van a rajza, de kapható is 4rugóért. Olvasd el a topikot elejétől, nem túl hosszú, és választhatsz esetleg alternatívákat is .
Üdv.
(#) Krisz03 válasza IlPadrino hozzászólására (») Dec 27, 2008 /
 
Hali!

Amit szamóca említ, az nem a világításhoz való, hanem az akku töltéséhez.
Neked erre (PDF) van szükséged. Ezt a védendő izzóval párhuzamosan kell bekötni, és a beállított fesz felett söntöl minden pozitív félperiódust.
(#) szamóca válasza Krisz03 hozzászólására (») Dec 27, 2008 /
 
Igazad van! De gyárilag az enyémben nincs stab. a világításhoz! És 2 éve működik benne az izzó, pedig szinte minden nap használom.
(#) Krisz03 válasza szamóca hozzászólására (») Dec 27, 2008 /
 
Mert ezeket a váltóáramú szabályzókat csak a halogén izzóval szerelt példányokba építették.
IlPadrinonál az is baj lehet, ha valamit rosszul kötött be, vagy nem megfelelő teljesítményű izzókat használ. Végülis hibáztam, mert én egy váltóáramú szabályzót ajánlottam, holott szó sem volt, hogy a fényszóró, vagy a hátsó helyzetjelző ég ki. :nemtudom:
(#) szamóca válasza Krisz03 hozzászólására (») Dec 27, 2008 /
 
Én is átbuheráltam az enyémet halogén izzósra, és működik is. A teljesítmény az ahogy írtad is, nagyon nem mindegy! :yes: Fényszórónak 35/35W-os kell bele.
(#) Krisz03 válasza szamóca hozzászólására (») Dec 27, 2008 /
 
Nekem is gyárilag bilux izzós volt, de HS1-re cseréltem, plusz még a tekercset is áttekertem, így a helyzetjelző is rákerülhetett, de még így is 14V felett mérek az izzón (olyan 6000RPM környékén). Szabályzót én sem használok, az izzók bírják.
(#) IlPadrino hozzászólása Dec 28, 2008 /
 
Köszönöm szépen a gyors válaszokat.
Egy oldalt tudnátok adni ahol meglehet vásárolni a gyári fesz. szabályzót?
(#) Krisz03 válasza IlPadrino hozzászólására (») Dec 28, 2008 /
 
Tessék, itt megveheted az (után)gyári töltőegységet, ami a villogóautomatával van egybeépítve.

De még mindig nem mondtál semmit sem! Melyik izzó ég ki állandóan? Milyen típusú egyáltalán a moci, milyen felszereltsége van? A fényszóró ég ki, netán a hátsó helyzetjelző? Azokhoz ez a feszszab nem lesz jó, mert ez az akku töltését hivatott ellátni.

Félinformációkból nem tudjuk kitalálni, hogy mit szeretnél. Csak kéred itt a dolgokat, amiket gyorsan meg is vásárolsz, de a végén majd kiderül, hogy nem is azokra lenne szükséged. :whistle:
(#) IlPadrino hozzászólása Dec 28, 2008 /
 
Hali !!

Simson S51E motorról lenne szó.Az előző tulajdonosa egy 60ccm-es hengerszettet rakott bele és könnyített főtengelyt.Na most a könnyített főtengely ugye többet fordul mint a gyári.Az egyik haverom pedig mondta hogy vegyek vagy csináljak bele egy fesz. szabályzót hogy ne égesse ki mindig az égőt.A fényszóró izzóját szokta kiégetni.A motor elektromos rendszere 12V-os.
(#) szamóca válasza IlPadrino hozzászólására (») Dec 28, 2008 /
 
Akkor neked nem ELBA kocka kell, hanem amit Krisz03 felrakott kapcsolás. Vagy kérdezd meg a MOFAKER-nél hogy van e gyári stabilizátor világításhoz.
(#) pinkova válasza IlPadrino hozzászólására (») Dec 28, 2008 1 /
 
Attól hogy könnyített a főtengely nem forog többet a motor, csak hamarabb felveszi a fordulatot. Ha kivágja az izzót, tegyél bele 35Wattosat( nem42Wattos, halogénhez való világítástekercsed van ?).
Következő: »»   2 / 19
Bejelentkezés

Belépés

Hirdetés
XDT.hu
Az oldalon sütiket használunk a helyes működéshez. Bővebb információt az adatvédelmi szabályzatban olvashatsz. Megértettem