Szia!
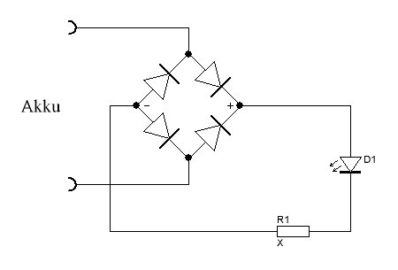
A LED a nevéből adodólag (light emitting diode) egy dióda tehát csak egy adott polaritással hasznalható. De
itt egy lehetőség így mindegy a polaritás csak két LED kell.
Alkalmazz
Graetz-hidat. Használatáról tájékozódhatsz az interneten. A LED üzemeltetéséről egyéb információ hiányában sajnos nem tudok bővebbet. Legfeljebb annyit, hogy egy ellenállásra lenne szükséged.
A hozzászólás módosítva: Jan 18, 2014
Medve de jó, hogy mondod eszembe se jutott.
Elnézést a bakiért.
| (#) |
(Felhasználó 51715) hozzászólása |
Nov 27, 2014 |
 |
/ |
 |
|
Sziasztok!
Van egy 14,4VAC trafóm amiről egy 12V 21W-os izzót fogok hajtani.
Érdemes "vesződnöm" egy 12VDC stabilizátor építésével (azért vesződnöm, mert nincs üres nyákom és venni sem fogok egyhamar), vagy elbírja a 14,4 V-ot tartósabban az autóizzó kiégés nélkül?
A válaszokat előre is köszönöm.
| (#) |
ferci válasza (Felhasználó 51715) hozzászólására (») |
Nov 27, 2014 |
 |
/ |
 |
|
Nagyon nem érdemes stabilt használnod, mert először egyenrángatnod kell, puffer egy kevés a stabil tok miatt, aztán azon elveszne jópár watt, valamint legalább 2 amperest kéne venned az izzó teljesítménye miatt.
Ha van kis hely, inkább fűzzél be valahogy x menetet 1 mm2-es szigetelt drótból és ellentétes irányban kösd be a szekunderrel sorba.. Az a jó irány, ha kevesebb lesz az eredő fesz, nem több.
Lenne még pár megoldás, de ez a legegyszerűbb, ha van hely.
A hozzászólás módosítva: Nov 27, 2014