Fórum témák

» Több friss téma
Fórum » 230V-os ventilátor, késleltető kapcsolás
Lapozás: OK   2 / 2
(#) pucuka válasza kis bela hozzászólására (») Ápr 28, 2013 /
 
Hol van az a Derby féle kapcsolás?
Miért nekünk kell keresni? Nem egyszerűbb lenne ha használnád a válasz gombot, minjárt tudnánk kinek a postjára válaszolsz.
Amúgy egy hat éves hozzászólásra válaszoltál, és közvetlen utána ott a javítás is.
Úgyhogy kéretik figyelmesebbnek lenni, és először olvasni, megérteni miről van szó, és ha van hozzáfűzni valód, és aktuális, akkor írj.
A hozzászólás módosítva: Ápr 28, 2013
(#) kis bela válasza pucuka hozzászólására (») Ápr 30, 2013 /
 
SAjnos nem vagyok járatos a hozzászólások küldésében, de az elektronikában :talán. És ha úgy építitek meg ahogy Derbi rajzán van akkor biztosan nem fog működni.Itt nem használ az a varázsige hogy : MUKODJ .
(#) Emberke hozzászólása Aug 3, 2013 /
 
Hali!

Nekem is lenne egy kérdésem.Van (volt) egy tescos távirányítású álló ventilátorom.Sajnos valahol valamelyik tekercsben elszakadt egy szál a sok forgástól (már 4 agy 5 éves volt).Egy darabig ment egy bizonyos állásban minden funkciója (forgás,1-2-3 fokozat,enyhe szellő és erősebb szellő).Aztán végleg megadta magát.Kikaptam a vezérlő panelt és próbáltam belerakni egy hauser asztali ventibe amire ráraktam a nagy álló lapátját és kosarát.Megy is szépen a forgás.De a funkciókat nem tudom működésre bírni.Az asztaliba 4 vezeték megy a motorhoz (3 fokozathoz) a 220 egyik fázisával együtt.Viszont az állóban is 4 vezeték ment a motorhoz.De ott az indító kondi a vezérlő panelon van.Gondolom esélytelen össze hozni a 2 venti vezérlését.Most vettem Suntec Wellness.Fém lapátos és rettentő hangos,valamint nagy a fordulat.Ezt még nem kaptam szét és így nem tudom hogy hány vezeték megy a motorhoz.De az 1-es fokozatot lehetne-e valahogy csökkenteni?
Csatoltam képet a vezérlő panelről.Sajnos kissé torz mert ebből a nyavajás nokia c7-ből kihagyták a macrót.

Köszi!
(#) Gery78 hozzászólása Feb 2, 2014 /
 
Sziasztok!
A házunkban (lakótelep) most újították fel a szellőzőt. Ez egyébként valami új szabadalom, meg hiper-szuper, csak éppen nem ér semmit, mert nagyon enyhén szív, és nem kapunk levegőt. Régebben 1950m3/óra elszívási teljesítményű ventilátor volt fent a tetőn, most új van, ami alig mozgatja a levegőt. Úgyhogy fel kellene szerelnem a WC-be és a fürdőszobába egy-egy elszívó ventilátort, ami csendes és nagyon tud szívni. Vettünk egy Vents 100S típusú ventit, de ez körülbelül annyit ér mint egy csontváznak a szenteltvíz. Tudnátok esetleg valami komolyabbat ajánlani, ami tud szívni is? 100mm átmérőjű csőbe kell becsatlakoznom.
(#) JOJO hozzászólása Ápr 18, 2016 /
 
sziasztok ha valakit érdekel van 3 db gyái 1200ft
(#) luqe09 hozzászólása Feb 29, 2020 /
 
Sziasztok!

A következőben kérném segítségetek:

Van egy ventilátor időkapcsoló beüzemelve és elhelyezve a szerelvénydobozban (lásd csatolt kép). Villany felkapcsol, 1-2 másodperccel később indul a venti. Villany lekapcsol, 2 perc múlva leáll a venti.

A fali lámpában egy hagyományos, E27-es 77W-os osram izzó van. Ha ezt kicseréltem egy ledes E27-es izzóra, akkor a villany lekapcsolása után nem kapcsol ki a ventilátor (5-10-60-120 perc után sem).

Az időzítő egyébként kísértetiesen hasonlít a "VUK1 Ventill 5-20P VENTS2" kapcsolóra. Megkockáztatom, ugyanaz

Mi lehet a probléma? Arra gondoltam, hogy az ledes izzó elektronikája és az impulzusrelé között lehet a bonyodalom, de fogalmam sincs, hogyan kellene ezt megoldani.

Köszönök szépen minden segítő hozzászólást!
(#) Bakman válasza luqe09 hozzászólására (») Feb 29, 2020 /
 
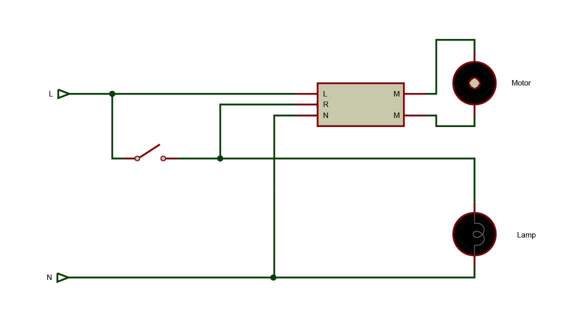
Ha a melléklet szerint van bekötve, jónak kell lennie. Ha a LED-es fényforrás nincs bekötve (az Osram izzó sem), akkor is ez a jelenség?
(#) luqe09 válasza Bakman hozzászólására (») Feb 29, 2020 /
 
Ha nincs a foglalatban semmi, akkor folyamatosan megy ventilátor - megcsináltam gyorscsatlakozósra a bekötését, így elég gyorsan tudom tesztelni.
(#) Bakman válasza luqe09 hozzászólására (») Feb 29, 2020 /
 
A bekötés egyezik a rajzon lévővel? Nagy valószínűséggel nem, hiszen a lámpának semmi köze az időzítőhöz.
(#) luqe09 válasza Bakman hozzászólására (») Feb 29, 2020 /
 
Eredetileg nem én kötöttem be, úgyhogy erre megesküdni nem tudok Holnap kihámozom a szerelvénydobozból, kiderítem melyik vezeték hova megy, összehasonlítva az általad feltöltött kapcsolással.

Köszönöm szépen a segítséged, jelentkezem majd, hogy mire jutottam.
(#) Gafly válasza luqe09 hozzászólására (») Márc 1, 2020 /
 
Ismerős a probléma, ebbe már én is belefutottam.
#1 Nálam a LED izzó, ventilátor és irányfényes kapcsoló okozott folyamatos működést. Lásd a gyakran ismételt kérdésekben örökzöldet: Miért világít halványan/villog a LED izzó? Miért is kell lecserélni a hagyományos izzót LED-esre? Pont a fürdőszobában/WC-ben nem megy annyit, hogy számottevően megnövelje a villanyszámlát. De van "energiatakarékos" halogén izzó is, ami nem LEDes.
#2 Szerintem Bakman mester rajza nem jó, mert fel van cserélve az "L" -> Lamp, és az "R" -> Live. A bekötésedet meg kár piszkálni, ha hagyományos izzóval pont úgy működik, ahogyan kell...
A hozzászólás módosítva: Márc 1, 2020
(#) Bakman válasza Gafly hozzászólására (») Márc 1, 2020 /
 
1: Ha jól van bekötve az időzítő, teljesen mindegy, milyen fogyasztó van a kapcsoló mellé kötve. Már ha jó az időzítő. Tegnap kötöttem be kettőt, mindkettőhöz LED-es lámpatest kapcsolódik, gond nélkül. Amit említesz, más problémakör.

2:
Live (L)
Neutral (N)
A kapcsolószálra láttam már több megjelölést is, mikor milyen kedve van a gyártónak. Tegnap éppen R jelölések voltak.
A hozzászólás módosítva: Márc 1, 2020
(#) Gafly válasza Bakman hozzászólására (») Márc 1, 2020 / 1
 
Idézet:
„mikor milyen kedve van a gyártónak.”

Vagy anyanyelve.
Következő: »»   2 / 2
Bejelentkezés

Belépés

Hirdetés
XDT.hu
Az oldalon sütiket használunk a helyes működéshez. Bővebb információt az adatvédelmi szabályzatban olvashatsz. Megértettem