Fórum témák
» Több friss téma |
Több pontban nem stimmel ez az elvi rajz szerintem. Ismétlem: ez egy elvi rajz lehet.
A Texas erősítőt meg lehet építeni 5532-es műveleti ic-vel és FET-ekkel a végére, és szól. Akkor jobb,mint az eredeti Texas. Kisebb lesz a zaja,és nem melegednek annyira a végtranyók sem. Persze a torzítás is kisebb lesz (de ezt nem tudtam mérni műszerrel) Ha valakinek kell 2N3442,akkor most szóljon!
Elnézést, visszaolvastam 1-2 emelt szintű beírást.
A másik hozzászólás trapéz és négyszög átvitelére úgy gondolom felesleges litániát írni,hiszen a kapcs. üzemű tápok, inverterek sima EI magos trafókon is működnek. Nem is rosszul. Amire reagálni szeretnék: hogy is van ez a hangszóróval soros tápkondik? Honnan sikerült ilyet elővenni? Valami könyvből? Szerintem meg párhuzamosan vannak a tápkondik a hangszóróval elviekben szimmetrikus tápnál. Ha felrajzolod a kapcsolóelemet,vele sorba a hangszórót a föld felé,akkor ott a kapcsolóelem inputja van összekötve a tápfesz plusz vagy mínusz megfelelőjével, a táp kondi másik polaritása pedig a földre van kötve,ami azonos a hangszóró föld pontjával. Az asszimetrikus táp: itt az a lényeg,hogy mesterségesen létrehozunk egy közép tápfeszültséget (ezt nevezzük féltápfesznek), vagyis egy mesterségesen létrehozott szimmetrikus tápot csinálunk. Viszont mivel a földhöz képest el van tolva a kimenet féltápfesznyire, ezért alkalmazunk DC leválasztást, amire a legegyszerűbb megoldás a kicsatoló kondi. Valóban okoz átviteli sáv szűkülést,de ezt lehet korrigálnia a kapcsolásban. Így lehet egy asszimetrikus erősítő is Hi-Fi.
Udv,
Kivancsi lennek ra szerinted hol nem stimmel a rajz? En nem latok benne olyat ami miatt esetleg nem mukodne az erosito. Ez egy mukodo, kiprobalt kapcsolas. En ugyan nem epitettem meg, nem hallottam szolni de a szerzo igen. Az eredeti cikkben meresi eredmenyek, fotok is vannak az erositorol. Nekem csak egy pdf doksi van fotok nelkul de teljes epitesi leirassal.
Tápkondi a hangszóróval sorban, vagy párhuzamosan?- nagyon egyszerű érvelést fogok használni: ha párhuzamosan lenne, akkor ugye söntölné és akkor nem szólna?
Kicsit nehéz átlátni az elrendezést, mert a földhöz képest pozitív és negatív feszültségű periodusokban másfelé folyik az áram, ez zavar meg téged és szerintem mindenkit a megértésben. ( engem is) Szóval így képzeld egy a kört: - föld - hangszóró impedanciája - erősítő kimeneti kapcsa, ami hol a pozitív tápfeszhez, hol a negatív tápfeszhez kapcsolja a hangszórót, mikörben sorban megjelenik az erősítő belső ellenállása - tápfesz kondi - föld Tehát az erősítő belső ellenállása váltakozása ( perióduson belüli változás) miatt kialakuló feszültségosztó - változó- osztásviszonya miatt változik a feszültség és az áram a hangszórón. Mivel az erősítő belső ellenállásának változása arányos következménye a vezérlésnek, ezért az erősítő kimenete és a tápfesz kapocs közötti "fekete doboz"-t nevezhetjük feszültség generátornak is, de nem az! Ezt igen könnyű belátni: ha feszültség generátor lenne, akkor a tápfeszkondi rövidre zárása után is működtetné a hangszórót! Ennyiből könnyű belátni, hogy vezérelt feszosztóról van szó és ha jövőben így tekintesz rá, akkor nem lesz probléma átlátni a tápfeszkondik szerepét.
A szokasos (hagyomanyos kapcsolasu) vegerositok eseteben ez a soros vs. parhuzamos tapkondi kerdes hasonloan ertelmetlen mint hogy melyik a jobb erosito: csoves v. tranyos? Nincs ertelme ilyenekrol vitazni mert adott esetben (nezoponttol fuggoen) mindket tabornak igaza lehet (van).
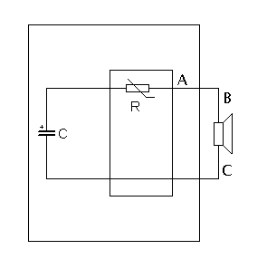
Csatoltam egy abrat a konnyebb erthetoseg kedveert. A nagyobbik doboz szemlelteti az erositot mint egy teljes egyseget hiszen a hangszoro szempontjabol ez az ami szamit! Ebbol a szempontbol nincs ertelme a soros v. parhuzamos kondi kerdesnek mert a hangszoro "nem tudja" mi van a nagy dobozban. Az erosito ebben az esetben egy valos (kozel sem idealis!) feszultseggeneratornak foghato fel. Ha viszont kulon egysegkent kezeljuk magat az erosito kapcsolast es a mukodeshez szukseges energiaforrast (ez esetben ezt a C kondenzator reprezentalja amit tekinthetunk a tapegyseg puffer kondijanak) akkor mar jogos lehet a soros v. parhuzamos kondi kerdes. A valasz a kerdesre nem egyertelmu, nezopont kerdese. 1) Ha az aramkort megbontjuk az A es B pontok kozott es e ket pont kozott vizsgaljuk a kapcsolast akkor sorosan kapcsolodik a puffer kondi es a hangszoro. 2) De ugy is ertelmezhetjuk a kapcsolast, hogy a hangszoro egy belso vezerelt ellenallason keresztul parhuzamosan kapcsolodik a pufferkondira (B es C pontokon keresztul vizsgaljuk az aramkort). Ebben az esetben a puffer kondival a vezerelt ellenallas kapcsolodik sorosan. 3) Ha a belso, vezerelt ellenallas szemszogebol nezzuk a dolgokat akkor a kondi es a hangszoro sorosan kapcsolodik.
Ne haragudj,de egyetlen egy mondatoddal nem tudok egyet érteni,mert szerintem butaság. De ha itt ilyen mondatokat írsz,akkor kérlek oszd meg velünk hogy honnan vetted. Könyv-szerző. mert abszolút butaságok szerrintem.
"ha feszültség generátor lenne, akkor a tápfeszkondi rövidre zárása után is működtetné a hangszórót! " A tápfesz kondi is tápforrás!!! Ezt jegyezd meg kérlek. A tápfesz kondi eltárolja az energiát, úgy mint egy akku. Mivel a csócsokban nagyobb áramot vesz ki a tápegységből a végfok,ezért szükség van tárolni energiát azért,hogy a nagyobb áramigény esetén a kondnzátorokból tudja pótolni a szükséges áramot. A hangszórót fogd fel egy fogyasztónak. Mint ahogy az autónál is ha bekapcsolod a világítást,akkor nem söntölöd az akkut, hanem fogyasztót kapcsolsz a tápforrásra. Az autónál a folyamatos tápfeszültséget a generátor biztosítja járó motornál. Ha nem jár a motor a megfelelő fordulatszámon,akkor az akkuból nyeri a hiányzó energiát.Majd amikor újra pörög a motor,akkor tölti az akkut is pluszban. (puffereli) Ugyanígy a tápkondinak is "akku" szerepe van. Amikor nem igényel akkora energiát a fogyasztó,akkor puffereli a kondikat (eltároltatja az energiát a kondikkal) ,amikor pedig nem tud akkora energiát szolgáltatni a fogyasztónak (végfok),akkor a kondenzátorokból szedi el az áramkör a betáp felől hiányzó energiát. Nem beszélhetünk arról hogy "rákötöd" a hangszórót a tápfeszültségre, hiszen arról szól a játék, hogy pl. 1 kHz sinus hang esetén az egyik pillanatban sinuszgörbe szerint kapcsolja a plusz tápot, a a másik pillanatban a sinusz görbe szerint a negatív tápot kapcsolja a hangszóróra.Mindez 1000-es periódussal. Tehát ne beszéljünk hülyeséget,miszerint "rákötöd" a hangszórót a tápra. Tudod mit rajzold le amit állítasz elméleti szinten és akkor próbálok neked segíteni belátni hogy miben tévedsz.
Annyi kiegeszitest fuznek meg az elozo hsz.-hez, hogy szerintem az erositot mint kapcsolast nem erdemes szetvalasztani es kulon kezelni a tapegysegtol, foleg nem a hangszoro szempontjabol! Es igazan a hangszoro az ami szamit mert azt kell kiszolgalnia az erositonek.
Highand! Ha vezerelt fesz. osztonak tartanank az erositot akkor a hangszoro egy hatalmas mertekben valtozo belso ellenallasu generatort latna ami elfogadhatatlan lenne a szokasos hangsugarzok meghajtasara. Gondolom nem kell elmagyarazni, hogy miert. Ha felreertettem amit irtal akkor elnezest kerek, de nekem ugy jott le, hogy az erosito belso ellenallasa es a hangszoro alkotnak egy fesz. osztot es a fesz. oszto felso tagja (az erosito vezerelt ellenallasa) miatt valtozik a hangszoron a feszultseg es aram is. Ha igy ertetted a magyarazatod akkor ezt hatalmas tevedesnek vélem! Ha igy lenne a valosagban akkor az osszes erosito hasznalhatatlan lenne a szokasos hangszorokkal/hangsugarzokkal. Viszont ha ugy ertetted, hogy az erositon belul van egy elkepzelt fesz. oszto aminek igen alacsony az össz impedanciaja es a hangszoro erre az osztora kapcsolodik mint terheles akkor mar elfogadhatobb a magyarazat. Bar en sokkal inkabb elfogadhatonak tartom az erositok valosagos feszultseg generatorhoz valo hasonlitasat.
Ne haragudj te is. Sokat írtál (túl sokat is), de valójában semmit.Az ábrádból nem tudok kinézni semmit.
Valóban felfoghatjuk az erősítőt váltakozó áramú generátornak. Vagyis egy DC feszültségből csinál a kimeneten AC feszültséget. Ez valóban így modellezhető. De az nem igaz,hogy nem ismerjük az erősítőt. A DC/AC átalakítónak is kell ismernünk a működését.Egy hangszóróra pedig csak és kizárólag AC feszültséget kapcsolhatsz. Mindegy hogy az 50Hz esetleg egy hálózati trafóról (12V 0,5A AC szekunder), vagy adott esetben egy 1kHz-es mérőjel. Sorosról nem lehet szó.(ismétlem) Az általad "válasznak" nevezett kérdés egyértelmű,mert nincs másik alternatíva. "Ha a belső, vezérelt ellenallas szemszogebol nezzuk a dolgokat akkor a kondi es a hangszoro sorosan kapcsolodik." Jújj! Idézet: „De az nem igaz,hogy nem ismerjük az erősítőt.” Nem irtam sehol olyat, hogy nem ismerjuk az erositot. Azt irtam, hogy: "A nagyobbik doboz szemlelteti az erositot mint egy teljes egyseget hiszen a hangszoro szempontjabol ez az ami szamit! Ebbol a szempontbol nincs ertelme a soros v. parhuzamos kondi kerdesnek mert a hangszoro "nem tudja" mi van a nagy dobozban." A hangszoro pedig nem ismeri a kapcsolast, csak annyit "lat" hogy egy polusparrol feszultseg jelenik meg a ket pontja kozott ami aramot hajt at rajta. Ettol fuggetlenul mi ismerjuk es ismernunk is kell az erositonket A jujjogas helyett tobbet ernenk azzal, ha elmagyaraznad szerinted miert nem kapcsolodik a hangszoro a kondival sorosan ha a belso ellenallas felol vizsgaljuk azt az aramkort amit csatoltam? A korabbi abra (vazlat.png) alapjan valasszuk a D pontot (ami nincs az abran) a C kondi pozitiv es az R ellenallas kozos pontjanak. Ekkor a D es A pontok kozott (a belso ellenallas helyen) "benezve" az aramkorbe a hangszoro es a kondi sorosan kapcsolodik. Ez teny, ezzel nem lehet vitatkozni Aki nem igy latja az nem ismeri a soros es parhuzamos kapcsolas kozotti kulonbsegeket! Csatoltam egy ujabb abrat. A kerdesem az, hogy ha az AD pontok felol nezzuk a kapcsolast akkor, hogy kapcsolodik R1 az R2 es R3-hoz? Illetve ha az AB pontokbol vizsgalodunk akkor hogy kapcsolodik R1 es R3? De azt is kerdezhetnem, hogy az AB pontokbol nezve hogy kapcsolodik R2-hoz az R1 es R3? A kerdesekben benne is van a valasz ![]() Az mas kerdes, hogy van-e ertelme a belso ellenallas feloli vizsgalatnak mert szerintem nincs. Mint ahogy annak sem latom sok ertelmet, hogy a soros vs. parhuzamos kerdesen ennyi idot ragodjunk. En ezzel be is fejeztem.
"Ne haragudj,de egyetlen egy mondatoddal nem tudok egyet érteni,mert szerintem butaság. De ha itt ilyen mondatokat írsz,akkor kérlek oszd meg velünk hogy honnan vetted. Könyv-szerző. mert abszolút butaságok szerrintem."
Ezeket a "butaságokat" a saját kútfejemből veszem. Tudod ezek triviális dolgok és nagyon nagy baj lenne, ha a belátásukhoz más eszére is szükség lenne. Egyetlen kérdés még: Ha a hangszórónak a + kapcsát hozzákapcsoljuk a kondenzátor - kapcsához és a kondenzátor + kapcsát a hangszóró - jelolésű kapcsához, akkor szerinted párhuzamosan lesz kapcsolva? Függ ez a kapcsoktól szerinted? Ahhoz, hogy egy három elemből álló hálózatban (hangszóró, táp, erősítő) párhuzamos kapcsolásról lehessen beszélni, legalább két olyan csomópontot ki kell tudnod jelölni, ahol minimálisan 3 db kétpólus kapcsai találkoznak. Az erősítő, hangszóró, tápkondi körben, még akkor sincsen ilyen, hogy ha a tápkondit ( egyébként helyesen) feszültség generátornak tekinted. Nagyon sajnálom, ha te ezt butaságnak aposztrofálod, tudod ez itt egy szakmai fórum, ez nem az Index....
lamalas!
Pusztán az a tény, hogy perioduson belül a tápfeszültségnek más és más hányada jut a hangszóróra, azt jelenti, hogy feszültség osztó van jelen. Számítottam az értelmezési nehézségre, ezért írtam, hogy "perioduson belüli". Ha az erősítő kijárata nem lenne egy vezérelt feszültség osztó, akkor egyenáram jelenne meg a hangszórón.
Szerintem szezon-fazon, feszültségosztó?
A rajzod számámra értelmezhetetlen, hiszen a potméter úgymond "balansz szabályzást" végez ebben a formában. Pedig hírül sem erről van szó. Próbáld végig gondolni,hogy ha négyszögjelet adsz a bemenetre és emeled a bemenő jel szintjét,akkor mi jelenik meg a kimeneten.
Térjünk akkor vissza a rajzra. kijön az Opa-ból a jel,hogyan tovább? Te hogy látod? Mi miért úgy van?
Tr2,Ur1,R11,Tr3,Tr1. ?
Ha annak a potméternek a tengelyére rákötsz egy motort, amelyiknek a szögelfordulása arányos a vezérlő feszültséggel, és pár dolgot idealizálunk ( tehetelenség, súrlódás, stb), akkor szabályos elektromechanikus erősítőt kapunk.
Jó az a rajz, semmi baja. Vicces az a balansz dolog, amit írtál.
Alapvetően szerintem ott van a gond,hogy a szimmetrikus tápot te egy egységként kezeled,holott az két külön egység. Közös pontjuk egyben közös a hangszóró egyik pontjával. Tehát ehhez képest kellene kiindulni, a földpotenciáltól. ehhez képest párhuzamosan van a hangszóróval hol az egyik táp,hol a másik táp a jel pillanatnyi állapotához képest.
Közben persze ott van az erősítő,amelyet ebben a szemléletes képben mint négyszög generátort vizsgáljunk,ami ki van vezérelve teljesen. Idézet: „Térjünk akkor vissza a rajzra. kijön az Opa-ból a jel,hogyan tovább? Te hogy látod? Mi miért úgy van? Tr2,Ur1,R11,Tr3,Tr1. ?” Melyik rajzra gondolsz konkretan? Idézet: „Alapvetően szerintem ott van a gond,hogy a szimmetrikus tápot te egy egységként kezeled,holott az két külön egység.” Egyaltalan nem igy van. En egyetlen, szimpla tapos verziot rajzoltam fel mert felelslegesnek tartom a szimmetrikus tapost felrajzolni, hisz a masik felen ugyanaz tortenik csak ellenkezo elojellel. Idézet: „Közben persze ott van az erősítő,amelyet ebben a szemléletes képben mint négyszög generátort vizsgáljunk,ami ki van vezérelve teljesen.” Huha! Azt hiszem elvesztettem a fonalat. Biztos nekem szantad ezt a valaszt? Nem tudom hogy jon a kepbe holmi negyszog generator.
Befejezem veled az eszmecserét,mert tényleg nem vagy képben egyáltalán.
Ezzel a témát részemről lezártam.
Azt hiszem felreetes tortent. Tegnap este elindult egy eszmecsere a soros vs. parhuzamos hangszoro/tapkondi temaval, majd egyszer irtal egy valaszt nekem (504007) amit en nem tudtam hova tenni, mert nem neztem meg, hogy melyik hozzaszolasomra valaszoltal. Ez az en hibam, figyelmetlen voltam, elnezest kerek erte! Este amikor valaszoltam neked mar faradtabb voltam es nem tudtam mire vélni a kerdesed.
A szimmetrikus/nem-szimmetrikus tap kerdesben tovabbra sem ertem mi a problemad? Ugyan azt irtam korabban, hogy nem sok ertelmet latom a soros vs. parhuzamos tapkondi kerdeset feszegetni, de inkabb beszeljuk meg normalis modon, mint hagyjuk elvarratalnul ezt a szalat mert kesobb csak a konfliktusok adodnak ebbol. Persze ha nem tartasz alkalmas vitapartnernek es magas lorol legyintve befejezed velem az eszmecseret ... akkor ez van. Ehhez nem tudok mit hozzafuzni.
En azert még valaszolok a kerdesedre:
Szoval abban az erositoben aminek a rajzat korabban csatoltam Tr1 es TR3-al 1-1 aramgenerator van megvalositva amik jelentosen csokkentik az Opa terheleset. A Tr2, Ur1 es R11 egy teljesen szokasos szinteltolo. Ur1 segitsegevel lehet allitani a FETek nyugalmi aramat. Tr2-ot a jobb termikus stabilitas erdekeben Tr4 es Tr5 tranzisztorokkal erdemes jo hőkontaktusba szerelni.
Ki kellene próbálni ezt a kapcsolást a gyakorlatban,mert ez így csak egy LUFI. Ha megépíted és szól,akkor érdekel. Ha megépíted és nem szóla,kkor elemezzük hogy én miért is gondolom azt hogy ez csak egy elvi rajz,ami a gyakorlatban nem működik helyesen.
Ennek igy nem sok ertelmet latom. En nem leszek probababa az biztos.
Mellesleg nem hinnem, hogy ez csak egy elvi rajz ugyanis a szerzo teljes epitesi leirast adott kozze rola. Az eredeti cikkben (ami nekem nincs meg sajnos) fotok is voltak az erositorol es a rajta mert jellemzo jelalakokrol. Viszont kivancsi lennek szerinted miert nem mukodhet a kapcsolas (fuggetlenul attol, hogy ez elvi rajz vagy sem)? Szamit valamit is az, hogy ez csak elvi rajz vagy sem? Vagy felsz atevedes lehetosegetol? En nem felek, mukodokepesnek tartom a kapcsolast es ha netan nincs igazam azt is vallalom, nem vagyok mindenttudo, az ember hibazhat es hibazik is ...
Hát,nekem sincs szükségem erre a kapcsolásra.Akkor felejtsünk....
(amit leírtam, OPA és a FET-ek közötti rész nem egyértelmű,sőt.../ Idézet: „amit leírtam, OPA és a FET-ek közötti rész nem egyértelmű,sőt...” Ha ezt reszletezni tudnad az nagyon jo lenne es elobbre vinne az egesz eszmecseret!
Szia!
Szerintem jó a FET-es rajz, legalábbis elvi hibát nem látok rajta..
Megrősítem lapose-t és lamalas-t. Szerintem is megy.
Tudom , hogy nem számít , de én is csatlakozom az előttem szólók véleményéhez .
Megépítheted , nincs benne hiba . Nagyon könnyen átalakítható hibriddé is .
Szerintem mindenki velemenye fontos! (akar helyes akar nem).
Hibrid tervem nekem is van. Majd ha lesz belole vmi (ido hianyaban nem tudom pontosan mikor) akkor egy alkalmas topikban beszamolok rola.
Jó a rajz, de mint írtam: nem fog akkora minőségugrást produkálni amennyivel több alkatrész kell bele, a többletmunkáról ne is beszéljünk....
uA709-el építettem meg az első Texas-t. 10Hz-1MHz-ig volt egyenes az átvitel kb 50W műterheléssel. A torzítást nem tudtam mérni (mert nem volt nekie! ).Bár attól még lehetett hogy nem hallottam. Több félvezetőkészlettel kipróbáltuk, mindegyikkel teljesítette a legmesszemenőbb feltételeket is. Több feszültséggel is kipróbáltuk, de +/- 35V fölé nem mentünk. Korrektül működött mindig és sosem torzított. Én megépítettem egyes táppal is és azzal is működik kb 15 éve. A FET-től csak azért idegenkedem mert sérülékeny, és itt (BAZ) nehezen beszerezhető.
Szia!
Nem is a minőségére mondtam(még nem próbáltam), hanem arról volt szó pár hozzászólással előbb, hogy működőképes-e a rajz.
Szia!
Szerintem működőképes, de ha reggel jó kedvem lesz akkor a tinában lemodellezem. Kíváncsi vagyok mit produkálna 2 Ohmos terhelésen! |
Bejelentkezés
Hirdetés |





Aki nem igy latja az nem ismeri a soros es parhuzamos kapcsolas kozotti kulonbsegeket! Csatoltam egy ujabb abrat. A kerdesem az, hogy ha az AD pontok felol nezzuk a kapcsolast akkor, hogy kapcsolodik R1 az R2 es R3-hoz? Illetve ha az AB pontokbol vizsgalodunk akkor hogy kapcsolodik R1 es R3? De azt is kerdezhetnem, hogy az AB pontokbol nezve hogy kapcsolodik R2-hoz az R1 es R3? A kerdesekben benne is van a valasz 

).





