Fórum témák
» Több friss téma |
Fórum » 3KVA Napelemes Inverter
Sziasztok!
Adott egy a címben emített inverter, amiben zárlatba ment egy darab 9N90Y jelzésű fet a 3 darabból, és az egyenirányító diódahíd. Átmérve a gate ellenállásokat, diódákat, mindet jónak találtam. Rendeltem bele 3db Bővebben: Link fet-et Izzóról indítottam először, és hallottam, hogy próbál indulni, de nem tud, azt gondoltam talán az izzó miatt. Bekötöttem izzó nélkül, és szintén kilőtte most már mind a három fet-et a diódahíddal együtt, mihelyt megkapta a hálózati feszt, plusz itt már vitte a gate ellenállásokat és a hozzá tartozó diódákat is... Kicsit kutakodva találtam egy érdekes szervíz leírást, amiben teljesen ugyanaz van mint az én példányom, csak más gyártó. Bővebben: Link (11. oldaltól van az a rész amiről szó van) Ebben a leírásban 3878 nevű fetek vannak, totál ugyanazzal a körítéssel, és ahogy néztem, annyi különbség van a korábban belerakott fettel, hogy van benne gs védelem. Most rendeltem a másik fet-ből ami az sm-ben is van, kicserélem az UC3843-at és a diódahidat meg gate-hez tartozó kis smd-ket. Kérdezném: hogyan próbáljam meg elindítani a hálózati részt anélkül, hogy kivégezzem esetlegesen még valamilyen fennmaradt hiba miatt a fet-eket? Akkuról is képes működni az inverter, ott is volt egy zárlatos smd kondi, amit cseréltem. Akkról ezután tökéletesen üzemel, csak a hálózattal nem hajlandó dolgozni. Szerk: épp most találtam egy YT videót is, ugyenezzel a készülékkel és problémával: Bővebben: Link A hozzászólás módosítva: Okt 27, 2022
Csináltam pár képet a panelről..
Szia!
Hová tetted az izzót? Diódák elé, puffer után? Hány wattos volt az izzó?
Szia! Ahol az AC bementet kell bekötni, 100W-os.
Majd rakd az izzót a puffer és a híd közé, így csak a FET-ek áramát korlátozod. 60W-os izzóval próbálkozz, annak nagyobb a hidegellenállása..
Megpróbálom! Mi van akkor, ha a fet-eket nem forrasztom be és úgy indítom? Van szkópom, de efféle áramköröket nem sűrűn mértem, inkább csak erősítők hangfrekis jeleit. Gate lábnak a helyén ilyenkor kellene lennie négyszög jelnek, mind 3 gate-en egyformának? Szkóp test vezetéket az UC3843 GND-lábára mérőcsúcs meg a fet gate láb helyére? Így képzelem el, de lehet rosszul
. Ez a kapcsoló üzem mindig mumus volt nekem
Vagy esetleg ha labortápról adok áramot az IC-nek ott áramkörön belül, és úgy mérek?
Ha jól gondolom, akkor nincs a híd leválaztva galvanikusan a hálózatról, ezért nem kellene ott szkóppal tapogatni. Ha trafós leválasztású a FET-ek gate meghajtása, akkor a trafók primerjén már mérhetsz.
Így van, nincs leválasztva, ezért is gondoltam annyival tovább, hogy labortáp.. Az UC3843 a pozitív tápot pár darab 20k-s ellenálláson keresztül kapja a nagy puffer pozitív pontjáról, gnd-ot pedig a híd negatív pontjáról.
Igazából csak azért keresném a lehetőségeket mert elég nehéz kivenni a feteket, sokminden útban van.
Jó gondolat a labortápos táplálás, reméljük, hogy nincs egyéb feltételekhez kötve az UC működése.
Mértem kiforrasztott fetekkel, és ahogy emlékszem a VCC 8V, de ahogy az adatlapját nézem, úgy nem indul még el mert a TURNON AT 8.4 V, a TURNOFF AT 7.6 V. Itt ideális esetben 8.4V feletti feszültségnek kellene lennie? Persze ez a mérés még úgy történt, hogy a régi UC-volt benne, ezt betudtam annak, hogy lehet meghibásodott a három zárlatos fet miatt.
Már kezdtem örülni hogy valaki értelmes készüléket fejleszt...de megint csak egy rosszul választott cím...
Ha arra gondolsz, hogy szünetmentest kellene fejleszteni, akkor nem sok értelme lenne. Én 1977 és 2000 között ezt csináltam, nagyon sok berendezésem volt országszerte. Most már igazán tudom, hogy lehet ilyet csinálni egyszerűen és nagyon jót. De egy ilyen fejlesztés sok pénzbe kerül. .. ez nem az amatőr szint, és csak tömegével érdemes gyártani, ami ugye egy gyárat igényel... egyszerűbb megvenni valami kínait.
Ha komoly fejlesztést akarsz látni, akkor éppen itt osztja az észt afazakas fórumtársunk, hogy hogyan lehet Opel Astrából holdrakétát építeni.
A hozzászólás módosítva: Okt 28, 2022
Otthoni körülmények között nem lehet versenyre kelni mérnökcsapatokkal.
Hát, a szükséges eszközök tekintetében igazad van. A szürkeállomány tekintetében két ember is elég.
Igazad van, nem voltam egyértelmű.
Gondolatban a formatervezést, engedélyeztetést stb. is beleértettem. A többit bőven leírtad.
Ki cseréltem a rossz alkatrészeket, most amikor megkapja a hálózati feszt indulna, de mintha valami tiltaná, mert folyamat leáll, felvillan a kijelző majd elalszik. Zárlatot nem találok sehol...
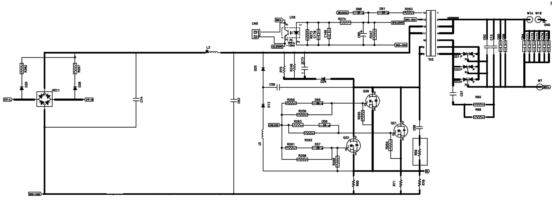
Találtam egy rajzot is hozzá.
A PWM kontroller tápkörében egy BAT54S dióda okozta a hibát, csere után megy
|
Bejelentkezés
Hirdetés |











. Ez a kapcsoló üzem mindig mumus volt nekem 






