Fórum témák
» Több friss téma |
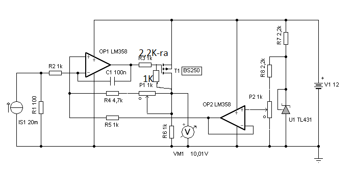
Melyik 1K-t tegyem a G-S közé?
Amelyik eredetileg az R3 helyén volt. (egy feszültségosztót kell képezni a Gate számára, hogy a küszöbfeszültség nőjön.
Hallod, nem értem amit írtál
Nem egészen, mert az a Drain nem a Source..
jaja, most néztem, hogy fordítva rajzoltam. Beteszem ,meg nézem.
Hát...ööö,nem megy így sem, de kínzom tovább. Most így a kimeneten 0 V van, bármekkora amper esetén
Méregetni kell..
Hát igen…
A következőket mértem Az első szám a PIN2-n, a második a voltmérőnél mért érték. PIN2-n 510mV-tól740mv-ig OUT 0V 1,2V - 3,2V 1,4-4,25 1,6-5,68 1,8-6,94 2-8,2 2,2-9,5 Mért értékek ábrázolva xtengely-2pin ytengely OUT Csiszolási javaslat?
Hello!
- Mivel a bementi áramtartomány 4..20mA és a Shunt 100ohm, azon eső feszültség tartománya 0,4..2V. Vagy is ennek kell lenni a 2-es lábon is. - Beállítani az áramkört úgy kell, hogy 4mA (400mV) bement mellett, a kimenti feszültséget nullára kell állítani P2-vel. (Pontosabban hogy épp "elinduljon a feszültség felfelé", hiszen nulla alá ez nem tud menni. Így alatta meg nem látod hol van.) - Majd 20mA (2V)-ot beadva, P1 beállítani a 10V feszültséget. - Eztán lehet felvenni a karakterisztikát amit tettél. A nullpont állításhoz, az IC 7-es lábán kb. 476mV kell. Neked előző mérésednél ez 1V volt, vagy is a 4mA küszöb sokkal magasabb értéken állt. De most is, ugye 740mV-ig 0V, tehát 7,4mA-en van a kivonás, nem 4mA-en. Vagy is a P2 értékét kell korrigálni. üdv!
Ok, köszönöm!
Üdv, köszönöm a segítséget!
Úgy tűnik, megjavult a dolog. Kettő kérdésem lenne még. Az egyik, hogy a P1-nél 5K-t használtam (ilyen volt), úgy vélem ez nem befolyásolja a működést, illetve kipróbáltam, hogy mi van, ha nem teszem be a TL431-t. Semmit nem vettem észre. TL431AID-t használtam, ez befolyásolná a dolgot? Valamint annyi, hogy a kimenet kapott még egy kis, 100n-os kondit. Az lenne még kérdés, hogy a 7es lábon azt a kb 476mV-ot a bemenet rákapcsolása előtt, vagy után kell beállítani?
Hello! Végre akkor valami működik is.
- Az 5k-val cseppet nagy a végérték beállítási tartománya. Ha az 5k, akkor R2-R4 és R5-öt is az ötszörösége növelni. Akkor változatlan a dolog. - Ha nem használunk TL431-et, akkor a 4mA kivonásánál a kivont érték függni fog a 12V tápfeszültség értékétől. A TL431AID-nek még a hőfoktartománya szélesebb, meg SMD. De ugyan olyan jó. - A 7-es lábon a 476mV-ot csak tájékoztatásképpen írtam. Alapvetően nem ezt a feszültséget kell beállítani, hanem 4mA mellett a kimenti 0V jelet. Csak számítás szerint ennyire jön ki. üdv!
Igen, végül is megy a dolog szépen!!! Szóval ezer köszönet a segítségért!
A hozzászólás módosítva: Feb 8, 2014
Hello!
Megépítettem a kapcsolást, de sztem túl leterhelem /építettem hozzá egy ICL7107es árammérő kapcsolást/ és üresen kint van a 9V-ot, amikor rárakom a műszert meg stabil 0V-ot mérek :S A mérő műszer külön működik... Javítási 5let? Kösszi
Hello! Nincs itt mit javítani. Valami nem kerek. Egy áramgenerátor akkor van túlterhelve, mikor a kimenetén szakadás van. Ezért a 9V. Ha terhelés van rajta, akkor pedig akkora a feszültség, amekkora a kiadott áramra a terhelő ellenálláson esik. Ha a terhelés nulla, akkor a feszültség nulla, de az áramnak ekkor is a beállított értéknek kell lenni.
Tehát az, hogy Te 0V-ot mérsz, annak semmi értelme, csak akkor ha azért mérsz annyit, mert nincs kimenő áram. De ekkor nem működik az áramgenerátor, vagy nulla áram van beállítva. Tekintve, hogy a táp itt 9V, és 20mA esetén az R4-en 2V feszültség esik majd, a maximális terhelése a generátornak, Rtmax=(Ut-UR4)/Imax=(9V-2V)/20mA=350ohm. A telep feszültség csökkenése miatt, így a terhelő ellenállás értéke 0..330ohm között lehet. üdv!
Üdv. A csatolt rajzot régebben proli007 adta. Akkor az volt a célom, hogy tudjam tesztelni egy plc analóg bemenetét programozás közben. Az áramkört akkor el is készítettem de végül nem használtam. Most újra ez a feladat... Akkor azt tanácsolta proli, hogy ne a plc saját tápjával működtessem az áramkört hanem egy külön akkuval, elemmel. De most valahogy "megkavart" ez a külön tápos dolog... A rajzon láthatóan módon kell bekötni? Ha nem, akkor hogyan?
Köszönöm a segítséget előre is.
Hello! Azért tanácsoltam (vélhetően) hogy külön tápról használd, mert ha a PLC tápot használod, akkor az áramkör a 24V-hoz képest adja ki az áramot. Ha a PLC bemenete galvanikusan elválasztott, akkor nem gond. De ha nem az, és PLC bementi ellenállások (Amin az áram feszültséggé alakul) pld. a GND-re van kötve, akkor ez a kapcsolás nem jó. A telepes táplálással egyébként is mobilis lesz a tesztáramköröd. Nem telepes táplálása csak akkor célszerű, ha mondjuk napokig kellene adnia az áramot.
Értem. Maradok is a telepes megoldásnál. De...akkor helyes a bekötés ahogy rajzoltam?
Nem helyes. Csak akkor lenne az, ha a PLC áramfigyelő ellenállása a PLC +24V-jára lenne kötve. De az szinte biztos, hogy nem így van. Az áramkör kimenetét kell a PLC "áram bemenetére" csatlakoztatni. Vagy is a +12V megy a "+ bemenetre", a drain pedig a "- bemenetre". De ha ragaszkodsz a PLC 24V-os táplálásához, akkor "meg lehet fordítani az áramkört", csak akkor nem ezekkel az alkatrészekkel kell megoldani..
A hozzászólás módosítva: Ápr 14, 2015
Nem akarok változtatni, jó lesz a telepes üzem is. Tehát akkor a +12V megy például a plc AI0 bementére, a drain pedig a a plc tápfesz 0V pontjára...
Így van.
Köszönöm a segítséget.
Üdvözlet, Mindenkinek! Szeretném megépíteni a kapcsolást, de az IRF-nek elég borsos az ára. Kérdésem az lenne, hogy lehet-e valamilyen "kisebb" tipussal helyettesíteni, aminek kedvezőbb az ára. Köszönöm: Joe
Hello! Bármelyik P-MOS megfelel, aminek 500mW-nál nagyobb teljesítménye van.
Köszönöm, proli007! Valami ilyesmire gondoltam Én is, de meg kellett bizonyosodnom erről. Esetleg tudsz is egy konkrét típust ajánlani? Sajnos tapasztalatlan vagyok az ilyesmiben.
A hozzászólás módosítva: Okt 26, 2015
Üdv. mindenkinek. Egy PT100-as hőmérő értékét szeretném 4-20mA jelre alakítani. Hogyan lehetne ezt megoldani? Kezdésnek mondjuk 0-200 Celsius fok között kellene mérnie. Vagy akár ez állítható is lehetne?
Előre is köszönöm.
PLd. az IRF9630
Köszönöm. Ennek már barátságosabb az ára.
Üdv. Nem tudom, hogy csak nem járt erre valaki aki jobban ért ehhez vagy csak nem vették észre de megpróbálom újra
. Idézet: „Üdv. mindenkinek. Egy PT100-as hőmérő értékét szeretném 4-20mA jelre alakítani. Hogyan lehetne ezt megoldani? Kezdésnek mondjuk 0-200 Celsius fok között kellene mérnie. Vagy akár ez állítható is lehetne? Előre is köszönöm.” Esetleg ebből lehetne ki indulni? Köszönöm... A hozzászólás módosítva: Dec 3, 2015
|
Bejelentkezés
Hirdetés |









. 




