Fórum témák
» Több friss téma |
úgy csináltam ahogy mondta, de nem működik!!
Nem értem, meg hogy ezt miért nem értitek meg? Akkor hagyjuk ezt a tranzisztoros dolgot. a LEDdel párhuzamosan -sorosan nem tudom bekötni, s előtét ellenállása sincs, szóval ezzel nem tudok kombinálni- milyen megoldás van, ami egy relét tudna vezérelni?
A "vezérlő jel" honnan jön? Mi vezérli a közlekedési lámpa LED-jét?
Le merném fogadni, hogy nem a LED vezérlő jelre kötötted a bemenetet, hanem a led-re...
így van. de máshová nem nyúlnék.
1, mert nem merek (amilyen hülye vagyok elcseszném ezt is) 2. nem is férek hozzá
Úgy látszik nem fogadod meg a Írási tanácsokat. Szerintem ha nem "mered", akkor ne foglalkozz ilyen dolgokkal.
Lemodelleztem. Gyönyörűen működik... Csatolom.
Lehet hogy papíron működik, de valójában meg sem mozdul
a fesz ráadásakor behúz a relé és úgy marad
Ha az R2-t eltávolítod, akkor is behúz?
rövidzár legyen ott?
ha ott nincs semmi akor is behúz a relé alapállapotban
Ha ellenállás nélkül is behúz, akkor nagyon elkötöttél valamit. Ellenőrizd a tranzisztor bekötését, tehát hogy a kollektor-emitter-bázis jó helyre van-e kötve.
korábban építettem egy ilyet KTIR0611S optokapu van benne. No ezt most felhasználtam s a led helyére a lepárhuzamosított ledet kötöttem be. Minden ok. vezérli a relét, ahogy kell, csak "elszipkázza" a LED fényét.
Most már nincs messze a megoldás, de mit csináljak?
Már írtuk, hogy ne a LED sarkaira kösd az optó LED-jét, hanem a PIC kimenetére és akkor elvileg nem lesz fényerőcsökkenés. De azt is megteheted, hogy a PIC kimenetéről eltávolítod a piros LED-et és a relével kapcsoltatod.
Ha nincs benne a soros bázisellenállás nincs bekötve (hiányzik) és behúz a relé, akkor elkötöttél valamit, vagy zárlatod van! Hidd el, hiába mondod, hogy nincs baj.
Mint már írtam nem férek hozzá (be van dobozolva)
csak a LEDdel való párhuzamosítást tudok csinálni
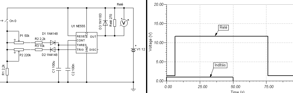
Szükségem lenne egy olyan időzítőre ami egy 12voltos relét kapcsolna ugy hogy a feszültség megjelenését követően lehetne késleltetni a be ill ki kapcsolását két potival 0-30mp között
egyik potival a bekapcsolást másikkal az kikapcsolást pl: mondjuk feszt megkap 5mp múlva relé behúz 20mp múlva elenged Előre is köszönöm a válaszokat
Hello! Erre gondoltál? De remélem nem úgy gondoltad, hogy a saját feszültségével fog a késleltetés működni, mert miből marad húzva a relé 20 másodpercig, ha nincs táp? üdv!
A hozzászólás módosítva: Ápr 9, 2013
Ez nagyon jó!
még annyit ,ha a nyomógombot kihagyom feszültség megjelenésétől fog indulni az időzités? az egyik poti a behúzás kezdetét a másik a végét állitja?
Hello! A nyomógomb a szimuláció miatt van. A 2,2kohm-ra kell a 12V feszültséget adni/elvenni. üdv!
Ne haragudj hogy értetlenkedek a 12v fix. nyomógomb be és indul a időzités ami az relét a beállítot időn belül kapcsolja!
Köszönöm a segítséged !
Most én fogok értetlenkedni, mert fogalmam sincs miről beszélsz. Ez az áramkör azt teszi, amit itt kértél. Felhívtam a figyelmedet, hogy ami indítja az időzítőt, az nem lehet az időzítőnek is egyben tápja. Mert a bekapcsolás 5sec-át még késleltetni lehet, de mi van kikapcsolásnál? Ha elveszed a tápot, a relé egyből ejt. Vagy is csak úgy lehet működtetni, hogy az áramkör fix 12V feszültséget kap, az indító/leállító 12V kerül a 2,2kohm-ra. A működtetést egy kapcsolóval szimuláltam.
Amúgy a rajzomon az nem nyomógomb, hanem kapcsoló. De te sem tudod a ki-be kapcsolást késleltetni nyomógombról, csak kapcsolóról. kivétel, ha hosszabban nyomod a gombot, mint a bekapcsolási időzítés. Most akkor mit szeretnél? A hozzászólás módosítva: Ápr 9, 2013
Ja akkor itt értettük félre egymást nem veszem el a tápot csak jóval a beállitot idő után
Autós relét szeretnék vele kapcsolni amikor a gyújtást ráadom a relé késleltetve bekapcsol kb5-10s és utána 20sec múlva kikapcsol úgy hogy a gyújtásról továbbra is jelen van a fesz.(még le nem veszem de ez úgy is a beállított az időn túl van)
Hello! Akkor Te messze nem azt szeretnéd, amit írsz. Tehát ha a gyújtáskapcsolót bekapcsolod, akkor a relé 5 másodperc után húzzon meg, és ez után 20másodpeccel engedjen el. A gyújtás, meg végig rajta van.. Jól értem? üdv!
Köszönöm a segítséged ! nem akarok szemtelen lenni esetleg egy nyák tervet nem tudnál kreálni
Hello! Valamit az ügy érdekében Neked is kellene tenni nem?
üdv!
Ez igaz !
Köszönöm a kapcsolást jól működik!
Most olyan kapcsolásra lenne szükségem az autóba .ami két darab relét kapcsolna úgy hogy a fezültség az autó zárását követően megjelenik ,az első relét bekapcsolja 1-2 mp-re majd ezt elengedi és bekapcsolja a második relét 1-2 mp-re és ezt követően ezt is elengedi Ezzel a kapcsolással szeretném az ablakokat felhúzni ha a riasztóval bezártam az autót ,erre azért van szükség mert jelenleg úgy működnek az ablakok hogy egymást követően megnyomom az ablakemelő kapcsolókat 1-2 másodpercre akkor autómatikusan felmennek ,fontos ha egyszerre nyomom meg a két kapcsolót nem csinál semmit ,ezért lenne szükségem a késleltetésre valami egyszerű kapcsolással itt a relék helyetesítenék az ablakemlő kapcsolót (a kapcsoláson az autó bezárását követően folyamatosan feszültség maradna ) A hozzászólás módosítva: Ápr 17, 2013
Szia! Ilyet már kért más is ezért könnyű dolgom volt. Ez az áramkör a gomb megnyomásakor vár egy kicsit majd behúzza az első relét elengedi behúzza a másik relét elengedi. Tehát pont azt csinálja amit te írtál elvileg.
Természetesen a gomb helyett lehet 12 voltot is adni a lényeg, hogy ha ide felfutó él érkezik (0V ról 12Vra változik az állapota) onnantól indul el. |
Bejelentkezés
Hirdetés |







üdv! 




