Fórum témák
» Több friss téma |
Fórum
Szia!
Mondjuk az a kezdet kezdetén volt, és nem tudom már, hogy mi volt beírva a távirányítóba! Mikor összeállt a cucc, akkor realizáltam a távirányítót, emlékeim szerint egy régebbi verzió volt ami nem négy lapos! Most ez van benne, elvileg ez a legtöbbet tudó! rc5X 2.3 de ebben nem találom a "TStaticText" bejegyzést.
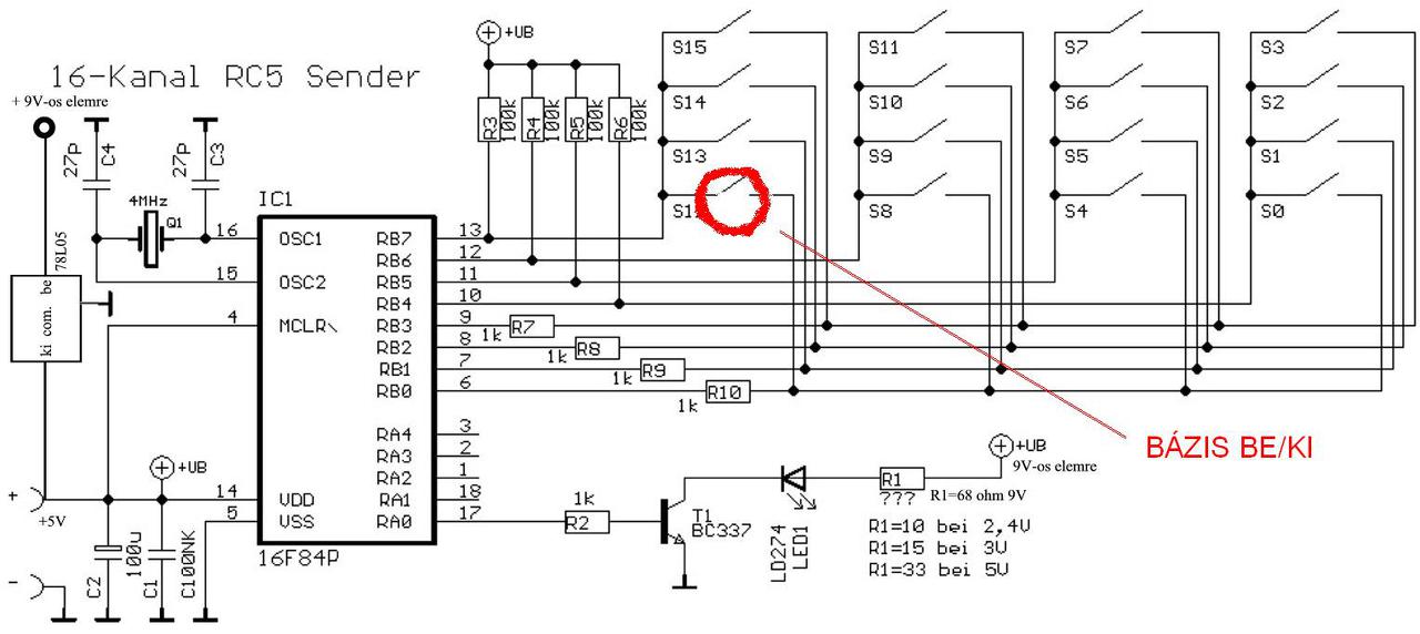
Several program was made for 16F84A and 16F628(A). On this shematics there are 2 extra buttons:
- Shift button (going to pin 13 of the PIC) makes the possibility to use more than 16 command - Address button (going to pin 3 of the PIC) makes the possibility to change address. Pressing and holding Address button and pressing a number button sets the address of 0x10 + (button number). The default address in 0x1D (29 decimal). Command codes for buttons are a function of witch "page" is active. The "page" can be changed by pressing Shift button, the visible LED will flash as many times as the active "page" number is. The command codes used will be (page_number)*16+(button_number). Files with 3pg in name use 3 pages, files with 4pg in name use 4 pages. A hozzászólás módosítva: Aug 7, 2018
A 16F84 távirányító, ami 0 készülékcímet küld. A gombok kódjai: 0 .. 15.
Szia Hp41C !
Lenne egy kérésem. Lehetne összehozni egy távirányító asm/hex állományt ezekből ? Erről a kapcsolásról van szó, de csak az S12 gomb kellene hogy működjön a 0193 címfigyeléses bázishoz. Küldöm a kapcsolást, a 0193 pdf, és a PIC16F84-infra.hex fájlokat. Sajnos a forrást nem találom. Köszi Üdv janigel A hozzászólás módosítva: Júl 10, 2018
Igen rendbe már néztem.rc5x van benne a három lapos de átírtam megint.Közben lemerültek a 9V aksijaim,most töltenem kell mind a kettőt pedig levettem a táviról mikor nem használtam.
Sziasztok.Megcsináltam a 886 smd órát,de nem bírom a távival működtetni.A prop és a távi mplabbal passzol, de mégsem tudok semmit léptetni.Hogy tudok asm file berakni ide?Ja megvan.Nincs bázisom,csak egy vezeték nélküli kraft átvitelem,talán 5W körüli néha resetel,de ha a fényt lejjebb tudnám szabályozni nem lenne gondom.Rá tudnátok nézni a két file ra?
A hozzászólás módosítva: Máj 13, 2018
szóval megpróbáltam lefordítani nos az eredmény nem kielégítő.
Porop fordításánál hiányolja a program a következőket Cannot open file (Include File "CharGen628.asm" not found) Cannot open file (Include File "Keys628.asm" not found) A hozzászólás módosítva: Márc 13, 2017
Ok.valóban, de nem értem.
Ezekkel mit kell csinálni ? Van a három PIC amibe bekerülnek a progik. Hova kerülnek a "keys" állományok ? A hozzászólás módosítva: Márc 12, 2017
Sziasztok!
Tudna nekem segíteni valaki abban, hogy lefordítaná ezeket az ASM fájlokat HEX-re ? Nagyon megköszönném.
Ezek alapján építettem meg.
A hozzászólás módosítva: Szept 30, 2016
Can't make video...
As i told You, in the rc5X.zip package there are precompiled hex files for 16F628(A) and 16F84. All of them use 4MHz quartz and XT oscillator mode. *3pg*.hex use 3 pages, *4pg*.hex use 4 pages.
THIS HEX FILE IS WORKING BUT BY CHECKING MOBILE CAMERA IR LED BLINKING IS VERY LOW
Here You are. It is a bit modified version.
download from vicsys rc5 hex file both file not work 78l05 output volt 5 volt but remote not working
Hello
Ujra itt!!! Az lenne a kérdésem, hogy ha ebből a mappábol mindent megcsinalok akkor mukődni fog a propeller clock???
Two more things: The photo-transistor in Dario D's pcb is wrong placed? If you look here:
http://www.hobbielektronika.hu/cikkek/files/vicsys_propellerclock/m...ok.lay then you look here (ad file n°1), you can note this. Last one is on the controller that is proposed (ad file n°2), the transistor is a PNP one, but it's value is "BC639" which is a NPN one (see http://alltransistors.com/pdfview.php?doc=bc635_bc637_bc639.pdf&...torola for details). Which is the proper one? PNP or NPN? (Emitter to GND indicates that is an NPN one, am I wrong?). A hozzászólás módosítva: Jan 9, 2014
I made this one. And I used this hex. Then I did the second one, but the result is the same on both remote controls.
A hozzászólás módosítva: Jan 9, 2014
Szia.Köszönöm,hogy foglalkozol velem már azt hittem mindenki a szabadságát tölti.Az első "HEX" amit bele töltöttem azt "nurseboy"forumtársnak küldted 2010 Julius 20-án.Itt Bővebben: Link ezen megvoltak a mutatók.A második egy tömöritett ZIP állomány volt amit "mrbini"forumtársnak küldtél 2010 Január 06-án. Bővebben: Link .A távirányitóban 16F84A-s PIC van és a Girder szerint jó jeleket küld.
Hibás linkek javítva. Kérlek használd a link gombot! A hozzászólás módosítva: Júl 11, 2013
Sziasztok!
Bizonytalan a távszim (pontosabban, mindíg jó kódot ad, de csak egyszer, egy gombnyomásra, és a propeller, az nem mindíg veszi). Mit kell átírni a kódban ahhoz, hogy ugyanazt tegye, mint az egyéb távszik (amíg nyomom, addig ismétli a kódot). Mellékelem az általam beégetett asm fájl. (16+2 gombos.) Üdv: Zsolt
[b]Felteszem az eredi Vicsys féle cikkben lévő rc5 távirányító (PIC16F84),Eredeti bázis (PIC16F628A) ,Ezedeti rotor (PIC16F628A) kontrollerekre fordított hex file-t melyekben a címfigyelést kikapcsoltam.. EZZEL MENNI KELL AZ ÉPÍTETT ÓRÁKKNAK! HA NEM MEGY MÁS A BAJ!! ÓRAMUTATÓVAL ELLENKEZŐ IRÁNYÚ FORGÁS SZÜKSÉGES![b]
Sziasztok!
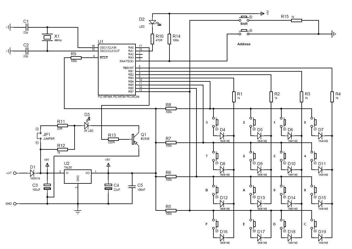
Elkészült a 16 + 2 gombos távirányító új változata: 16F630 kontroller, belső 4MHz órajel, 4 led a parancsok visszajelzésére. Jelenleg 4 címet lehet léptetni az Address gombbal és 3 * 16 parancskódot lehet elküldeni. A panelt alulról nem mutatom, sajnos van rajta néhány átkötés is...
Szia!
- Ha ezt a nyáktervet Calibra fórumtársunk készítette, akkor bátran hozzá is foghatsz, ez már egy általam is kipróbált kapcsolástechnika eredménye, amely Hp41C fejlesztése. A programot szintén Hp41C fejlesztette az eredeti (Soubry Henk) programjából. Annyi különbséggel építettem meg, hogy az elemet én sokkal kisebb méretben a panel alkatrészoldalára raktam át teljesen hátra szerelve. A 3x16-os már beprogramozott távirányítód címe, kódjai, éppen ehhez a propellerhez alkalmas mindenféle változtatás nélkül. Egy hex fordítást, (ha ezt még nem tudnád az MPLAB-bal elkészíteni), ebben is szívesen segítünk neked, nem olyan ördöngős dolog az. Építsd meg ezt a propellert, (PIC16F628(A) kell a működéséhez. Ha már van PicKit2 klónod saját készítésű, akkor egyáltalán nem lesz gond ehhez a propeller hex állomány elkészítése sem. Azért fordítottam hozzá egy Prop_v2_27 RTC-s hex veziót, és ezt az rc5x távirányítóddal tudod majd kezelni, de később ezeket a parancsokat a keys.asm programban majd rendezni kell a neked kedvezőbb, vagy kényelmesebb funkciók kiosztásához.
Üdv!
A távirányitóba megpróbáltam a 16f628 és a 16f84-est is de ugyan az midkettőnél a Viscys-ét égettem bele ami a Hobbyelektronika oldalán van de csatolom mid a kettőt és a propellert is.Csak hex van nincs asm.A táirányító rajz is onnét van azt is csatolom.
Szia. Igen a propeller forrásban lévő key asm állományban tudod átirni a távirányítóhoz a kívánt parancsot.. Nem a távirányítót írjuk az órához hanem az órát a távirányítóhoz így akár 16 óra ia vezérelhető teljes utasításkészlettel egymástól függetlenül egy távirányítóval! Mellékelem a távirányító által kibocsájtott jelek/gombok ,lapok szerint..
Szia!
Még egyszer - Nincs belőle asm forrás, a program C -ben íródott. Azért nem ilyen rossz a helyzet, a program rövid és mások már írtak disassembler-t a 16F sorozatú pic-ekhez. Ha a hex -et visszafordítod vele, akkor ez jön létre...
Szia!
Neked az "eredeti" cikkben leírt változat kellene. Íme: (Az újabb távirányítóhoz /rc5x/, a továbfejlesztett változatok Hp41C nevéhez füződnek, azokat itt a fájlmellékletekben tudod megkeresni.)
Sziasztok!
Egy távirányító panelt ültettem be az rc5x/4*16 parancs kiadására kifejlesztett programhoz, (Hp41C), PIC16f628A kontrollerrel. A nyákot H2opok készítette (Patexati nyáktervei alapján). Azonnal elindult, most már csak a "neheze" van hátra, a dobozolás. Néhány kép a táviról.
Sziasztok!
A nagyon hiányolt alkatrész listák: (Az SMD verzióhoz SO18 tokozású kontroller és SO8W tokozású RTC kell természetesen.) Még egyszer: Nem építettem ilyen órát, az aklatrész listák nem teljes értékűek - pl: az SMD 0 ohm -os ellenállások nincsnek rajta....
Szia!
Csak azt nem tudom, rc5x táviban az f84, vagy f628, esetleg f628(A)-ra kellene az a hex, így mindhárom, Hp41C által továbbfejlesztett változatot egy állományban felrakom. (Mindegyikkel 3*16 parancs küldhető.) Nemrég került ismét bővítésre, így a legújabb rc5x/64, már 4*16 parancsot tud küldeni. |
Bejelentkezés
Hirdetés |













