Fórum témák
» Több friss téma |
Fórum » Propeller Clock
Persze,a pic et törlöm,ellenörzöm a törlést és ujra tudom írni.Jó pár programot próbáltam már.Akkor a pic jó.Az infra vevőn látom a jelsorozatot az ic 1-el lábán.A távot telóval nézem,az infra ad jelet.A táviban rc5x program van.Az órát tegnap óta bekapcsolva hagytam,megy az óra rendesen egy napot lépett a dátum.Kicserélem az infra vevőt hátha,meg megnézem a távi programját.Amit legutobb küldtél az van benne,visszaraktam a címfigyelést semmi változás,megint kivettem.HDD motor hajt,és telefon töltős energia átvitelem van nincs bázisom.
Az infra-modul kimeneti vonalának felhúzó ellenállása rendben van? (értéke, beforrasztás)
A távirányítóba milyen program van? Véletlenül nem a sima távi kódja?
Igen rendbe már néztem.Rc5x van benne a három lapos de átírtam megint.Közben lemerültek a 9V aksijaim,most töltenem kell mind a kettőt pedig levettem a táviról mikor nem használtam.
Mivel programozod a PIC -et? Netalán PICkit2 -vel?
Csinálj egy mérést: - Kösd ki a rotort forgató motort. - A PICkit2 -t használd logikai analizátornak, az AUX bemenetet kösd rá az infra vevő kimenetére, a földet a rotor földjére. - Állítsd be 50 kHz körüli mintavételi frekvenciát és AUX -n lefutó élet triggernek. - Indítsd el az analizátort. - Küldj egy parancsot a rotornak. - Exportáld ki a regisztrátumot a programból egy állományba. - Töltsd fel az állományt. - Olvasd ki a programot a rotorból és azt a hex -et is töltsd fel. A hozzászólás módosítva: Máj 17, 2018
Igen azzal.Most emésztem és nézem mit kell csinálnom a lefutó élet triggernek hol tudom állítani?A ch3 1-2-jobra dől-balra dől?
A hozzászólás módosítva: Máj 17, 2018
Lefagyott a program,nem tudom elövarázsolni próbálkozom.
Ha megnyomod a PICkit2 gombját, akkor megáll a regisztrátum tárolása és visszatér a vezérlés a programra.
Mikor engedélyezni akarom a bemeneteket,kiirja hogy kevés neki a VDD fesz.A prop tápját is kössem rá a pickitre?
Na már majdnem.Ha rányomok a run ra,Kiírja hogy túl nagy kivét,vagy előjel nélküli bit és nem megy ha a mintavételezési időt 256 állítom.Ha kisebbre,128 akkor meg waiting for trigger és csak a gomb megnyomásával lehet visszatérni a programba.
A hozzászólás módosítva: Máj 17, 2018
Idézet: „akkor meg waiting for trigger és csak a gomb megnyomásával lehet visszatérni a programba.” Ne csatlakoztasd a rotorhoz. Indítsd el a mérést úgy, hogy az AUX -ot a VDD -hez érinted. Az AUX -ot érintsd a GND -hez. Ekkor meg kellene állnia a programnak. Ha kézzel megáll, de a rotoron mérve nem áll meg, akkor a MCLR vezetéken nem alakul kiaz alacsony szint. Nem elég alacsony a feszültség, amikor a TSOP alacsony szintre akarja húzni.
Megpróbáltam,vett mintát,valami jelet.Akkor cseréljem ki a 10K ellenálást mekkorára?
Na mos feladtam.Már két hete tornázok a távirányítással,nem megy.kicseréltem a vevőt,a felhúzó ellenállást 47k cseréltem,majd kiis vettem,de semmi távirányítás.
Köszönöm mindenkinek ki segített.
Sajnálom.
Miért is nem tetted fel a kiolvasott HEX-et, hogy Hp41C fórumtársunk ellenőrizhesse rendben van-e? Üdv: belagu
Mert az infra jelet sem tudtam mérni pedig a program működi a pic kitben.Hp41C megnézi a rotort.
Sziasztok.
Melyik alkatrész hibája okozhatja a 886-os rotoron az lm358a komparátor halálát. Egy tisztogatás alkalmával érdekes módon eltűnt az adatátvitel. Kicseréltem az lm358-at és szinte azonnal tönkre is ment. Ugyan arra a bázisra meg tápra rátettem egy másik rotort és az hibátlanul működik így a táp része nem lehet rossz. Kiforrasztottam a kis fetet is ami a komparator 1-es lábára megy de semmi változás. A jó rotoron a komparátor 7-es lábán 4,5-5,1V-ot mérek. A hibás komparator 7-es lábon meg 9V fölött. Mit nézzek még meg? Köszönöm.
16F886 DIP rotor:
Lehet a 8. (táp) és a 7. (kimenet) láb közötti zárlat. Ez magyarázhatja az erősítő azonnali elhalálozását is. A két láb között megy a 7. lábra kötött ellenállás másik vége a MOS-FET gate -jére avagy az NPN tranzisztor bázisára. A közelben megy az SDA vonal is. A hozzászólás módosítva: Máj 18, 2018
Köszönöm ezeket megnezem.
Csak azért furcsa az egész mert nem csináltam vele semmit csak leszedtem a rotort a motorról és elmostam izopropillal mert kB fél éves por volt már rajta.
Egy levált forraszdarab bemehetett az SMD alkatrészek alá, közéjük.
A hozzászólás módosítva: Máj 18, 2018
Szia.
Meg lett a hiba oka. Egy 100nf-os szűrő vagy hidegítő kondenzátor volt benne rossz ami a komparátor 6-os lábára megy. Vissza tettem a régi komparátort is és már nem mérek 9-10V-ot rajta hanem 5V körülit. Így már működik az adatátvitel is rendesen.
Azt kellene még tudnom mely parancskódokat nem használja a rotorod.
Szia!
Ezt így nem tudom, de itt van a 628 bázis forrása ami rendesen működik. A 683-at akarom a venti alá tenni. URC távot használok, a bázis csak be/ki kapcsoljon. A hozzászólás módosítva: Máj 22, 2018
Talán ez jó lesz. A készülékcím 16 azaz 0x10.
Köszi szépen, (már csak Te maradtál itt velünk mint fejlesztő) holnap ha lesz időm kipróbálom.
Szükségünk is van rád.
Szia!
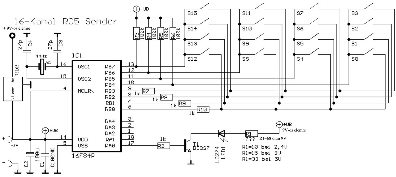
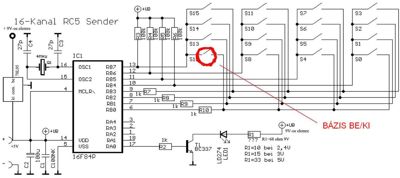
Kipróbáltam, sajnos nem működik. De még a trafó sem indul el, nincs meg a készenléti feszültség sem. Nyomkodhatok bármit. *************************** Hátha ezekben van használható infó. Nekem ez a 16 gombos táv működik a bázissal, a karikázott billentyű a bázis be/ki. Ha erre működik a bázis, akkor az URC1-ről is működni fog. Ezt a billentyűt nem használja a rotor. (a forrás is jó volna, a kitöltési miatt) A hozzászólás módosítva: Máj 23, 2018
A forrása itt van. Nagyon nehéz egy hex állományból rájönni mit is csinál a távirányító.
|
Bejelentkezés
Hirdetés |











