OK
Mégsem
Hobbivasút
|
HESTORE
|
Kislexikon
Hírek
Cikkek
Fórum
OK
Hírek
Cikkek
Fórum
Lexikon
Segédprogramok
Apróhirdetés
Fórum témák
Ki mit épített?
AVR - Miértek hogyanok
Ez milyen alkatrész-készülék?
Elektronikában kezdők kérdései
NYÁK-lap készítés kérdések
[OFF] Pihenő pákások témája
- Elektronika, és politikamentes topik
PIC kezdőknek
ARM - Miértek hogyanok
•
Castone erősítő javítás
•
Erősítő mindig és mindig
•
Akkumulátor töltő
•
Energomat mosógép
•
Androidos okos telefonok
•
3D nyomtatás
•
Dobozolási technikák, műszerdobozok
•
Elfogadnám, ha ingyen elvihető
•
Alternativ HE találkozó(k)
•
Felajánlás, azaz ingyen elvihető
•
Mikrohullámú trafóból hegesztő
•
DC motor/lámpa PWM szabályzása
•
Opel Astra elektromos hibák
•
Kapcsolóáramkör MOSFET-tel
•
Villanymotor bekötése
•
Frekvenciaváltó
•
LG okos tv
•
Tápegységgel kapcsolatos kérdések
•
Labortápegység készítése
•
Számítógép hiba, de mi a probléma?
•
Arduino
•
Vásárlás, hol kapható?
•
Vicces - mókás történetek
•
Mosógép vezérlők és általános problémáik
•
Kapcsolóüzemű tápegység
•
SDR (Software Defined Radio)
•
Gáztüzhely elektromos szikráztatója
•
MyElecParts alkatrészkereső és készletnyilvántartó
•
Kombikazán működési hiba
•
Aszinkron motor teljesítményének meghatározása
•
Mikrokontrollerek zavarszűrése
•
Érdekességek
•
Izzítás és izzítógyertya teszter
•
Motorindító kondenzátor
•
Gigatron TTL számítógép
•
Philips TV
•
Szárítógép problémák
•
HESTORE.hu
•
Sprint-Layout NYÁK-tervező
•
Gázkazán vezérlő hibák
•
Kazettás magnó (deck) javítása
•
Frekvenciamérő
•
555-ös IC-s kapcsolások
•
Bojler fűtése közvetlenül napelemmel
•
Autóelektronika
•
Videókártya probléma
•
Rádióamatőrök topikja
•
Tekercs induktivitás kiszámítása
•
Hangszínszabályzó
•
Csöves tápegység
•
Folyamatábrás mikrokontroller programozás Flowcode-dal
•
PIC programozás mikroC fejlesztőkörnyezetben
•
Akkutöltő hiba
•
Kapcsolási rajzot keresek
•
A műhely (bemutató topik, ahol az alkotások készülnek)
» Több friss téma
Fórum
Keresendő kifejezés
Keresés módja
Intelligens keresés
Hozzászólás keresés
Fájlmellékletben
Fájlmellékletben (képek)
Kategória
Minden kategória
Alapismeretek
Ellenállások
Kondenzátor
Áramforrások
Tekercsek
Kapcsolók
Érzékelők
Motorok
Műszerek
Egyéb
Analóg áramkörök
Erősítők
Szabályzók
Egyéb
Digitális áramkörök
Flip - Flop és tárolók
Kapuk
Vonali választók
Multiplexerek
Dekóderek
Demultiplexerek
Bufferek és meghajtók
Számlálók
Regiszterek
Aritmetikai áramkörök
Logikai áramkörök
Memóriák
Egyéb
Mikroprocesszorok
PIC
Memória / EEPROM
Memória / EPROM
Memória / RAM
Egyéb
AVR
STM32
STM8
Espressif, ESP
LPC
SAM
PIC32
ARM általános
Speciális
Csövek
A/D konverterek
Időzítők
Komparátorok
Egyéb
Technika
Audiotechnika
Fénytechnika
Vezérlés technika
RF technika
Méréstechnika
Keresés
Új téma nyitása
Lapozás:
1. - 50. elem
51. - 100. elem
101. - 150. elem
151. - 200. elem
201. - 250. elem
251. - 300. elem
301. - 350. elem
351. - 400. elem
401. - 450. elem
451. - 500. elem
501. - 550. elem
551. - 600. elem
601. - 650. elem
651. - 700. elem
701. - 750. elem
751. - 800. elem
801. - 850. elem
851. - 900. elem
901. - 950. elem
951. - 1000. elem
1001. - 1050. elem
1051. - 1059. elem
OK
19 / 22
Belcanto gö...png
Vágólap02.jpg
Vágólap03.jpg
scooby riaa.png
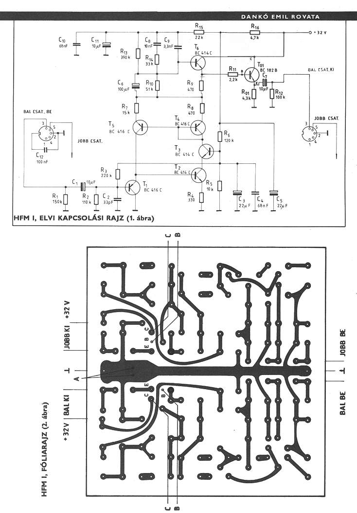
HFM1 mc.JPG
marantzRIAA.jpg
RIAA scooby2.jpg
atkapcs_riaa...jpg
atkapcs_riaa...jpg
atkapcs_riaa...jpg
GAIN LT1028.png
RIAA LT1028 ...png
moszkvai hir...jpg
LT1028 hirag...jpg
LT1028 HIRAG...jpg
LT1028 hirag...jpg
opa riaa ere...jpg
opa riaa mod...jpg
riaa.jpg
LT1028 riaa.PNG
névtelen.JPG
DSCF4961.JPG
RIAAZAJSZEGE...jpg
tinadiag.jpg
jel-zaj.jpg
LINEAR BEÜL...jpg
hfm1vskétra...jpg
LINEAR.JPG
LINEAR.JPG
HFM-I_mod.JPG
RIAA NE5532 ...jpg
RIAA NE5532 ...jpg
RIAA NE5532 ...jpg
névtelen.jpg
névtelen.JPG
Noname.jpg
Belcanto ria...jpg
LT1028 riaa.JPG
Screenshot-3.png
Screenshot-2.png
Screenshot-1.png
20090915(001...jpg
bybqsfátvit...jpg
anti RIAAjo.JPG
anti RIAAjo.JPG
LT1028 riaa.JPG
hfm1átvitel.jpg
HFM1ANTIRIAA...jpg
összehasonl...jpg
görbék.jpg
Következő:
1. - 50. elem
51. - 100. elem
101. - 150. elem
151. - 200. elem
201. - 250. elem
251. - 300. elem
301. - 350. elem
351. - 400. elem
401. - 450. elem
451. - 500. elem
501. - 550. elem
551. - 600. elem
601. - 650. elem
651. - 700. elem
701. - 750. elem
751. - 800. elem
801. - 850. elem
851. - 900. elem
901. - 950. elem
951. - 1000. elem
1001. - 1050. elem
1051. - 1059. elem
»»
19 / 22
Bejelentkezés
Felhasználónév
Jelszó
Jegyezz meg!
Belépés
» Elfelejtett jelszó
» Regisztráció
Hirdetés
A használat feltételei
•
Adatvédelem
•
GY.I.K., Használati útmutató és szabályok
•
Impresszum
•
Elosztó
•
Hiba jelentése
Az oldalon sütiket használunk a helyes működéshez. Bővebb információt az
adatvédelmi szabályzatban
olvashatsz.
Megértettem