Fórum témák
» Több friss téma |
A gondom az,hogy van egy Zepter akkus porszívóm amiben behaltak a pana NiCa(1300mA) SUB-C akkuk.Sorba volt 9db kötve.Most hirtelen csak NiMh 2900mA-est tudnák szerezni.A kérdésem az lenne,hogy kicserélhetem e az egészet NiMh akkukra vagy maradjak a NiCa-nál?
A válasz sürgős lenne és előre is köszönöm.
Nyugodtan kicserélheted, jobban fogja bírni a strapát. A töltőt célszerű lesz átalakítani,hogy nagyobb árammal töltsön.
egy egyszerű 10,8V-os adapter a töltője az a röhej.Ettől félek picit.Röhej ez a zepter,egy nagy f*s ennyi pénzért.Akkor ezek szerint nem lesz gond az akkukkal ez a lényeg.Még lenne egy kérdésem.Külön töltsem fel a 9db-ot először és aztán forrasszam össze őket vagy fordítva is mehet a dolog?
NiMh 1.2v os 1600mAh -sban, hogy lehet 3 A ??
Én azt szoktam tenni, hogy végigmérem azúj cellákat, és ha nincs nagy különbség a feszek közt, akkor párhuzamosan kötöm őket és feltöltöm így. Ha készen van a töltés, még1szer végigmérem, aztán sorba velük és munkára fel!
Üdv!
Lenne egy kérdésem. Eddig úgy tudtam h. a NiMH akkut lehet össze vissza tölteni mint a Li Ion-t, csak negyedik - ötödik alkalommal ki kell sütni majdnem teljesen. (Állítólag hozzá értő) ismerős azt mondta h. nem kell kisütni őkert, nem megy tönkre. Ezt nem tudom igazán elképzelni. Hogy is van akkor ez? Előre is köszi!
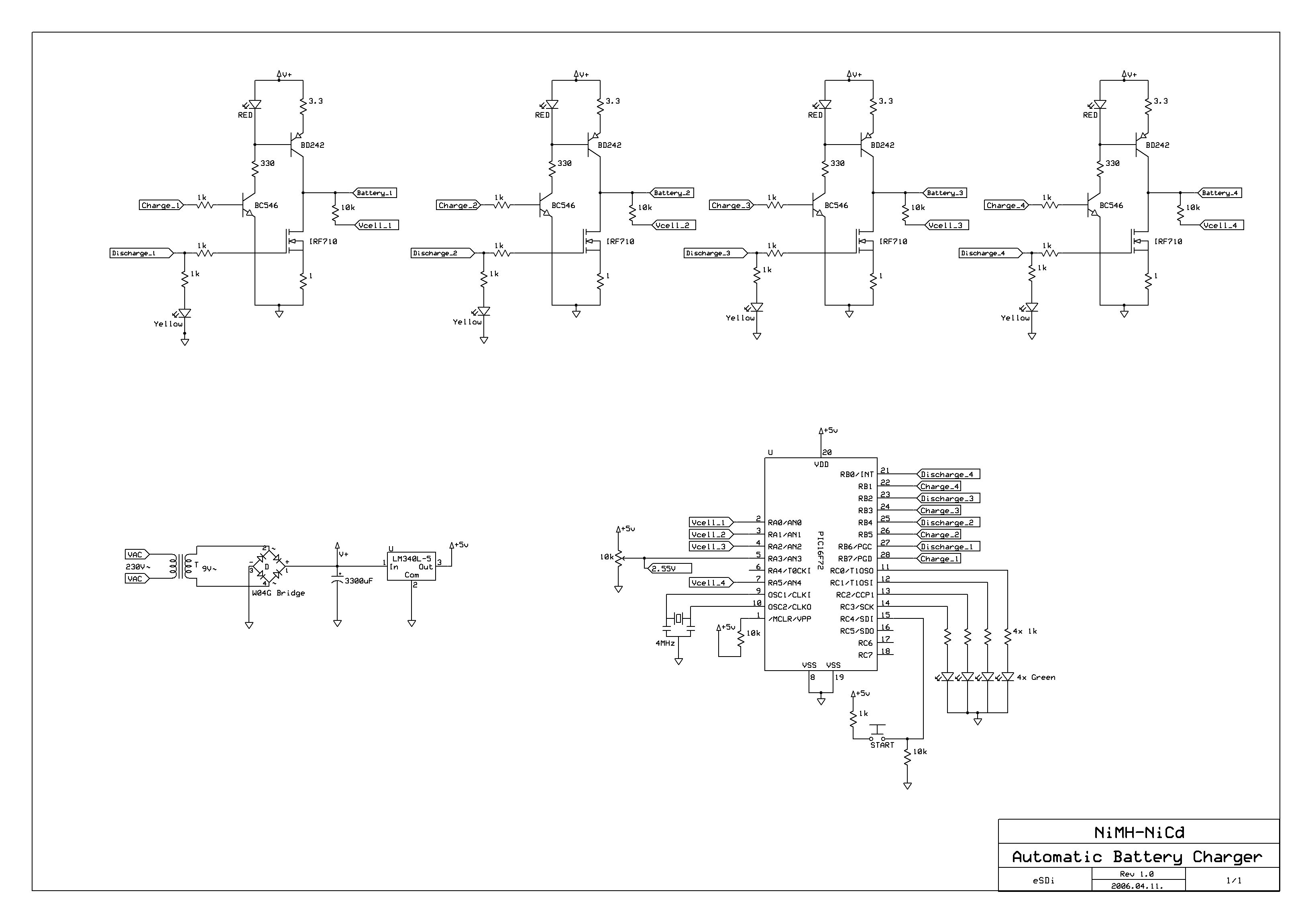
Helló! Bocs, hogy ide írok, de nem akarok ezért új témát kezdeni. szándékozom építeni egy NiCd-NiMH akksi töltőt. a mellékelt képen látható az általam kigondolt kapcsolás egy részlete. Az lenne a kérdésem hogy ez a módszer az akkuk számának kiválasztására működőképes lenne e? Teljesen automatizálni akarom a töltőt, nem akarok semmi tekerő kapcsolót berakni. ha esetleg valakinek lenne jobb ötlete akkor azt elküldhetné. köszi előre is.
Nem tetszik. A kapcsolóeszköz triac-nak van jelölve, de nem találtam adatlapot. Egyenfesznél a triacot 1szer begyújtod és vezetve marad mint a tirisztor, nem tudod kikapcsolni csak az áramkör megszakításával. Begyújtani sem lehet így a PIC felől mert a legfelsőhöz már nem jut gyújtófesz sem.
Én külön-külön áramgenerátorrra szavaznék, ezek kapcsolhatnak is. A kisütésnek is cellánként van több értelme, hogy az esetleges eltéréseket korrigálja.
Ezeket az infókat sztem a kereskedők terjesztik, hogy minél többet lehessen eladni a tönkrementek helyett. NiMh ugyanúgy szenved a memóriaeffektusban, mint a cellarészegségben - gyakran ez utóbbi miatt kellett cserélni a telefonokban, mert a töltőproci hamar töltéskész jelet kapot és sosem töltötte fel. Ezeket aztán analóg műszeres tápon gond nélkül fel lehetett tölteni, megfigyelve a töltőárammérő csapkodását 10 és 300mA között.
Szerintem a NiMH akkut is ki kell sütni csak az élettartama magasabb mint a NiCd akkué.A LiIon akku az teljesen más módon működik mint az előző kettő de azt is ajánlatos kisütni legalább minden 5-6.töltéskor viszont ha nincs kisütve akkor a névleges kapacításának csak egy részét tudja nyújtani ha mAh-ban mérjük tehát pl a mobiltelcsin ezt úgy veszed észre,hogy "hazudik a telep töltésmérő".:yes:
Üdv! Bocs de azt elfelejtettem leírni hogy a töltő REFLEX redszerben üzemel, ezért az áramkör mindíg megszakad egy pillanatra. A triak típusa meg nem érdekes az ne nézd. És azért raktam triakot, mivel a kisütőáramnak is kell folynia visszafelé. Már van bent 3db ármgenerátor a kapcsolásban, de azok csak a töltöáram kiválasztása miatt vanak. A mellékelt képen látszik a REFLEX töltési módszer elve. Ezzel a módszerrel nagyobb töltési fok és kevesebb hőtermelés érhető el.
És itt van a kapcs rajz is. Hátha esetleg segít a megértésben. Most csináltam, ezért lehet hogy kihagytam valamit(az értékek direkt nincsenek feltüntetve). Köszönöm az eddigi válaszodat.
Kellene nekem egy kapcsolás NiMH akksik töltéséhez. Van olyan emberke, aki ért a töltőkhöz? Illetve tud vki adni ismertetőt, hogyan is érdemes ezeket tölteni-kisütni (ha kell), stb? Van 4 db ceruzaakksim (nemrég vettem), és azokat szeretném normális módon tölteni, hogy minél tovább éljenek
![]() Ha vki tud vmi infot/bonyolultabb kapcs rajzot, az ne tartsa vissza az információkat! ![]() (Az se baj, ha PIC van benne, eligazodom rajta...)
Helló!
Én most csináltam egyet. De az egyém gyorstöltő! Max 5.6A-rel tölt. Gondolod akkor csnálok egy kapcsolást neked is. csak áruld el hogy menyi időt szánsz a töltésre.
Nekem egyáltalán nem kell gyorstöltő...akár egész éjszaka is mehetne. Az a lényeg, hogy profi legyen, csakis NiHM-hoz legyen "tervezve", mindenféle áramokat, feszültségeket mérjen töltés közben, hogy ne kelljen fél év múlva kidobnom a kukkkkába az akksikat
![]() Egyébként kösz előre is, ha tervezel egyet Az jól jönne nagyon!(Felőlem lehet benne 5 PIC is, vagy 2 ATMEL, de vérprofi legyen!)
OK! Holnapra összedobok egy kapcsolást!
Legyen rajta LCD is? Mondjuk 2x16 karakteres vagy elég a ledes visszajelzés. 1 PIC-el simán megoldom és még bonyolult se lesz. Elég 1 fix áram értékis vagy legyen változtatható?
LCD nem kell rá, kösz. LED-es visszajelzések megfelelnek. Tehát: töltés, kisütés, kész állapotokra külön LED-ek, mind a 4 külön akksihoz. És persze az lenne a legjobb, ha a 4 akksit függetlenül kezelné...
Szerinted a fix áramos jobb, vagy a változtatható?
![]() Amelyik a jobb, olyan kell nekem
OK akkor egy PIC16F872-es kell + 4db mondjuk 300mA-es áramgenerátor + 4db kisütő MOSFET.
PIC16F72-vel nem lehetne???
Abból van pár itthon...egyáltalán...pontosan milyen feladatokat is végez a PIC?
Az egyszerübb a fix áramos. De ezzel minden kapacítású akksit ugyan azzal az árammal töltesz.
F72? mekkora is ennek a program memóriája?
Szerintem a cellafeszt kell mérni és az áramgenerátorokat kell kapcsolgatni.
meg a kisütő tranyókat.
Az F72-nek ugyanakkora a prog. memóriája, mint a 872-nek.
Na itt a kapcsolás! kb olyan 270-300mA-el fog tölteni.
A nyák-al és a software-el megbirkózol? vagy szenvedjek én vele....
Kicsit későn kapcsolódtam be tudom. Találtam egy töltő kapcsolást. Talán hasznát veszitek. Itt
memóriaeffektusban, mint a cellarészegségben
Ezek mik? Töltőáram ugrál? Kössz!
Hát, amemóriaeffektus valami olyasmi, hogy ha nincs feltöltve normálisan az akksi, vagy nincs lemerülve teljesen, és úgy töltenek rá, akkor azt "megjegyzi", és legközelebb ugyanazon a ponton "lemerül", pedig még van benne graft, csak valami kristálykicsapódás vagy mi a fene miatt a maradék energiát igen nehéz kicsalogatni belőle. A legjobb, ha mindig le vannak merülve, meg teljesen feltöltve. Akkor nem lehet gond. Én digikamerában 3 éve használok 4 db AAA méretű 750 mAh Energizer akkut, és 2 éve 4 db szintén AAA, de 800 mAh Hama akkut. Kb. 150 vakus fotót tudok velük csinálni, mármint egy töltéssel. Vaku nélkül meg 2-3x teleküldöm a 256 MB-os memóriakártyát. Sosem voltak túltöltve, meg rátöltve, és az Energizerek már 3 éve bírják, észrevehető teljesítmény-romlás nélkül. A 2 éves Hama típusúakon már érezni, hogy nem olyan jók, kb. 700 mAh-nél járhatnak. Ja, és ezeket a Blue-Baby nevezetű sokezer mAh-ás csodaakkukat nehogy megvegyétek, nagy gagyi az összes. Jó ha a negyedét tudják annak, mint ami rájuk van írva...
|
Bejelentkezés
Hirdetés |




Előre is köszi! 









