Fórum témák
» Több friss téma |
Fórum » Akkumulátor töltő
Szia! Köszönöm a választ. Igen, egymáshoz képest mértem multiméterrel. Az új csipesz olyan, hogy egyik piros másik fekete, a piroson + jelzés van a feketén pedig - jelzés.
Így már kiválóan működik, szépen tartja a beállított végfeszültséget. A katódáramról gőzöm sem volt... Diódahíddal is jó, de akkor a negatív félhullámok alatti kisütésről le kéne mondani (ezt is tervezem). Egyszerű töltő lett, állítható árammal és végfeszültséggel.
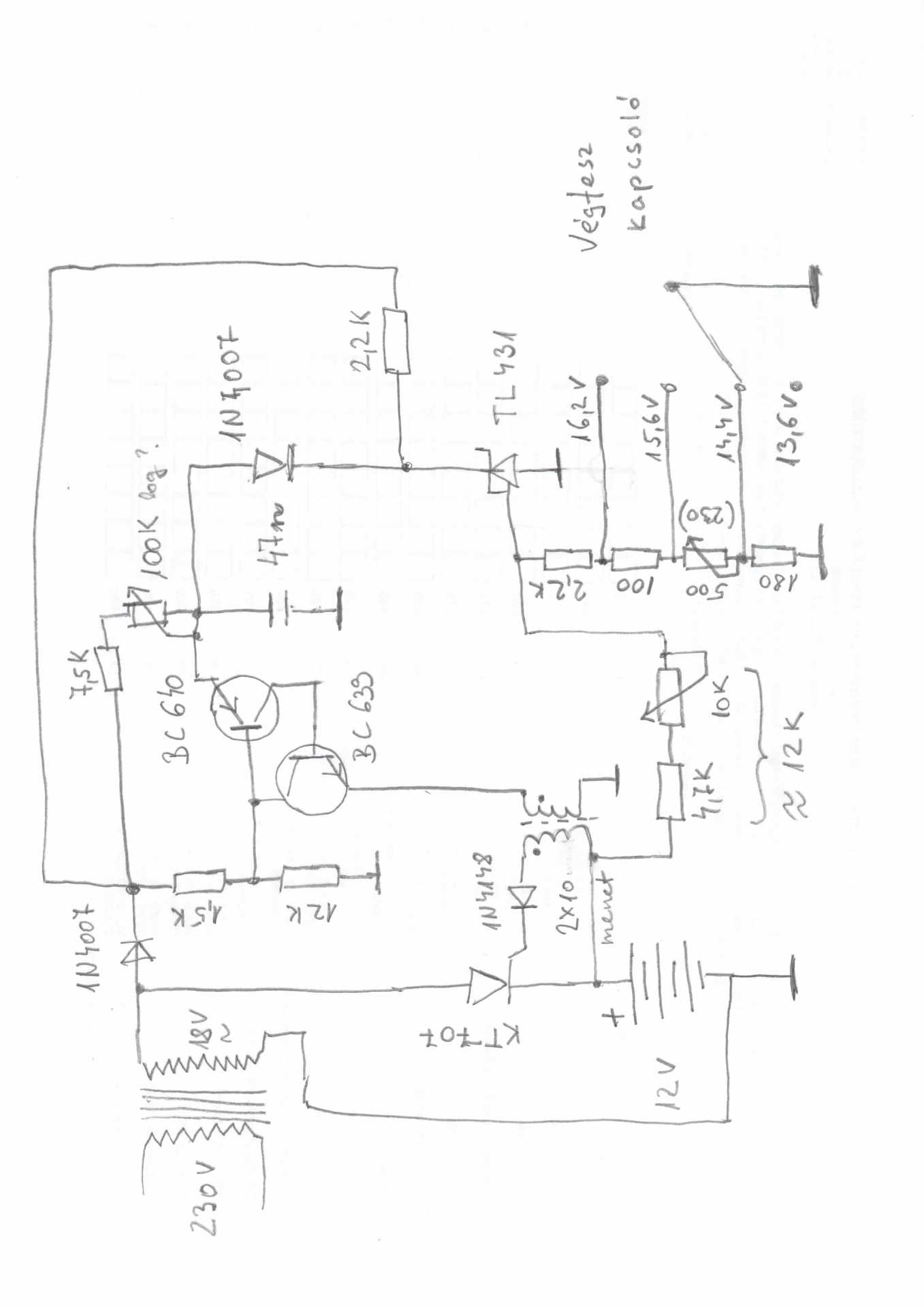
Ezer köszönet a segítségért! Felrakom a javított rajzot, rajta a 2.2K és a ferci által említett hiba is javítva.
Tegnapi születésű 4 A-es , 12 V-os akkumulátor töltő . Tirisztoros szabályozással . Bal oldalt van , még hely egy későbbi árammérőnek .
Szia, Ha kitotóztad, melyik a plusz, érdemes a vezetékre pár menet szig szalagot tekerni, piros, esetlek zöld, kék, vasgy feketét, a - ra, így legközelebbis tudni fogod, mi hol volt.
Így már világos, nemhiába, Proli a profi!
Téves.......
![]() Az illetékes már tudja. A hozzászólás módosítva: Feb 11, 2019
Sziasztok, kérdezném van egy 5A es kapcsolóüzemű tápom. Van rajta fesz szabályzó poti, 10V - 16V között állítható. Ha kiegészítem egy lekapcsoló automatikával ami 14,5 V on lekapcsolja a töltést, ez jó lehet így autó akku töltésére? Áramot direktben nem tudok szabályozni vele, csak a feszültséggel tudok operálni, így nyilván nem lesz full automata. Amolyan vész töltőnek szánom, mélykisütött akku töltését a kapocsfeszültséghez viszonyított, fokozatosan és óvatosan emelt töltő feszültséggel oldanám meg manuálisan. Ha elérte a kapocsfeszültség a 12V ot akkor viszont már gondolom mehet maxon 5A el a töltés és 14,5 V on lekapcsolna. Mindezt egy PIC vezérelné, nem bonyibb mint egy komparátor (A PIC ben is az van, csak belső referenciával használnám) és a többi kimenet vezérelhet kijelző LED eket..stb. Működhet ez így vagy felejtsem el?
Nekem világos, hogy mi volt hiányos!
Szia, Elméletileg igen. De ha már PIC-kel játszol, az egyik lábáról megoldható a poti vezérlése is, amivel igaz korlátok között, de tudsz az A-rel játszani. A málykisütött akksira nyugodtan rányomhatod a max feszt, úgysem fogja az A-t kajálni, Van, hogy egy nap is kell, mire megindul, munkaaksiról beszélek, a normál, lehet, hogy sose, legfeljebb ha a fentebb emlegetett "Proli007" féle impulzus töltővel el nem kezded bombázni. A 14,7 V jó a zártaknak, az utántölthetök, mehetnek 2,6V/cell ig, 15,6- 16V-ig maximum. Ott már erőteljes pezsgés van, de az akksi teljesen feltöltött lesz. Ez már fel is kavarja az esetleges leülepedett szulfátosodást. Az újabb nagy targonca akksikban van egy levegőcső az aljára, a töltőben meg egy egyszerű akvárium légsűrítő, s a program a töltés elején direkt rákapcsolja, hogy felkavarodjon az alja.
Köszönöm a fejtágítót. Nem vagyok otthon ezekben a nagyobb akkukban, általában hordozható cuccokkal dolgozom, li-on / li-pol max 2000mAh ig használok akkukat. Ezekhez vannak cél töltő IC - k. De mintha rémlene valami hogy volt valami cél áramkör ólom akkukhoz is, régebbről emlékszem halványan valamire még a "rádiótechnika újságos korszakból". (amikor még érdemes volt megvenni az újságot... '80 as évek kb.
) A kocsi akku töltő ötlet onnét jött hogy hosszú hetekig nem jártam a kocsival aztán beleültem és lemerült az akku, nem indult. Így gyorsban össze kellett dobnom egy akkutöltőt. Egy ilyen kapcsoló üzemű tápom volt kéznél hirtelen, ezzel töltöttem fel és gondoltam akkor már bedobozolom meg kiokosítom kicsit, aztán lesz akkutöltőm is. Csak nem szeretném ész nélkül csinálni mert nem olcsó egy ilyen akku, nem szívesen vágnám gajra egy rossz kivitelezésű töltővel. Én azt olvastam hogy 14,5 V nál indul el a gázképződés, ez az a kapocsfeszültség amikor le kell állítani a töltést. Mondjuk nem tudom hogy ez a nyitott rendszerű akkukra vonatkozik vagy a teljesen zárt gondozás mentesekre. De ez utóbbi gondolom az amit Te "zártnak" írtál, tehát ez mehet 14.7 ig is? Ez egy Bosch gondozásmentes akku 55Ah -s. Majd kiveszem, lehet az adattábláján rajta vannak a töltési instrukciók. Nem hiszem hogy zselés vagy valami spéci kivitelű akku lenne, szerintem egy mezei ólom akku lehet gondozásmentes kivitelben. Lehet láma a kérdés, de mit nevezünk "munka" aksinak és mi a "normál"? Mi a különbség?
"Mintha rémlene valami hogy volt valami cél áramkör ólom akkukhoz is, régebbről emlékszem halványan valamire.." - ez lehetett akár az UC2906, UC3906 is, vagy esetleg amit még most is gyárt a TI, ezek kapcslóüzemre tervezett megfelelője, a UC2909.
Köszi a megerősítést, akkor jól emlékeztem pedig lassan már a szenilis korba lépek.
Cél ic:
töltésszabályozó ic adatlap Ez pont arra való, amire te szeretnéd a 16V-os tápegységedet használni. Állandó 13,7V-on tartja az akkut (mintha állandóan járna a motor), a belső áramkorlátja nem túl nagy, de nem is gyors feltöltésre van szükséged -ha jól értettem. Simán ráteszed, ha várhatóan hosszú ideig áll, aztán hadd töltögessen. A hozzászólás módosítva: Feb 11, 2019
De, pont hogy "vész gyors töltőre" lett volna szükségem ott és akkor abban a szituban amit leírtam. Jó ez az IC de 1,5A es, tehát a teljes feltöltés utáni folyamatos szinten tartó töltésre jó csak ahogy írod. De hasznos az info hogy egy 3 lábú tokkal ez megoldható, a fene fog ezért alkatrésztemetőt építgetni. De ha jól tudom a járó motornál 14,5 V a fesz, vagy az csak nagy fordulatnál érvényes? Alapjáraton lehet kevesebbel tölt a generátor mert nyilván fordulatszámfüggő a fesz szabályzó meg 14,5V o határol le. Nem vagyok ebben otthon... És lehet ez még a LADA korszakra igaz,a mostani kocsikban már intelligensebb megoldások vannak.
Egyébként ez egy sima fesz stabilizátor, nem célzottan töltő IC ha jól látom. Így akár lehetne LM317(1,5A) vagy LM350 (3A) 13,7V ra beállítva. Mondjuk specifikusan "for battery charger" nek van titulálva, majd átnézem jobban mit tud ez pluszban egy normál fesz stab hoz képest. A hozzászólás módosítva: Feb 12, 2019
Jah, látom már, 13,7V felett áramban leszabályoz. Ennyi a tudománya, de jó ez, azt tudja amit kell az adott feladathoz.
Tapasztalatból mondom , hogy egy közepesen lemerült 55 Ah aksi , simán felvenne 10 A áramot is , vagy többet is a töltés kezdetén . Gyorstölteni 5 A-el nem lehet . Akkumulátort pedig árammal töltünk .
A hozzászólás módosítva: Feb 12, 2019
Felvenne, ha tudna. Mert az a kapcsolóüzemű táp amit használok 5,5A nél határol. A töltőfeszültséggel pedig bizonyos határok között tudom az áramot is szabályozni lévén hogy a táp nem áramgenerátoros, igaz ez egy fapados és nem automata és főleg nem bolondbiztos megoldás. De régen a yaxley kapcsolós szelénes töltőknél ugyan ezt a módszert használták, igaz ez kb. Bem apó korában volt még.
A gyorstöltést a 1,5A hez képest írtam, 5A el töltve 2 - 3 óra múlva már indult a kocsi, de ez nem jelenti hogy fel volt töltve az akkumulátor! 1,5A el viszont tölthettem volna ehhez egy darabig...
Szia, Látom már kaptál választ a kérdéseidre. 2,45V=cell -ben maximálják a gyorstöltés végét, mint láthatod lentebb. "Fully charged automotive batteries should measure at 12.6 volts or above. When the engine is running, this measurement should be 13.7 to 14.7 volts. If you don't have a multimeter to tell you the voltage of your battery, you can do a test of your electrical system by starting the car and turning on the headlights." Ez constans áram, majd egy darabig constans feszültséggel tölt, a végén pedig lemegy az említett 13,8V flat charging-ra. Ez rajta maradhat pár órát. Ez azért jó, mert a cellák közötti külömséget egyenlőbbé hozza, űgy hívják equalization. A normál akksi nem bírja a folyamatos rerhelést, kialakítása, pár másodperces nagy áramú önindítózásra van kialakítva. A gk. áramellátását a generátor biztosítja, az akksi normál esetben csak egy pufferként viselkedik. illetveleállított motornál is tudja bíztosítani a helyzetjelző, vagy rádió áramát. A gondozásmentesség annyiból áll, hogy a lemezek egy zacskóban vannak, amik megfogkák az esetlegesen lehulló szulfát-részeket, így nem tud felgyülni az aljában, s zárlatot okozni, valamint a tetőlemezben van cellánként egy labirintus, ami összegyüjti a lecsapódó párát, ami aztán visszacepeg a cellába. A munka-akku jóval vastagabb falú ólomlemezekből van építve, a 60Ah-s olyan 22Kg. Ezek már jobban bírják a folyamatos terhelést, lakó, golfkocsikban, hajókban, emelő, stb, gépekben használják. Sokkal jobban elviselik a mélykisütést. Általában 24V -os pakktól indulnak, e kisebb vezeték-keresztmetset miatt, ezeknek a töltési végfeszültsége 32 V felett van picivel, és a 30A-es még a kisebb töltőnek számít. A 246. oldal közepén írtam, hogy összeakadtam egy kis töltővel, 5A -es, 10€ alatt, ott elolvasható a részletek róla.
Az biztos, talán 50-et is, még nem mértem, de nem véletlen csúszik meg az ékszíj, még ha feszes is, egy hosszabb önindítózás után.
Értem, köszönöm a hasznos ínfókat.
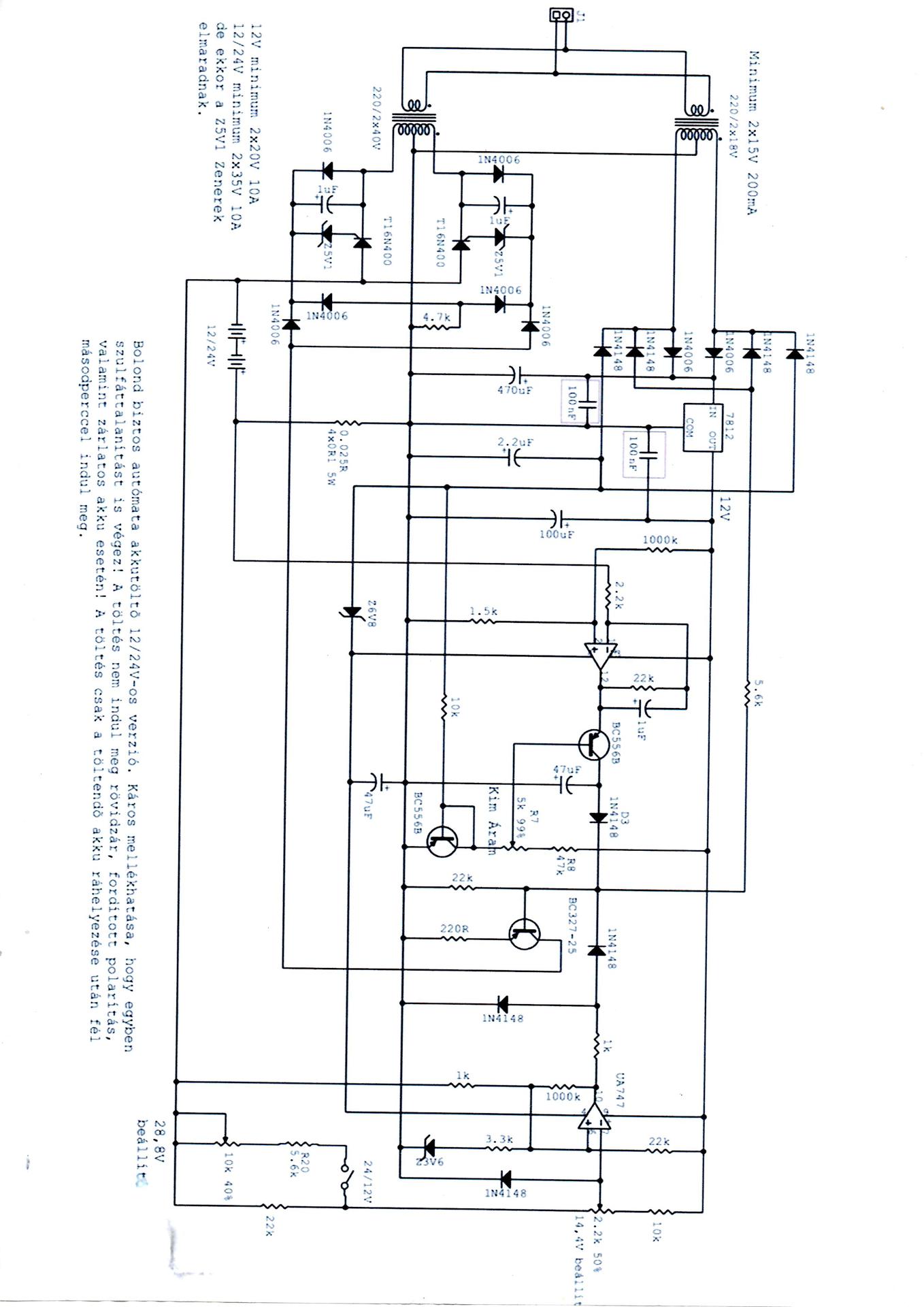
Közben megtaláltam az eredeti 12/24 V SCR -es akksi töltő rajzát.
A hozzászólás módosítva: Feb 12, 2019
Van egy mezei , nagy áramú töltőnk . Egy 45 Ah-ás , 11 V-ig lemerített akkut 14 A-el kezdte el tölteni . Természetesen , ez az érték gyorsan csökkent , de két órával később , már úton volt az autó .
Egyébként ezek a nem kifejezetten szakszerű töltések nem roncsolták az akkut . Ékszíj az , csak a Suzukiban csúszik . Egy v alakú , bordázott szíjjal , egészséges tárcsával , még a 25 %-al nagyobbra cserélt generátor sem tudta soha megnyikkantani egyik autónk sem . Cserébe többet szereltem némelyiket , mint a kerület összes Swiftjét .
Értem , már . Akkor nem tilt le , csak áramgenerátoros módba kapcsol . A régi töltők a régi aksikkal nagyon jók voltak .
Lassan készülget a Töltőm.
Teszek fel képeket csak ne szóljátok le nagyon. Még az elhelyezés nem végleges A 200mV müszer is egy bontott darab a nyomógombok is csak az élesztés miatt lett beforrasztva A hozzászólás módosítva: Feb 13, 2019
Szia!
Jól néz ki. ![]() A hűtőbordát én úgy helyezném el, hogy a lamellák függőlegesen álljanak. (A kéményhatás miatt sokkal hatékonyabb a légcsere.) Ventilátoros hűtés esetén nem annyira lényeges.
Régi dízelre gondoltam, öreg gyenge, nagy akksira. A kemény acélt is képes elkoptatni a gumi, lást kanyarstab-ród Ladákban, s az ékszíjtárcsát is. 10 A-es a legnagyobb 12V -os töltőm, de rendre kiakad egy merült akksi láttán.
Így van, pont ezért gondoltam használni ezt a tápot erre. Ha kapásból letiltana letiltana el se tudná kezdeni a töltést a hirtelen felvett nagy áram miatt. Egyébként érdekesen működik, 5A közelében visszahúzza a feszültséget és tartja az 5A ert. Ha manuálisan ennek dacára én tekerem feljebb a feszültséget akkor 5,5A körül ciklikusan letilt majd újraindulgat. Tehát letilt, de van egy köztes állapot amikor még áramgenerátoros tápként is viselkedik.
A hűtőt csak a panellel együtt tudnám elfordítani.
Alkoto szerint nagyon túllőttem a méretet. Szerintem így sem lesz gond a hővel. Feltéve hogy sikerük az élesztés. Egyenlőre még semmit sem csinál azon kívül hogy a kijelző és a ledek "pislognak" még az akku felé nem fojt áram. Nem tudom elég lesz a 8V helyett 7,5V? Innentől erősen rá vagyok utalva a segítségetekre főleg Alkotó és proli007 segitségére.
Komoly darab, miket tud majd ez a kütyü?
Úgy tűnik a fotó alapján, hogy a töltő saját 8V-os váltakozó feszültsége és a méréshez használt feszültség azonos forrásból ágazik el. Ezeknek külön kell lenniük, két független szekunderrel.
|
Bejelentkezés
Hirdetés |











Egyébként ezek a nem kifejezetten szakszerű töltések nem roncsolták az akkut . Ékszíj az , csak a Suzukiban csúszik . Egy v alakú , bordázott szíjjal , egészséges tárcsával , még a 25 %-al nagyobbra cserélt generátor sem tudta soha megnyikkantani egyik autónk sem . Cserébe többet szereltem némelyiket , mint a kerület összes Swiftjét .









