Fórum témák

» Több friss téma
Fórum » Analóg oszcilloszkóp javítása
Ha szkóp-képet teszel fel, legyen látható a kezelőszervek beállítása, vagy add meg a beállításokat!
Lapozás: OK   19 / 250
(#) cimopata válasza proli007 hozzászólására (») Máj 12, 2009 /
 
Helló proli007!

Sikerült "megjavítani" a műszert.
T734-volt kilazulva. Méregettem multival előtte a feszültséget frekit meg a kitöltést,szépen meg is volt 40,6Hz 55% 3,6V középérték. Aztán haladtam tovább a T734 felé, pont a tokon akartam mérni a frekit. Kicsit jobban ránehezkedtem a tokra és úgy már érintkezett a tranyó és megy is ALT-ban rendesen.

Köszi a segítséget, minden jót!

(Azért megvan az előnye is és a hátránya is ezeknek a tranyófoglalatoknak.)
(#) proli007 válasza cimopata hozzászólására (») Máj 16, 2009 /
 
Hello!
Örülök, hogy sikerült! Én ezeknek a foglalatoknak, eddig csak a hátrányát láttam...
üdv! proli007
(#) djyuri hozzászólása Máj 21, 2009 /
 
Üdvözlök mindenkit!

lenne pár szkóp eladó sorban.

-tv - modulscope type: tr - 4358


-Tektronix 561A
ehhez van dokumentáció, egy új hídmérő,1db két csatornás szkóp modul, és egy időzítés(eltérités) modul, 1db szkóp kábel, 1db tápkábel
A készülék jó állapotban


-jelgenerátor (hangfrekis inkább)
a szignál - szinusz, a jelgen-- lehet négyszög, háromszög , szinusz- vagy más

Érdeklődni privátban. Készítek képeket,amit tudok.És írok még infókat,amint elő lesz kerítve,ami még eladó lesz.

üdv

(#) Moderátor hozzászólása djyuri hozzászólására (») Máj 21, 2009
 
Az apróhirdetés részlegben sokkal jobb helye volna ennek a hozzászólásnak, igazán csak oda illik...
(#) Libus válasza djyuri hozzászólására (») Máj 21, 2009 /
 
Szia,

Az EMG érdekelne, tudnál 1-2 képet küldeni?

Köszönöm : Riba Zoltán
(#) laszloa hozzászólása Máj 22, 2009 /
 
Üdv Mindenkinek!

Van egy Orion DME-031/DT oszcilloszkóp amink a belsejét "megszerelte" valaki mielőtt hozzám került.
Valakinek van kapcsolási rajza?

(#) feldmayer hozzászólása Máj 23, 2009 /
 
keresem a tr 4403-emg szkóp rajzát. a nagyfeszültségü generátor csöve hiányzik, és egy munkaellenállás is leégett benne.rajz nélkül nem igazán vágnék bele a javitáshoz.

P3080008.JPG
    
(#) Prince86 hozzászólása Máj 23, 2009 /
 
Sziasztok!

Vettem egy RFT EO 213 oszcilloszkópot! Az lenne a gond vele, hogy a vízszintes csík nem ér ki a képernyő szélére csak akkor ha bekapcsolom az 5x-ös nyújtást. Jah és nem működik a kalibráló 4szögjel sem rajta.

Valakinek van tippje miért nem ér ki a vízszintes csík a képernyő két szélére? És mit kell esetleg utánállítani?
(#) Libus válasza Prince86 hozzászólására (») Máj 23, 2009 /
 

Tápfeszek rendben vannak? Elkók is?

Végfok ellenállásai nincsenek megnyúlva/elégve?



(#) Prince86 válasza Libus hozzászólására (») Máj 23, 2009 /
 
Úgy néz ki igen mert most bekapcsoltam és rendesen kiért a csík a képernyő két széléhez. Kontakt hibás lenne?

A potik elég darabosan járnak gondolok itt a függőleges és vízszintes képhelyzet potijaira és az időalap többfokozatú kapcsolója is valszeg kontaktos mert némely állásban nincs vízszintes eltérítés. A bemeneti osztó többfokozatú kapcsolóival is van valami mert némely állásban meg nincs függőleges eltérítés, azok is kontaktosak lesznek.

Lehet még ilyen potikat kapni valahol amit barkácsolás nélkül be lehet tenni a kopottak helyére?

Jah és megnéztem a kalibráló részt is, egy nandkapukból álló IC vel van kialakítva az astabil multivibrátor rész, a lábkiosztását nézve egy 7400-val tudom helyettesíteni. Remélem megoldja a problémát.
(#) Norberto válasza Prince86 hozzászólására (») Máj 23, 2009 /
 
Bizony, ezek a kontakthiba jelei, amiket leírtál.
(#) djyuri válasza Libus hozzászólására (») Máj 24, 2009 /
 
Szia

Igen....pár napon belül készítek.
Köszönöm türelmed
(#) djyuri válasza djyuri hozzászólására (») Máj 25, 2009 /
 
Íme

a service könyvről gondolom nem kell kép De ha kell nyomok azt is.

a 0017-es az a plusz modul hozzá....hídmérő azt hiszem.
(#) djyuri válasza djyuri hozzászólására (») Máj 25, 2009 /
 
A többi kép:


(a szignálgen.:ROHDE & SCHWARZ- SELEKTOMAT)
TYPE: USWV- BN 15221
(#) zolee1209 hozzászólása Máj 28, 2009 /
 
Sziasztok!
ITT nekikezdtem már egy eszmefuttatásnak. Sajnos odáig jutottam, hogy a tr401-es trafót újra kellene tekernem, de voltam olyan ügyes, hogy amikor a nagyfeszültségű tekercset tekertem le, akkor elejtettem a tekercset és leszaladt a réz nagy része. Tudtok segíteni abban, hogy mennyi menet kellene a szekunderre, vagy egy ismert paraméterű tápegységet, amivel helyettesíthetném a jelenlegit?
(#) Dome444 hozzászólása Máj 28, 2009 /
 
Sziasztok,

vásároltam egy analóg/digit-szkópot, aminek az anlóg része nem működik, nincs vízszintes eltérítés. Már a gate-out-on sincs impulzus (nem biztos, hogy a fűrészgen. rossz). Tegnap viszont javítás közben, ellőttem a digitális részét is, miközben egy optokapun méregettem (elment a fókusz). A típusa Metrix OX-7520. Ha valaki tudna segíteni egy kapcsolási rajzzal, azt megköszönném!
(#) gerenk válasza Prince86 hozzászólására (») Máj 29, 2009 /
 
Ezt a tipust használom én is, úgy került hozzám hogy
szinte semmi sem működött rajta normálisan,
merő kontakthiba volt az egész.
Szétszedtem az egész függőleges erősitő osztó fokozatot, az eltérítő fokozatot, potikat , és az egészet
áttisztítottam kontakt spray-vel.
Az ezüstözött érintkezők feketék voltak a szennyeződéstől. Az egész kapcsolót szétbontottam, és tárcsánként tisztitottam.
Sokat dolgoztam rajta, de megérte mert egy kitűnő
készülék.
(#) Thowra hozzászólása Jún 1, 2009 /
 
Üdv mindenkinek!
Adott egy Trio cs-1560A típusú 2x15 megás szkóp amit szeretnék rendbe tenni. Az osztóbe volt pár ellenállás szétégve, fetek elszállva. Csere után megjött a függ eltérítés. A gond a bemenetnél az, hogy nem pontos, pl dc 1V nál 1V/div re nem 1 kockát ugrik, ez minden állásra és feszre igaz. Kevesebbet mutat.Másik gond, hogy a dc bal(pozíció) potival a sugár kis mértékbe állítható csak felfele, lefele lehetne tekerni bőven. A belső trimmer maxon van és akkor is ez a hiba.A jelenségek mindkét csatornán így vannak, a mértékük eltér. Mindent végigmértem és jó a panelen de mégse mér rendesen. Mindenhova a kapcsolásba lévővel azonos alkatrész került.
Jelgenerátor, másik szkóp nincs sajnos.
Kérem aki tud segítsen, nagy szükség lenne a masinára.
A doksit feltettem IDE
Előre is köszönöm.
(#) proli007 válasza Thowra hozzászólására (») Jún 2, 2009 /
 
Hello!
Előre mondom, nem ismerem a szkópodat, így csak "általánosságban".
- A szkóp DC-vel is működik, tehát az erősítése és a kalibrálása egyenfeszültséggel (akár egy táppal, műszerrel, elemmel) is ellenőrizhető. Tehát ha a bemeneti osztó arányos feszültségeket ad le, akkor az, akár rendben is lehet. (0,01 - 0,1 - 1 - 10 - 100V-ra a megfelelő állás mellett ugyan akkora a sugár kitérése.) Tehát a kalibrálást az osztó, és a függőleges erősítés együttes beállítása képezi.
- Ha a sugár helyzete nem állítható fel-le irányban szimmetrikusan, akkor az lehet tápfeszültség vagy a függőleges erősítő munkapont hibája is.
- Jelgenerátort egyszerű vizsgálatra, azért könnyen készíthetsz egy egyszerű 555-el is. Vagy akár egy lineáris háromszög generátort néhány analóg IC-vel. azzal már ellenőrizhető, a függőleges erősítő torzítása, kivezérelhetősége. A lényeg, hogy a jelelek ismert legyen. De még egy kis trafóból nyert 50Hz-is megfelelő lehet.
(A linket én nem látom)
üdv! proli007
(#) peterpan válasza Thowra hozzászólására (») Jún 3, 2009 /
 
"little help to my frieds...."

33.jpg
    
(#) Libus válasza Thowra hozzászólására (») Jún 3, 2009 /
 
A DC bal azaz balance arra való, hogy kiegyenlítsd az erősítő fokozat esetleges egyenfeszültségű asszimetriáját, nem arra, hogy a sugarat fel/le mozgasd. Nem egyértelmű a szkóp leírása, mert ugyan arra a gombra mutatja a DC bal-t és a poziciót.

Akkor van jó beállítva a DC bal, ha a szkóp bemenetét lekötöd (kapcsolod, ha van ilyen a szkópon) a földre és a bemeneti osztót végig kapcsolva az összes fokozaton (plusz a finom állítót is át tekerve a két végállás között) nem mászik el a sugár függőleges irányban. A beállítás közben csak akkor nyúlj a függőleges helyzet állítóhoz, ha a sugár kimenne a képernyőről.... Ha sikerül elérni, hogy rövidre zárt bemenet mellet nem mászik el a sugár egyik állásban sem és a finom állító tekerésekor sem, akkor valszeg jól fog működni a függőleges pozíció állító poti is. Ha nem akkor ott valami más áramköri asszimetria lesz...

(#) Libus válasza Thowra hozzászólására (») Jún 3, 2009 /
 
De egyébként a szkóp doksiban, amit belinkeltél, tökéletesen le van írva mindez az Adjustments szekcióban....
Ha a függőleges erősítés nem pontos, akkor azon szintán lehet állítani belül az X Gain potikkal...
(#) Thowra hozzászólása Jún 6, 2009 /
 
Üdv mindenkinek!
Először is bocs, hogy csak most válaszolok.
A hiba némiképp változott.
A doksi szerint a tesztpontokat rövidre zártam, beállítottam a crt center potival a sugarat középre.
Ezután jött a két csatorna, bemeneti kapcsoló GND állásba majd próbálgatás sokasága. Próbakénr kivettem az erősítőből a feteket, a sugár középre állítható lett és fel és le szépen szabályozható a pozíció potival.
A fetek nem az eredetiek mert azok döglöttek voltak, rendeltem bele újakat, 2sk30A volt benne és ilyen is került bele. Betéve a hiba a következő: nem tudom úgy összehozni a sugarakat (1, 2, 5) osztóállásét, hogy körbetekerve ne másszanak el és a pozíció potivan egész képernyőn át lehessen állítani, az állíthatóság mikor a sugarak össze vannak hozva csak az alsó 3 kockára terjed ki, afőlé nem tudom állítani. A gain cal előlapi potival a sugár pozíció állítható. (fetek nélkül nem.
). A saját kalibráló generátora 1V p-p vel adtam neki jelet, 1 es osztásba pontos volt dc re is ac re is, utóbbinál nem szimmetrikus, lefele tolódott. (értéke 1V rendbe volt.). A panel sarkába lévő X-gain potira nem reagál semmit.
(#) proli007 válasza Thowra hozzászólására (») Jún 6, 2009 / 1
 
Hello!
Ránézésre a Fet-es áramkör munkapontja nem jó, lehet azt külön be kell állítani a Fet-ek szórása miatt.
A Gain-Cal potira a sugárpozíciónak nem szabadna változnia. (Tehát a Fet-es fokozat felől DC feszültség érkezik)
Ha a kalibráló négyszög kitöltési tényezője nem 50%, akkor AC állásban a nullvonal a jel átlagértékére áll be, mely ilyenkor nem nulla, hanem a kitöltéssel arányos.
üdv! proli007
(#) Thowra válasza proli007 hozzászólására (») Jún 7, 2009 /
 
Üdv!
mellékelek egy részletet a kapcsolásból, a zölddel jelölt pontok közt 0V mérhető, a V/div kapcsolót végigtekerve is csak -0,01 és +0,01 közt mászik el, ez igaz a finombeállító poti tekerésére is. A sugár nem mászik el és az ernyő egészébe állítható a pozíció is. A pirossal jelölt résznél van szó szerint levágva a fetes részről. feltételezem, hogy ha a levágás előtt is sikerül a két tranyó E én 0V ot mérni akkor összekapcsolva rendesen fog működni. A bemenet (kék vonal az elején) 100k n keresztül földön van (bemeneti kapcsoló GND állásba és V/div 0,01 en van). A rajz és a nyák eltér a bemenetnél, a nyák szerintit berajzoltam barnával.
(#) proli007 válasza Thowra hozzászólására (») Jún 7, 2009 /
 
Hello!
Amit írsz, azzal egyetértek, csak a rajzot nem látni..
üdv! proli007
(#) Thowra válasza proli007 hozzászólására (») Jún 7, 2009 /
 
Bocs, lemaradt

fet.JPG
    
(#) proli007 válasza Thowra hozzászólására (») Jún 7, 2009 /
 
Hello!
Végső soron, ez egy differenciál erősítő a bemenettől fogva végig. Csak az egyik FET bemenet földelve van, ettől a tényleges bement aszimmetrikus lett.
Én úgy látom, hogy a legérzékenyebb állásban a két piros pont között mérve, kell a feszültséget beállítani 0V differenciára, a VR103a-val. (mert ez a bemeneti differősítő DC balansz potmétere.) A sugarat, meg az alapvonalra állítani.
Majd a következő osztó állásban (S104c) ha az alapvonal elmozdult, akkor a VR108-al visszaállítani. Majd a következő osztó állásában, a VR109-el kell a vonalat visszaállítani. Ez után visszaellenőrizni a három állást és iterációval módosítani.
(szerintem az R171 és C120 kereszteződésénél a rajzról egy pötty hiányzik. A feliratoknál, meg a VR109 alatt az "1/2" jelölése hibás, az gondolom 1/5 lenne. )

Szóval nem véletlen a három poti, a hiba "gyárilag" van beépítve. Ugyan is a Q115-116 differősítő munkapontja csak akkor nem változik, ha mind két bemenete azonos forrásellenállást lát. Viszont a Q116 bemenete 47-ohm-on keresztül, közvetlenül a bemenő fokozatra van kötve. A Q115 meg az osztónak hol erre, hol arra a pontjára. Az osztó ellenállása, viszont állástól függően ide-oda változik. Tehát szerintem valamekkora hiba mindig létezni fog, lényeg, hogy az elviselhető mértékű legyen. És akkor még az offset drift-ről nem is beszéltünk...

Csak akkor lett volna korrekt az áramkör, ha az osztót is szimmetrikusra képezték volna ki, de akkor meg a frekvenciafüggő tagok beállítása lett volna keserves, plusz kétszer ennyi kapcsoló kellett volna.
üdv! proli007
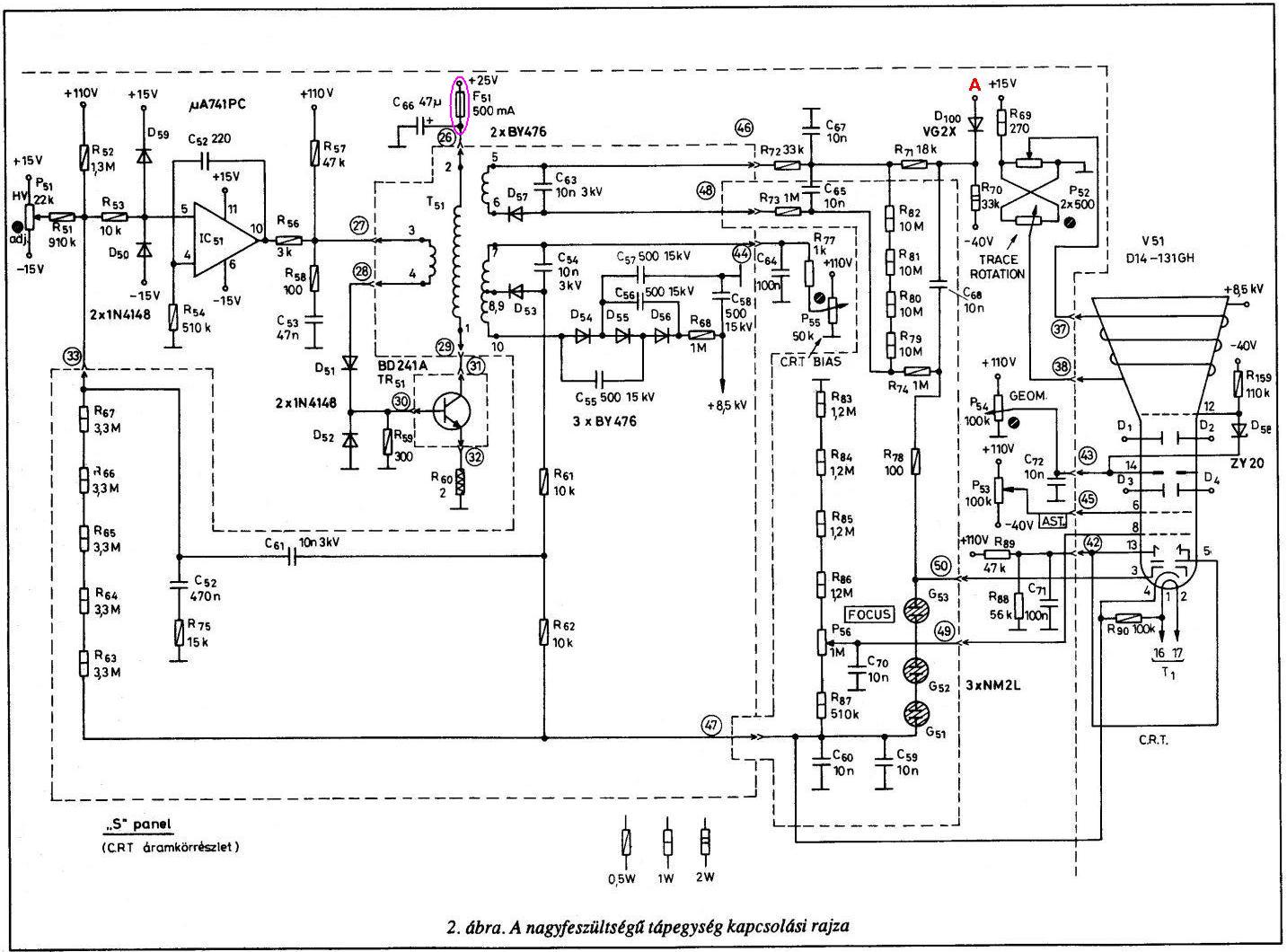
(#) t-dani hozzászólása Jún 17, 2009 /
 
Kedves olvasók!

Lenne egy kisebb problémám/kérdésem.

Éppen egy EMG 1568/A jelzésű oszcilloszkópba próbálok életet lehellni.

A nagyfeszültség részt egyelőre "kikapcsoltam" az F51 jelzésű biztosíték kitermelésével.

Az unblanking amplifier áramköri részben felfigyeltem egy févezetőre (2N3495), ami valami irtózatosan melegedni képes. Mondjuk nem is csodálom, mert végülis elég nagy potenciálkülönbség van a C-E kivezetései között. De ez elegendő ok szerintetek arra, hogy gyárilag hűtőzászló nélkül üzemeljen, és a melegedés mindeközben olyan mértékű, hogy az alkatrész szó szerint süt? Mitől süthet amúgy? Ha ez gyárilag ennyire disszipatív üzemű, akkor az áramát miért nem korlátozták jobban, hogy ne forrjon meg szegény félvezető vagy miért nem terveztek hozzá hűtőcsillagot legalább?

A tranzisztorról készítettem egy fényképet, ami az alkatrész alsó oldalát mutatja. Én még sosem találkoztam ilyen "jelenséggel", szóval első pillantásra érdekesnek tűnt a kinézet, ami fogadott. Szerintem nem vall egészséges működésre, bár a félvezető nem zárlatos!

Nektek mi a véleményetek az ügyről? Vajon nagyfeszültség okozhatta az elszíneződést a láb környékén? Vagy a mindig túlzott melegedés? Mindenesetre engem kifejezetten zavar ez a "tüzes működés".

Várom véleményeiteket és észrevételeiteket!

A kisebb képen kék színnel jelöltem az emlegetett tranzisztort. Piros A betűvel jelöltem, ahol az unbl. amp. kapcsolódik a nagyfeszültségű részhez.
(#) proli007 válasza t-dani hozzászólására (») Jún 17, 2009 /
 
Hello!
Számítgatásaim szerint legrosszabb esetben a tranyóra közel 1W jut. Így arra, hűtőcsillag dukál. (Biztos, hogy nem volt rajta?) Egyébként a kollektoron kivált valami, lehet a forraszanyag folyasztószere is, az akár a melegedés, akár a forrasztás hatására is rágőzölöghetett. Vagy a ház és a nyák anyaga közötti és nedvesedés hatására létrejött korrozió.
üdv! proli007
Következő: »»   19 / 250
Bejelentkezés

Belépés

Hirdetés
XDT.hu
Az oldalon sütiket használunk a helyes működéshez. Bővebb információt az adatvédelmi szabályzatban olvashatsz. Megértettem