Fórum témák
» Több friss téma |
Fórum » Autóelektronika
Témaindító: sufni-tunning, idő: Ápr 19, 2008
Témakörök:
Végülis a rajz segítségével, kiderült hogy a mikrokapcsolónak a két kábelével van gond a záron belül, a kapcsoló nyit zár, De a stekkerjénél már nem mérek semmitsemm Ennek nem mertem most nekiállni annak tekintetében hogy mennem kellesz vele , igy nem tudnám most mellőzni ha szétkurnám a zárat. Vagy zárcsere, de legalább végig néztem a kábeleket alaposan biztos nem töröttek szakadtak..
Visszatérve hozzámerjek kezdeni majd valamikor megbontani a zárat, vagy szerintetek esélytelen?
Kimértük azt is. Jó. Igen az fólia hiba volt. Megsértettem szikével véletlenül, de javitottam.
Nem tudok ilyesmiről. Valamiért beesik a feszültség 12v-ról 3.1-re. De csaj ha rajta van a világítás. Ha lehúzzuk az egész panelt akkor semmi probléma.
Erre számíthatsz, az ajtó az egy külön másik probléma ....
Ha elakadsz valahol, kérdezz nyugodtan.
Akkor EZ mi volna a fényszó magasság állító mellett?
Üdv!
WV Polo hátsó ajtó nem nyitható. Semmilyen formában! Mi a legvalószínűbb hiba? Ha a belső kilincset leveszem tudok valamit csinálni, vagy ha az ajtót veszem le ? Köszi, a vezető mögötti ajtóról van szó, ha esetleg lényeges lenne.
Inkább az volna érdekes mikori a póló. Valószínű hiba például a külső kilincs törése, és a gyerekzár bezárt állapotának kombinációja. Vagy ha bovdenes akkor a belső kilincs bovden szakadása, esetleg a biztosító gomb mechanika sérülése. A kárpitot kell valamilyen formában lebontani.
2000 környéki, sehonnan nem nyílik. A belső kilincs nyitására a gombot megemeli de kinyitni nem lehet. Korábban is előfordult, hogy nem nyílott de a táv 2-3 szori megnyomására nyitott. Utána hónapokig jó volt. A zármotorra, vagy valamelyik érintkezőre gyanakszom, de nem férek hozzá. A kárpit levehetetlen zárt ajtónál, esetleg ha leemelem az ajtót. Akkor még mindég fennáll a lehetőség, hogy nem tudom kiakasztani a zárnál. Szomszédé, rettenetes
Gyerekzárat nem használták soha.
A kárpit nem bontható, de az ajtót letudnád emelni? Azt meg hogyan? Itt egy videó arról, hogy normál esetben hogyan kell szétszedni. Nem látom be miért ne menne becsukott állapotban. Esetleg a hátsó ülést ki kell venni, ha amiatt nem volna elég hely.
Azért nem lehet levenni a kárpitot mert nem tudom kinyitni az ajtót. Így nem férek hozzá a kárpit széleihez, hogy aláfeszítsek. Az ajtózsanért 2 csavar fogja, amit ha az első ajtót kinyitom hozzáférhetővé válik. Ott marad viszont a kilincsszerkezet amit nem biztos, hogy ki tudom akasztani a kengyelből. A videót köszi, jól jött.
Van hely a kárpit alá nyúlni, legalább is a múlt héten egy Passaton csináltam ugyanezt a műveletet, ott nem okozott gondot. De ha a csavarokat kivetted, a gombot kiszerelted, a kapaszkodónál fogva is le lehet tépni, bár azt néhány patent bánhatja.
No igen, de mikor a gazdi liheg a nyakadba ?
Ha nem lenne a szomszédban már szétszedtem volna.
Készült, mire átmentem már be volt hűtve. Most olvastatom vele a szerelési kockázatokat. Pöckök egyéb bizbaszok törése, stb
Szia!
Idézet: Mennyire emeli meg a retesz gombot a belső kilincs húzása? A retesz gombot kell megragadni ha lehet és felhúzni, hegyes rajztűvel "felpajszerozni". Nincs más alternatíva a roncsolásmentes retesz oldáshoz, mert ez a stift oldja a zár reteszt, helyesebben jelzi vissza, hogy milyen állapotában van a zár. Nem árt előtte a kp. zárat áramtalanítani, nehogy az esetleges rossz végállás zárva tartsa a reteszt. „belső kilincs nyitására a gombot megemeli de kinyitni nem lehet”
Szia! Elég jól megemeli, kézzel fogható, de erőltetni nem mertem. Tehát próbáljam meg kivenni a biztijét, és úgy húzni felfelé?
A biztosíték kivétel mindenféleképp javasolt. Esetleg letekert ablak mellett valami vékony kampós eszközzel megpróbálhatod megkeresni a zármüködtető rudazatot.
Ebben nincs ilyen. Minden a kormány oszlopról megy. Máshol nincsen kapcsoló.
Akkor nem tudom, hogy mit kellene megnézned ez ügyben. Ez a kocsi már 95'-ben CAN-bus-os lett volna?
Ha azt a stiftet meg tudod fogni akkor húzd fel és működtesd a belső kilincset.
Ha jól láttam akkor ez még izzós háttér világítású, talán valamelyik izzófoglalat vagy izzó okozhatja azt az erőteljes fényerőcsökkenést.
Köszi a segítséget, ma kipróbálom a tippeket. Egyébként 2007 az autó, de gondolom a lényegen nem változtat.
H4-es izzóból már sokfélét láttam, de ez mindent visz. Az izzószál kiégés után bele szokott esni tartólábak közé amivel zárlatot idéz elő az autóban. Ugye erre való a biztosíték. Itt viszont a fényterelő kanál elégett benne, biztosíték nem égett ki és az üvegbúra némi alakváltozást szenvedett. A harmadik kép pedig mutatja milyen "gondosan" szerelték a gyárban ezt az izzót.
Sziasztok!
Segítséget szeretnék tőletek kérni. Nekem egy Mazda 323 Sedan 1995 évjáratú autóm van. Abs problémám van. kimértem a jeladókat(,) és bal(_)hátsót kicseréltem. ki szeretném törölni a hiba kódot. Mindegyik 1.3. 1.2 A(_)kis sarut levetem(,) és ugyan úgy világit folyamatosan. Próbálkoztam nagyon sok helyen kiólvastatani(,) de senki nem tuja Sopronba(n.) Egyáltalán ki(_)lehett(-)e egyáltalán olvasta(t)ni a hibákat, vagy csak lánpázni? Valaki tudna-e ilyenekbe segíteni nekem? Elöre(_)is köszönöm a segítségetek: Tom II. Gondolatainkat szedjük össze és egy jól megfogalmazott és nyelvtanilag is helyes hozzászólásban írjuk meg azokat. XVIII. Csak egy helyen kérdezz! A fórumon egy kérdést egyszerre csak egy helyre tegyünk fel. Amennyiben több helyre is beírjuk ugyan azt a hozzászólást, a moderátorok kérdés nélkül törölhetik hozzászólásainkat és ki is tilthatnak türelmetlenség és tiszteletlenség miatt. A hozzászólás módosítva: Máj 8, 2016
Szia, Csak lámpázni tudod! Az OBD csatira nincsen rákötve, ha a bal első kerék mellett van, nem sok esély a javításra. Pont kapja az ívet a kerék által felvert víztől. Az elektronika panel behal. A vizsgán nem veszik észre, ha nem működik, mivel 2 kerék áll, csak 2-őt tesztelnek egyszerre. Megoldás, a lámpa áramkörébe kell egy 3sec időzítő, ami a lámpát kioltja. Alulról 3 csavar fogja az elektronikát, a hidraulika tömbhöz, 4 csati megy fel a szelepekhez, 2 a pumpához. Azt esetleg megnézheted, nem korrodáltak-e. Bontóban nézhetsz rá másikat, vagy az Ebay-on szokott lenni, esetleg gyári felújított, de igen borsos áron. Én már 1-et cseréltem, egy évig bírta, pedig telenyomtam mindenhol szilóval, hogy vizet ne kapjon.
Igen ez az, felülre megy az obd átalakító, alul 2-őt össze kell kötni a 3.-ra a lámpát. Fejből nem tudom, a műhelyben vannak a jegyzeteim. Próbáld meg ki-Googlizni.
Sziasztok!
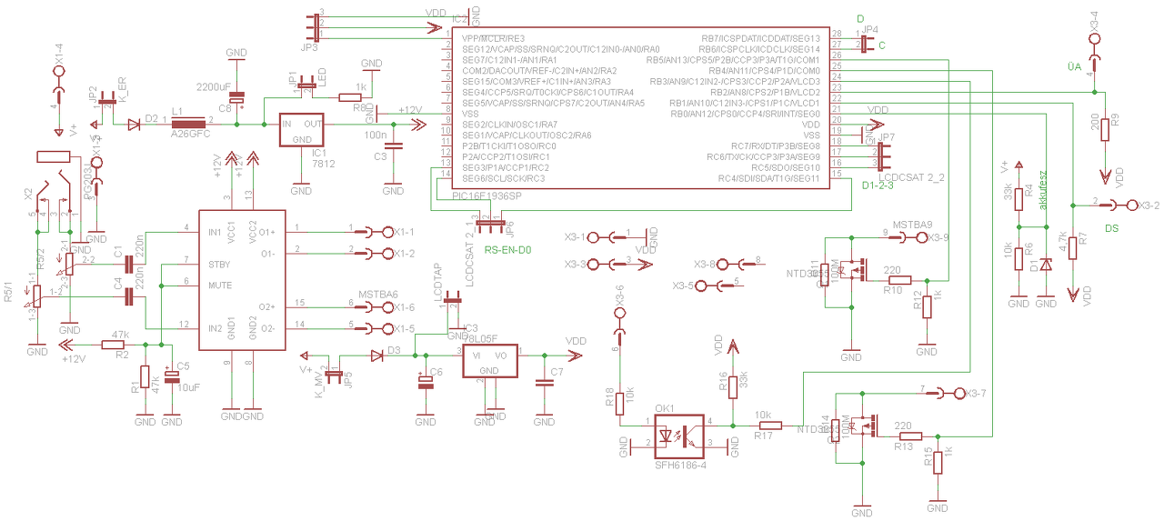
Építettem a 30 éves japán Suzukinkba egy elektronikát, amely egy erősítőt és egy univerzális "műszert" tartalmaz. PIC16F1936-tel megy, van rajta 1 vonalon 3 db DS1820 hőmérő, optocsatolón át nézi a ventillátor működését, a benyaszintmérő poti alapján számolja az üzemanyag mennyiségét, és jelzi a rendszerfeszültséget. Régebben már volt benne hasonló elektronika, ahol külön volt az erősítő és külön a miki. Az a bajom, hogy bár egy szűrőn (tekercs, elkó, kerámia kondi) keresztül kap tápot az áramkör, ha egy kapcsolóval (relézve) indítom a hűtőventillátort, a PIC leáll vagy hülyeséget ír a kijelzőre. Ez nem volt így, amíg a PIC áramkör direkt a kijelző LCD-re (EW164) volt dugva, most 30-40 cm szalagkábel vezet a PIC áramkörtöl a kijelzőhöz... Szerintetek mi lehet a baj? Mit tegyek ???
Szia, Most így nem látom át hirtelen, de próbáld meg árnyékolt, vagy csavart érpár kábellel összekötni. Mint pld a régi SCSI vincsesztereknél is volt. Esetleg tegyél a venti-inditásra is egy opto-csatit.
|
Bejelentkezés
Hirdetés |





Visszatérve hozzámerjek kezdeni majd valamikor megbontani a zárat, vagy szerintetek esélytelen?
Ha elakadsz valahol, kérdezz nyugodtan.





