Fórum témák
» Több friss téma |
Az érintkezők kivehetőek, van egy kis fül rajtuk, azt kell kimozdítani a műanyag ház ellenrészénél. Aztán ráforrasztasz egy új vezetéket és kész.
De még mindig nem derült ki, hogy innen mennek valahova a vezetékek? Van gyári erősítő benne és az hajtaná a többi hangszórót?
A csatit azt értem..
Ott tartok, magyarul sehol..,még azt sem sikerült behatárolnom hogy ez egy DELTA CC vagy DELTA CC BOSE hangrendszerrel szerelt autó.., messze nem ugyanaznak olvastam.... Bose- nél allitolag csak a rádiotelefon hangszoŕoja van direkt a rádioból meghajtva..,minden hangszoró egy BOSE aktiv rendszerrõl megy stb..,egyébbként ebben az autóban van eredeti rádiótelefon. Ha nem Bose akkor pl Nokia is lehet..,akkor elsőajtóban lévö hangszorók direkt a rádióról., hatsó ajtók es kalaptartó hangszórók aktiv rendszer, es erösitőröl mennek.., vagy erősitökröl (??) mennek.., ki tudja hol van....
1. Az hogy Nokia vagy Bose hangrendszer van ..,az hamar eldölt mikor az ajtókon lévő hangszórórácsán sasszemmel felfedeztük a "BOSE" szöveget....
2. Egy bontos SÁRGA Mini ISO vezetékes stekker cserével., és némi javitgatással sikerült a BAL-első hangszoró kivételével életre kelteni a rendszert....,A Bose erősitőt még nem leltük fel az autón .., csomagtartó baloldalán csak egy hatalmas telefonmodul van..,a rádion csak 2 Mini Iso van.., harmadik KÉK hiányzik., feltehetőleg mert gyárilag nincs benne CD váltó....,Nagyon elképzelhető ,hogy valahol tettek kisérletet ilyesmi utólagos beszerelésére, esetleg erősitő cserére(?)..,valami ilyesmi indokolhatja az eszméletlen mókolásokat., elsősorban a Sárga csati körül., de máshol is
Sziasztok!
Astra " J" gyári rádió átlettszerelve egy no name 2 DIN androidra.., a gyári boxban bent volt eredetileg a StartStopStart kapcsoló..., az uj fejegységben minden kapcsoló megvan ami az eredetiben megvolt ,kivéve az emlitetett STS kapcsolót!!! Ennek következtében egyáltalán nem lehet kikapcsolni , ezt a sokaknak nagyon nem tetsző funkciót. Létezik egy szimulátormodul ami automatizálja a kikapcsolást egy negativ impulzus beadásaval a gyári kapcsoló jelvezetékére, nálunk az eredeti kapcsoló nincs, igy nem tudjuk hogy a vezetékkötegben melyik szinü stb lehet ez a Jelvezeték!!!! Ebben tudnátok segiteni??? Köszi és üdv!
Hello!
20 éves opel zafira b rádió bekötését keresem, sajnos nem szabvány ISO, hanem saját gyári agymenés. köszi
Sziasztok! Kicseréltem az Astrában a gyaári Blaupunkt rádiós magnót, mert nagyon tompának éreztem a hangját (érdekelne, hogy ez lehet a kondik kiszáradásától vagy gyárilag ez ilyen vacak?)
Beraktam egy JVC-t, de ez nem tudja gyújtás nélkül a bekapcsolást, direktbe kötve meg véletlenül lerántja az aksit! Kitaláltam, hogy egy kis időzítő panelt berakok és az 15 percre összeköti a 12V-ot a gyújtás 12V-al. Öntartóba tettem, tehát ha ráadom a gyújtást akkor meghúz 15 percre és úgy is marad, ha leveszem a gyújtást. Minden tök jó is lenne, csak így meg nyitott ajtónál visít a csipogója, hogy benne maradt a kulcs. Van valami jó ötlet ennek a megoldására, hogy ne sípoljon? Valami dióda beépítéssel nem tudnám elérni, hogy csak a rádió kapjon mannát az autótól de visszafelé ne érezze úgy az autó, hogy gyújtáson maradt a kulcs?
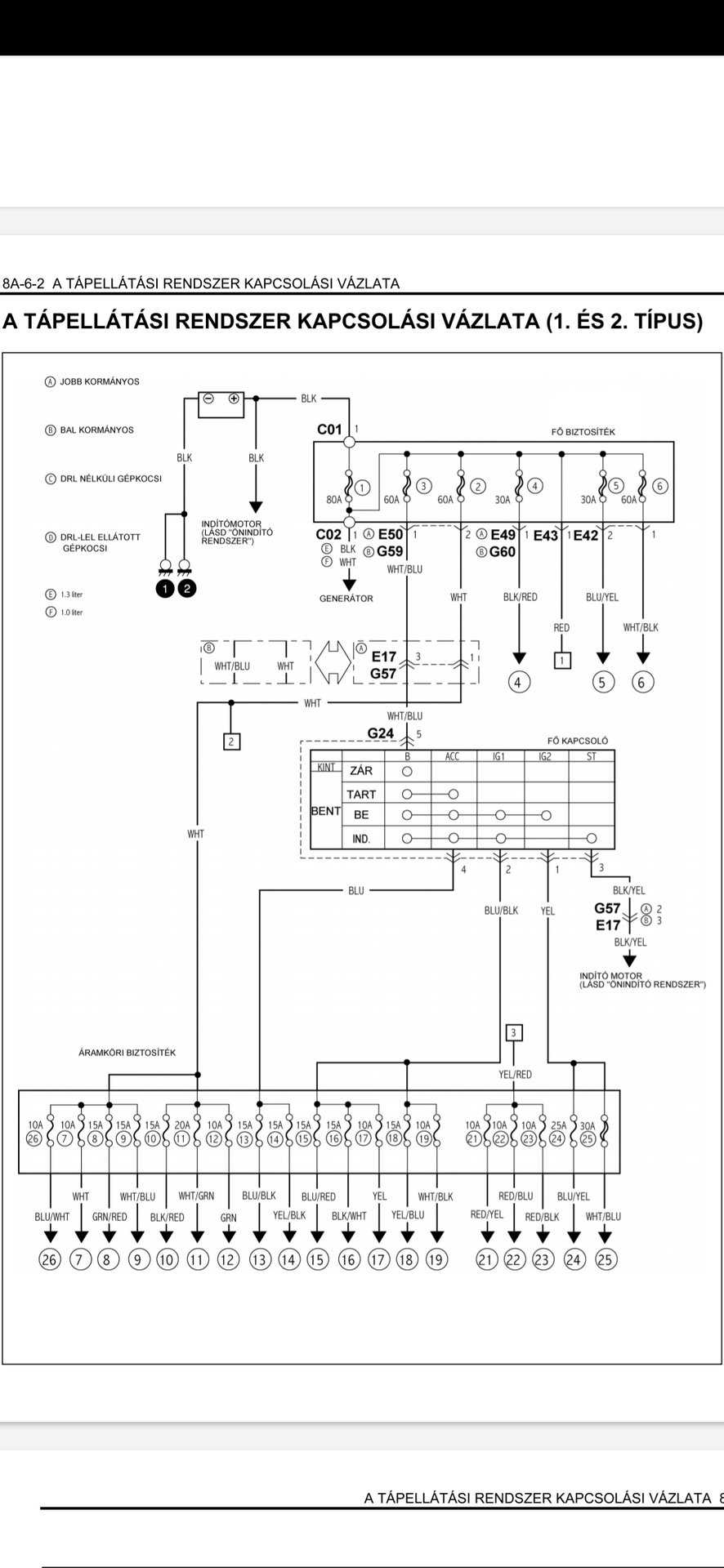
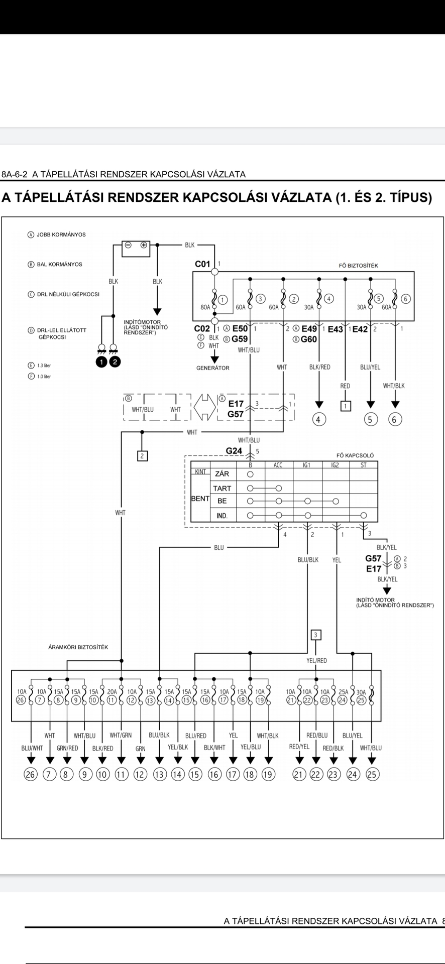
Autós fejegység bekötési hiba lehetőségeSziasztok!Egy Fiat Puntóban (2003-as 1.2 benzines) van egy új bekötésű autórádió. A biztosítékot F39 (ha jól emlékszem) kivéve, a nyugalmi áram 10mA-re esik vissza. Ez a biztosíték többek között az autó rádió biztosítéka is egyben. Van egy F49 jelzésű biztosíték is, ami szintén az autórádió biztosítéka is. A gondom az, hogy ha aha az F39-et visszatesszük, akkor a nyugalmi áramfelvétel olyan 90-100mA-re nő meg, míg az F49 semmin nem változtat és a rádió sem kapcsol ki ha eltávolítjuk, és marad a 90mA körüli áramfelvétel. A kérdésem, hogy ha a két vezeték az autórádióban fix12V a memóriának és a 12V táp fel van cserélve az okozhat -e ilyet. Úgy gondolom, hogy igen. Másik kérdésem a csatolt képen látható fejegységgel kapcsolatos, az az lenne, hogy véletlenül nincs valakinek meg a csatlakozó kiosztása? Azt össze tudnám vetni a Puntó csatlakozójának kiosztásával, és meg lehetne jobban tippelni, hogy ez okozhatja a problémát, vagy sem. Elvileg mindegyik ISO csatlakozó, de lehet fel van cserélve gyárilag a kettő vezeték. Ezt nem tudom megmondani, mert nem bontom meg egyelőre a fejegységet, illetve az autó 10-12 napig nem lesz elérhető. A csatolt képeken látható a biztosítéktábla és a rádió, aminek nincs meg a leírása. Abban bízok, hátha valaki ráismer erre a rádiós fejegységre és tapasztalatait a bekötéssel kapcsolatban megosztja velem. Köszönöm! A hozzászólás módosítva: Okt 6, 2024
Új rádió beszerelésSzerintem egyilyan rádió pont elég egy napi használatú autóba, tehát meg is vettem a kis SuzukiWagonba. Megszüntettem a szigetelőszalagból kialakított tűzveszélyt (1-2 kép),. De beszerelés előtt (valójában már a vezetékek összeforrasztásakor) észrevettem: a gyújtáskapcsoló "ACC" állásaban sem a szivargyújtó, sem a rádió engedélyező ága nem kap áramot. A rajz suerint pedig kellene neki (3 kép) A kép szerint egy kék szal menne a 13-as és a 14-es biztosítekig, ez volna az "ACC" rész, a gyújtáskapcsoló első kattintása. Csak nem úgy van, csakis gyújtással kapnak áramot. Próbáltam lecsavarozni a gyújtaskapcsolóburkolatot (talán ott kötődött el valami) -nem jön szét. Most akkor le kell szerelnem a kormányt ehhez? Tudom, hogysn kell, csak fázok tőle, egyszer szereltem le egy Wartburgról, nem sikerült pontosan visszatenni. Kicsit félreállt. A hozzászólás módosítva: Feb 28, 2026
Kettő dolog jutott az eszembe:
- Ha napi használatban sokat szoktál álló motorral várakozni, akkor tényleg zavaró lehet. Én sokszor a telefonomat szoktam nyomkodni hasonló helyzetben. - Ha ott ilyen kötések vannak, akkor másutt mit alkothatott a zöld/sárga mester? A hozzászólás módosítva: Feb 28, 2026
-1: nem szoktam, de szeretném, ha úgy müködnének a dolgok, ahogyan a tervezője is kitalálta. A kidobott, es a majusban kidobandó Suzukin is az első kattintasnál van rádió/szivargyújtó. A rajz arra utsl, hogy a Wagonbsn is úgy kéne. Hát legyen úgy, azt szeretném.
-2: bar nem fedeztdm fel mást, de (mint írtam) gyanítom a gyújtáskapcsolónál elkötést. Meghát: a kilométeróra is tréfált meg egszer már (írtam is róla), de nem fértem még hozzá. És azota sdm undokodkodott. (Meghát úgy vagyok vele, mint a cigány. "Miért nem csinálod meg a tetőt, befolyik a víz. -ilyen esőbdn? -nem most, amikor nem esik. -akkor meg minek?") A hozzászólás módosítva: Feb 28, 2026
Szerintem neked igazad van, mert amennyire vissza tudok emlékezni, leginkább a következő állásai szoktak lenni:
- Semmi, ekkor vehető ki a kulcs és kormányzár(t). - Valami, például ilyenkor lehet hallgatni a rádiót (de a fényszórók nem működnek). - Valami kettő, ezen felül, ha már megy a motor, akkor megy, meg fényszórók is, meg minden. - Legvégső állás, amikor nem berreg a motor, akkor rövid időre odatekerve (nem fix állás) fog. ![]() Valószínűleg erősen csodálkoznék, ha olyan autóba kellene ülnöm, ahol nem így van. Bár láttam már csodákat... Ha az segítség, akkor fel tudok ajánlani egy endoszkóp kamerát. Ha van akkora nyílás, ahol belefér érdemes lehet körbekukucskálni. Ha bárhol látunk valami zöld/sárgát, akkor csak meg kell bontani. ![]() Amúgy vannak a fórumon autóvillamosságisok
És még a 0 sem 0 mindig. Ha bedugod a kulcsot és 0-n hagyod, akkor az az ami. De ha ráadod a gyújtást vagy járt a motor és leveszed 0-ra, akkor az nem feltételenül 0, csak amikor kihúzod, majd akkor.
Idézet: „Valószínűleg erősen csodálkoznék, ha olyan autóba kellene ülnöm, ahol nem így van. Bár láttam már csodákat...” Van olyan autóm, a régi Ducato. Ott csak három állás van: -kulcs ki-be -"gyújtás" (bar diesel autón ez hülyén hangzik) -start Idézet: „Amúgy vannak a fórumon autóvillamosságisok is.” Várnám is a választ, de elég, ha Wagonka tulajdonos nyilatkozik, hogy valóban le kell-e szednem a kormányt a gyújtáskapcsoló burkolat miatt, vagy mégiscsak szétpattintható valahogyan. A hozzászólás módosítva: Márc 1, 2026
Azért az ingyen bekukucskálás lehetőségét sem hagynám ki...
Idézet: „gyújtáskapcsoló burkolat” Alul a térdednél van egy nagy csavar, ha azt kiveszed, akkor kétfelé jön a burkolat, már ha ugyanarról beszélünk . . .
Kivettem én azt. (Nem is olyan nagy csavar, de az lényegtelen). Csak nem jött szét kétfelé a burkolat, -igaz, csak enyhén feszegettem.
De ha el tudod mondani, mit és hol kell szétpattintgatni, annak örülni fogok. A hozzászólás módosítva: Márc 1, 2026
Az enyém könnyen szétjött, mert gondolom, h nem előszer lett megbontva. Oldalról (talán látszik is az illesztés) a középvonalában kellene bátrabban végig megnyomkodni, kb. 2-2 karom fogja. (nincs már meg a gép, ezért megnézni már nem tudom neked, csak emlékezetből írok)
Ha látod az illesztést, akkor egyszerre vagy csak vagy az alsót, vagy csak a felsőt nyomd befelé (a kormányrúd felé) az illesztés mentén. A hozzászólás módosítva: Márc 2, 2026
Köszönöm, akkor ezt figyelembevéve fogom próbálni.
Lehet, hogy megint hétvégén kerül sor a bütykölésre, de majd beszámolok. (A rádió mar beszerelve, tényleg csak ezt az ACC szálat kéne helyretenni, rendbetenni) A hozzászólás módosítva: Márc 2, 2026
Tanácsodnak megfelelően kicsit bátrabban nyomkodtam meg, megfelelő oldalról (
) , igy már szétjött.Rálátok a vezetékekre, méregettem is: a kék vezetékben a gyújtáskapcsoló semmilyen állásában nem észlelek feszültséget. (Pedig az adná az "ACC ON-t) Nemcsak az első kattintáskor nem, a második kattintás után sem. A második kattintásnál a kék-fekete és a sárga kap áramot. Lehet, hogy egész gyújtaskapcsolót kell cserélni (cseréltetni)? A hozzászólás módosítva: Márc 3, 2026
Lehet hogy sajnálatos módon Neked van igazad.
Érdekes még, hogy annak ellenére, hogy a kék szálon nem közlekedik áram, attól még (gyújtással csak, persze) kap delejt a kék-fekete (13), amin a szivargyújtó van, es kap delejt a sárga-fekete (14) is, amin a radió engedélyező "acc" szála van.
Lehet, hogy a gyújtaskapcsoló baj már ezereves, és a biztosítéktáblában össze vannak kötve a (16)-(17)-stb-vel? Na, most a setétben mar ezt nem nézem meg. Amúgy is: rohadjon meg, aki a boztosítéktáblát oda tette, a műszerfal alá, fejjel lefelé. Még nem tudtam hozzá bekígyózni. A hozzászólás módosítva: Márc 3, 2026
Csak a kapcsoló betétet... https://www.suzushop.hu/Suzuki-Wagon-R-2003-ig-Gyujtaskapcsolo-betet-Uj-ut
Kikapod és beteszed az újat. A hozzászólás módosítva: Márc 3, 2026
A linket nem érem el valamiért, de az most (még) lenyegtelen.
A lényeg: a betétcsere megoldhatja ezt? Hu, az jól hangzik. Egyszerűbb, olcsóbb. Ui: mostmár látom a linket. A hozzászólás módosítva: Márc 3, 2026
Még meg is vettem (olcsóbban is, mint a linkelt)
Csakhát... a kék szál semmiképp nem áll kapcsolatban a szivargyújtóval -pedig kellene a rajz szerint. A rádiót most nem vettem ki. Autóvillanyász lesz ennek a vége. Opel, jvcÉrdekességképpen:Beszerzett nejem egy F-Astra-t, mert a Suzuki nem könnyen vizsgaztatható. Na, itt fordult elő az a dolog, amiről eddig cssk olvastam. Az eredeti rádió helyett egy "mindenttudó" volt benne (háttérvilágításhibával), de a kulcs kivételekor MINDENT elfelejtett. A háttérvilágítashiba miatt áttettem bele a Suzukiból a JVC-t, amiben előny az is, hogy az nem felejt. Nem, node: ha hangerőt adtam, le is tiltott. Hát, bakmacska, bizony: A sárga és a piros szál (4) és (7) az OPEL-nél fel van cserélve... Szerencsémre a JVC csatlakozó és az ISO csatlakozó közt nrmcsakhogy átalakító van, de a sárga és piros szálon széthúzható csatlakozó is. Széthúztsm, összedugtam a pirost a sárgával, et vice verse, azóta teljes hangerőn is szól. A hozzászólás módosítva: Szo, 18:03
|
Bejelentkezés
Hirdetés |












) , igy már szétjött.

