Fórum témák
» Több friss téma |
Sziasztok!
Nos röviden arról lenne szó, hogy megkértek csináljak egy olyan pici okos kapcsolást ami, ha az index villog akkor az index relé meghúzásával egyidejüleg kapcsolgat egy sípot. Így a relé kapcsolgatási frekvenciáján csipogni fog. Erre azért van szüksége a srácnak, mert a felesége mindíg elfelejti kikapcsolni az indexet és incidenseik voltak. ![]() Az autó öreg műszerfalon nincs visszajelzés vagy nem látható nem tom, a relé meg halkan kapcsolgat. Nos a kérdeésem az lenne, hogy ha én csinálok pl. Ne555-el egy sípot, aminek a tápot az inde relé adja akkor úgy müxik? Elbírja? Nem fog a plusz áramfelvétel miatt össze vissza működni az indexlámpa? Valamint ma próbáltam a kapcsolást megépíteni, egy piezzó lapot tettem rá zümmernek, olyat ami a kvarcórákban és kvarcjátékokban is van. A problémám az volt, hogy nem tudtam mélyebb hangot kicsikarni belőle mindíd sikított. Hiába növeltem a kondi értékét. A másik bajom meg az volt, hogy halkan szólt, nem tudtam a hangerőt növelni. ![]() 12 V tápfeszről próbáltam üzemeltetni. A kapcsolást csatoltam, az Ne555 kimenetére nem fet hanem a piezzó kristály került. A segítségeteket előre is köszönöm!
Szia!
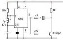
Nézd meg ezt a rajzot ez egyszerűbb. Az R3 értékének a változtatásával állítható a hangerő, de ettöl kissebbet ne tegyél bele. A jelzőhang magassága azt hiszem a C2-vel állítható
Ha ragaszkodsz a piezóhoz, csináld meg az ellenütemű vezérlést, így dupla feszt kap - azonkívül rögzitsd bele valamilyen tölcsérszerű cuccba, fel fog erősödni a hangja...
Az indexet nem zavarja.
Tök jó, amit küldtél pont az én problémámra gyártott kütyü, kapcsolás. Tehát ezek szerint az indexlámpa kapcsolással az Ne555 kapcsolgatását is elbírja.
Most már csak azt nem tudom, hogy ez fog-e működni az én piezzommal. Mert én most nme tudok sehonnan se leakasztani egy 1W/8 ohmos hangszorót, piezzót. Mennyi lehet az áramfelvétele ill. hány voltot bírhat el egy ilyen piezzó lap? Mi ennek a rendes neve? Mert akkor rákeresnék Google-n...
Kösz ferci az infót! Ezt a kapcsolást nem ismertem. Azt mondod ezzel az ellenütemű vezérléssel a kimenetemen 24V lesz, ha a tápfesz 12V? Azt el fogja bírni a piezzó?
Egyébként nem ragaszkodok a piezzóhoz, de sajnos most nem áll rendelkezésemre a Remci kapcsolásában szereplő hangszóró. ![]() Nem tudom a tápfesz emelésével mennyire fog a hangerő változni. Amúgy gondolom a te kapcsolásodban is a potival állítom a frekit? A kondik értéke meg az általában megszokott (555-nél) 10n meg 100n...
Remci nem tudod véletlenül, hogy ez a kapcsolás milyen újságból, folyóiratból, könyvből származik?
4n7-6n8 kb. jó neked.. a feszültséggel ne foglalkozz, mert nem vészes ebben az esetben.
Legjobb lenne egy tokozott piezo, az már nagyon sípolna... A potival megy a freki. Pici hangszóró is jó, bármilyen, csak a normál 555-kapcsolásban kell akkor min. 100 ohm eléje + a csatolókondi, de akkor kisebb lesz a hasznos kimenő, persze az még bőven elég. Lehet hangerőt növelni úgy is, ha a hangszóró helyébe teszel egy régi zsebrádió kimenőtrafót, és arra a hangszórót...
4-8 n-os kondik talán lesznek itthon. És mit szóltok egy fülhallgató hangszórójához? Akár az a fajta amelyiket a fülbe kell tenni, akár az, amelyiket a fülre?. Azok hány W-osak meg ohmosak? Mit értesz normál 555 kapcsoláson? A Remci féle kapcsolásra gondolsz és nem az elenüteműre? A csatolókondi értéke is változik 100 ohmos ellenállás mellet?
Az 35 ohm-os , asszem.... jó ...- akkor nem kell ellenütemű, természetesen. A csatolókondi érték maradhat.
De. :yes: Ferenczi Ödön: Autós elektronikai receptek. 1998-as kiadás.
Neked meg van ez a könyv? Elektronikus formában?
Mekkora a mérete a könyvnek, nem tudod feltenni ide vagy valahova? Vagy honnan töltötted le?
Én inkább vennék valami hasonló zümmert... PL: ezekközülezt -jó áron, s hangja is jó-. De akár ez is megfelelhet a célra. (Enyi pénzért!)
http://www.hqvideo.hu/info/hu/bz-032.html
Meg van, de könyv formájában. Ha érdekel majd beszkennelem és elküldöm.
Sztem ezekben a zümmerekben ugyanolyan piezzo lap van mint, amit én akarok rakni bele...így viszont miért adjak érte pénzt. Meg nekem most van rá szükségem nem pár nap múlva (jobb esetben)
Persze érdekel. Légyszi, ha sikerült bescannerelni, akkor üzenj nekem itt a Fórumon. Addig is nem tudnád azt az egy vagy két oldalt bescannerelni és elküldeni, ahol az általad küldött kapcsolással foglalkozik?
Hali!
Csak jelezném, hogy van olyan zümmer, amit közvetlenül köthetsz 12V-ra, és máris szól. Pl. azok közöt is, amiket _JANI_ linkelt. Ezekhez nem kell bajlódni 555-el, csak simán rákötöd a relére, a másik vége a testre, és máris ütemre sípol neked. Üdv!
Bezonyám én is csináltan a barátnöm kocsijába.
Csak neki még a kézifék visszajelzőre is raktam zümmert mert elegem volt a kuplung cserékből |
Bejelentkezés
Hirdetés |














