Fórum témák
» Több friss téma |
Na akkor "kézen fogva"! Mert én is hason szőrű vagyok!
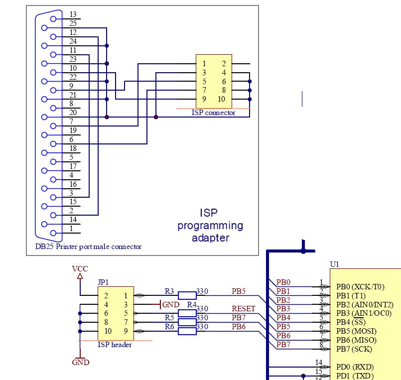
Most kezdenem tanulni... Égető: Nekem a gépemen van LPT is meg COM is. Kicsit macerásnak tartom, hogy kezdőként mindjárt keressek valakit, aki éget nekem egy égetőhöz szükséges IC-t vagy vegyek egyet ha USB-n akarom felprogramozni. Vagy lehet, hogy csak nem olvastam eleget! Már remakeeltem egy gamepadot, ami Atmega16-ot használ. Gyakorlatilag 4 ellenállással lehet rákötni az LPT-re! Egy részletet is csatolok, ami az eredeti rajzból lett kivágva. Nekem ez így szimpatikus . PonyProggal lett felírva a kód, elsőre is zokszó nélkül. Több kódot is kellett feltölteni az Atmega-ra, mert több kódot is írtak, függően attól meddig jutottak a fejlesztésben. Egyszer sem volt vele gondom- eddig.
Hello !
Nos énszerintem a legjobbak az LPT portosat (az is jó amit feltettél). ITT van egy oldalt ahol körülnézhetsz. Nagyon sok programozó van ott és viszonylag kevés alkatrészből bár szerintem több alaktrész kell hozzájuk mint a tiédhez. És szerintem azt a négy ellenállást is rakd át az LPT port csatijába és úgy sokkal jobb lesz szerintem.
megépítettem az égetődet de nem akar működni. Már nagyon sokszor átnéztem és már nagyon idegesít a ponyprog ,hogy egyik tesztnél sem akarja felismerni.
Szia!
Na akkor a következőt tudom tenni. Én oda adom a teljes cuccot, amivel megépítettem azt a gamepadot. Szerintem olvasd el, elég ha csak az égetővel kapcsolatos leírásokat nézed át. Én még nem építettem meg a konkrét égetőm. Csak az van, ami ezen a gamepadon van, egy közvetlen csatlakozó. Ezen simán ment. Amiket így olvasgattam: a hercz jól van beállítva? sokszor nem megy az égetés, mert nem klappol a hercz. De ha meg van a tuti akor mond meg, hogy ha végre oda jutok, akkor ezt kikerüljem .Itt is van egy kis infó az égetőkről: Bővebben: Link Olvasni tudsz róla? Csatolom a cuccot, próbáld ki! Szerintem az mjoy_16.hex-et égesd, ez hibátlan, mint software. Persze végül is mindegy mit égetsz , csak menjen - egyelőre.
Kis magyarázat, amit írtam:
"Olvasni tudsz róla"? Sikerül bármit is kiolvasni az IC-ről. A tutit pedig úgy értem, ha meg van a hiba oka, oszd meg velem is, hogy azt kikerülhessem. Úgy is lesz más amit elkövetek majd .
Abszolút semmi. Meg sem moccan se nem ír se nem olvas se nem töröl szerintem nem minden alaplappal kompatibilis. Én a helyedben nekifognék egy USB-snek. Én is így tettem csak az enyém egy kicsit rosszul sikerült, de nem szabad csüggedni. Itt az oldalon van egy leírás. Nekem első látásra bejön és szerintem meg is fogom építeni.
Hello!
Fél éve a Topi féle STK-isp égetőt használom bascom alatt. Az égetőben lévő AVR-t egy stk 200-al programoztam fel. BASCOM alatt elég lassú viszont működik. AVR studio alatt viszont gyors. Én tettem párhuzamosan a MOSI-ra egy piezo hangszórót így mindig hallom hogy történik-e egyáltalán valami. Üdv
Sziasztok!
Nemrég szereztem egy STK500-ast, csak az-az egy gondom van, hogy nincs soros port a gépemen. Utánanéztem és vannak olyan hardverek, hogy usb-ből csinálnak soros portot. (kb. 2-3 eFt) Működne szerintetek ezzel? Nem akarom feleslegesen megvenni. Ja és win7-re kellene.
Nekem PL2303 alapú USB soros porttal működik Linux, XP alatt.
Sziasztok
Segitséget szeretnék kérni egy avr-es témában, mégpedig hogy mivel tudnák egy attiny26-ot felprogramozni, de valami olyan kellene ami soros portra jó, és kevés alkatrész kell bele. pl ez nem tudom hogy ez alkalmas lehet-e? És hogy milyen programot használjak. Elöre is nagyon szépen köszönöm a választ.
HELLO !
ITT találsz nagyon sok programozót. Én innen csak egyet építettem meg és működött de szerintem inkább EZT építsd meg mert sokkal modernebb ráadásul tuti működik és van KIT lehetőség. Ha valamelyik mégis megtetszik és szeretnéd megépíteni csak nyugodtan építs mert működnie kell. Ha mégis valami gond lenne csak szólj és megoldjuk. Sok sikert.
Sziasztok!
Most kezdenék ismerkedni a témával, ezért megépítettem a Topi féle AVR-Dopert de a lelke még hiányzik. Be tudná nekem Budapesten valaki égetni a progit? Megvan az ATmega8-16PC-m, program nélkül. ![]() Köszönöm. üdv Luigi.
Miért nem építesz egy egyszerű kis programozót amivel akár mikor fel tudod programozni az AVR-jeidet?
Ha kell teszek fel kapcsolási rajzot egy megbízható és jól működö LPT portos égetőről.
Megmondom őszíntén gondoltam erre is, de ha nem szükséges, akkor nem építenék kettő égetőt. (ez már amúgy készen van, "csak" ez az egy elem hiányzik.)
Ha nem lesz egy vállalkozó sem, akkor marad az amit írtál, szóval felteheted az LPT-s égetőt, hogyha szükség lesz rá, legyen hova nyúlni.
Jó felteszem de gondold meg mert jó ha kéznél van egy olyan programozó amelyhez nem kell felprogramozni processzort valamint sosem tudhatod hogy mikor fog rosszul működni az a processzor ami a programozódhoz van valamint azt sem tudhatod hogy jól e van felprogizva valamint hogyha később fogsz tudni programozni és szeretnél rá írni egy újabb progrmot akkor megteheted és beégetheted. Én azt mondom hogy mindenképpen építs egyet pár 100Ft-ből összerakható.
Igazad lehet, akkor valószínű, hogy megépítem ezt. Mekkora ennek az áramfelvétele? Elemes táp az megfelelő neki?
Mindenképpen stabilizált 5V-os tápegységet használj olyan 50-100mA-es áramfelvételét.
Kell ennek egyáltalán külső erőforrás?
Ha igen akkor az írandó AVR felől kapja? (mert külön kivetetést nem látok a NYÁK terven)
A nyákterven rajtavan a tüskesor két szélén. Ha megnézed a kapcsolási rajzon a tüskesort meg van számozva és ez érvényes a nyáktervben is. ha kell még valami segítség csak szólj.
Megépítettem, de sajnos nem tudom működésre bírni.
Hiába próbálok vele írni mindig ezt kapom: > "make.exe" program avrdude -p attiny45 -P lpt1 -c stk200 -U flash:w:main.hex avrdude: AVR device not responding avrdude: initialization failed, rc=-1 Double check connections and try again, or use -F to override this check. avrdude done. Thank you. make.exe: *** [program] Error 1 > Process Exit Code: 2 > Time Taken: 00:00 A kábel kb. 10 cm. A feszültség LM317-el stabilizálva (elemről) 5 volt. PonyProg-gal ellenőrizve (Interface Setup) OK. Tanácstalan vagyok.
Nézd át hogy mindent jól ültettél e be és próbáld ki ponyproggal. Ha nem megy akkor valószínűleg vagy az AVR-ed lesz tönkremenve vagy valamit rosszul csinálsz.
Megvan a probléma.
Fordítva volt a dsub csatlakozó. (A rajzon is rosszul van? Nem értem.)Most ok. Már sikerült is az egyik ledvillogtató programot beleírni. Köszönöm a segítséget.
Szívesen segítettem. De a kapcsolási rajzban a nyákrajzban és beültetési rajzban én nem találtam hibát.
Sziasztok!
Én egy kandós nanoboard-al kezdtem pár hónapja foglalkozni. Nem tudom el kell-e mondanom (mert mintha olvastam volna, hogy kell) : ATmega88 AVRStudio-val asm programozás. Sajnos elpukkantottam az egyik lábát a procinak és vettem egy másikat. De ugye kiderült, hogy a régi előre be volt programozva. Olvastam az USB-s ISP programozó topic-ot. Irány a hestore és megkérdeztem egy úriembert, hogy ha az üres procit behelyezem, akkor azt fogom tudni programozni. He said: YES! (vagy én értettem félre valamit, de csúnyán) És akkor elkezdtem olvasni a sorok között: "Sajnos ez elkerülhetetlen oldala a dolognak, de a HEStore-ban kapható felprogramozott processzorral együtt! ť HEStore.hu: 10024859" Akkor most az is fel lesz programozva? Kérdés: akkor most az üres procimat ezzel sem fogom tudni programozni? Megjegyzés: ... még nincs nálam a programozó, csak megrendeltem. ÉS lehet, hogy ez benne van a fórumban, csak annyira kezdő vagyok, hogy lehet, észre sem veszem. Idézet: „Olvastam az USB-s ISP programozó topic-ot. Irány a hestore és megkérdeztem egy úriembert, hogy ha az üres procit behelyezem, akkor azt fogom tudni programozni.” Az USB-s programozóba nehogy elkezd kicserélni a benne lévő ATMEL-t! Az ahhoz való, hogy maga a programozó életképes legyen; az úgy alkot egy egységet, ahogy a HEStore-tól megérkezik. Amit égetni/programozni akarsz vele, azt ennek a "gyári" programozónak az SPI-kimenetére kell ráraknod és betöltened majd az üres ATmega88-ba a NanoBoard-hoz való bootloader-t. (Egyébként ez a bootloader elérhető valahol, én nem emlékszem már rá...?)
Köszönöm szépen a válaszodat.
Nem állítom, hogy teljesen értem, mit mondtál , de innen már el tudok tovább gondolkodni.
Ez a beginner probléma kezd elhatalmasodni rajtam. Van egy olyan érzésem, hogy most egy hétig nem szabad ránéznem sem az AVR-re, sem a programozóra. Szét vagyok esve:
1. Nem értékeltem t-danit. - Bocs, mint ahogyan sok mindent ... ezt sem vettem észre. 2. Amatőr csillagász próbálkozásai: Előző idétlen kérdésemre kapott válasz után 16000x elolvastam a a cikket. Megépítettem és telepítettem az USB ISP-s programozót. Minden rendben ment. Majd összekötöttem az MCU-val. Mindent úgy csinált, ahogyan a cikkben le volt írva, de hiába állítottam át 57.6kHz-re, nekem akkor is ugyanazt az üzenetet hozta, mint először. (Túl magas ISP frekvencia) Viszont a progi átmenet az MCU-ba. Némi gubanc volt a vezetékeknél, de nem tulajdonítottam neki jelentőséget, mert a program betöltődött. Hurrá … gondoltam és írtam egy fokkal bonyolultabb programot. Két LED villogott . Innentől kezdődtek a problémák: Először nem volt kapcsolat a programozó és az AVR Studio között. Semmi baj, gondoltam ... és újra telepítettem programozót. STK.. program eltávolításra került. Újraindítom a gépet, bedugom a programozót az USB-be és semmi nem történt. Az XP nem látja a programozómat. Ez gáz. AVR Studio-t elindítottam „RUN” és „Connect”. Ennek hatására egy hibaüzenetet kapok: - kapcsoljam ki az STK500-at - csatlakoztassam szét a kábeleket - nyomjam le a „PROGRAM” gombot, amikor bekapcsolom az STK500-at A tünetek alapján a vezeték gubancom miatt megöltem az ATmega programozómat, esetleg a 74126 kaphatott egy nyaklevest? :eek2: Ha igen, akkor tud valaki segíteni nekem? 74126-ot tudok venni. ATmegát vinnék bárkihez, csak kellene egy 'Tyúk' is hozzá aki betölti a firmware-t Veszett hálás lennék, ha tudna valaki segíteni.
Én azt javaslom hogy higgadj le és építs egy programozót soros portra amivel fel tudod programozni a programozó processzorját. Erre a legalkalmasabb az AVR ISP LPT melynek a kapcsolási rajzát ITTEN tudod megnézni. Ez a legegyszerűbb és legmegbízhatóbb. Miután ezt megépítetted égesd bele az ATmega8 as prociba a programozóhoz tartozó hexeket. JÓL ÁLLÍTSD BE A FUSE BITEKET!!! Utána próba. Kellene működnie a programozódnak de ha mégsem működne akkor nézd meg hogy jól állítottad e be a programban a programozódat valamint hogy jók e a kábelek és hogy jó helyre telepítetted e a programozót. Más ötletem nincsen eddig csak egy-két embernek volt vele problémája és nekik is csak kis hibáik voltak. Nézzél mindent jól át és próbálgasd. Ha nem megy akkor az AVR miértek hogyanok című fórumba tedd fel mivel ott hamarább tudnak rá megoldást mint itt.
Sok szerencsét.
Köszönöm szépen a válaszodat és a többieknek az üzenetet. Ki fogom próbálni.
Sziasztok!
Vettem egy Topi féle égető KIT-et Hestore-ban. Összeraktam, átnéztem ezerszer, ügyeltem mindenhol a helyes behelyezésre, forrasztásra. A problémám az, hogy amikor rádugom az USB portra nem történik semmi. Win 7 fut a gépen. Se új hardver, semmi. Persze egyből kihúztam, nehogy gáz legyen. Átnéztem még 15x, rádugtam egy XP-s gépre, de ott sincs semmi. Mi lehet a gond? |
Bejelentkezés
Hirdetés |




. PonyProggal lett felírva a kód, elsőre is zokszó nélkül. Több kódot is kellett feltölteni az Atmega-ra, mert több kódot is írtak, függően attól meddig jutottak a fejlesztésben. Egyszer sem volt vele gondom- eddig.
.
:
. 




