Fórum témák
» Több friss téma |
WinAVR / GCC alapszabályok: 1. Ha ISR-ben használsz globális változót, az legyen "volatile" 2. Soha ne érjen véget a main() függvény 3. UART/USART hibák 99,9% a rossz órajel miatt van 4. Kerüld el a -O0 optimalizációs beállítást minden áron 5. Ha nem jó a _delay időzítése, akkor túllépted a 65ms-et, vagy rossz az optimalizációs beállítás 6. Ha a PORTC-n nem működik valami, kapcsold ki a JTAG-et Bővebben: AVR-libc FAQ
21Kbyte nem fér az Atmega8 ba csak 8. A drivert úgy kell keresni a neten, hogy USB ASP driver, ha az első találatok nem lennének jók, mert több változat is kering, és azt csak a Te géped tudja, hogy neki melyik kell, az eszközkezelőben kell megnézni a számát és ahhoz keresni. Ettől függetlenül ha az segítség elküldhetem az enyémet, de véletlen ha jó. Valahogy így kell összekötni, azt nem tudom, hogy a programban is bele van-e írva a FUSE bitek állítása, de ha átállítja külső kvarcra akkor utána már kvarc nélkül nem megy, ekkor kell az újra égetéskor is kvarc. Azt a próbapanelt azt nem néztem, ha a megfelelő pin-eket abba kötöd elvileg az is jó, de Te egy SMD Atmegát linkeltél először.
A hozzászólás módosítva: Aug 13, 2017
Az SMD megát a fórum motor linkelte, mint ahogy nálad is.
THT-t sem lehet abba a foglalatosba simán tenni, mert az 40-pin-es, valószínűleg 8515-8535 höz való, de meg lehet keresni a megfelelő pin-eket mit hova, de akkor már lehet egyszerűbb egy dugdózóson, vagy próbanyákon...
Szerintem is egyszerűbb az utóbbi. Viszont a hex file mérete nem egyenlő a program méretével, mert egyéb információt is tartalmaz.
Bővebben: Link
Szia!
Tudom, hogy megválaszolták a kérdéseid, de szerintem van rá egy másik válasz is. Ha van egy arduino kódod és te nem akarod az egész arduino board-ot (pl az UNO-t ami elég sok helyet foglal) használni, hanem csak bele akarod tenni egy foglalatba az MCU-t (vagy SMD-t használsz és beforrasztod az elkészült paneledbe) akkor van rá mód, hogy az arduino kódod befordítás után fel tudod tölteni programozón keresztül. Vagy úgy, hogy kiexportálod a hex-et (a menüpontok Vázlat -> Lefordított bináris exportálás) vagy van menüpont is a közvetlen kiírásra (Vázlat -> Feltöltés programozót használva). Így használhatod az arduino-s függvényeket és akár egy hobbi nyákot is készíthetsz, nem kell mindig shildeket meg "légkábelezést" használni. De megcsinálhatod azt is, hogy teszel az MCU mellé egy USB foglalatot és egy usb soros átalakítót (pl CH340 vagy CP2102) és akkor legyárthatod a magad kis devpaneljét (2.kép), csak akkor előtte a bootloadert bele kell égesd a megfelelő MCU-ba, erre is van menüpont az Arduino IDE-ben (Eszközök -> Bootloader égetése).
Üdv: Mesterek!
A következő lenne a gondom a Topi féle processzoros nimh töltő https://www.hobbielektronika.hu/cikkek/nyolc_labbal_iv_resz.html?pg=2 C programját nem tudom lefordítani mindig hibát ír ki a fordító de lehet én rontok el valamit. Egy cellához akarom megépíteni ezért módosítottam a CELL NUM-ot 1-re de nem akar össze jönni sehogy sem! Köszönöm!
A hibaüzenet segíthet megtalálni a problémát.
Hello! Köszönöm a reagálást!
Ezt írja ki a fordító! > make.exe: ***No rule to make target all' . Stop. > Process Exit Code: 2
Korábban egy páran megépítettük ezt a kapcsolást, a program is természetesen, jó. Hogy a te fordítóddal ( amiről nem tudjuk melyik) miért nem megy a dolog?... AVR Studio- val működik a dolog, a debug mappába kerülő hex-et személy szerint én a Bascom-mal égettem be USBASP-al.
Köszönöm a hozzászólást WinAVR-el próbáltam akkor valamit én rontok el biztos!
Azonos könyvtárban kell lennie a forrásfájlnak és az átszerkesztett make fájlnak. A Programmers Notepad-ot futtatás rendszergazdaként kell indítani.
Köszönöm így is megpróbáltam de ugyan az a helyzet!
Fogalmam sincs mit csinálsz. Csináltam egy új projektet Atmel Studio-ban, kiválasztottam az ATTINY13-at, bemásoltam a kódot a main.c -be. Rányomtam, hogy build és hiba nélkül lefutott.
Csak a WinAvr-t telepítette Studio nélkül. Azzal is le lehet fordítani, csak az Mfile-vel bele kell piszkálni a make fájlba. Ezt a Studio automatikusan megoldja. Javasolni akartam, hogy telepítse, de lemaradt.
Köszönöm mindenkinek a hozzászólást most telepítem a Studio-t!
Köszönöm a segítséget mindenkinek Atmel Studio-val jó lett!
Üdv!
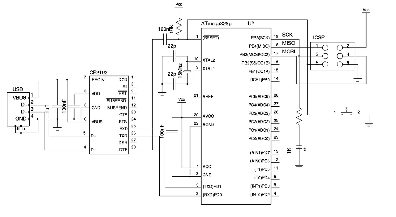
Elvvileg ez egy Arduino UNO Clone akarna lenni. Valaki ellenőrizné ezt a kapcsolást? Köszönöm!
Esetleg ha valaki kiegészítené egy Reset gombbal vagy akár mással, azt megköszönném!
Az AVR Reset lábán lévő kondit az átalakító DTR lábára kell kötni.
szia!
Pár hozzászólással korábban belinkeltem egy képet, ott a CP2102-essel van megoldva, csak a tápellátás hiányzik, a VCC-t neked kell 5V-ra stabilizálni, ami lehet egy 7805 is. Diódákkal szokták megoldani, hogy az USB és a külső VIN ne "keveredjen". Nem találtam most átláthatóbb kapcsolást
UNO klón az nem lesz, mert az USB-UART átalakító hiányzik. inkább minimális Atmega328P kapcsolás.
Az AREF-et a VCC-vel összekötni (21-es láb) igencsak meredek. A speckó szerint ebben az esetben egy szerencsétlenül felkonfigurált ADC-vel kinyírhatod a chipet. 100 nF kapacitás kell az AREF-re. Ökölszabály. EMI-re érzékeny lesz a chip, ha az AREF üresen marad. A hozzászólás módosítva: Aug 23, 2017
Szóval akkor mit hogyan kössek?
A 20-22 lábakat felcserélted. A 20 +tápra megy, a 22 GND. Az Aref kivezetést (21) meg egy 100n kerámiakondin keresztül GND-re kösd. Az 1 és gnd közé is rakj egy 10k ellenállást.
A hozzászólás módosítva: Aug 24, 2017
Idézet: „Az 1 és gnd közé is rakj egy 10k ellenállást.” A resetet VCC-re kel húzni!
Igen! Félregépeltem. Köszi az észrevételt!
A 21-es láb jó helyen van?
Programozás után le lehet húzni az usb átalakítót, és működik? Esetleg valahogyan bele lehet tenni a kapcsolásba egy Rset gombot? Ja és mégegy kérdés, a digitális és analog lábakat lehet kötni közvetlen az IC-re? Kőszönöm!
Ha így kötöd be, működnie kell.
És, ha zárom a két érintkezőt, akkor reseteli az IC-t?
Igen.
|
Bejelentkezés
Hirdetés |














