Fórum témák
» Több friss téma |
Fórum » Bascom-AVR
Reset láb helyzete?
Próbáltam úgy is, hogy minden drótot kihúztam az lpt portból.
Akkor sem javult a helyzet.
Akkor tettél -e felhúzó ellenállást (10K) a reset láb és a Vcc közé? Mellette a táplábakon is jól jöhet a 100nF kerámia kondi.
Egy screenshot a fuse bitek beállításáról is jól jönne, vagy a kapcsolás megvalósításáról!
Nem tettem, de most pótoltam. A helyzet nem változott.
A hozzászólás módosítva: Jan 22, 2016
Mindjárt megpróbálom megoldani.
Próba. (még nem tettem fel képet)
Lenne olyan egyszerű, könnyen tanulható és főleg ingyenes program, amivel egyszerűen lehet kapcsolási rajzot csinálni?
Köszi.
A fusebit "C" enable. ez osztja a kettővel alatta lévő beállításban szereplő 8Mhz belső oscit, de ettől még mennie kellene. A fuse "C"- disable-ba tedd. Az int oscit, meg "111111" -be.
Be van kapcsolva az órajel 8as osztója azaz amit 250ms írsz be az valójában 2 másodperc lenne de valójában 1 mert 8MHz belső oszcillátorod fut de te 4MHz adtál meg.
Arra kell vigyázni hogy az oszcillátort ne állítsd be rosszul mert akkor csak külső órajellel lehet programozni, arra még jobban vigyázz hogy az external reset-et ne kapcsold ki vagy más AVR kontrollernél az SPI download enable-t szintén ne kapcsold ki mert onnantól ha nincs párhuzamos programozód használhatatlanná válik a csip. A hozzászólás módosítva: Jan 22, 2016
Kapcsolási rajzot csinálni, még paint-ba is lehet csinálni XP-ben. Gondolom nem ez kell.
Ha valami nyáklapszerkesztőre gondolsz akkor van itt a fórumban jópár.... Sprint, Eagle, Proteus.... Stb. Ezeknek van topikja is ha valami kérdés merülne fel.
Köszi!
Megpróbálom megérteni.
Köszi.
Azért írtam 4 Mhz -t, mert 4 megás kristályt tettem a két oszcillátor lábra. Mit állítsak, hogy erről menjen?
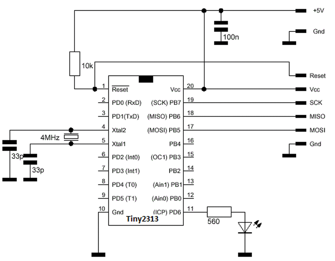
Valahogy így kellene bekötözgetni a kapcsolást. Ha az egész PORT,D=Output, akkor a lednek villognia kell. Lehet a rajz annyiban sántít, hogy a tiny2313 doksija 4Mhz-re 12-22pf kondit ír.
A hozzászólás módosítva: Jan 22, 2016
Köszi.
Körül fogok nézni.
Szerintem ilyesmi rajz alapján raktam össze egy soklyukas panelre és azért nem értem, hogy mit nem jól csináltam.
Gyorsan összedugdostam én is a saját verziómat!
![]() Az alábbi fusebit beállításokkal szépen villog.
Nekem a
Calibration0 50 Calibration1 4E Ezeket nem tudom megváltoztatni. Hol lehet ezeket beállítani?
Sehogy! Ha a Fusebits: "FC", a Fusebits high: "DF", akkor már jó.
Azt viszont megkérdezném, hogy "rendesen" le lett fordítva a program, nem csak a program ellenőrzést futtattad le? Ha a "lock and fusebits" fülről átkattintasz a "FlashRom" fülre, akkor ott van a program?
Igen, van.
Próbáltam, hogy kitörlöm a tartalmát. Utána visszamásoltam az AVR -ből. Ha jól értelmeztem a menüpontokat. Ugyan olyan krix-krax jött vissza. Legalább is, szemre. Próbáltam, hogy töröltem az AVR tartalmát. Utána FF volt amivel tele volt a buffer. A hozzászólás módosítva: Jan 22, 2016
Ez a része rendben.
Fordítás után a következő van a kérdéses területen.
Köszönöm szépen, hogy ennyit foglalkoztál a problémámmal.
Mára feldom.
Lehet olyan, hogy a keveredést a Bascom valamilyen hibája okozza?
Megvan mi a baj az attiny2313 nem használhatod ezt
Config Portd = Output mert a portd egy csonka port. A portd.0 portd.5 ig használhatod csak.
Nagyon köszönöm!
Ha hazaérek, ki is próbálom.
Nem működik sajnos.
Egyelőre leállok vele. Hátha majd később. |
Bejelentkezés
Hirdetés |














