Fórum témák
» Több friss téma |
Köszönöm!
Sziasztok!
Megépítettem az oldalon közölt kapcsolást, tökéletesen működik. Az a kérdésem lenne, hogy foglalkozott-e valaki automata fényerőszabályzással? Arra gondoltam, hogy egyszerre működjön minden led-nél, az oszlopmeghajtó tranyók közös emitter vonalán kellene valamit operálni. van esetleg valakinek valamilyen ötlete? kocsgab002
Elméleti síkon egyszer foglalkoztunk már a fényerő szabályzással. De a gyakorlati kivitelezés...
Ez a rajz egy alap fényerő szabályzásra ad példát. Persze ehhez még kell néhány kiegészítés, hogy automatikusan működjön.
Én próbáltam úgy hogy az emitter vonalra raktam ellenállást, de érthető okokból meg sem nyikkant a kijelző. Szerintem egy fototranzisztorral vezérelt PWM dolog lenne az ideális, az már gond nélkül mehetne a tranzisztorok közös emitter vonalára.
Sziasztok!
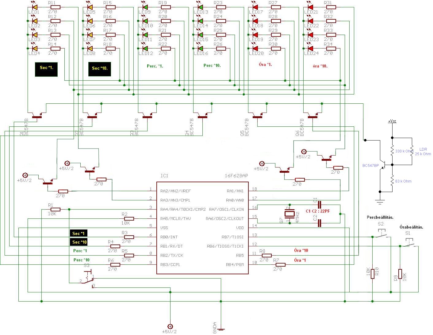
Nem hagyott nyugodni a dolog, ezért elkezdtem kísérletezgetni. Az alábbi módosításra jutottam. A fényerőszabályzás működik, sajna túl jól is, mert sötétben teljesen kihunynak a ledek. Szerintem a ledeknek kevés a tápfesz, talán a multiplexelés miatt. Először csökkentettem az anódellenállásokat, de az sem segített sajna. Kitaláltam, hogy akkor tranyákkal leválasztom a PIC-től, talán így jobb. Ez csak elméleti síkon valósítottam még meg, mert nincs itthon olyan tranyóm. Viszont a fényerőszabályzás megy. Ja, ami még fontos lehet. Nagyfényerejű 3mm-es zöld ledeket használtam. Ha valami szerintetek nem jó a leválasztással, szóljatok. Ja, persze a sok ellenállás nem kell a ledeknél, csak nem töröltem ki őket...
Szép munka, ha még egyet csinálok akkor mindenképp beleveszem ezt a módosítást!
Na, tovább kísérleteztem, az eredmény a követező:Találtam még egy működőképes bc337-et, így leválasztottam a az egyik sort. Sokkal jobb lett a fényerő, de még így is üzemi körülmények között dolgozik a led. Viszont tapasztaltam egy érdekes dolgot, amire eddig nem találtam magyarázatot. Ha nagyon erősen belevilágítok az LDR-be, mondjuk napfényt szimulálva, teljesen kinyit a tranyó, elkezdenek derengeni azok a ledek, amelyek éppen nem működnek. Viszont abban a sorban amelyet leválasztottam tranyóval, sem csinálja ezt, ott nincs derengés, az jól működik. Furcsa. Meg lehet növelni a sortranzisztorok bázisellenállását 270ről, mondjuk 1K-ra, mert túl nagy bázisáramot kap a tranyó, akkor is világit a led, ha a kollektor nincs tápra kötve, és csak lóg a levegőbe. Szerintem nem okoz hibát ez sem, de azért bizos ami biztos...
Szia! Van egy módosítás a kapcsolások körzött. Bővebben: Link...
S ezt a "sorosítást" amiatt vetettül el, mert így már két tranzisztor nyitófeszültsége vonódik ki a tápfeszültségből. S telepes (akkumulátoros, 3V ) táplálásnál a LED-ek nem biztos, hogy ki tudnak nyitni. Bár az is igaz, hogy a nagy fényerejű LED-ek sokkal kevesebb energiával is elfogadható fényt adnak. Volt szó a PWM-es szabályzásról is. De ez azért nem lesz jó, mert a PIC multiplexálva ( időosztásosan ) adja ki a vezérlést. S interferálni fog a PWM jelével! Persze! A bázisellenállás növelhető! Lásd Link...
Szia!
Én úgy korrigáltam az általad felvetett problámát (2 tranzisztor nyitófesz), hogy egyszerűen elhagytam a ledek előtti ellenállásokat. Persze a sormeghajtó tranyók elött van. A fényerőszabályzó tranzisztor CE feszültsége (kinyitott állapotban) kb megegyszik a led előtét ellenállások által ejtett feszültséggel. Így nálam remekül működik a dolog. Módosítottam még egy kicsit a dolgon, a fényerőszabályzó körbe beiktattamegy potit, ezzel remekül be lehet állítani sötétben a minimális fényerőt. Igazad van, ez 3V-os rendszerben nem működik. Adapterről használom, 3,6V-os akku csak a backup miatt van benne.
Csak ötletadásnak. A "fényerő szabályzó tranzisztor" akár FET is lehetne! Annak csak feszültség kell a GATE bemenetére. A kisebb a csatorna ellenállása a FET-nek, ha teljesen ki van nyitva. [OFF]( A te kapcsolásodban nem is kettő hanem három tranzisztor nyitófeszü...e... )
Igen, Fetre én is gondoltam, beszertek majd egy megfelelő típust, és kísérletezgetek vele.
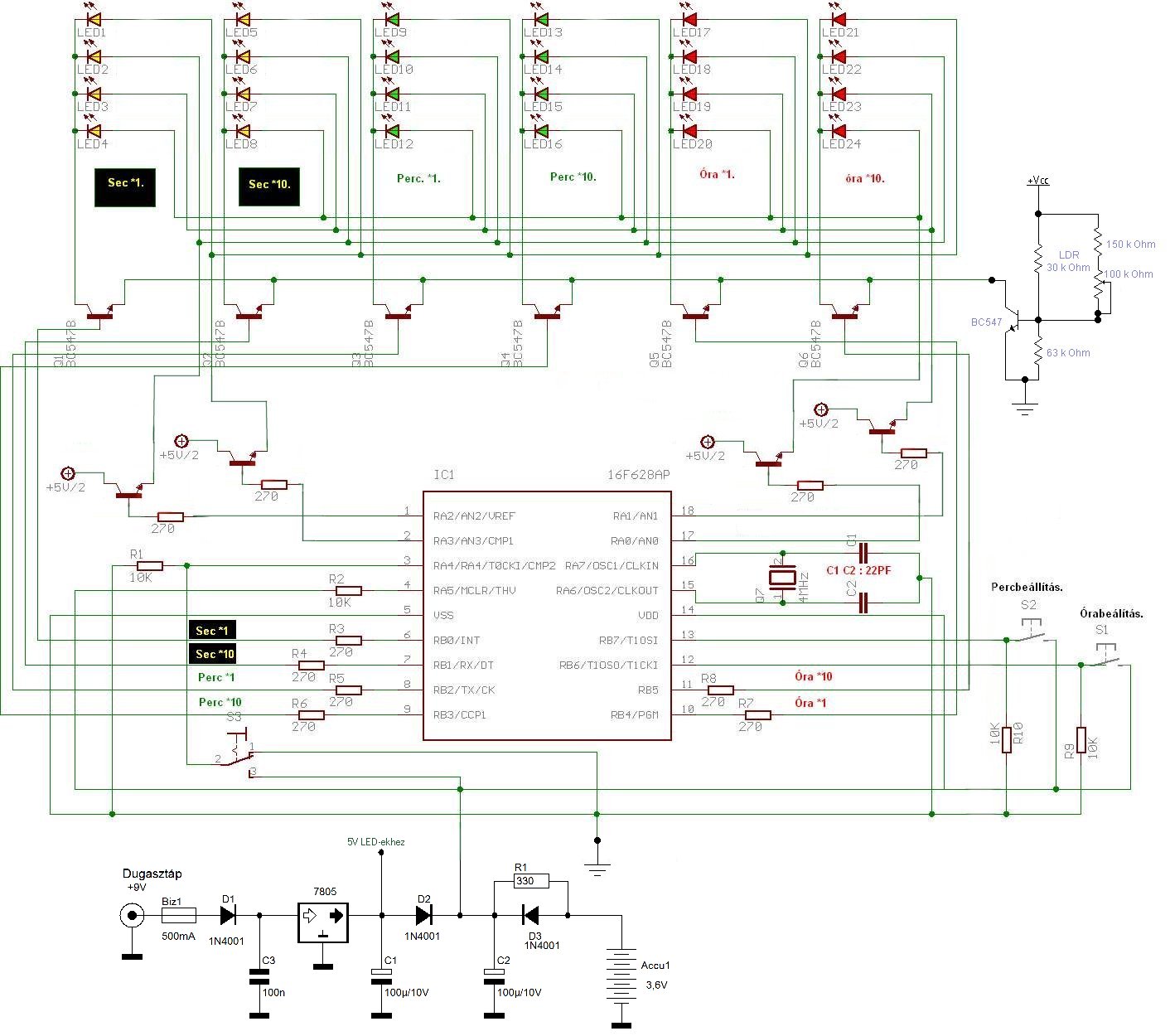
Feltöltök egy újabb képet, (ez az utolsó) nekem most így működik, hozzáteszem, kifogástalanul. Vicsys utólagos engedelmével összeollóztam a 2 rajzát.. üdv. mod: Persze be lehet rakni egy pár ohmos ollenállást, biztos ami tuti alapon. Ebben a sorleváasztós tranzisztoros megoldásban benne van az a lehetőség is, hogy 5V-nál nagyobb feszről tápláljuk a ledeket, ha kevés lenne a 3,2V.
A + 5 voltra menő tranzisztorokat kicserélném PNP re ,bár ekkor negálni kellene a kimeneteket de a ledek kb .2-.4 volttat többet kapnának.A tápfeszültség emelésnek ezen a rajzon semmi értelme mert a ledek a pic magas szintjénél 0,5 voltal kevesebbet kapnak csak.A többi a tranzisztorokon eldisszipálódik.
Ha PNP tranzisztort használsz akkor meg azért nem lehet nagyobb a táp mert a pic kimenetén keresztül üresben is kinyitnak. Tápot emelni csak úgy tudsz ,ha egy NPN tranzisztort alkalmazol a test felé ezzel hajtva egy PNP tranzisztort a plusz táp felé.Ekkor jó a picben lévő mostani program. Még egy gondolat :ha a negatív ágban a rajzodon lévő módon szabályzod a fényerőt ,az kijelzés függő lesz.Minél több led világít annál haloványabb.Talán oda egy PNP tranzisztor kellene kollektorral a test felé,és a bázisán beállítani a kívánt fényerőnek megfelelő feszültséget.
Sziasztok!
Sikerült végigolvasnom a fórumot, és sajnos egy árva szót sem értek belőle de nagyon szeretnék egy ilyen órát ajándékozni, lehetőleg házilag gyártottat, mert az olcsóbb és véleményem szerint szebb is ajándéknak. A kérdéseim a következőek:Milyen végzettséggel tudtok ilyeneket készíteni? Tehát kihez kell fordulnom segítségért? Kb. mennyibe kerül kompletten az óra kivitelezése? Remélem valaki még fog erre járni és válaszolni, mert ahogy látom jóideje megakadt a fórum:S Köszönöm előre is.
Helló!
Abban azért kicsit tévedsz hogy olcsóbb, a '(#547504) martinov' hozzászólásomban található órámat kb. 5000HUF-ból raktam össze... igaz ebben benne van néhány alkatrész szállítási költsége is. Milyen végzettség? Ha nem akarsz sajátot tervezni akkor gyakorlatilag nem kell hozzá ész sem... fogod a Cikkben szereplő rajzot és megvalósítod. Ha sajátot akarsz akkor a legtutibb ha olvasol sokat, veszel egy protoboard-ot és gyakorlod az olvasottakat. Ennyi.
Szia!
Szerintem az 5000 elég jó ár ahhoz képest,hogy boltokban húszezer felet kapható:S De szerinted milyen ismerőshöz forduljak aki mivel foglalkozik, hogy tudjon ilyet készíteni? És félreértesz, tehát én annyira nemrétek ehhez, hogy a kapcsolási rajz leolvasása is idegen számomra, nemhogy még elkészíteni
Hali!
Szóval valakit keresel, aki legyártaná neked a cuccot? Nem lehet biztosan megmondani kihez fordulj, valaki villanyszerelőhöz, vagy valamiféle műszaki emberhez. Elég sokan itt az oldalon is "csak" hobbiból elektronikáznak, foglalkozástól függetlenül. Itt az oldalon esetleg van vállalkozó ember aki legyártaná neked, én jómagam szívesen segítenék, de mostanában nincs túl sok időm. Amúgy nem olyan bonyolult a kapcsolás, kis utánajárással, olvasgatással te magad is meg tudod csinálni az áramkört. Ha kell tudok küldeni NYÁK tervet. Üdv.
Szia!
Szerintem két lehetőség közül választhatsz! 1: Hagyományos logikai áramkörökkel oldod meg. S egy precíz 1HZ-s órajellel hajtod meg. Logikai áramkörökkel: Viszonylag olcsók alkatrészek, s nem kell különösebb felkészültség... 2: VAGY Egy PIC felprogramozásával. PIC-hez kevés alkatrész kell. De a PIC-et fel kell programozni. Vagyis, kell egy kis PIC-es jártasság. ( Legalább az égetés területén. ) Mind a kettőnek megvan az előnye és hátránya. Mérlegelni kell az árukat, és megvalósíthatóságot.
Szia!
Olyan ismerőst kell keresned, aki elektronikát tanul, vagy foglakozik vele és épített már néhány kapcsolást. Egy ilyen ember a kellő dokumentáció birtokában ( úgy olvastam, hogy létezik, de a topicot nem olvastam végig!) el tudja készíteni neked a kívánt áramkört. Az 5000 Ft-os ár szerintem csak az anyagárat tartalmazta, tehát az elkészítéshez szükséges időt nem, mert azért van ezzel macera! Minden jót ! Steve
Szega! Az 5000HUF csak az anyag plusz némi szállítási költség, de ha nem elemről hajtod akkor még 2000péz az adapter... Időben én két hétig agyaltam és tervezgettem aztán olyan 3óra alatt sikerült elkészíteni.
Szia!
A rajz leolvasása nem jelenthet gondot, mert csak az alap dolgok vannak rajta, ezeket némi guglizás után megfejtheted. És hogy milyen ismerőshöz fordul abban lehetnek meglepetések. Én informatika-távközlés szakon végeztem, ott tanultunk némi elektronikát. Most meg villanyszerelőként dolgozom, ez elég volt. Még plusz költség lehet egy PIC programozó beszerzése, mondjuk egy PICkit2 olyan 10000körül van a ChipCAD-nél (www.chipcad.hu)
Sziasztok!
Köszönöm a sok választ nektek. Sikerült találnom valakit aki ért az ilyesmi dolgokhoz, és segít nekem megcsinálni. Hogy ha valamelyikőtök szánna rá egy kis időt nekem arra, hogy leírja pontosan a nevét azoknak a dolgoknak az elejétől a végégig,amiket meg kell szereznem, annak nagyon-nagyon hálás lennék Előre is köszönöm : Niki
Ja és még valami.
Nagyon sok kapcsolási rajzot láttam itt a fórumon. Szerintetek melyik a legjobb amit használjak?
Végre elkészült az én órám is, jól mutat a koleszban.
![]() Részemről 2000 forintot költöttem, a legnagyobb kiadás az ic volt. A dobozolást egy mezei kapcsolódobozzal oldottam meg, amit simára csiszoltam, és lefedtem tapétamatricával. Köszi a kapcsolást vicsys!
A bináris óra cikkje...
S egy egyszerűsített kipróbált változat... Mivel ez nem sok alkatrészt tartalmaz, ezért nem nehéz az alkatrész lista összeállítása sem. Persze egy 5V DC tápegység is kell! Az ALAP 7805 ös tápegység bőven elegendő a stabil 5V Ut előállítására. ( Transzformátor 6-12V AC; 1A 40-100V GRAETZ; 470µF - 1000µF 25V - 40V kondenzátor; 2*100nF Kerámia kondenzátor a 7805 be - GND, és a kimenet - GND közé; 1-4.7µF 16V kondenzátor a kimenet és a GND közé. ) A javasolt kapcsolás a 7805-ös adatlapjában megtalálható. Kell egy PIC PROGRAMOZÓ ami a PIC-be beleküldi a programot. Itt a forrásfájl. S a lefordított HEX-fájl. ( Ténylegesen ezt kell a PIC-de égetni... ) Kell egy nyákterv. Szerencsére már van miből választani a téma képei között :yes: ! Sok szerencsét a projekthez!
Gratulálok én is, szép igényes munka! :peace:
Köszi!
Egy problémám van, elég halványak a ledek... Drasztikus változtatás nélkül, mihez lenne érdemes nyúlni a fényerő növeléséhez szerintetek? kapcsolás
Talán az anódellenállásokat lehetne csökkenteni.
De a PIC kimeneteinek terhelhetőségét is figyelembe kell venni! A katódköri kapcsoló tranzisztorok MOSFET-re cserélésével is lehet pá tized voltot nyerni.
Szia
Normál helyett, használj nagyfényerejű ledeket. A 270 ohm -ok helyett használhatsz 180 ohm -okat. Nálam a nagyfényű fehér (!) led 330 ohm /5V-on, bántóan nagy fényt produkál! |
Bejelentkezés
Hirdetés |






Csak ötletadásnak.

de nagyon szeretnék egy ilyen órát ajándékozni, lehetőleg házilag gyártottat, mert az olcsóbb és véleményem szerint szebb is ajándéknak. A kérdéseim a következőek:









