Fórum témák

» Több friss téma
Fórum » CNC építése házi alkatrészekből az alapoktól
Lapozás: OK   129 / 377
(#) karaszbandi válasza NickE hozzászólására (») Máj 7, 2012 /
 
Neked valami felületkövető kellene.
(#) Stewe válasza NickE hozzászólására (») Máj 8, 2012 /
 
Erre egyetlen megoldást tudok elképzelni: Csőtengelyes marómotorba épített perselyben lazán, súlyával előfeszítve.

Profi oktatási eszközként 1985-ben nekünk ugyanilyennel rajzolt a gépünk, de ott ráadásul állítható excenteres is volt, így megforgatva akár 16mm-es szármarót is lehetett vele szimulálni.
(#) Szebence válasza Stewe hozzászólására (») Máj 8, 2012 /
 
Egy picit kisebb képet nem találtál? Belinkelnéd a nagyobb verziót, ha van? Köszi, üdv!
(#) Stewe válasza Szebence hozzászólására (») Máj 8, 2012 /
 
Pardon, a kép egy fórumban volt, és a nagyítás ezek szerint nem linkelhető. Itt megtalálod:Bővebben: Link

De mint említettem, ez csak egy főorsóba befogható csőben szabadon megvezetett persely.
(#) mex válasza Stewe hozzászólására (») Máj 8, 2012 /
 
Erre mondják:egyszerű, és nagyszerű.
(#) emmzolee válasza hotib hozzászólására (») Máj 8, 2012 /
 
Ezeket néztem én is. Nagyon jó és nem is drága.
Csak ezek 10X2-esek. Nekem meg 12X3 -as orsóim vannak.
(#) hotib válasza emmzolee hozzászólására (») Máj 8, 2012 /
 
Igen elég jónak tűnik. Persze ettől még hobbi kategória. Ami nekem tökéletesen elegendő.

Az előzőekhez a tolltartó képét mellékelem. Vannak praktikák rá, hogyan lehet lemásolni az ellophatatlan képet
(#) NickE válasza Stewe hozzászólására (») Máj 8, 2012 /
 
Az én esetemben jobb lenne nem a főorsóba fogatható megoldás. Az én CNC-m csak gyerekjáték, 1/8" a befogója és a Z tengelyt csak 6,5 cm-t tudom mozgatni.
Egyébként is leszerelem a főorsót, mert többnyire olyan feladatokhoz használom, amihez nem kell.

Szóval nekem jobb volna valami ilyen vagy hasonló:
http://ruztercnc.wordpress.com/2009/03/14/pencil-holder/
(#) Stewe válasza NickE hozzászólására (») Máj 8, 2012 /
 
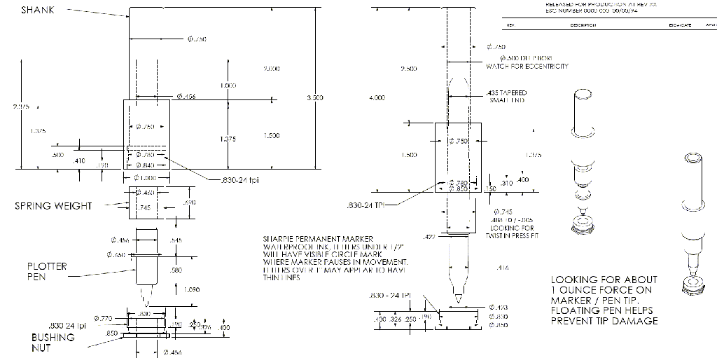
Hoztam a rajzot amit nemrég ígértem.

Első látásra egy kicsit bonyolult, (és ez csak elvi rajz, a zárótárcsákat és azok rögzítését az érthetőség kedvéért nem rajzoltam meg és az áthatásokat elég nagyvonalúan csináltam meg), de legyártani valamivel egyszerűbb mint megrajzolni volt.
A lényeg, hogy a 18mm-es pogácsába meg kell csinálni az átvezető furatot, ehhez a golyóvezető pályákat egy CNC marógépen, majd a két tangenciális horony közepére állva, esztergán kell megcsinálni a 4mm emelkedésű rádiuszos menetet. A profil szélessége lényeges, az alakja is csak az oldalán menet-tető melletti (60°) kell hogy megközelítse a golyóhoz illeszkedő felületet fenekét akár ki is lehet könnyíteni, mivel ott nem fog dolgozni. Ugyanez igaz az orsóra is. Mivel két egymás ellen kontrázott anya lesz az orsón előfeszítve, az ellenállása nagyon kicsi, a megmunkálás viszont nem igényel speciális pontosságú eszközt. Az orsó anyagának C45, C60, 42 CrMo4 V az ideális, lehetőleg előnemesített változatban. Az anyának ugyanilyen anyagot javaslok, de ha sikerül ~50 Rockwell keménységűre edzeni, akkor nagyon tartós lehet.
A golyókat itt lehet beszerezni:http://bearings.hu/termekek/golyo
(#) Szebence válasza Stewe hozzászólására (») Máj 8, 2012 /
 
Szia!

pdf-ben, hogyan valósítható meg amit csináltál? Mármint, hogy külön lehet kapcsolgatni a rétegeket? Üdv!
(#) Stewe válasza Szebence hozzászólására (») Máj 8, 2012 /
 
AutoCAD DWG-ből lett nyomtatva, az abban lévő fóliákat külön rétegként menti.
(#) Szebence válasza Stewe hozzászólására (») Máj 8, 2012 /
 
Köszi a választ! Még nem próbáltam soha, majd megnézem, hog exportálni lehet-e pdf-be és ha igen, ott működik-e vagy csak ha pdf-be nyomtatok. A háttérben olvasom a topic-ot, jó lenne építeni egyszer majd vlaamit, csk szimplán kihívás céljából...
(#) NickE válasza Stewe hozzászólására (») Máj 8, 2012 /
 
Kösz!
Majd ha már nem teljesen kezdő leszek, és építek egy nagyobb CNC-t, akkor lehet, hogy ilyenre csinálom.
(#) lui3 válasza NickE hozzászólására (») Máj 8, 2012 /
 
Neked most felületkövetös ceruza vagy felületkövetös toll kell?Én ugy csináltam ezt meg hogy egy paxtoll rogoját kivettem a helyéröl és betettem felülre a betét fölé és már kész is a felületkövetös toll.Igaz kikapcsolni nem lehet de ez már részletkérdés és igy a legegyszerübb.Nem kell ezt tulbonyolitani.
Üdv
(#) NickE válasza lui3 hozzászólására (») Máj 8, 2012 /
 
Ez tényleg jó, van itthon PAX toll, megnéztem, 15mm-t rugózik, szuper. Igaz, hogy van kb. 0,5-1mm kottyanása, de majd azt kihézagolom.

Azért a korábban általam belinkelt szerkezetnek megvan az az előnye, hogy abba olyan írószert fogatsz, amilyet akarsz. (ceruza, rotring, alkoholos filc, toll, stb)
(#) lui3 válasza NickE hozzászólására (») Máj 8, 2012 /
 
Ebben teljesen igazad van egyszer kell benevezni egy felületkövetö egység árába és örök élet de paxtoll mindenkinek van othon és ha van akkor ingyen van
És ha kiprobálgatod mindenféle más kapcsolorendszerü tollal akkor megtalálod a kottyanásmentes felületkövetös tollat.
(#) gulasoft válasza Stewe hozzászólására (») Máj 8, 2012 /
 
Akkor ehhez csak egy komplett működő cnc, és egy komplett működő eszterga kell. Tényleg gyerekjáték.
(#) Stewe válasza gulasoft hozzászólására (») Máj 9, 2012 /
 
Igen, és nem kell hozzá menetköszörű... játékmentes, és csak gördülő ellenállás van.

Aztán az elégedetlenkedők vehetnek készen is, óccón és akkor már csak orsót kell hozzá venni méterenként 20-30000-értr. Lehet, hogy nem ugyanaz a tartósság, de házi körülményekről beszélünk. Egyébként pedig semmi sem kell a gyártáshoz, ami egy műanyag anyához ne kellene.
(#) gulasoft válasza Stewe hozzászólására (») Máj 9, 2012 /
 
Ne haragudj, de egy danamid anyához miért is kell cnc és eszterga?
Az bolti orsónak meg métere 80000-10.000Ft nem 20-30.000. Nem feltétlenül Magyarország legdrágább helyén vásárolni.
Esetleg nézz körül itt:Bővebben: Link

Persze vágom én, hogy házi körülményeket említesz, csak azért nem minden háztartásban van egy komplett fémmegmunkálásra (kemény fém) alkalmas cnc és egy ugyan ilyen minőségű eszterga.
Ismerősnél volt egy közel 800 kilós cnc, 1000*1500*2000mm-es darab, panaszkodott, hogy vas megmunkáláskor berezonált, ki kell önteni a keretet betonnal. Ha van ismerősödnél erre alkalmas gép, akkor biztos ócóbb házilag.
Lehet használtan is venni akkor még olcsóbb. Vettem a hobbicnc-n 80 centi hosszú komplett szánt 30-as tengelyek, golyós orsó, csapágyak, végek, bordáskerék rajta, csak egy motor kell és bordásszíj. 30.000 volt kompletten az egész. Ha sikerül összevadászni a dolgokat 100.000-ból egész komoly gépet lehet csinálni, alumíniumig jó.
(#) Stewe válasza gulasoft hozzászólására (») Máj 9, 2012 /
 
Nem is kell feltétlenül CNC, bármilyen marógépen meg lehet csinálni. Nem szabad túlmisztifikálni sem! Venni... A 2200*1800×1400-as géphez megvettük ami kellett, de aki a sikerélmény miatt épít, és már van egy műanyag anyás gépe, összehozza ezt rajta. Nem mint követendő példát toltam ki, csak mint lehetőséget.

Midig imádtam a "mit miért nem lehet" hozzáállást.
(#) gulasoft válasza Stewe hozzászólására (») Máj 9, 2012 /
 
Lehetőségként jó. Én meg imádtam a csináljuk meg otthon a cnc-nkel, és az esztergánkkal leírásokat. Nekem van egy fúrógépem, meg egy gérvágóm fémtárcsával. Elmondanád ezekkel miképpen tudom ezt kivitelezni? És a legtöbb amatőrnek ennyi a szerszámkészlete. (vagy még ennyi sem)
Múltkor meg lettem szólva, hogy ez házi alkatrészekről szól, meg hogyan építsünk otthon talált limlomból valamit.
A danamid anyához azért nem kell semmi cucc, elég egy menetvágó.
(#) Stewe válasza gulasoft hozzászólására (») Máj 9, 2012 /
 
Leonardo először bicskával faragta a fát, és amikor kész volt két orsó, akkor rakta össze a cserekerekes esztergáját!
Abban maximálisan igazat adok, hogy otthon talált limlomokból nem lehet használható CNC-t összehozni. Aki ezért megszólt, kíváncsivá tesz, hogy hogy is csinálta, és ha már kész, akkor mire jó. Egy kéttizedes holtjáték egy szánon már borzalmas végeredményt ad.

A danamid anyát azért én nem mondanám sima leszállásnak, a normál métermenet mozgatásra nem igazán alkalmas, kell hozzá befogó persely... vagy én vagyok túl igényes?
(#) SALáta válasza NickE hozzászólására (») Máj 9, 2012 /
 
Első szerszámom egy zebra toll volt, szóval ott 2mm es játékot egy tollrúgóval értem el. Esetleg egy kis pneumatika munkahenger plusz egy jó minőségű toll, munkahenger meg egy rugóval feszítve.
(#) emmzolee válasza gulasoft hozzászólására (») Máj 9, 2012 /
 
Irigylem is azt a szánt.
(#) gulasoft válasza Stewe hozzászólására (») Máj 10, 2012 /
 
Sir-Nyeteget kérdezd az olcsó mechanikáról. Ő 5000ft-ot mondott rá, amitől kicsit hátast dobtam, de lehet ő tudja a tutit.
Nálam a menetesszárak hernyócsavarral rögzítve vannak egy bolti csapágyházba, a csapágyház meg rögzítve van a ketethez. A másik fele nincs is rögzítve, így az szabadon mozog, ezért nincs feszülés. Hosszirányban fogja a hernyócsavar, oldalirányba meg a lintegelyen futó csapágy.
(#) gulasoft válasza Stewe hozzászólására (») Máj 10, 2012 /
 
Ja, Emmzolee-tól kaptam hasított danamid kockákat aminek a közepén volt egy 10-es luk, azt kellet meg menetvágni 12-es menetfúróval. A hasításnál fórtam egy 5-üs lukat, oda megy egy 5.ös csavar anyával, hogy lehessen feszíteni ha kopna. A hasítással ellenkező oldalon volt egy 5-ös luk, abba vágtam 6-os menetet. 2 ilyen került fel egy baumaxos lukaslemez néven futó laposvasra olyan távolságra, hogy pont közrefogja a csapágyat. A meneteszár ezekbe megy bele. A licsapággyal kicsit szívtam, mert okos kínai fúrt a 4 sarkába 4db 6.5-ös lukat, és ezt a lukat a FELÉIG megmenetvágta.
Vágom é, hogy ezt ugye felszereld egy alulamezre, amihez felfogod a golyós orsót, de esetemben ez teljesen használhatatlan volt. Egy átmenő csavart nem tudsz belerakni csak ha nem használod ki a menetet (6-os ccsavar), a 8-as menetfúróm meg szerencsére fél centivel rövidebb mint a csapágy, és hát egy 8-as menetfúró miért is maradna végig 8-as, mikor ki lehet vastagítani 10-esre is, nehogy véletlenül menetfúró hosszú menetet vághass vele. Más megoldás nem lévén szemből vágtam a másik oldalról is középig menetet és közben kicsit sírtam. Ebbe a 8-as menetbe raktam egy 8-as csavart, a laposlemezen fúrtam egy 8-as lukat (egyenlőre csak két szélén csináltam meg)
A 8-as csavaron van két anya, amivel a laposvas magasságát lehet állítani, ami magával vonza menetesszár lintengellyel bezárt szögének a változását is, így egész precízre be lehet lőni a párhuzamosságot a lintengellyel. (Ja a csapágy az önbeállós, ezért kell egy kicsit játszani a párhuzamossággal, mert hajlamos "lefittyeni" ha nincs a csapágyon kívül máshol megfogva a befogott tengely.)
Ebből csináltam 2-őt a 2 oldalra, így az Y hajtás megvan.
Tegnap a vett tengellyt szétszedtem, mert be kell rakni egy bordásszíjat. Kicsit gondban vagyok, mert a nagymotort mértem oda, de ehhez a tengelyhez lehet elég lenne a kicsi is, olyan szinten állat finom, hogy ha függőlegesbe állítom a kocsi súlya miatt leforog a golyósorsón. Mókás látni ahogy magától mozog a szán.
(#) poros hozzászólása Máj 11, 2012 /
 
Sziasztok!
A motor tápegységhez mekkora puffer kondenzátort érdemes vagy kell tenni. Valahol 10 000µF olvastam amperenként. Ez valós lehet? Az én motorjaim 4.5A-esek ez 3x4,5A számolva, 135 000uF.
(#) qvasz2 válasza poros hozzászólására (») Máj 11, 2012 /
 
Nem inkább csak 1000 - 2000 µF amperenként?
(#) Stewe válasza poros hozzászólására (») Máj 11, 2012 /
 
A 10.000µF az már minden esetben elég, de legtöbb esetben felesleges. (Persze a kibicnek semmi sem drága.)

A 2000µF /A motoronként mindenképpen jó, de ez is csak akkor szükséges, ha szimultán mozgások vannak terhelés alatt, tehát csak az egyidejűleg vezérelt tengelyeket kell számolni, nem is az összes motort.
(#) poros válasza Stewe hozzászólására (») Máj 11, 2012 /
 
Köszönöm mindkettőtök válaszát!
Igen én is sokalltam a 10 000µF/A kapacitást. Ezért is kérdeztem meg a véleményeteket. Egyébként reliefeket szeretnék készíteni ahol eléggé összetett mozgások vannak.
Következő: »»   129 / 377
Bejelentkezés

Belépés

Hirdetés
XDT.hu
Az oldalon sütiket használunk a helyes működéshez. Bővebb információt az adatvédelmi szabályzatban olvashatsz. Megértettem