Fórum témák
» Több friss téma |
Fórum » Codefon kaputelefon
Szia!
Látom hogy nem Akeebaby vagy, de köszönöm az infót! MKT lakáskészülék és valószínűleg egy illesztővel van a digit központhoz bekötve (analóg nem tud proxy-t ha jól tudom és az elődje egy Bolgár-MKT volt). Kicseréltem tegnap este a lakáskészüléket, mert annó csak egy használtra tudtam szert tenni és a friss tapétán eléggé extrémen mutatott. A művelet 50%-ban volt sikeres, eredménye: Működik a kaputelefon, csak nagyon halk (beszédhang és csengetés is) és 3ból 2szer OFF-ot ír felcsengetésnél. Ötlet? Sajnos nem kenyerem a ház közös cuccaiban turkálni, de muszáj vmit tenni, mert nem vagyok ugróbohóc hogy a tönkrement lift mellett minden postáshoz lerohangáljak... A hozzászólás módosítva: Aug 9, 2019
Az illesztő panel tud érdekes hibákat....
Akeebaby az embered, mert ő jobban benne van ezekben. Én kerülöm nagy ívben. Várd meg, vagy írj privit neki. Üdv: Sok sikert.
Úgy lesz, a hiba oka szerintem a központnál keresendő, de ahhoz nem szeretnék hozzányúlni, viszont a KK száját szeretném valamivel betömni, ha esetleg kötözködne...
A készülék csere eredménye, hogy az eddigi folyamatos OFF állásból legalább néha felcsenget végre, de akkor is nagyon halk. Ha jól sejtem hangerő gomb nincsen ezeken a codefone MKT lakáskészülékeken, pedig indokolt lenne... A hálózat sem "mai csirke", szóval még azzal is lehet gond.
Tisztelt Akeebaby!
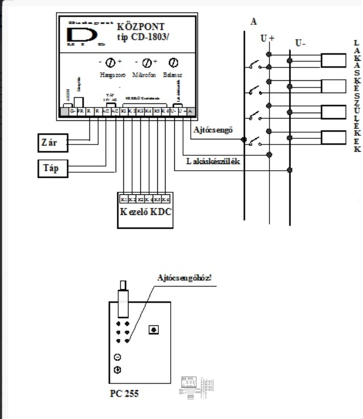
Egy ősrégi beltéri társasházi lakáskészüléket szeretnék cserélni. Elvileg 3 vezeték jön be a lakásba + - és egy 3. ami a régi készüléknél a kagylóba menő vezetékkel volt összekötve lenti képen látható. Ez valószínűleg a sima kapucsengő. Egy digitális rendszerről lévén szó codefon készüléket kötöttem be csak a + - vezetékkel. A hiba az hogy felcsengetésnél csak pattogó hangot ad a készülék, a kagylót felvéve nagyon halkan cseng a kagylóban. Lent rendesen csengetés hallható. A jumperezés számszerüsítve jó 28-as lakás, viszont a 26-os lakás csengetésekor szintén pattogó hang hallható a mi készülékünkből. Beszélni nem lehet rajta sehogy sem ajtót nem nyit. Mi lehet a probléma? Képeket mellékelem. Saját készülék panelja a 3 képen lévő típus. Korábban említett hozzászólásból szedtem ki mert azt nem fotóztam, a jumperezést nem kell nézni. Az új készülékben alulról nézve a 3-4-5-en van jumper így adva ki a 28-as lakást. Válaszát előre is köszönöm. A hozzászólás módosítva: Aug 20, 2019
Sziasztok,
A képeken egy talán egy KDC Wekta központot látok, ami ha jól tudom lengyel és a codefonnal nem kompatibilis! (egyszer volt hozzá közöm, javítsatok ha nem így van). A codefon digitális lakáskészüléke semmiképpen nem lesz jó hozzá szerintem mert nem passzol a mikrovezérlők közötti kommunikáció. Az első képen valóban van jobb alul egy codefone "kódzár" de az csak kódra és proxy kártyára nyitni tud, nincs benne kaputelefon központ funkció. Gondolom a központ nem tudja a proxys nyitást és így oldották meg. Szóval kéne egy wektra lakáskészülék hozzá.
Szia,
A hiba nem feltétlen a készülék és a központ, sok esetben ha sorban van felfűzve akkor a szomszédok telefonjaiban a csavart drótos bekötése a továbbmenő közösnek. Milyen ház hány emelet stb .. kaphatok még infókat ?
Ahamm megvan az eredeti kérdés és a nekem hiányzó infó is....
Szóval igaz hogy a panelban a közös vezetéket ha megszakítják akkor az egész sor néma lesz! Ez ált akkor van ha a közöst elvágják, tipikus eset hogy eleve két vezetékként volt kötve eredetileg is egy sorkapocsba, a festő leveszi a készüléket és máris csend van mindenhol ![]() Fentről nem lehet ellenőrizi ill lehet de jó hosszú mérővezeték kell a műszerre.... Legegyszerűbb mód lent a központnál a lakásokat csengetni .... 1 lakás cseng a földszinten, 6 lakás cseng az elsőn, 12 lakás Off, 18 lakás Off .... Ebben az esetben az első még csengő lakásból kell vizsgálni a közös vezeték meglétét a feljebbi OFF -ot író lakás felé, vagy az első OFF -os lakásban. Ha megtalálod és rendbe teszed akkor mennie kell. Az írásodból viszont az tűnik ki hogy, néha megy néha nem..... ennek sok oka lehet Vezetékezés, az MKT ra ráakasztott digit vonal és még számtalan...
Szia. Tudnál ajánlani ehhez a típusú főegységhez kompatibilis beltéri készüléket? Mert simán rákeresve a wekta típusra nem találtam ilyet.
Szervusz!
Sajnos rosszul tetted. A két rendszer nem, "nagyon nem" kommunikál egymással. Wekta, Proel készüléket kell felszerelned, ahhoz hogy működjön egyáltalán. Dehogyisnem A hozzászólás módosítva: Aug 20, 2019
Nagyon szépen köszönöm a segítséget. Akkor beszerzek egy PROEL PC-512 programozható készüléket.
A helyzet bonyolultabb, de közel sem kiábrándító:
Kiderült hogy aktív a készülék figyelés, ami jó, viszont sok lakónál (alattam és fölöttem is) vagy leszerelték és nem tudják visszarakni (nem jelölték meg a vezetékeket) vagy tönkrement és nem vettek újat. A földszinten valószínűleg a nagy felújításban elvésték a kábelt és arra tippelek hogy szigszalaggal "foltozták" meg, mivel a tulaj szerint kivéstek valami kábeleket. Sajnos a felszállók az egyik folyosói falikar kapcsolója alatt futnak, így az a fura tévképzetem támadt, hogy sikerült elvágniuk, de mélyen hallgattak róla... (ahogyan persze a tulaj is, mivel nincsen anyagi kedve 11 emeleten keresztül fizetni a helyreállítási munkákat, ami érthető) Arra a merész elhatározásra jutottam, hogy a gondnok vérnyomását megemelendő felhívom, és majd ő kihívja a szakembert, aki megkeresi a hiba forrását és a kedves tulaj számlájára helyreállítja a dolgokat, mert én a ház nevében nem kötelezhetem rá, de a gondnok és a KK már igen. Tudom, nem egy etikus megoldás, de amíg ő ezt megpróbálja eltusolni, addig én Push-olni fogom
Szia. Egy proel pc-512 programozható lakáskészüléknél elég a jumpereket beállítani vagy kell még lakáshoz programozni is a készüléket? Néztem videókat róla hogy különböző lakás számokat rendeltek hozzá.
Szia. Előző hozzászólásomat mivel nem tudom törölni így az nyugodtan semmisnek vehető.
![]() Nos porel pc-255-ös készülék a nekem való mivel külső nyomógomb is csatlakoztatható hozzá ami kell. Csupán a kérdés az hogy hova mert nem találtam leírást róla. Válaszokat előre is köszönöm.
Sziasztok. A kérdésem az lenne, hogy bekötöttem a porel pc-255-öt ami félig működik csak. Kapunál való csengetéskor rendesen cseng de ha felveszem akkor tovább cseng magyarán nem lehet beszélni a kapunál lévővel. Leírás szerint kötöttem be, a csengetéskor kagyló felemel visszatesz majd újra felemelnél lehetne beszélgetni de olyan mintha a nyelve nem érzékelné hogy a kagylót leemelem. Jelzi szépen ha kóddal jön be valaki csak ez a beszéd nem működik. Ajtónyitó gomb nyomogatásnál hallani a patoggó hangot tehát azt érzékeli. Mi lehet a probléma? Ajtónál lévő nyomógombot ami csengőként funkcionál hova lehet bekötni?
Szervusz!
Felprogramoztad? Jumperek? Tibor
Szia. Jumperek rendben beállítva. Külön felprogramozni tudomásom szerint ezt a 255-öst nem kell csak a jumpereket lakáshoz számozni.
Létezik belőle jumper nélküli is....
Hát ez így elég furcsa...
Szia.
Szerintem nem létezik belőle jumper nélküli! (Csak digitális)
Szia
Biztos jól kötötted be? Amikor még működött a kaputelefonod akkor az ajtó csengő is ezen csörgött? (Ezért van kagylózsinórra rákötve a 3. vezeték!(szerintem)) A bekötött két vezetéken 6,4-9,5 között kéne mérned (DC) Ha jól van bekötve és így sem működik akkor: két szomszédot kérdezd meg náluk jó e a kaputelefon (ha jó akkor nem központ hiba) ha esetleg megengedik kösd be náluk a lakáskészülékedet te lakásszámoddal "28" al beállítva és csörgess fel ( ha működik akkor lakáskészüléked jó) Ha szomszédoknál működik a kaputelefon és a tied is akkor rakd vissza. Nézd végig a kötéseket a lakásod és a lépcsőházi kötődoboz között! Beoxidálódott rossz kötés is okozhat ilyen hibát! (régi alu vezetékes rendszernél többször belefutottam már!) De a nálatok lévő központhoz felrakhatod még a Laskomex LM-8 típusú lakáskészüléket is!
Mikor levettem a régit direkt felcímkéztem, hogy melyik a + - vezeték. A csengő vezetéke nincs bekötve mivel nem találtam ilyen bekötési pontot a panelen. Igen ezen csörgött az ajtó csengő is. Felvettem a kapcsolatot a bolttal ahonnan rendeltem, műszaki segítséget kérve, ott említették, hogy vannak érdekes (szerelői) megoldások néha a főegységnél ami miatt nem működnek megfelelően az új készülékek. Gariban átnézik és cserélik a készüléket. Viszont amilyen bekötési rajzot átküldött hogyan is kell bekötni a lak készüléket hát bizony nem éppen úgy néz ki az én panelem. Pedig modell típusra olyan.
A hozzászólás módosítva: Szept 5, 2019
A képen lévő panel 67 re van beállítva!
Ha jól emlékszem neked 28 ra kellene! 4+8+16 ra rakd a jumpert. A hozzászólás módosítva: Szept 5, 2019
Szervusz!
De bizony létezik ![]() Csak nem megy minden központtal. Úgy kell a gombjaival programozni. Még nem volt vele dolgom, de Dénes Úr a forgalmazó mutogatta. Tibor
Szia!
Akkor bocsi! ![]() Nem láttam még olyat! A hozzászólás módosítva: Szept 5, 2019
Szia. A képen nem az én készülékem panelja látható mert nem fotóztam le. Netről töltöttem le de pont így néz ki. A jumperezés nálam megfelelő.
Nem hagyott nyugodni a dolog így felcseréltem a + - vezetéket. A tapasztalat meglepő mert most a kagyló felvételnél van hang érzékeli ha le fel nyomom a nyelvét, viszont így a kapunyitó gombot nem érzékeli. Ez fura. Mi okozhat olyat az új készüléknél ha + + - - akkor a kapunyitó gomb működik ha a + helyére - kötöm akkor a kagyló rész múködik?
Szia!
Majd kijavítanak a többiek ha butaságot mondok: Ha jól tudom, akkor tápfeszt kell visszaadnod a lakásszálon hogy az ajtózár nyisson, valószínűleg ezért nem mindegy mit hova kötöttél. Az ajtócsengő pedig ahogyan elnézem egy kontaktot vár, tehát ha összezárod a két lábát, akkor csenget, mintha nyomnád az ajtónál a gombot. Mellesleg ezt a rajzot nem tudom én sem értelmezni, mert: - Mi a csoda az a 24V és 24VGND? Nem földfüggetlen a táphálózat? - Ha van külön tápegység bemenet, akkor a mi a + és - láb? Vagy ezt lehet kötni, 2,3 és 4 vezetékes rendszerbe is? A lényeg: Úgy kösd be ahogyan a régi is volt, ha azt megjelölted, ne kísérletezz vele, mert nem tudom hogy van e védelem a központban a lakáskészülékek irányából (valószínűleg nincsen "óccsítási" célzattal), max az egész központ betápján lesz egy darab üvegtestes olvadóbetét. Bár az is segítene ha lefotóznád a sajátodat hogy lássuk az hogyan van bekötve... A hozzászólás módosítva: Szept 9, 2019
Üdv! Lehet, hogy volt már kérdés, ha igen akkor bocs. Codefone 2 vezetékes rendszernél van e lehetőség lakásonként több készülék elhelyezésére párhuzamositással ugyan arra jumperelve? Köszi!
Helló!
Volt már igen. Max kettőt lehet így használni. NM:
Sziasztok!
A képen látható lakáskészülékem tönkrement. Tudnátok,segíteni,hogy milyen típusút kell vennem? Köszönöm! A hozzászólás módosítva: Szept 16, 2019
|
Bejelentkezés
Hirdetés |












Akkor bocsi! 

